Leyendas de la tierra
Dorothy Vitaliano
A Charles, por su infinita paciencia
Desde niña me fascinó la mitología y el folklore de todo tipo, y desde hace muchos años me dedico profesionalmente a la geología. Sin embargo, no fue hasta 1961 en que comprendí que las dos tenían un origen común. Esto sucedió cuando tropecé con un artículo de A. G. Galanopoulos que relacionaba la Atlántida con la erupción de Santorín, en la Edad del Bronce. El término geomitología (geomythology) se me ocurrió en noviembre de 1966 cuando estaba describiendo a un grupo de colegas las ideas del profesor Galanopoulos. En mayo de 1967, me encontré a mí misma impartiendo una conferencia, en el Coloquio de Geología en la Universidad de Indiana, sobre «Geomitología: el impacto de la Geología sobre la Historia y la Leyenda, con especial referencia a la Atlántida». Entre el público estaba el profesor Richard M. Dorson, director del Instituto de Folklore de la Universidad de lndiana, que me pidió publicar la charla en la revista de ese Instituto. La entusiasta recepción, tanto de la charla como de su texto impreso, por parte de los geólogos y también de los profanos, me alentaron a tomar en serio la sugestión de la editorial de la Universidad de Indiana (Indiana University Press) de que lo desarrollara hasta la extensión requerida para un libro.
Una de las principales razones para afrontar esta empresa, más ambiciosa, ha sido la esperanza de que, dentro de sus limitadas posibilidades, este libro podría salvar la brecha en las comunicaciones entre los científicos y los no científicos. En estos tiempos, cuando los resultados de la manipulación del medio ambiente natural por el hombre están alcanzando con suma rapidez proporciones críticas, es fundamental que todo el mundo, desde el hombre de la calle hasta quienes elaboran las leyes y toman las decisiones políticas que afectan al medio ambiente, estén familiarizados con los procesos físicos y biológicos que lo crean, lo mantienen o lo modifican. Pero, mientras los científicos continúen hablando en una jerga que sólo es comprensible para otros de su misma especialidad, la separación entre ciencia y humanidades continuará existiendo y aumentando. Creo firmemente, junto con muchos otros, que como científicos tenemos la obligación de explicar las cuestiones en términos que sean comprensibles a los no científicos. Si no lo hacemos nosotros, ¿quién lo hará?
Leyendas de la Tierra proporciona un marco excepcional para exponer información científica sobre una gran variedad de fenómenos geológicos. Por supuesto, no puede presentar una visión total de nuestro entorno físico, pero, al menos, la visión fugaz que proporciona, mejorará la comprensión de los no geólogos, de algunos aspectos de su medio, y, quizás, incluso, estimulará su curiosidad lo suficiente como para que busquen más información acerca de la Tierra sobre la que vivimos. Al mismo tiempo, tanto los científicos de la Tierra como los profanos hallarán divertido contrastar las explicaciones del folklore y las científicas respecto de distintos rasgos geológicos, y, por su parte, los científicos de la Tierra se sentirán especialmente intrigados buscando una posible base geológica para ciertas leyendas y tradiciones. Como la investigación ha incluido folklore de muy diversos tipos, ha considerado, también, una amplia variedad de cuestiones geológicas. Puesto que la geología está tan especializada como el resto de las ciencias modernas, es posible que incluso el científico de la Tierra encuentre en estas páginas algún tipo de información que no había hallado todavía en alguna especialidad que no fuera la suya. Finalmente, en vista de la reciente proliferación de trabajos referidos al origen egeo de la Atlántida, a estos científicos, lo mismo que a los legos, cabe que les interese un análisis razonablemente objetivo de esta idea, desde el punto de vista de la credibilidad geológica. Como saben quienes se han preocupado por este tipo de problemas, la sugerencia de que la isla de Santorín pudiese haber sido el lugar de asentamiento de la Metrópolis de Atlántida está íntimamente ligada a la teoría de la destrucción volcánica de la Creta Minoica. Sobre este punto, el resultado de las investigaciones realizadas por mi marido y yo, aún no completadas, prometen arrojar una nueva luz, como se verá en el capítulo VIII.
Se han efectuado numerosos intentos para explicar detalles específicos del folklore en términos de fenómenos naturales. A veces, se han citado adecuadamente mitos y leyendas en los trabajos geológicos, especialmente en aquellos que se refieren a terremotos y volcanes. De vez en cuando se han realizado intentos para borrar concepciones equivocadas de algunos fenómenos geológicos. Hasta donde yo sé, sin embargo, ningún trabajo singular ha intentado demostrar hasta ahora todos los modos en que la geología, la historia y el folklore pueden interrelacionarse. La mayor parte del material que se ha utilizado en este libro ha sido compilado de muchas fuentes conocidas y algunas desconocidas. La preparación de este compendio ha servido de estímulo para llegar a algunas conclusiones y especulaciones originales, que se exponen como tales en el contexto correspondiente.
Han sido tantos los que me han estimulado y ayudado con sus consejos, sus críticas, sus informaciones, sus ilustraciones, referencias y ejemplos adicionales, que enumerarlos ocuparía muchas páginas y, lo que es peor, correría el riesgo de ofender a alguno por el pecado de omisión. No obstante, no puedo dejar de nombrar a algunos pocos que merecen una mención especial: Dr. Sigurdur Thorarinsson, de la Universidad de Islandia, por sus numerosas sugerencias y amplificaciones respecto de temas islandeses, por el uso de fotografías, por la crítica de partes del manuscrito en sus primeras etapas y por su trabajosa revisión del primer borrador; profesor Spyridon Marinatos, Inspector General de Antigüedades de Grecia, por la oportunidad de participar en el Congreso Científico Internacional sobre el Volcán de Thera, en 1969, sin el que mi información sobre los problemas de la desaparición de la civilización minoica hubiera estado totalmente desactualizada, y por su ayuda a mi marido y a mí en nuestra investigación sobre Creta, así como por su hospitalidad cuando hicimos excavaciones en Thera, el verano de 1971; profesor Angelos G. Galanopoulos, Director del Instituto Sismológico del Observatorio Nacional de Atenas, cuyos trabajos sirvieron de inspiración original para Leyendas de ¡a Tierra, aunque yo no comparta totalmente sus puntos de vista, y Dr. Howard A. Powers, Director retirado del Observatorio de Volcanes del Parque Nacional de Hawái, por su entusiasta cooperación sobre el folklore volcánico Hawáiano y su revisión total del primer borrador del manuscrito.
La propiedad de las fotografías se establece en la leyenda de las mismas. A no ser que se especifique lo contrario, los dibujos han sido pensados y diseñados por James R. Tolen, responsable del gabinete de dibujantes del Departamento de Geología de la Universidad de Indiana.
Geomitología es una palabra nueva. ¿Qué significa, exacta- menté? Tal como fuera concebida en principio, .se la definió como la aplicación geológica del evemerismo. Evémero de Mesina fue un filósofo siciliano que vivió alrededor del año 300 a. C, y que sostenía la teoría de que los dioses de la mitología no eran sino mortales deificados; por tanto, el evemerismo será la interpretación de los mitos como relatos tradicionales de hechos y personajes históricos. En este sentido, entonces, la geomitología trata de explicar ciertos mitos y leyendas específicos en términos de acontecimientos geológicos reales que pueden haber sido vistos por distintos grupos de gentes.
La geomitología incluye también lo que los folkloristas llaman mitos etiológicos o explicativos, es decir, los ideados para explicar diversos rasgos del medio del hombre. Debido a lo que se ha caracterizado correctamente como «la atracción que la impresionante geografía ejerce sobre el folklore», hay gran cantidad de estos mitos e, incluso, pseudo-folklore (o fakelore. como-lo ha-denominado Richard M. Dorson), que pretenden explicar el origen de formas sorprendentes de la tierra en todo el mundo. También, en ocasiones, han inspirado al folklore características especiales que se producen en pequeña escala, como minerales particulares. Resulta innecesario agregar que los mitos etiológicos que intentan esclarecer las erupciones volcánicas y los terremotos han proliferado en aquellas partes del mundo sujetas a estos siniestros y espectaculares fenómenos geológicos que se producen cíclicamente.
Aunque éstas son las formas más comunes en que la geología y el folklore se relacionan, no son las únicas. Una forma perfectamente válida del folklore moderno está constituida por los errores conceptuales comunes en lo que se refiere a asuntos geológicos. También se produce el caso contrario, es decir, lo que se considera una antigua fábula resulta tener, en definitiva, una base científica. Por último, la mitología, de un modo muy modesto, ha tenido algún efecto sobre la geología, especialmente en cuestiones de nomenclatura y, de vez en cuando, de un modo menos pasivo. Todas estas posibles relaciones entre la geología y el folklore se analizarán en las páginas siguientes, ya que el estudio de tales relaciones constituye la esencia de la geomitología.
Antes de abocarnos de lleno a la demostración de las formas en que se interrelacionan la geología, la historia, el mito y la leyenda, podría resultar interesante establecer con precisión lo que entendemos por cada uno de estos términos, puesto que significan distintas cosas para distintas personas.
Si se le preguntara al hombre de la calle qué cree que es la geología, lo más probable es que la considere el estudio de las rocas. Sin embargo, significa mucho más que eso. La palabra geología significa «ciencia de la Tierra», y la Tierra está formada no sólo por el globo sólido constituido por rocas y tierra vegetal (litosfera) y un centro metálico, sino también por las aguas que hay en el interior y alrededor de la litosfera (hidrosfera) y el aire que está por encima (atmósfera); un campo magnético lo rodea (magnetosfera) y, junto con su Luna, es parte integrante del sistema solar. La superficie de las tierras habitables, las aguas y el aire, constituyen la biosfera, es decir, el territorio de las cosas vivientes. Todos estos elementos, en mayor o menor grado se afectan entre sí, por lo cual es imposible trazar una línea que separe terminantemente la geología de las otras ciencias físicas y naturales, o sea, la astronomía, la física, la química y la geología, ni que tampoco separe las diferentes ramas de las ciencias de la Tierra entre sí. Estas interrelaciones se reflejan en algunas denominaciones que designan los campos inter e intradisciplinarios de las ciencias de la Tierra: por ejemplo, geoquímica y geofísica, que se refieren específicamente a la química y la física de la Tierra; geografía (descripción de la Tierra), que se ocupa de la Tierra, principalmente como el entorno del hombre; geomorfología, que es el estudio de la forma de la superficie de la Tierra determinada por las distintas fuerzas internas y externas; geohidrología, que se ocupa de las reservas de agua, particularmente las que se hallan en el suelo; qeocronología, que trata sobre la edad absoluta de las rocas; e incluso, geopolítica o geografía política.
A todas ellas proponemos agregar la geomitología, que incluye la geología, la historia, la arqueología y el folklore, en otras palabras, las ciencias naturales, sociales y las humanidades. Por tanto, la geomitología es, sin duda, la geociencia más interdisciplinaria entre todas ellas.
La próxima pregunta será la siguiente: ¿qué entendemos, exactamente, por mito, leyenda y folklore? La respuesta es, otra vez, muy simple, porque la distinción entre mitos y leyendas ha sido y sigue siendo objeto de interminables discusiones y desavenencias entre todos aquellos que se ocupan de estos temas. H. J. Rose prefiere utilizar leyenda como un término generalizador, y subdivide todas las historias tradicionales en mitos propiamente dichos, que son el «resultado de reflexión»; sagas, que tienen una base histórica (y que él reconoce que suelen conocerse como leyendas), y märchen,(cuentos cuya finalidad es exclusivamente divertir. J. H. Brunvand, por su parte, emplea folklore como un término más general; definiéndolo como «las tradiciones no registradas de un pueblo», esa parte de la cultura que se transmite oralmente. El folklore incluye mitos, leyendas y cuentos populares. Ahora bien, los mitos y las leyendas pueden ser considerados verdaderos por quienes los relatan (en contraste con los cuentos populares o märchen) y se distinguen, sobre todo, por «la actitud que tienen los relatores hacia ellos, el medió que se describe y sus personajes principales. Los mitos se consideran sagrados y las leyendas pueden ser tanto sagradas como profanas; los mitos se ambientan en pasados remotos, en el otro mundo o en la antigüedad, y las leyendas, en un pasado histórico; los mitos tienen .como protagonistas a dioses o animales, mientras las leyendas tienen, por lo general, a los humanos como personajes centrales». Para los fines geomitológicos resulta más conveniente considerar como mitos aquellas tradiciones que son totalmente etiológicas, y como leyendas las que, en realidad, son evemerísticas (el evemerismo sostiene la teoría de que los dioses son la magnificación de figuras históricas relevantes). Por tanto, si hablamos en sentido riguroso, el contenido de este libro debería denominarse geo-folklore. No obstante, y puesto que una clara distinción entre mito y leyenda es imposible en una definición, y como los términos han acabado empleándose de modo intercambiable, utilizaremos geo-mitología en un sentido más amplio, refiriéndonos a cualquier tipo de folklore inspirado en la geología, sin tener para nada en cuenta sus diversos orígenes.
Se han expuesto muchas teorías que pretenden explicar el origen de los mitos. Cada una de tales teorías ha sido sostenida con vehemencia por sus partidarios y, quizá con demasiada frecuencia, con exclusión de cualquier otra. Fundamentalmente, dichas teorías han tratado de explicar la notable similitud entre los elementos de las mitologías y las que existen entre los mitos y los cuentos populares. Estas semejanzas se explican por medio de cualquiera de los dos siguientes modos básicos: por la invención independiente en distintos lugares (poligenismo) o por la transmisión de una invención a otras regiones (difusión). La difusión conduce a lo que los folkloristas llaman sincretismo en que elementos de tradiciones que han evolucionado separadamente se funden en una sola. Las teorías generalizadoras modernas admiten que los mitos, las leyendas y los cuentos populares de muchas naciones han surgido probablemente de una combinación de fuentes, y no de una sola. Si bien la geomitología se ocupa de pequeños segmentos del vasto conjunto del folklore, que se refieren al medio físico, en las páginas siguientes quedará bien patente la validez de este origen múltiple de los distintos puntos de vista.
Debemos ahora ocupamos de la historia. En el sentido estricto de la palabra, historia es sólo lo que se ha preservado en forma escrita. Los mitos y las leyendas datan, habitualmente, de antes de que la palabra escrita apareciese en las culturas que se estudian, de modo que no importa cuál sea la base real que puedan tener, ya que serán prehistóricos, de acuerdo con esta definición. Más aún, dado que la escritura se desarrolló en diferentes momentos y en diferentes lugares, lo que es prehistórico en un lugar cabe que sea contemporáneo de lo que es verdaderamente histórico en otro. En este libro utilizaremos la historia, en un sentido indeterminado, para designar lo que se conoce como fuentes escritas y lo que fueron tradiciones orales originariamente (tradiciones semi-históricas) y, más importante aún para nuestros propósitos, todo lo que está «escrito» en los registros geológicos y arqueológicos, y desde los que es factible deducir el hecho implícito de una leyenda. A medida que avancemos, quedará claro que, cuanto más hacia atrás nos remontemos en el tiempo, más confusa se nos aparece la línea que divide la historia (o sea, lo que realmente ocurrió) de la leyenda. Por tanto, se impone una aclaración sobre la relativa fiabilidad de la tradición oral, de los documentos históricos y de la evidencia científica.
La fiabilidad de la historia transmitida por tradición oral ha sido objeto de violentas controversias desde el tiempo de Evémero, si no antes. Los escépticos extremos niegan que las anticuadas tradiciones contengan ni un ápice de verdad histórica; los defensores de la tradición oral, aunque no niegan que existan elementos de ficción, afirman que es posible separar lo que es histórico de lo que no lo es. Si pensamos en términos del mundo actual, en que un rumor llega a transmitirse con alteraciones sustanciales cada vez que se repite, hasta que se pierde cualquier parecido con la verdad, es difícil creer que se mantenga la más mínima semejanza con el hecho en la tradición oral. Pero existe otra analogía que puede resultar más apropiada. ¿Cuántas veces, como padres, hemos contado el mismo cuento a nuestros hijos para que se durmieran y hemos comprobado que nos corrigen porque hemos modificado tan sólo una palabra con respecto a la versión original que antes ha escuchado el pequeño? Del mismo modo, ¿no sería difícil introducir modificaciones en las historias contadas por narradores profesionales a personas cuyas culturas permanecen prácticamente invariables durante miles de años; pueblos, por ejemplo, como los indios americanos antes de la presencia de los «rostros pálidos», y que dependían de los narradores para divertirse y para preservar las tradiciones? Bajo tales circunstancias, los cambios se introducirían con gran lentitud. Cuando la historia se ha transmitido a través de una sucesión de narradores profesionales que han sido especialmente adiestrados en el uso de la memoria, como los bardos islandeses, por ejemplo, hay muchas y buenas razones para creer que cuando, finalmente, y después de algunos cientos de años, el relato se escribe, resulta razonablemente exacto. Sin embargo, debe admitirse que la primera versión escrita de los hechos más antiguos difiere, inevitablemente, y en alguna medida, de los hechos originales.
Por supuesto, la historia escrita está menos sujeta a modificaciones que la tradición oral, pero, en última instancia, la palabra escrita es sólo tan fiable como lo sea el cronista original. Existe la posibilidad de que la información sea distorsionada antes de llegar hasta el narrador, o que, incluso un relato de primera mano, sea inexacto. Baste considerar las discrepancias que, con demasiada frecuencia, existen entre el propio recuerdo de un acontecimiento que hemos presenciado y la descripción que el periódico nos ofrece al día siguiente. También es bien conocido el hecho de que diez testigos lleguen a dar hasta diez versiones distintas de un determinado suceso, sobre todo si éste ha sido corto y sorprendente.
Las desviaciones del original, aun después de que el relato haya sido escrito, cabe que se produzcan por posteriores copistas descuidados (antes de la imprenta) o por defectuosas traducciones. Los traductores, evidentemente, no son infalibles. El proverbio que utiliza un lenguaje figurado en el Nuevo Testamento: «Es más fácil que un camello pase por el ojo de una aguja, que un rico entre en el reino de los cielos», se considera por algunos como un error de traducción en el que alguien consideró equivocadamente la palabra griega Καμηλος, que significa cuerda o cable, por Καμελος, que significa camello.
Además del problema de un simple error de traducción, existe el aspecto, mucho más sutil, de la versión exacta del significado, cosa que a menudo implica una cierta interpretación y lleva a traductores de igual capacidad a versiones diferentes del mismo texto. Se me ocurre un ejemplo un tanto frívolo: hace unos años existió una popular tonadilla que se titulaba «El devorador de gente púrpura»[1]. Si se escuchaba lo que decía, era evidente, en la parte culminante, que el animal en cuestión no era un aterrador monstruo púrpura que devoraba a cualquier desventurada persona que caía en sus garras, sino una criatura amigable e incomprendida que era peligrosa para la gente púrpura. Ahora bien, supongamos que pretendemos traducir ese título al francés sin saber cuál es el significado exacto. ¿Debería ser «Le mangeur de gens pourpres» (The eater of purple people) o «Le mangeur-de-gens pourpre» (The purple eater of people)? Sólo una de las dos alternativas es la correcta, pero cualquiera de las dos (al menos, impresa) perderá la ambigüedad que proporciona todo su sentido a la canción. En la gran mayoría de los casos, el contexto indica cuál es la correcta interpretación al traducir, si bien existen casos en que no es así, de modo que la conocida frase «algo se pierde en la traducción» no deja de ser cierta.
Por último, es posible que exista una distorsión deliberada en cualquier matiz de los documentos históricos, de forma que éstos se adapten a algún propósito tortuoso, o para que se ajusten a una filosofía prevalente, como, por ejemplo, la filosofía «aria» de Hitler, o el materialismo dialéctico.
En general, no es posible falsificar deliberadamente las crónicas geológicas y arqueológicas. Por supuesto, las crónicas arqueológicas son registros humanos conscientes y cabe que incluyan alguna distorsión por parte de gentes desaparecidas ya mucho tiempo atrás, como, por ejemplo, la pintura y escultura que glorificaban a gobernantes indignos. El fraude científico real es tan raro que si llega a tener éxito y consigue engañar a unas pocas personas, aunque sea por poco tiempo, constituye un acontecimiento. En geología, sólo hubo dos casos en que este tipo de fraudes estuvo a punto de obtener éxito. Uno de ellos, el caso Beringer, fue cometido-contra un individuo, y no contra toda la ciencia. El otro, la falsificación de Piltdown, mucho se aproximó al «crimen perfecto», pero, aun en este caso, se logró engañar a pocas personas y durante breve tiempo.[2]
Uno puede preguntarse si no habrá habido engaños tan inteligentes que no han sido detectados ni lo serán. No obstante, encontrar en una sola persona el deseo de engañar a los científicos y el conocimiento necesario para idear y llevar a cabo con éxito un fraude (tal como parece haber sido el caso de la falsificación de Piltdown) es extremadamente difícil; encontrar a alguien con la necesaria experiencia y que esté dispuesto a prestarse a una confabulación que incluya a varios individuos, es aún más difícil; y, finalmente, que la «evidencia» elaborada encaje tan bien con los descubrimientos posteriores, de modo que no se evidencie su falsedad, como ocurrió con el Hombre de Piltdown, supondría una coincidencia inconcebible, y, en ese caso, ¿qué daño se habría hecho en realidad?
Pero, aunque la evidencia geológica y arqueológica es muy difícil que mienta, es tan fragmentaria que es factible que nuestra interpretación sea totalmente errónea. La situación es análoga a un gigantesco puzzle hecho de partes irregulares y del que sólo tenemos algunas pocas piezas sueltas. Debemos tratar de encajarlo totalmente, pero, hasta que encajemos las precisas piezas como para que el diseño se evidencie, debemos «unirlo» mediante una red de simples conjeturas que lo reforzarán o, por el contrario, lo harán añicos cuando aparezcan nuevas piezas del puzzle.
Las teorías científicas se parecen a los mitos etiológicos en que ambos intentan explicar hechos observados. Pero, mientras los mitos son producto de la imaginación simple y recurren a lo sobrenatural o a lo físicamente imposible para explicar estos hechos, las teorías científicas deben ser compatibles con todo lo que sobre el mundo natural se sabe hasta ese momento. Los mitos aún persisten cuando los hechos incontrovertibles se presentan contra ellos. Las teorías científicas también persisten, y sus más celosos partidarios se aferran a ellas mientras exista alguna posibilidad de que las piezas del puzzle se ajusten tal y como ellos desean. Ahora bien, cuando las hipótesis implícitas son insostenibles, cualquiera que se precie de ser un científico debe rechazar una teoría científica.
Capítulo II
El papel de la geología en la historia y en la leyenda
Sin duda, la mayor parte del folklore inspirado en la geología se clasifica en dos categorías principales, como ya se dijo, la etiológica y la evemerística. Los geomitosetiológicos, exceptuando los que explican los terremotos y los volcanes, casi siempre se refieren a características geológicas que surgieron hace mucho tiempo. Los procesos geológicos, como los dioses, en general actúan con lentitud, requiriendo miles o millones de años para revelarse. El levantamiento vertical o la subsidencia de áreas importantes de la corteza terrestre, la contracción de regiones móviles de la corteza formando montañas, la erosión y la deposición de sedimentos, el vulcanismo, la glaciación continental, todos estos fenómenos han ocurrido, ya sea en forma continua o intermitente, desde el comienzo de los tiempos geológicos, hace más de tres mil millones y medio de años. La mayor parte de esta acción, si es que puede aplicarse este término a un proceso tan lento, se había realizado y completado mucho antes de que existiera el hombre. El primer hombre «moderno», el Hombre de Cro-Magnon (Homo sapiens sapiens), apareció alrededor de hace cincuenta mil años, y si en esta escala se admite al Hombre de Neanderthal (como Homo sapiens neanderthalensis), nuestra especie, a lo sumo, apareció hace sólo cien mil años, a diferencia de varias criaturas primitivas, apenas humanas, que datan de hasta más de tres millones de años. La existencia del hombre, comparada con toda la era geológica (véase tabla 1), es sólo un fugaz abrir y cerrar de ojos.
El lento proceso geológico ha tenido un efecto igualmente importante en la historia y en los mitos. Este lento proceso determinó la actual distribución de las tierras y los océanos, la topografía de la superficie del suelo, la naturaleza de las rocas que se hallan bajo esta superficie, la distribución de las riquezas minerales, la provisión de aguas y otras características semejantes de nuestro planeta. A su vez, dichos factores determinan qué regiones son más agradables para residir, qué naciones son las «que tienen» y cuáles las «que no tienen», qué áreas son accesibles con facilidad, qué regiones son más vulnerables para los ataques y cuáles más defendibles, y así sucesivamente Mucho se ha escrito sobre geografía política, o el papel que han desempeñado los minerales en la historia, pero estos temas están fuera de la finalidad de la geomitología. Nos interesa, principalmente, el abundante folklore inspirado en estos procesos geológicos.
Todas las naciones poseen su folklore para explicar los rasgos de su paisaje; sin embargo, muy raramente y, en general, por coincidencia, los mitos etiológicos tienen la menor semejanza con la verdadera historia geológica de las características que lo inspiraron. Los mitos de este tipo pueden denominarse geomitos ex post facto porque son inventados para explicar el resultado final de procesos cuya acción no ha sido presenciada. El capítulo IV se dedica totalmente a este tipo de folklore. También se encontrarán otros ejemplos en el contexto más especializado del folklore de los volcanes y las tradiciones de diluvios. ,
A largo plazo, los procesos geológicos son la suma de un infinito número de pequeños acontecimientos individuales, a menudo demasiado insignificantes para ser percibidos, aun cuando constantemente se producen a nuestro alrededor. De vez en cuando, y en un particular punto, se presentan con suficiente rapidez como para que sus resultados resulten perceptibles durante una vida, o a lo largo de varias generaciones. Los procesos de este tipo incluyen cambios en el nivel relativo de la tierra y el mar, el avance o retroceso de glaciares, mutaciones climáticas y la obstrucción con cieno de los puertos. Como se verá en el capítulo III, estos fenómenos tuvieron un efecto considerable sobre las migraciones de los hombres más antiguos, pero, en tiempos más próximos, el impacto sobre la historia humana ha sido relativamente menor, y prácticamente nula su acción sobre las leyendas.
A veces, un solo hecho en el conjunto geológico sucede muy rápidamente y nos permite echar una ojeada sobre las tremendas fuerzas que operan dentro de la Tierra, comparado con las cuales, el esfuerzo más formidable del hombre, como podría ser la bomba de hidrógeno, no es más que un gran cohete. Los grandes terremotos, las erupciones volcánicas, las inundaciones, los desprendimientos de tierras, causan víctimas o alteran drásticamente el curso de la vida de mucha gente. Cuando se ve afectada una gran cantidad de personas, comunidades enteras quedan, de una forma temporal o permanente, desorganizadas, y, en algunos casos muy notables, tales acontecimientos han llegado a influir sobre naciones enteras. Sin embargo, en general, el impacto de tales acontecimientos que ocurren súbitamente ha sido insignificante en la historia humana si lo comparamos con la influencia de los lentos procesos geológicos -que configuran el medio ambiente. No obstante, dichos procesos constituyen la materia con que se nutre la leyenda: las evemerísticas, en las que hay un germen de verdad (como en una ostra, un grano de arena es el origen de una perla) en estrato sobre estrato de brillante ficción. Se encontrarán abundantes ejemplos de este tipo en los capítulos 6 al 10.
Pero, ¿por qué son hechos geológicos los que dan origen a las leyendas, si, en general, su impacto en la historia humana no ha sido importante? Creo que a causa de que en el momento en que se producen interesan notablemente. Y es así porque, a no ser que la naturaleza humana haya cambiado de un modo considerable a lo largo del tiempo, lo que se considera remarcable y, por tanto, debe recordarse cuando los hechos cotidianos de la vida hace mucho tiempo que se han olvidado, es lo insólito, sobre todo lo que resulta profundamente insólito. ¿Y qué lo es más que una catástrofe natural? Para entender cómo los hechos geológicos inspiran las leyendas, observemos los pocos casos en que las fuerzas geológicas han alterado el curso normal del devenir humano en los tiempos modernos o, al menos, en los tiempos históricos. Los ejemplos son tan numerosos que debe establecerse algún criterio que oriente la elección de los que deben incluirse. Así, he seleccionado los que ilustran este punto en que el concepto de catástrofe es en gran medida subjetivo. En otras palabras, la magnitud de un desastre provocado por fuerzas geológicas no significa, en modo alguno, la medida de la magnitud de esas fuerzas, sino sólo de su «notabilidad». Más aún, he tratado de evitar ejemplos que ya han sido analizados una y otra vez, excepto en el caso de que sean particularmente relevantes.
El 8 de mayo de 1902, una erupción del tipo «nube ardiente» descendió por los flancos del monte Pelée en Martinica, aniquilándolo todo excepto a dos de los más de treinta mil habitantes de San Pedro, al pie del volcán. (Uno de los supervivientes fue, irónicamente, un asesino condenado que se encontraba en un calabozo.) Yo dudo mucho que la erupción se hubiera recordado en absoluto, excepción hecha de los vulcanistas, si la terrible nube hubiera tomado otra dirección y descendido por la montaña sin afectar a la ciudad. Por la energía volcánica desplegada, la erupción del Pelée no fue más importante que muchas otras de nuestro tiempo. En 1915, se produjo una explosión similar en el pico Lassen, en California, pero en este caso no resultaron perjudicados nada más que algunos miles de áreas de bosques y la vida salvaje que en ellos había. Tres de las erupciones más violentas de toda la historia se han producido en este siglo: Katmai, en Alaska, en 1912: Bezymianny, en Kamchatka, en 1956, y Sheveluch, en Kamchatka, en 1964, pero todas ellas se produjeron en zonas deshabitadas y, por tanto, sólo les interesan a los vulcanistas y a las pocas personas más que pudieran haberlos presenciado, o sentido indirectamente sus efectos desde lejos. La erupción del Pelée, en cambio, se considera generalmente como una de las erupciones más grandes de todos los tiempos: en realidad, fue una de las grandes catástrofes de todos los tiempos, lo que, por supuesto, no es lo mismo.
* * * *
El informe de las catástrofes naturales está regido por factores completamente subjetivos. Como ejemplo, puede tomarse el terremoto de Nevada del año 1954. El 7 de julio de ese año, el Washington Post informó, en un pequeño artículo de primera página, que un terremoto había sacudido el área alrededor de Fallón, Nevada, durante la noche, ocasionando algunos daños en los edificios del centro y afectando seriamente al sistema de irrigación. Decía asimismo que por la tarde se había producido un segundo temblor. En San Francisco, el Examiner dedicaba al suceso la primera página con fotografías de los daños producidos en Fallón, pero, en general, le preocupaba, sobre todo, el hecho de que el segundo terremoto se había registrado en San Francisco. En Nevada, principalmente en el área de Fallón, el hecho era lo más importante.
Fallón, un centro agrícola en el borde del Carson Sink (Sumidero de Carson), depende del río Carson para su provisión de agua y, por tanto, el deterioro del sistema de irrigación era algo muy importante. La pregunta esencial en la mente de todos, especialmente después de la segunda fuerte sacudida, era: «¿Se repetirá otra vez?» Se instaló temporalmente un sismógrafo en el sótano del Ayuntamiento de la ciudad, y el aparato registró numerosas sacudidas posteriores cada día; muy pocas de ellas fueron perceptibles, excepto para los instrumentos, pero fueron muchas e indicaron que aún no habían desaparecido las tensiones desatadas en la tierra. No obstante, todo el mundo, excluidos los residentes de Fallón, olvidaron pronto el incidente... hasta que, el 23 de agosto, otro intenso temblor localizado un poco más hacia el este, en Stillwater, destrozó las reparaciones recién terminadas en las acequias de irrigación. Esta nueva sacudida no mereció ni una simple línea en el Washington Post, aunque su intensidad fue exactamente igual a la del 7 de julio. El Examiner informó, simplemente, que el movimiento sísmico había ocasionado algunos daños en Fallón y en Lovelock y que se había percibido en San Francisco, así como en Boise y en Salt Lake City. Y en Fallón, en cambio, las sacudidas posteriores continuaron siendo causa de preocupación.
La serie de terremotos culminó con dos fuertes temblores el 16 de diciembre, otra vez al este de la última, en Dixie Valley y cerca de Fairview Peak (pico de Hermosavista). (El temblor de Dixie Valley se acompañó de una espectacular falla en la superficie; lo que puede observarse si se hace un pequeño rodeo fuera de la carretera U.S. 50, donde está indicada con un letrero.) Aunque resulte extraño, la única pérdida en dinero se produjo en Sacramento, a unos 290 kilómetros en línea recta, y el hecho lo provocó el bullir de fluidos en los tanques de la planta municipal de tratamiento de aguas en un depósito cubierto, y en un tanque clarificador de una compañía de fabricación de sopas. Los daños producidos por este nuevo temblor sólo merecieron una pequeña mención en el Washington Post. El Examiner le dedicó un artículo en la primera página, bajo el título de: «Dos nuevos temblores sacuden el área de la bahía de San Francisco», y se refería principalmente a los efectos que el fenómeno había tenido en la ciudad, que eran, sin duda, infinitamente menores. Como de paso, se comentaban los deterioros que había sufrido Sacramento, pero, ¡no se decía una palabra sobre Nevada, que es donde se había registrado el terremoto!
Resulta evidente, según se desprende de estos ejemplos, que el valor de la noticia de un desastre provocado por fuerzas geológicas depende principalmente de los intereses humanos afectados, que varían según la intensidad de los daños y la distancia a que éstos se han producido. Cuanto mayores sean las pérdidas en vidas y propiedades, mayor el interés. El más grande de los cataclismos no es noticia si sucede donde pocos, o nadie, sufran sus consecuencias, mientras que un siniestro relativamente pequeño, pero en áreas densamente pobladas, como el terremoto del 9 de febrero de 1971, cerca de Los Ángeles (que ni siquiera fue tan fuerte como el temblor de Nevada en 1954), llega a provocar mucho sufrimiento y ocupa los titulares de los periódicos de todo el mundo.
Sin embargo, ocasionalmente, un acontecimiento geológico menor en un lugar apartado, ocupa los titulares, aun cuando no se produzcan víctimas. Esto ocurrió en la erupción de Tristan da Cunha, en 1961. Esta isla es la parte superior de un pico volcánico en la ladera externa de la cresta Dorsal del Atlántico Medio, próxima a su terminación sur (Figura 1). Los habitantes de la isla son descendientes de soldados ingleses apostados allí desde los tiempos en que Napoleón hubo de exiliarse en Santa Helena, otro pico de la cresta Dorsal del Atlántico Medio, o de cazadores de ballenas que se asientan en el lugar. Se produjo una erupción por un nuevo orificio, a sólo trescientos metros de Settlement, donde vive toda la población (los 264 isleños y 11 oficiales con sus familias) y todos tuvieron que ser evacuados a Inglaterra[6]. Cuando se produjeron las erupciones, éstas fueron insignificantes: la lava cubrió menos de 650 metros cuadrados, y otro tanto las cenizas. Nadie resultó herido. Las únicas cosas vivientes que padecieron fueron las plantas que crecían muy cercanas al lugar, envenenadas por los humos tóxicos. La vida animal no fue afectada. Sin duda, los habitantes podrían haber permanecido allí durante la erupción si los daños no se hubieran concentrado sobre el llano de Settlement, y si no se hubiese destruido la fábrica de conservas que formaba parte integral de la única industria existente: la pesca. Tal como ocurrió, toda la vida de la pequeña y aislada comunidad resultó interrumpida. Sin embargo, esta desorganización resultó ser temporal. La mayor parte de los isleños no se acostumbraron al confuso mundo moderno al que habían sido empujados y en el que fueron distribuidos y, casi todos, jóvenes y viejos, eligieron regresar, cuando el peligro hubo pasado, a la vida tranquila, limitada y relativamente primitiva de la isla.

Figura 1. Mapa esquemático del océano Atlántico, en el que se indica la Dorsal del Atlántico Medio y otros lugares que se mencionan en este capítulo y en los siguientes.
Otro desastre que ocupó los titulares de los periódicos de todo el mundo fue el de Tangiwai, en Nueva Zelanda. Debido a una caprichosa combinación de circunstancias, lo que no debió ser más serio que una interrupción del servicio de ferrocarriles se transformó en un accidente que, el día de Navidad de 1953, costó la vida a 151 personas. Y, aunque en esos momentos el volcán Ruapehu estaba en reposo, sin causar ninguna alteración a su alrededor, resultó ser finalmente el culpable. El río Whangaehu tiene su origen en un glaciar en lo alto del volcán de 2.750 metros, que es el pico más alto de la isla del Norte de Nueva Zelanda (Figura 2).

Figura 2. La isla del Norte de Nueva Zelanda, con la indicación de lugares que se mencionan en varias leyendas maorís.
En su última erupción, en 1945, se había formado un lago en el cráter, embalsado allí por una combinación de lava, cenizas y nevizas. Al derretirse debido al calor del volcán, y también, sin duda, al sol del verano (Nueva Zelanda está en las Antípodas), la parte del embalse constituido por neviza cedió de pronto y liberó agua que produjo una inundación, descendiendo con estrépito y arrastrando grandes piedras y materiales que formaron un flujo de barro del tipo llamado lahar[7]. El puente del ferrocarril, a cuarenta kilómetros río abajo, cerca de Tangiwai, quedó destruido cuando el lahar chocó contra él, y, para aquellos que estaban en el expreso que se acercaba al lugar, el momento resultó diabólico. Si el puente se hubiera hundido unos pocos minutos más tarde, el tren habría pasado sin el menor problema; unos minutos antes, el tren habría podido detenerse a tiempo. Pero tal como se produjo, varios coches se precipitaron en el desfiladero, lo que ocasionó la pérdida de muchas vidas.
Aunque el desastre de Tangiwai desplegó un manto de tristeza sobre esa Navidad en Nueva Zelanda, a largo plazo afectó sólo a las víctimas y a los amigos y familiares de éstas. Incluso desastres de la magnitud del terremoto de San Francisco de 1906, o el de Tokio de 1923, aunque desconciertan por el tributo en vidas y propiedades que significan, fueron resistidos por las respectivas comunidades y países. Sin embargo, hay un desastre geológico que se produjo en los tiempos históricos y que casi arruinó a todo un país; la erupción del Lakagígar («Volcanes de Laki»), de Islandia.
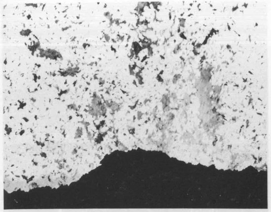
Islandia es una de las áreas volcánicas más activas del mundo. Toda la isla es, esencialmente, una pila de capas de lava formadas durante y desde el período Terciario en la cresta Dorsal del Atlántico Medio, cerca de su terminación norte (véase Figura 1). La erupción de lava más grande de los tiempos históricos se produjo cuando ésta fluyó sin cesar de los orificios a lo largo de los 25 kilómetros de la fisura de Laki (Figura 3), durante ocho largos meses. La erupción comenzó el 8 de junio de 1783. La lava encontró una vía de escape descendiendo por los valles de dos ríos hacia las llanuras, donde se esparció y, finalmente, cubrió un área de 565 kilómetros cuadrados en total, estimándose que su volumen alcanzó de 12 a 15 kilómetros cúbicos de lava, y que ahora se conoce como el Eldhraun («flujo de fuego»). En la actualidad, el camino principal se extiende por kilómetros y kilómetros a través de un paisaje fantasmagórico que semeja la decoración de algún relato de ciencia-ficción en otro planeta, especialmente cuando el telón de fondo de las montañas cubiertas de hielo se oscurece por la niebla. La espesa cubierta de musgo y liquen que se forma sobre la lava en la época de lluvias, intensifica esta impresión (Ilustración 1). Aunque una cierta cantidad de granjas desaparecieron bajo la lava, el daño mayor no lo produjo ésta sino la «niebla azulada» que la acompañó. Esta bruma contenía gases nocivos, especialmente dióxido de azufre, y estuvo suspendida sobre la mayor parte de Islandia durante todo ese verano e impidió el crecimiento de pastos para el ganado. Este fue un desastre de magnitud sin igual porque la ganadería depende de la cosecha de heno y la gente depende de la ganadería. Siguió el «hambre debido a la bruma» en que el 77% de las ovejas, el 76% de los robustos ponys islandeses (usados sobre todo para transporte, en esos días), el 50% del ganado y el 20% de las personas murieron de hambre, o debilitados por la desnutrición sucumbieron a las enfermedades. A la luz de las experiencias de las erupciones del Hekla de 1947-48 y 1970, hoy se cree que el flúor de las cenizas volcánicas que son expelidas junto con la lava es responsable, en parte, de la pérdida de la ganadería. Se requiere un pueblo fuerte, como sin duda lo es el islandés, para sobrevivir a semejante golpe.

Figura 3. Mapa esquemático del sudeste de Islandia. Se señala la localización de la hilera de cráteres de Lakagígar, el volcán subglacial de Katla y otras características mencionadas en este capítulo y en los siguientes.
Otra intensa erupción ayudó a tomar una importante decisión en la historia de Islandia. Para apreciar eficazmente el hecho es necesario comprender el medio geológico. Cuando los primeros colonizadores llegaron desde Noruega, alrededor del 874, se sorprendieron del contraste que se ofrecía entre las frescas lavas posglaciales y las antiguas rocas. Un geólogo experimentado no tendría hoy dificultad en reconocer que las rocas antiguas también fueron lavas (Ilustración 2), pero debemos tener en cuenta que, incluso en el siglo XIX, cuando la geología estaba en su infancia, se produjo una gran controversia sobre el origen de rocas de capas de grano fino de este tipo. Los partidarios del punto de vista «neptunista» sostenían que tales rocas eran sedimentos depositados en el mar, como las areniscas, las pizarras y las piedras calizas; los «plutonistas» insistían que se trataba de rocas volcánicas, cristalizadas a partir de lavas caídas sobre la superficie, como las lavas modernas. Hasta 1858 no se desarrolló la técnica que permitió cortar capas muy finas de rocas que así pudieron ser estudiadas con el microscopio polarizador. Cuando esto ocurrió, la cuestión fue decidida, sin discusión, en favor de los plutonistas. Por otra parte, las lavas posglaciales (Ilustración 3) eran, sin duda, el producto del vulcanismo. En Islandia existe una palabra especial para designar estos flujos recientes: hraun (que se pronuncia «hroin»), y que cabe traducir como «campo de lava». Cualquiera que haya visto los lechos de lava del oeste de Estados Unidos, ha visto los hraun. Ejemplos notables son los de Lava Beds National Monument (Monumento Nacional de los Lechos de Lava), de California; los Craters of the Moon National Monument (Monumento Nacional de los Cráteres de la Luna), de Idaho; el Sunset Cráter National Monument (Monumento Nacional del Cráter del Crepúsculo), de Arizona; y, a lo largo de la autopista 66, cerca de Grants, en Nuevo México.
En el año 930, Islandia estableció el Alting, el primer parlamento democrático del mundo y el que lo ha sido en forma más continuada. Representantes de todas las zonas del país se encuentran cada año en verano en Thingvellir (Ilustración 4), donde una fisura natural, el Almannagjá, proporciona una excelente acústica para el orador que se ubica de pie sobre la Law Rock (Roca de la Ley). En el año 1000, el punto principal de la agenda del Alting fue la candente cuestión de si Islandia debía adoptar oficialmente la Cristiandad o continuar adorando a los viejos dioses escandinavos. Desde ambos bandos se presentaron hábiles argumentos y no pudo tomarse ninguna decisión. Según el Kristnesaga. la historia oficial de la Cristiandad en Islandia, el debate había alcanzado un punto en el que «cada hombre declaraba fuera de la ley al otro: los cristianos contra los paganos, y viceversa». En ese momento, llegó un mensajero anunciando que la lava estaba fluyendo de una fisura en Aulfus, a unos treinta kilómetros al este de Reykjavik, y que amenazaba las granjas del jefe Thorodd (Figura 4). «Entonces, los paganos comenzaron a decir: “No es sorprendente que los dioses se sientan airados después de esos discursos".» Las opiniones parecieron inclinarse a su favor, pero el jefe Snorre, orador de la Cristiandad, aprovechó la oportunidad para transformar la noticia en argumento a su favor. Contemplando la vasta extensión de hraun que cubre todo el valle en Thingvellir, preguntó: «¿Dónde estaban los iracundos dioses cuando la lava, sobre la que estamos en este momento, quemó todo esto?» Finalmente, los votos fueron en favor del Cristianismo.
Aunque resulte sorprendente, también un volcán jugó un papel importante en la aceptación del Cristianismo por otro pueblo que está en el extremo opuesto del mundo con respecto a Islandia. Esta es la historia de Kapiolani, inmortalizada por Tennyson en un poema que lleva su nombre. Kapiolani, esposa del gran jefe del distrito de Kona, de la isla de Hawái, se convirtió desde el principio al Cristianismo. En diciembre de 1824, cuando hacía tres años que se había convertido, decidió demostrar a su pueblo que Pele no era una deidad que mereciera la adoración ni necesitaba que se le apaciguara, sino que se trataba de una superstición pagana. Su marido y sus amigos, aún bajo la influencia de esta superstición, trataron de disuadirla, y los sacerdotes y sacerdotisas de Pele le profetizaron un destino horrible. Desde su casa, que estaba en la parte oeste de la isla, hasta el cráter de Kilauea donde se creía que vivían Pele y sus numerosos familiares, había más de ciento cincuenta kilómetros. El viaje fue difícil, la mayor parte del camino a pie y a veces atravesando los terrenos de lava «aa»[8] más escarpados. Kapiolani respondía a cuantos le rogaban que no continuara: «Si soy aniquilada, vosotros podréis creer en Pele, pero si no lo soy, todos debéis convertiros a las verdaderas escrituras.» Al llegar al foso de Pele, la mujer rompió varios tabúes: cogió y comió las bayas sagradas ohelo sin antes ofrecer algunas a Pele, arrojó piedras en el cráter y descendió varios metros hasta llegar al borde del lago de lava (Ilustración 5). Cuando regresó ilesa y el pueblo vio que había llegado hasta el temido final, comprendieron que Pele no era tan de temer como habían creído. Los años siguientes hubo muchos conversos en todo Hawái, entre ellos el Sumo Sacerdote del volcán.
En Filipinas, casi doscientos cincuenta años antes de la demostración de fe de Kapiolani, un monje franciscano llamado Esteban Solís realizó un servicio similar a la causa de la Cristiandad. En 1592, ascendió por el terrible volcán Mayon para persuadir a los supersticiosos nativos de que ningún espíritu maligno residía en las montañas. Se le tuvo que retirar casi inmediatamente de la cima, a causa de los gases y vapores asfixiantes que emanaban del volcán, pero los nativos se convencieron y permitieron que se les bautizara. El monje no fue tan afortunado como Kapiolani porque, un año más tarde, enfermó y murió, debido, posiblemente, a los efectos de los gases venenosos que había inhalado.

Figura 4. El flujo de lava del año 1000, cerca de Hveragerdi, que jugó un papel decisivo en la historia de la Cristiandad en Islandia. La lava manaba de los orificios y fluía a lo largo de la fisura alrededor del monte Skálafell, amenazando las cercanas granjas del jefe Thorodd. (Tomado de Einarsson, 1960.)
Unos cuarenta años antes de Kapiolani, el mismo Kilauea intervino directamente en los asuntos de Hawái. El último jefe en cuestionar el derecho de Kamehameha de gobernar la «Big Island» («Gran Isla»), fue su primo Keoua. En noviembre de 1790. Keoua y su ejército, acompañados por sus mujeres y sus hijos, acamparon cerca del cráter. Durante la noche se produjo una erupción del volcán y, temiendo haber ofendido a Pele por haber dejado caer piedras al cráter, pasaron el día siguiente tratando de aplacarlo. Al tercer día, por la mañana, emprendieron de nuevo la marcha divididos en tres compañías. En el momento en que el grupo central había pasado el cráter, la tierra comenzó a temblar y una terrible explosión de vapor, cenizas ardientes y rocas estallaron, aniquilando a todos los que componían el grupo. Incluso fueron alcanzados algunos del grupo que les seguía, quienes murieron o resultaron heridos, pero, aunque el grupo posterior estaba, en realidad, más cerca del cráter en ese momento, no se hallaba en la línea de fuego del Kilauea y escaparon ilesos. Dado que las explosiones violentas son muy raras en las erupciones del Kilauea, el hecho fue considerado como un signo de que Kamehameha se encontraba bajo la especial protección de Pele. Keoua, que iba con el último grupo, había sido perdonado y continuó su lucha, pero Kamehameha venció y, finalmente, todas las islas se unieron bajo su mando.
Alrededor de la misma época en que una erupción influía en la historia de la Cristiandad, el floreciente reino hindú-javanés de Mataram, en el centro de Java, desapareció súbitamente después de una breve decadencia. Su fin constituye uno de los grandes misterios de la historia javanesa. El centro de la cultura y del poder se desplazó al este de Java y no se oyó hablar más de él hasta el segundo Estado de Mataram, fundado por mahometanos que ascendieron al poder posteriormente al 1595. La Calcutta Stone (Piedra de Calcuta), llamada así porque sir Thomas Stamford Raffles (lugarteniente del Gobernador General de Java. 1811-1816) la llevó de Java a Calcuta, tiene una inscripción que conmemora la fundación de la ermita, por el rey Erlangga, al este de Java, en el año 1041. El texto describe la destrucción del viejo reino de Mataram en el año 928 Sjaaka (1006 d.C.). Los historiadores no se ponen de acuerdo sobre el significado exacto del relato, y, mientras algunos creen que se refiere simbólicamente a guerras o pestes, otros lo interpretan, más literalmente, como referencia a una gran catástrofe natural. El geólogo holandés R. W. van Bemmelen, tras realizar un estudio completo de la historia del volcán Merapi y de la región costera cerca de Semarang, llegó a la conclusión de que el antiguo Estado de Mataram había sido víctima no de uno, sino de dos golpes asestados por agentes geológicos. Descubrió que había existido un buen puerto natural en la costa norte de Bergota, cerca de la actual ciudad de Semarang. La prosperidad y la importancia del antiguo Mataram dependió de ese puerto, puesto que no había otros seguros en la costa sur. A comienzos del siglo X. el río arrastró cieno que comenzó a llenar y obstruir el puerto de Bergota, y en algún momento entre 916 y 927, fue abandonado como tal. Más adelante, en 1006. Merapi recibió el golpe de gracia.
En la inscripción que relata la destrucción del antiguo Mataram, es difícil separar los hechos de la ficción, pero los antecedentes vulcanológicos son evidentes. Dichos antecedentes demuestran que en el viejo Merapi se formó una fisura catastrófica y la erupción que se produjo esparció una espesa capa de cenizas sobre todo el centro de Java, destruyendo, sin duda, su fertilidad durante muchas décadas e interrumpiendo completamente su red de drenaje. Usando antiguos mapas y descripciones de las cantidades de material producido por una erupción en el período 1833 hasta 1942-43 (que se pudo obtener porque Merapi ha sido observado científicamente desde hace más de 150 años), van Bemmelen calculó que eran necesarios alrededor de nueve siglos y medio para que pudiera formarse el nuevo cono de Merapi sobre las ruinas del antiguo, del mismo modo que el Vesubio se ha «reconstruido», desde el año 79, sobre las ruinas del monte Somma. Nueve siglos y medio significa un período muy próximo al año 1006, lo que indica que la erupción es, en realidad, la catástrofe natural a que hace referencia la inscripción de la Piedra de Calcuta, y que, por tanto, fue la naturaleza, no la guerra, lo que destruyó al antiguo Mataram.
* * * *
Desde el viejo Mataram, balanceándose en el umbral que separa la historia de la leyenda, es fácil dar un paso atrás hacia el reino del folklore evemerístico. Rastrear estas leyendas hasta sus posibles orígenes geológicos constituye uno de los aspectos más excitantes de la geomitología y, por tanto, basándonos en el principio de que se debe reservar lo mejor para el final, nos ocuparemos antes de los otros tipos.
En el capítulo II comentamos fugazmente que los procesos geológicos que son poco perceptibles durante la vida humana, o en unas pocas generaciones, producen un insignificante impacto sobre la historia reciente, y aún menos sobre las leyendas. En realidad, han tenido un efecto tan imperceptible sobre éstas, que constituyen una prueba negativa del argumento de que sólo las catástrofes engendran las leyendas evemerísticas.
Estos cambios, rápidos desde el punto de vista geológico, pero lentos desde el humano, incluyen las fluctuaciones de nivel, las mudanzas climáticas, las glaciaciones y las sedimentaciones. Las primeras y terceras son, en gran parte, interdependientes. La exacta posición de cualquier línea costera oceánica depende de uno de estos dos factores: levantamiento o hundimiento de la tierra, y elevación o descenso del nivel del mar. La posición absoluta del nivel del mar depende de la desembocadura del agua encerrada en las capas de hielos continentales y glaciares de las montañas, en todo el mundo y en determinado momento. Las «eras de los hielos» se supone que tuvieron lugar en ciertos momentos en la historia de la Tierra. Durante el período Pleistoceno (véase tabla 1), sobre el que, naturalmente, sabemos un poco más debido a que las evidencias geológicas son todavía frescas, el frente de hielos avanzó desde los centros de acumulación en el norte de Canadá y Escandinavia y, posteriormente, retrocedió[9] al menos cuatro veces.
Los tiempos geológicos han evolucionado tan poco desde que retrocedió la última capa de hielos que, en realidad, no sabemos si la Edad de Hielo ha terminado o si vivimos en otra era interglacial. Aún subsisten remanentes de las capas de hielo en el hemisferio norte, sobre Groenlandia e Islandia. y en algunas de las islas árticas. Todavía no es seguro si el máximo avance de los hielos en el hemisferio Sur se produjo en forma alterna o coincidente con la del Norte, pero, en la actualidad, la capa de hielo antàrtica continúa retrocediendo. De cualquier modo, el nivel del mar se hallaba en su punto más bajo cuando el hielo cubría la mayor extensión, y viceversa. El levantamiento de terrazas marinas en varias partes del mundo indica que, en su nivel máximo, el nivel del mar se encontraba alrededor de unos treinta metros sobre el actual.
Los glaciares también afectan al nivel de la tierra firme. Bajo el tremendo peso del hielo, la corteza rígida de la Tierra presionó sobre el manto inferior, menos rígido (Figura 5). Cuando se eliminó este peso, el manto se ajustó lentamente y la tierra comenzó a elevarse, y todavía sigue subiendo un poco. Este tipo de ajuste se llama isostático, mientras que la alteración del nivel del mar, independiente de los cambios del nivel de la tierra, se llama eustático, o glacioeustático. Hay varios tipos de evidencias que nos~3emuestranía extensión y velocidad del levantamiento isostàtico. En las costas de Escandinavia, de América del Norte o de alrededor de los Grandes Lagos, es posible seguir el rastro de las riberas que se elevaron inclinándose hacia el centro de glaciación. Es posible datar dichas playas por las conchas fósiles, o por el polen, o por el método del carbono-14[10]. Los levantamientos actuales se miden por medio de nivelaciones geodésicas muy precisas —que se repiten, más o menos, cada década—, y, en algunos casos, utilizando documentos históricos. Recientemente, en Noruega, se ha producido una elevación promedio de 1,2 milímetros por año en la costa del área de Trondheim, y de 4.8 milímetros por año en el límite de Suecia. En Bergen, el aumento ha sido de alrededor de un metro desde 1150, y, en la isla de Karmøy, en tomo a los dos metros desde el año 900.
En la era del Pleistoceno fue cuando el hombre prehistórico pasó, de ser un homínido parecido al mono, a la especie Homo sapiens. La dispersión del hombre prehistórico hacia varias partes del mundo, particularmente al hemisferio occidental, estuvo íntimamente ligada a las fluctuaciones glacioeustáticas del nivel del mar en todo el mundo. En algunos momentos, cuando el nivel del mar era más bajo de lo que lo es hoy, el estrecho de Bering estuvo seco, de modo que el hombre de la Edad de Piedra pudo cruzarlo libremente desde Asia y esparcirse hacia el sur, hasta el extremo de América del Sur, y, hacia el este, hasta el océano Atlántico. La primera ola migratoria debió de producirse hace, por lo menos. 15.500 años, puesto que objetos que tienen tal antigüedad se han encontrado recientemente en el foso de alquitrán de La Brea, en Los Ángeles, el más antiguo del hemisferio occidental descubierto hasta ahora. Sin embargo, pocos habrán logrado cruzar el estrecho de Bering sobre una capa de hielo flotante, como ocurre también, de vez en cuando, en la actualidad (en general, por accidente). Ahora bien, las migraciones en gran escala debieron de ser casi imposibles, ya que nunca han existido puentes de tierra firme entre Asia y América del Norte. En cambio, puentes de tierra firme, como los mencionados, facilitaron la entrada del hombre primitivo a las islas Británicas a través de lo que es hoy el canal de la Mancha y el mar de Irlanda.
Ni la elevación del nivel del mar debido a la fusión de los glaciares del mundo, ni la elevación isostàtica de áreas que estuvieron en algún momento oprimidas por el peso del hielo, parecen haber tenido un efecto apreciable en la historia reciente. En Escandinavia, el levantamiento isostàtico relativamente rápido, y el consiguiente desplazamiento de la orilla hacia el mar, ha separado de éste a algunas poblaciones costeras, en los últimos miles de años (incluso sólo mil años, en algunos casos). En las áreas en que ha habido un hundimiento local de tierra, lo que ha provocado la elevación eustàtica del nivel del mar, las ciudades, o parte de ellas, han quedado sumergidas, como lo han demostrado las investigaciones arqueológicas realizadas fuera de las playas, en el Mediterráneo. En la mayoría de los casos, esto no fue la causa de que se las abandonara, sino que, simplemente, los pobladores debieron de retirarse a tierras más elevadas, lo que constituyó un retroceso tan gradual que la continuidad de la existencia de la comunidad nunca se interrumpió.

Figura 5. Esquema simplificado del ajuste isostático durante y después de la glaciación.1. Prevalece el equilibrio isostático. 2. La corteza terrestre se comprime lentamente bajo el peso de la capa continental de hielo. 3. Al desaparecer el peso del hielo, la corteza se eleva lentamente.
Como indica el levantamiento que todavía se produce, y que es medible, el equilibrio aún no se ha restablecido.
El acelerado avance y el retroceso de los glaciares, a escala completamente local, ha influido muy poco en la historia humana, porque muy pocas personas han vivido lo suficientemente cerca como para que les afectara el frente de hielos. Las fluctuaciones de los frentes de los glaciares de las montañas y de los lóbulos de las capas de hielo que aún quedaban, se han medido directamente, por observación sistemática, en los últimos siglos, y las fluctuaciones que se produjeron antes de que comenzaran las mediciones directas se determinan valiéndose de varios tipos de evidencia geológica, por el método del Carbono-14 y, a veces, por testimonios arqueológicos o históricos. Sólo lugares como Groenlandia, Islandia y Alaska tienen poblados que han sido afectados seriamente por los movimientos de hielos. En el sudeste de Islandia, granjas asoladas durante los avances momentáneos de hielo, de nuevo se hallan amenazadas.
En el área de Yakutat, de Alaska, las tradiciones nativas que se refieren a avances y retrocesos de hielos han sido corroboradas ampliamente por las observaciones geológicas. Los geólogos han llegado a la conclusión que los lóbulos del glaciar Malaspina llenaron, en otros tiempos, la bahía ley y la bahía Yakutat y, entonces, comenzando alrededor del año 1400, retrocedieron a posiciones cercanas, o por detrás de los límites actuales (Figura 6). Un segundo avance, que culminó en algún momento entre 1700 y 1791, ocupó toda la bahía Icy y el extremo superior de la bahía de Yakutat. El hielo comenzó a retroceder desde la bahía de Yakutat en 1791, pero permaneció en la bahía ley hasta alrededor de 1904. Una tradición nativa, que se cree data del 1400, cuenta cómo la bahía ley y la Yakutat estaban llenas hasta sus desembocaduras, mientras las gentes vivían, o al menos cazaban, sobre la costa no helada del este y el oeste. (El nombre Yakutat significa, en Eyak, «una laguna (o bahía] en formación», y hace referencia a las aguas que aparecen gradualmente cuando el hielo retrocede.) Un yacimiento arqueológico en la Knight Island (isla del Caballero), en la bahía de Yakutat, y que se conoce como «Oíd Town» («Antigua Ciudad») indica que ésta fue fundada, según la tradición, antes de que aparecieran los árboles en la isla, lo que podría significar que la isla fue poblada poco después de que los hielos permitieron que apareciera. Según otra tradición local, un pueblo en la costa oeste de la bahía Icy, que fue poblada presuntamente después de que se produjo este mismo retroceso, quedó sumergida después por un avance de hielos, probablemente el que culminó en el siglo XVIII.
Estas tradiciones son históricamente exactas en cuanto se refieren a acontecimientos constatados. Pero, al tratar de explicar por qué ocurrieron tales hechos, las tradiciones entran en el reino de la geomitología. La razón que se da para explicar el retroceso, que comenzó alrededor del 1400, es que los indios Atna, que emigraban del río Copper, arrojaron un perro muerto en una profunda grieta cuando atravesaban la helada bahía Yukutat. El avance que sumergió el pueblo de la bahía Icy se atribuye a que algunos jóvenes bromistas invitaron al hielo a unirse a ellos en una fiesta (del mismo modo en que Don Juan invita a cenar a la estatua del Comendador). El último retroceso de la bahía Icy se atribuye a que un indio Tsimshian, que murió en la región, fue enterrado por sus amigos cerca del frente de hielo, ya que deseaban preservar el cuerpo hasta que pudiera ser transportado hasta su casa. Se sabe que este hecho ocurrió en algún momento entre 1890 y 1903.

Figura 6. Mapa esquemático de la parte sudeste de Alaska. Las tradiciones indígenas que se refieren a avances y retrocesos de hielos en las bahías ley y Yakutat concuerdan con los hechos geológicos.
Otro proceso geológico lento, pero perceptible, la sedimentación, ha cambiado la historia de algunas comunidades. Muchas grandes ciudades que en la antigüedad florecieron sobre las playas del Mediterráneo, sólo son hoy meros poblados agrupados sobre las ruinas de su antiguo esplendor, o han sido completamente abandonadas a la arqueología. Antiguos e importantes centros decayeron cuando los puertos que eran su raison d'être fueron obstruidos por el cieno, o como resultado de la tala de bosques que aceleró el proceso de erosión en el área de drenaje. Los puertos que se hallaban en las desembocaduras de los ríos, o cerca de ellas, siguieron el destino de éstos y, cuando su corriente se frenó antes de entrar en el estuario o bahía, descargaron sus sedimentos. En otros casos, la corriente perdió velocidad debido a que la pendiente se había suavizado, formándose entonces un delta llano inundable. En cualquier caso, el puerto quedó inutilizable.

Figura 7. Izmir (Esmirna) se ha salvado, al menos temporalmente y debido a la desviación del rio Gediz, del destino de Mileto, Tarso y otras importantes ciudades antiguas de la costa egea de Turquía. (Tomado de Snell. 1963.)
Los fenicios fueron durante varias generaciones los grandes traficantes del mundo mediterráneo. Su importancia se inició alrededor del 1200 a.C., pero disminuyó cuando sus puertos, incluidos los de Sidón y Tiro, fueron obstruidos parcial o totalmente por el cieno. L. J. Snell ha narrado cómo los sedimentos constituyeron al menos una causa que contribuyó a la decadencia de Troya, Mileto, Éfeso, Priene, Heraclea, Esmirna y Tarso. De todos estos enclaves sólo Esmirna (la actual Izmir), en la parte superior del golfo de Izmir, es todavía un puerto. También comenzó su decadencia a causa de los sedimentos del río Gediz (el antiguo Hermos), pero éste ha sido postergado, al menos durante algunas generaciones, por la desviación del río Gediz, que deposita su carga cerca del borde norte del golfo (Figura 7).
Tarso, la ciudad del apóstol Pablo, fue un puerto comunicado con el Mediterráneo por un corto canal dragado. Tarso existe aún y no es, en realidad, desafortunada, pero hoy es sólo una comunidad agrícola que está a doce kilómetros tierra adentro, en un delta llano formado por tres ríos (Figura 8). Troya sufrió muchos altibajos, y la pérdida de su puerto debió de contribuir a su total abandono. Las ruinas de Troya se encuentran hoy separadas de la costa por cuatro kilómetros de sedimentos depositados por el río Scamander (actual Kanamenderes). Mileto, con una población que llegó a ser de doscientas mil personas, era el principal puerto y centro comercial de la Confederación Jónica. Estaba en un promontorio que se proyectaba sobre el golfo Bafa (Figura 9). El Buyuk Menderes, antes conocido como el Meander[11], formó su delta a través del golfo; el promontorio de Mileto llegó a estar rodeado por un «mar» de sedimentos; Priene, al norte, fue separado del mar, y Heraclea, en la parte superior del golfo, se transformó en un lago rodeado de tierra, a veintiocho kilómetros de la costa. En los comienzos de la Cristiandad, Éfeso (véase Figura 9) compitió con Esmima y Pérgamo por el honor de ser llamada la primera ciudad de Asia. Siguió el destino de Mileto cayendo en el olvido cuando su estuario se llenó ele sedimentos del río Causter. (hoy Kucuk Menderes) (véase Figura 9). La causa inmediata del abandono de Éfeso fue la malaria, que se produjo debido al aumento de sedimentos que intensificaba las condiciones pantanosas que determinaron que el área se hiciera cada vez menos saludable.

Figura 8. Tarso, antes próxima al mar, se halla hoy, rodeada por los sedimentos del llano del delta, alrededor de 11 kilómetros tierra adentro. (Tomado de Snell, 1963.)

Figura 9. Mileto, Priene, Heraclea y Éfeso, antes ciudades portuarias, fueron separadas del mar por los sedimentos depositados por sus respectivos ríos. (Tomado de Snell, 1963.)
De todos los cambios que se producen sobre la faz de la Tierra, los climático»—que son cambios geológicos en un sentido más amplio qué los que hemos considerado hasta ahora— son los que, indudablemente, más han condicionado el desarrollo del hombre. En todo el mundo, es posible encontrar rastros de civilizaciones que han desaparecido cuando el agua escaseó: pueblos abandonados, como Mesa Verde, están esparcidos en todo el sudoeste, debido a la prolongada .sequía del siglo XIV; o la civilización centrada en la ciudad de Harappa, del área del Rájput, en India. La historia de Islandia ha estado firmemente unida al clima, gozando de dos eras de prosperidad e independencia (870-1262 y 1918- ), coincidentes con períodos de clima favorable, separados por períodos en que se perdió la independencia bajo Noruega y, luego, Dinamarca, que coinciden con etapas de adversas condiciones climatológicas. Finalmente, el drástico deterioró climático del noroeste de Europa, alrededor del año 500 a.C. provocó el primer impulso al movimiento hacia el sur de los pueblos teutónicos, los cuales, al fin, ocasionaron la caída de Roma. Algunos estudiosos sostienen que estos cambios climáticos fueron el fimbulveir (el largo y horrible invierno) de la mitología escandinava.
* * * *
Es difícil hallar geomitos que hayan sido motivados por los procesos geológicos lentos (en términos humanos). Los fimbulveir podrían ser un ejemplo; las tradiciones de los pueblos de Alaska mencionados antes, otra. Los hechos de Alaska son comparativamente recientes. En realidad, puede haber gente que recuerde todavía cuando la bahía ley se llenó de hielo. Por otra parte, tanto en las ciudades mediterráneas que perdieron importancia cuando desaparecieron sus puertos, como en los poblados escandinavos que quedaron alejados del mar como consecuencia de un levantamiento isostático, los habitantes tuvieron suficiente tiempo para ajustarse a las condiciones cambiantes y, en caso necesario, trasladarse a otro lugar. Aunque no hubiera habido documentación escrita, el tiempo transcurrido desde las fluctuaciones de hielo de Alaska ha sido muy poco.
La mayor parte de las grandes ciudades antiguas del Mediterráneo, hoy abandonadas, se recuerdan principalmente por las crónicas históricas. De haber existido antes de la historia escrita, ¿cuántas de ellas no habrían sido olvidadas por completo? Troya, sin duda, se transformó en una leyenda, pero esto sucedió con lo que fue la Troya de Homero, que era la sexta de nueve ciudades construidas en el mismo sitio. La Troya greco-romana, cuyo final puede atribuirse, al menos en parte, a la sedimentación, perduró hasta el siglo V. Sin embargo, la Troya que se recuerda es la que se conmemora en la poesía de Homero, que terminó violentamente en manos de los griegos, y, durante mucho tiempo, se la consideró una ficción. La Troya más reciente, que tuvo una muerte más lenta, ya sea debido a la acción del hombre o de la naturaleza, o a ambas, fue, durante siglos, olvidada completamente. Del mismo modo, la críptica inscripción referente a la desaparición de la antigua Mataram, en Java, a la que se ha hecho referencia en el capítulo anterior, no da ningún indicio del lento declive que tuvo la ciudad a consecuencia de la obstrucción con cieno del puerto de Bergota, pero sí hace referencia al violento desastre final.
Por tanto, este reducido número de ejemplos sirve para destacar que la influencia de los procesos geológicos, graduales pero perceptibles, sobre la leyenda, es ínfimo y que sólo los acontecimientos espectaculares engendran leyendas evemerísticas. El hombre se adapta con tanta naturalidad a los cambios lentos, pero seguros, que, en la mayor parte de los casos, los olvida por completo.
Capítulo IV
Folklore sobre la forma de la tierra
Había gigantes en la Tierra en esos tiempos.
Génesis 6:4
Este capítulo reúne algunos ejemplos típicos de folklore asociados a características del paisaje. En casi todos los casos, estos hechos se produjeron antes de la aparición del hombre en la región y, por tanto, los geomitos son exclusivamente etiológicos. En realidad, el título «Folklore sobre la forma de la Tierra» no es tan amplio como debería ser porque se ha incluido aquí, no sólo el folklore ligado a rasgos generales del paisaje, sino también el que se refiere a depósitos minerales, e incluso el asociado a algunos minerales especiales.
Es natural que la imaginación del hombre primitivo, al buscar una explicación a características topográficas demasiado vastas para haber sido creadas por el hombre común, las atribuyera a la obra de seres de tamaño y fuerza sobrehumana. De ahí que en todo el mundo se encuentren leyendas que atribuyen las montañas, las colinas, las grandes piedras, los lagos, las islas, y casi cualquier forma terrestre, al esfuerzo de gigantes. Incluso, en algunos casos, tales formaciones se consideraron los mismos gigantes convertidos en piedra. La creencia popular en los gigantes fue a menudo reforzada, o quizás incluso creada, por el hallazgo, en los depósitos glaciares, de inmensos huesos de mastodontes, de mamuts o de otros grandes animales extinguidos.
La tradición germánica es particularmente rica en historias sobre gigantes. Según uno de estos mitos, los gigantes estropearon la primitiva lisura de la Tierra, recién creada, al deambular pesadamente sobre su superficie, todavía suave. Por otra parte, las mujeres de los gigantes lloraron al ver las huellas que, en su torpeza, habían dejado sus maridos (los valles de los ríos), y sus lágrimas formaron los cursos de agua. Este es un ejemplo tan bueno como cualquier otro para ilustrar cuán alejado de la realidad de los hechos suele estar el folklore etiológico. Los geólogos todavía debaten cuándo y cómo se formó la corteza original de la Tierra, pero creo que todos estarán de acuerdo en que, en sus orígenes, no fue ni lisa ni suave. Entonces, una vez que se formó la atmósfera (por la acumulación de gases que salían del interior, como ocurre también en la actualidad, a través de los volcanes), pudo comenzar el proceso de erosión y de sedimentación. Las corrientes de agua no ocuparon simplemente los valles, sino que los crearon. Las primeras lluvias que cayeron sobre la Tierra debieron de escurrirse hacia los puntos bajos de la corteza terrestre, dando origen así a los primeros cursos de agua de los valles. A lo largo de toda la historia geológica, los valles de los ríos han nacido, se han desarrollado hasta alcanzar la juventud, la madurez y la vejez, y o bien han rejuvenecido o «desaparecido» cuando la tierra se ha elevado o hundido.
La raza de gigantes germánicos se movía sólo en la oscuridad y la niebla: si los rayos del Sol los tocaban, se convertían en piedra. La Riesengebirge («montañas Gigantes»), una de las cadenas montañosas de los Sudetes, en el límite entre la Silesia prusiana y Checoslovaquia, se decía que eran gigantes que no pudieron guarecerse a tiempo y el Sol los petrificó. Para los geólogos, el Riesengebirge se encuentra formado por bloques de montañas (esculpidas por la erosión debida a un gran levantamiento de bloques terrestres, limitadas en uno o ambos lados por líneas de falla cortadas en pendiente) compuestas de gneis y granitos. Constituyen los puntos más altos y escarpados de las Mittelgebirge («montañas Centrales»), por lo que su nombre y su leyenda debe de haberse inspirado exclusivamente en su tamaño.
La Siebengebirge son siete colinas que se hallan en el flanco derecho del Rin, cerca de Bonn. Se dice que se contrató a siete gigantes para que cavaran un canal (el Rin), y que, después de completar su tarea, desprendieron con fuerza lo que había quedado adherido a sus palas, formándose así las siete colinas. En realidad, el Siebengebirge tiene un origen volcánico formado, en la era Terciaria. por una serie de cimas de traquita y tarugos de basalto. Una cima volcánica es una prominencia, de pendiente muy pronunciada, de una lava viscosa (es decir, un líquido espeso que no se escurre) que se abulta sobre y alrededor de una abertura volcánica. Un tarugo volcánico es el relleno solidificado de la abertura de un volcán extinguido. Una cima se forma alrededor del terreno circundante y permanece más alta si, como por lo general sucede, el material que la constituye es más resistente a la erosión que el que sirve de obstrucción. El tarugo, siendo más resistente usualmente que el resto del material que constituye la masa volcánica, permanece como una columna o un peñasco escarpado después de que el volcán se haya desgastado.
* * * *
Una tradición de la Frisia del Norte atribuye la blancura de los acantilados de Dover (Ilustración 6) —que son blancos porque están constituidos por creta— a que un barco de un gigante quedó casi atascado mientras trataba de pasar por el canal de la Mancha, cuando venía desde el mar del Norte. La tripulación enjabonó los lados, especialmente el de estribor, donde las rocas se elevaban en profundos peñascos y, por este procedimiento, el barco pasó justamente a través del estrecho. Ahora bien, tanto jabón fue arañado por los acantilados, que, por esta causa, permanecieron blancos para siempre, y las olas que chocan contra ellos son, generalmente, espumosas.
* * * *
Torghatten es un promontorio con forma de sombrero en la isla Torget (Ilustración 7), ubicada fuera de la costa oeste de Noruega, a unos 240 kilómetros al norte de Trondheim. A una altura de unos 120 metros sobre su base la penetra un túnel natural de 165 metros de longitud, unos 75 metros de altura y más de 16 de ancho. Sería sorprendente si una forma única como ésta, no tuviera una leyenda. Así es. Un gigante llamado Senjemand se enamoró de una hermosa giganta. Juterna-jesta, que vivía a unos ciento treinta kilómetros de distancia, pero ella lo rechazó burlándose de él. Furioso, el gigante le disparó una de sus flechas, pero el enamorado de la giganta, Torge, alzó su sombrero y la desvió. Senjemand huyó a caballo, pero, al amanecer, él y su corcel, junto con el sombrero de Torge, se convirtieron en piedra. Torghatten es ese sombrero, el túnel de la montaña es el orificio dejado por la flecha, un obelisco natural que existe en las proximidades es la flecha, y la isla Hestmona, en el círculo Ártico, es el jinete petrificado.
La verdadera razón del orificio de Torghatten es la erosión producida a lo largo de una fractura. Las fracturas son grietas o divisiones que interrumpen bruscamente la continuidad física de una masa de roca. Se forman como resultado de una carga y constituyen líneas débiles a lo largo de las cuales la erosión y la acción del tiempo actúan con mayor rapidez que en la roca sólida contigua. La roca granítica de que está compuesta Torghatten se halla atravesada por varios sistemas de fracturas. Cuando la tierra estaba mucho más baja con respecto al mar que en la actualidad (durante un período interglacial, y antes que ocurriera un levantamiento isostático), las olas golpeaban contra la isla, lanzando incesantemente una gran cantidad de piedras y arena contra ella. Alrededor de toda la isla cortaron un desfiladero, formando la base de la «copa» del sombrero, mientras las cuevas marinas, cada vez más profundas, se desarrollaron a ambos extremos de una fractura débil y, finalmente, configuraron un túnel.
* * * *
Se le atribuye a un equino gigante la formación de Asbyrgi, una hermosa depresión al nordeste de Islandia, de una extraña apariencia de herradura (Ilustración 8). La depresión de Asbyrgi se supone que fue la huella de uno de los cascos de Sleipnir, el corcel, de ocho piernas, de Odín, la contrapartida escandinava de Zeus. Esta depresión es, en realidad, el lecho fosilizado de un salto de agua y de un río, desgastado por el río Jökulsá-a-Fjöllum, que corría por allí (en los tiempos glaciales y principios de los posglaciales) hasta que, de una forma natural, fue desviándose hasta concretar su actual curso. Puesto que la desviación se produjo después que los glaciares se hubieron retirado del área, el cambio de su curso no puede ser atribuido a una interrupción del drenaje por lenguas de hielo. El cambio se debió, posiblemente, a un flujo de agua de deshielo producido, por una actividad volcánica subglacial bajo la parte norte de la capa de hielo del Vatnajökull (veáse Figura 3).
* * * *
La Torre del Diablo, o Mateo Tepee como la llaman los indios, es una formación prominente, al nordeste de Wyoming, que se proyecta sobre el campo que la rodea. Por supuesto, los indios tienen una explicación sobre su origen. Según los Kiowas, siete niñas que estaban jugando, a cierta distancia de su pueblo, fueron perseguidas por osos. Comprendiendo que no podrían alcanzar a tiempo la seguridad de $u aldea, saltaron sobre una pequeña roca y rogaron a ésta que las salvara. Inmediatamente, la roca comenzó a elevarse y, cuando su parte superior llegó al cielo, las niñas se convirtieron en siete estrellas, que son las que conocemos como las Pléyades, en la constelación de Tauro. Las características muescas verticales que descienden hasta los flancos de la Torre son las marcas dejadas por los osos cuando, en un vano intento de alcanzar a sus pretendidas víctimas, clavaron sus garras en la roca.
La leyenda Cheyene es un tanto distinta, pero también atribuye estos rasgos peculiares de la Torre a las garras de un oso. Según los Cheyenes, la mujer del mayor de siete hermanos fue raptada por un oso. Todos los hermanos corrieron a rescatarla y, con la ayuda del hermano menor, que era un poderoso curandero, liberaron a la esposa mientras el oso dormía. El oso despertó y, llamando a sus seguidores, los persiguió. En el lugar donde está la Torre del Diablo, el hermano menor cantó una melodía mágica, y una pequeña roca que llevaba consigo se convirtió en la Torre, transportando al grupo fuera del alcance de los osos. Los hermanos mataron a todos éstos, menos a su jefe, cuyos intentos de atraparlos (Ilustración 9) produjeron las características estrías de la Torre. Finalmente, el hermano menor consiguió matar al oso gigante y llamó a las águilas, que los llevaron a todos hasta el suelo.
La perfección geométrica del haz de columnas que constituyen la Torre del Diablo sugiere un origen artificial, pero esas columnas se deben totalmente a la acción de la naturaleza. Se trata de formaciones típicas en algunos tipos de lava: cuando ésta se enfría, se contrae y se parte. Los cortes comienzan sobre la superficie fría, del mismo modo que lo hace el lodo al secarse y contraerse sobre una superficie plana también de lodo. Al contraerse, las roturas tienden a demarcar áreas de seis lados porque el hexágono es la forma que contiene más área dentro de un perímetro dado con respecto a cualquier otra, cuando las formas son completamente contiguas (de no ser así, el círculo contiene el área mayor dentro de una circunferencia dada). Cuando un lago de lava se enfría, los cortes se extienden hacia abajo desde la superficie, constituyendo apretadas columnas cuya forma regular será revelada posteriormente por la erosión. Sin embargo, no todas las columnas de este tipo tienen su origen en lagos de lava. Pueden configurarse con la misma facilidad en cuerpos tubulares de roca introducidos entre los estratos, como el bien conocido acantilado (Palisade) a través del río Hudson, desde la ciudad de Nueva York; en escolleras que cortan de través el «grano» de la roca, o en ciertas clases de rocas volcánicas llamadas «flujo de cenizas» («ash-flow-tuffs»). En todos los casos, las columnas son perpendiculares a la superficie de enfriamiento, ya sea horizontal, o vertical, o en ángulo. La Torre del Diablo, originada en la roca que se llama fonolita (porque se «corta en rodajas» claramente cuando se la golpea), ni es el cuello de un viejo volcán hoy desgastado, ni un pequeño tarugo de material volcánico introducido en rocas más blandas que se han desgastado. Un ejemplo aún más famoso lo encontramos en el Giant’s Causeway (arrecife del Gigante), un promontorio situado en la costa norte del condado de Antrim, en Irlanda del Norte. Las columnas de basalto miden entre cuarenta y cincuenta centímetros de sección (Ilustración 10), y, a veces, llegan a tener hasta seis metros de altura. La leyenda dice que, en algún tiempo pasado, se extendían en todo el trayecto a Escocia, constituyendo una ruta sobre la que transitaban los gigantes de la antigüedad.
* * * *
Las montañas más espectaculares de la agreste y pintoresca Skye, son las Cuillins, más grandes que las Hébridas Interiores de Escocia y que se elevan empinadas desde el nivel del mar hasta más de novecientos noventa metros en su punto más alto. En el mismo conjunto son visibles, desde algunos puntos, las más suaves de Red Hills (montes Rojos), de contornos más redondeados y de un color marrón rojizo. Aunque las Cuillins son más altas, raramente la nieve cubre más de unas pocas horas sus laderas sombrías, mientras que en las Red Hills persiste durante días. Las Cuillins deben su nombre a un gigante, pero la historia de cómo sucedió esto es más complicada que una simple leyenda de causa-y-efecto como las anteriores.
A Cailleach Bhur, o Invierno (literalmente, la Bruja de la Colina), se le atribuye la creación de Escocia tras haber dejado caer turba y roca en el mar. Originalmente, el área entre las Red Hills y Loch Bracadale (bahía Bracadale) en Skye (Figura 10) era un gran llano y Cailleach Bhur solía ir allí mientras su ropa hervía en el remolino de Corryvreckan. Para secar la ropa, ella la extendía sobre Storr, un pico de unos setecientos metros de altura, en la parte norte de Skye. La Bruja tenía prisionera a una doncella que era amada por la Primavera, la cual pidió al Sol que la ayudase a liberarla.

Figura 10. Mapa esquemático de las Hébridas Interiores, indicando los lugares que se mencionan en la leyenda de los Cuillins.
El Sol arrojó su terrible lanza a la Bruja cuando ésta paseaba un día por el páramo, pero erró. Cuando la lanza dio contra el suelo, brotó una inmensa burbuja que se hinchó hasta estallar. Soltó entonces una masa fundida que tanto atemorizó a Cailleach Bhur que ésta huyó, escondiéndose para siempre. La brillante masa se congeló y formó montañas que nunca pudieron ser conquistadas por la nieve. Después, se les dio a tales montañas el nombre del gigante irlandés Cuchullin, para conmemorar su batalla, en la que nadie resultó vencedor, con las diosas guerreras locales.
A Cailleach Bhur, o Invierno (literalmente, la Bruja de la Colina), se le atribuye la creación de Escocia tras haber dejado caer turba y roca en el mar. Originalmente, el área entre las Red Hills y Loch Bracadale (bahía Bracadale) en Skye (Figura 10) era un gran llano y Cailleach Bhur solía ir allí mientras su ropa hervía en el remolino de Corryvreckan. Para secar la ropa, ella la extendía sobre Storr, un pico de unos setecientos metros de altura, en la parte norte de Skye. La Bruja tenía prisionera a una doncella que era amada por la Primavera, la cual pidió al Sol que la ayudase a liberarla. El Sol arrojó su terrible lanza a la Bruja cuando ésta paseaba un día por el páramo, pero erró. Cuando la lanza dio contra el suelo, brotó una inmensa burbuja que se hinchó hasta estallar. Soltó entonces una masa fundida que tanto atemorizó a Cailleach Bhur que ésta huyó, escondiéndose para siempre. La brillante masa se congeló y formó montañas que nunca pudieron ser conquistadas por la nieve. Después, se les dio a tales montañas el nombre del gigante irlandés Cuchullin, para conmemorar su batalla, en la que nadie resultó vencedor, con las diosas guerreras locales.
Las Cuillins (Ilustración 11) están constituidas por gabro, un tipo de roca que cristaliza de una materia fundida, pero muy por debajo de la superficie, y no sobre ésta. En realidad, se trata de las raíces profundas de los volcanes que estuvieron en actividad en la era Terciaria. Las Red Hills (Ilustración 12) son de granito, otro tipo de roca ígnea profunda. Siendo de diferente composición mineral, el gabro y el granito resisten la intemperie de forma desigual. La nieve persiste más sobre las Red Hills, aunque su altura es menor, simplemente porque sus laderas son menos escarpadas.
La idea de una burbuja formando la superficie de la Tierra y soltando una masa roja y caliente, sólo pudo ser concebida por algún antiguo habitante de Skye, ya que las erupciones volcánicas han existido en las Hébridas desde hace millones de años. Sin embargo, también pudo haber sido un testigo ocular de la formación de una cima volcánica. La erupción del Tristan da Cunha incluye la conformación de una cima de lava, y se ha visto formar otra, recientemente, en Japón. El 28 de diciembre de 1943, una serie de intensos terremotos comenzó a sacudir las costas del hermoso lago Toya, en Hokkaido, la isla del Japón situada más al norte, y comenzó a formarse una inmensa burbuja que hinchó la tierra cerca del volcán Usu. En seis meses había llegado a casi cincuenta metros sobre el nivel normal del suelo y, el 23 de junio de 1944, estalló, lanzando cenizas volcánicas. Continuó creciendo y lanzando cenizas después de pequeñas explosiones. Por último, en noviembre de 1944, apareció una protuberancia de lava roja y caliente, pero ya sólida, a través del bulto que aún crecía. Cuando la cima, llamada Showa-Shinzan («la-nueva-montaña-del-reino-de-Showa»), alcanzó una altura de unos trescientos metros sobre el nivel original del terreno, dejó de crecer, lo que sucedió en septiembre de 1945, y, hoy, Showa-Shinzan sigue lanzando vapor vigorosamente (Ilustración 13). Si el hecho se hubiera producido hace mucho tiempo, y tan sólo se describiese en una leyenda local del pueblo de Ainu, que habitaba Hokkaido antes de los japoneses, sin duda lo creeríamos muy exagerado, o incluso fruto de la ficción.
* * * *
La mitología clásica ofrece dos versiones sobre la aparición de los montes Atlas, ambas relacionadas con gigantes. Uno de los Titanes que luchó junto a Cronos en su guerra contra Zeus, era Atlas, un sobrino de Cronos. Cuando el victorioso Zeus castigó a sus adversarios. Atlas fue condenado a soportar, por toda la eternidad, los cielos sobre sus espaldas. La otra versión forma parte de la historia de
Perseo. Después de matar a la Gorgona. Perseo, mientras aún usaba las sandalias aladas de Hermes, y llevando la cabeza de la Gorgona, voló por todas partes hasta que, hacia la caída de la tarde, se encontró cerca del límite oeste de la Tierra. Allí buscó refugio para pasar la noche con el rey Atlas, un hombre de gran altura y, además, muy rico, pero fue rechazado porque Atlas temía que él le robara sus preciadas manzanas de oro. Ante esta sin precedentes contravención de las normas de hospitalidad. Perseo apartó la mirada y enseñó la cabeza de la Gorgona. Atlas, entonces, quedó súbitamente petrificado. «Su barba y sus cabellos se transformaron en bosques, sus brazos y hombros en peñascos, su cabeza en una cúspide y sus huesos en rocas. Cada parte aumentó de tamaño hasta que se convirtió en una montaña y (éste fue el deseo de los dioses) el cielo con todas sus estrellas descansó sobre sus espaldas.» Así es cómo Bulfinch describe la transformación. Ambas versiones reflejan el hecho geográfico de que los montes Atlas, al límite oeste del mundo conocido por los antiguos griegos, parecen sostener la bóveda celeste.
* * * *
No todas las montañas se explican como obra de gigantes, o como gigantes transformados; algunas son personificaciones, como en esta historia de nuestro Pacífico Noroeste: los picos de la cordillera de las Cascadas (Cascades Range) fueron, en otros tiempos, gentes. Pahto, a quien hoy llamamos monte Adams, y Wyeast, que conocemos como monte Hood, lucharon por una joven. Pahto vivía al norte del río Columbia y Wyeast al sur (Figura 11), pero en aquellos tiempos había un puente sobre el río, y ellos lo atravesaban a menudo para reñir, una vez a un lado del río, otras veces al otro. El Viejo Coyote llamó a los otros picos para detener la disputa. Todos comenzaron a marchar hacia el norte para celebrar una gran asamblea, pero antes de que pudieran llegar allí, Coyote hizo caer el puente en un último esfuerzo para apartar a los antagonistas. Cuando la gente de las montañas oyó que el puente se había derrumbado, se detuvo en el camino, y aún están allí hoy: el monte Jefferson, las Tres Hermanas (Three Sisters) y todos los demás. Black Butte se había sentado junto al camino para descansar, mientras su marido, Green Ridge, yacía tendido junto a ella. El calor solar era intenso, y el sudor de Black Butte formó dos cursos de agua que se unieron para dar origen al río Metolius. Éste se eleva junto a los pies de Black Butte, un extinto volcán de más de mil novecientos metros, y fluye después abruptamente hacia el norte, en la parte inicial de su curso. Green Ridge, precisamente al nordeste de Black Butte, es una sierra larga e inclinada de norte a sur y paralela al Metolius, formada por basalto terciario de las formaciones del río Columbia.

Figura 11. Mapa esquemático de Washington y de la parte norte de Oregon, indicando la ubicación de lugares mencionados en varias de las leyendas referentes a montañas, lagos y otras características geográficas del área.
El puente sobre el río Columbia que se menciona en este geomito parece, a primera vista, ser el recuerdo de algún hecho geológico real. Aunque las leyendas individuales varían en los detalles, todas las tribus que viven a lo largo del río Columbia están de acuerdo en afirmar que, en el pasado, fluía a través de un túnel, o bajo un arco conocido como el Puente de los Dioses (Bridge of the Gods), que o bien cayó al río durante un terremoto ocasionado por las peleas entre los montes Hood y Adams, o fue destruido por las rocas que dichos volcanes se lanzaban uno al otro. Algunas de esas rocas cayeron también al río, un poco más al este, conformando las Dalles (véase Figura 11). Desde el punto de vista estructural, un puente que se extienda sobre el río en este punto, es imposible. Sin embargo, una enorme roca se deslizó desde las montañas, de las cuales quedaron Table Mountain y Red Bluffs, y, en el pasado, bloqueó por completo, en este punto, el río Columbia. Aguas arriba de esta barrera, se ven árboles bajo seis a nueve metros de agua, extendiendo las ramas hasta, algunas veces, muy cerca de la superficie y amenazando a las canoas y otras embarcaciones. Las Cascadas del Columbia indican dónde el río se abrió camino a través del material deslizante. En la actualidad, una moderna estructura de acero, que también se llama Puente de los Dioses, cruza el río en ese lugar, pero los rápidos han sido sumergidos bajo las aguas, cubiertos por la presa de Bonneville. Las Dalles son islas de paredes verticales y que tienen plana la parte superior. Canales fluviales del tipo Dalles son característicos de la meseta basáltica del río Columbia. Están constituidos por ríos de gran volumen y con mucha pendiente que fluyen sobre rocas con fracturas verticales, que corroen arrancando en lugar de desgastar, con lo que, de este modo, forman islas tan .inusuales que no es extraño que inciten a meditar sobre su origen.
No es probable que los indios presenciaran realmente el desprendimiento de tierra que, presumiblemente, configuró las Cascadas. Según la tradición india, el Puente de los Dioses se supone que se desplomó «en los tiempos de nuestros abuelos». Si se toma la palabra «abuelos» literalmente, se estima que el hecho pudo producirse en algún momento entre 1750 y 1760[12]. Sin embargo, por la evidencia geológica, los desprendimientos deben de haberse producido hace unos mil años, en cuyo caso la expresión «nuestros abuelos» debe ser considerada sólo metafóricamente, significando en realidad «nuestros antepasados». Si los hechos hubiesen tenido lugar en una fecha más próxima, como, por ejemplo, mediados del siglo XVIII, estoy segura de que la tradición reflejaría los acontecimientos geológicos con más fidelidad que lo hace al referirse a un mítico puente. Tal como se han dado las cosas, aparte de las implicaciones que pueda conllevar el que los indios fueran testigos de algún tipo de actividad de los montes Hood y Adams, el Puente de los Dioses, como la explicación de las Dalles, parecen ser una pura invención etiológica.
El folklore de los indios norteamericanos es rico no sólo en mitos sobre montañas, sino también en los que explican la presencia de otros tipos de formaciones terrestres, masas de agua, ríos y otras características del paisaje. En el estado de Washington explican de esta forma Puget Sound y la cordillera de las Cascadas (Cascades Range): cuando el mundo era muy joven, donde están las Cascadas hoy, la tierra era llana. La lluvia no existía aún, sino que la humedad necesaria para los árboles y las plantas provenía de la tierra. Entonces, por alguna razón, dejó de llegar a la zona que hoy constituye el este de Washington. Se envió una delegación al océano que estaba al oeste, para rogarle que enviara agua. El Océano, como respuesta, envió a sus hijos Nubes y Lluvia, y pronto la tierra se colmó de nuevo de frutos. Pero la gente era codiciosa y no dejaron que Nubes y Lluvia se alejasen, sino que las retuvieron y cavaron zanjas y pozos para almacenar más y más agua. El Océano comunicó a la gente que podía contar con el agua cada vez que la necesitara, pero aun así, no permitieron que Nubes y Lluvia regresasen a sus casas. Entonces, el Océano rogó al Gran Espíritu que castigara a la gente. El Gran Espíritu se inclinó desde el cielo y extrajo con una pala una gran cantidad de tierra y con ella formó las Cascadas; el Océano inundó el hueco que había quedado en el lugar de donde se había extraído la tierra, y así se produjo Puget Sound. La tierra que estaba al este de las Cascadas se secó, porque el Océano envió muy poca humedad sobre las montañas, de modo que toda el agua que quedó para la gente que estaba en la ladera este de la cadena de montañas fue la que estaba en los pozos que cavaron sus antepasados, de entre los cuales el mayor es el lago Chelan (véase Figura 11).
Sin embargo, las Cascadas se produjeron a causa del vulcanismo, cuya actividad duró a lo largo de las eras Terciaria y Cuaternaria y aún continúa. Seis de los picos se hallan clasificados técnicamente como activos. Se trata de los montes Baker, Rainier, Saint Helens, Shasta, Cinder Cone y el pico Lassen. (Un volcán activo es uno del que se sabe que ha entrado en erupción en los tiempos históricos. Las erupciones registradas de todos ellos, con excepción del pico Lassen, han sido en verdad muy débiles, sin que merezcan este nombre.) La glaciación de los picos más altos durante la Edad del Hielo ha contribuido a moldear las peculiaridades esculturales de esta imponente cordillera, y el monte Rainier contiene el sistema más grande de glaciares montañosos de Estados Unidos, fuera de Alaska. Puget Sound constituye un amplio estuario[13], y el lago Chelan ocupa el valle de un rio que fue canalizado por uno de los glaciares del valle durante el período Pleistoceno. Al menos, los indios parecen haber sido conscientes de la verdadera razón por la cual la tierra al este de la cordillera es árida, ya que las Cascadas presentan una barrera sobre la cual los vientos húmedos se han de elevar excesivamente, lo que origina que se enfríen en las capas más altas de la atmósfera y que sus precipitaciones caigan, en su mayor parte, sobre la laderas del lado oeste.
Un mito muy distinto relacionado con el origen del lago Chelan comienza de un modo similar: en otros tiempos no había ni lagos ni montañas en esta parte del país, sólo una pradera, cubierta de hierba, con abundante caza. Pero llegó un monstruo que se comió o ahuyentó a tantos animales que la gente empezó a padecer hambre. El Gran Espíritu escuchó sus plegarias y mató al monstruo, pero éste volvió a la vida dos veces más. Después de matar al monstruo por tercera vez, el Gran Espíritu golpeó el suelo con su gran cuchillo de piedra. La tierra, entonces, se estremeció, y una gran nube descendió y lo ocultó todo. Cuando se disipó la nube, el paisaje había cambiado: donde había existido un llano, apareció una cadena de altas montañas, y profundos desfiladeros indicaban los lugares en que se habían removido rocas y lodo para construirlas. El Gran Espíritu arrojó el cuerpo del monstruo en el desfiladero más largo y profundo y lo llenó de agua, creando así el lago Chelan. Esta vez, el monstruo no volvió a la vida, excepto su cola, que continúa agitándose en todos los sentidos y produce unas olas tan grandes que los indios evitan navegar con sus canoas por el lago Chelan. (Este lago tiene ochenta y ocho kilómetros de longitud, y no alcanza a dos kilómetros y medio de ancho, razón por la cual es comprensible que resulte traicionero para las canoas cuando el viento sopla con fuerza en ciertas direcciones.)
El Cañón del Diablo (Hell's Canyon), del río Snake, es uno de los más inaccesibles desfiladeros de Estados Unidos. Se encuentra profundamente atrincherado en una alta meseta y es, en algunos sitios, más hondo que el Gran Cañón del Colorado. En su orilla de Idaho se elevan las montañas de los Siete Diablos (Seven Devils Mountains) y, un poco más lejos, al oeste, se hallan las montañas Azules (Blue Mountains) (Figura 12). Este mito relatado por Nez Percé trata de explicar algunos de los rasgos geográficos de esta área: Hace mucho tiempo, las montañas Azules se encontraban habitadas por siete hermanos gigantes que aterrorizaban a los antiguos pobladores de la región. Cada año, dichos hermanos se trasladaban al este buscando niños para comérselos. Coyote llamó a todos los animales excavadores y les hizo cavar juntos siete agujeros muy profundos en el sendero que habitualmente utilizaban los gigantes en su paso hacia el este, y llenó los huecos con un líquido hirviente de color amarillo-rojizo. Cuando llegó el momento de su saqueo anual, los gigantes marcharon con las cabezas altas, con la confianza que les inspiraba su tamaño y fuerza superiores. Así, tropezaron y cayeron en los siete hoyos y, por más que se debatieron, salpicando el líquido en todas direcciones durante todo el día, no consiguieron salir. Entonces, Coyote los transformó en siete montañas, poniéndolos de pie para recordar a la gente que tal cosa les espera a quienes no se comportan correctamente. Golpeó la tierra e hizo un corte largo y profundo, abierto a los pies de los nuevos picos, para evitar que nadie de la familia de los gigantes se aventurara a cruzar las montañas Azules. El líquido que se desparramó durante la lucha de los gigantes por liberarse, se transformó en el cobre que se encuentra en las minas de la región.

Figura 12. Geografía de la región del Cañón del Diablo y de las montañas Azules (Hell’s Canyon-Blue Mountains). (De D. C. Livingstone. 1928)
Desde el punto de vista geológico, las montañas de los Siete Diablos, que llegan a una altura de más de dos mil setecientos metros sobre el nivel del mar, y muy por encima de la meseta que los circunda, son la consecuencia del levantamiento de un bloque con una falla que posteriormente se erosionó. Las montañas Azules también son un elevado bloque de basalto que asciende en una serie de escalones, con un centro de granito que, en las partes más altas, sobresale en forma de protuberancias a través del basalto. La historia del drenaje del área es complicada. El río Snake parece haber sido en su origen un tributario del Grande Ronde River. Desgastó su cauce avanzando a lo largo de las líneas debilitadas, siguiendo la dirección nordeste de las fallas y la tendencia de la estructura general de las rocas más antiguas de la región y, a medida que se abría camino en la meseta que se elevaba suavemente para formar el Cañón del Diablo, captó una parte del drenaje de la montaña Wallowa y de las montañas del lado de Idaho, hasta que, finalmente, evitó la mayor parte del desagüe del Grande Ronde.
* * * *
Además de los numerosos mitos y leyendas indias auténticas, asociadas a las formas del paisaje, Norteamérica tiene un moderno tipo de folklore geográfico (o, como ha sido denominado con más precisión por R. M. Dorson, «fakelore» o pseudo-folklore) en lo referente a las historias sobre el gigante de los bosques Paul Bunyan, héroe de la tala de los bosques, y a su compañero Babe, el Blue Ox (Buey Azul). Entre las numerosas proezas de este equipo se encuentra, por ejemplo, el haber cavado el curso del río San Lorenzo, porque sin este límite, la gente no podía estar segura de si estaba en Estados Unidos o en Canadá. Paul y Babe realizaron la extraordinaria tarea en sólo tres semanas, utilizando una pala de cuchara grande como una casa. El lodo que excavaron lo descargaron en Vermont, donde están los Green Mountains (montes Verdes). Como el millón de dólares que le habían prometido por realizar el trabajo no llegaba, Paul amenazó con llenar de nuevo la zanja y arrojó unas pocas paladas de tierra, simplemente para demostrar que lo decía en serio. El dinero, entonces, fue enviado inmediatamente, pero aquellas paladas de tierra formaron las Thousand Islands (Mil Islas).
En cierta ocasión, cuando Paul y Babe estaban en el noroeste, Babe se asustó por el rugido de las Cataratas de Spokane (Spokane Falls) y huyó con el trineo de las provisiones, arrastrando un anzuelo. Este anzuelo excavó el Columbia River Gorge (Desfiladero del río Columbia) y, finalmente, se enganchó, atascándose, en las montañas de las Cascadas (Cascade Mountains). Cuando Paul tiró para soltar el anzuelo, el agua brotó del hueco que había dejado. Comenzó a disponer algunas rocas para interrumpir la salida de agua, pero se detuvo porque el buey azul estaba muy nervioso. El orificio quedó obstruido, conformando el Cráter Lake (lago del Cráter). Una de las rocas arrojadas por Paul es la isla Wizard (isla del Mago) en ese lago (Ilustración 14).
Para enviar los troncos que él y los suyos habían derribado en el norte de Minnesota. Paul cavó el cauce del río Mississippi hasta el golfo de México. La tierra que lanzó por encima de su hombro derecho formó las montañas Rocosas (Rocky Mountains), y la que arrojó por encima de su hombro izquierdo configuró los Apalaches. Cuando concluyó su trabajo, arrojó a un lado la pala, la cual se transformó en la península de Florida, y un mitón que dejó caer cuando regresaba a su campamento del norte, se convirtió en la península de Michigan, con dedo pulgar incluido.
Paul y Babe son también los autores del Gran Cañón. Antes que ellos llegaran, el río Colorado era conocido como Old Contrary (Viejo Contradictorio) debido a que en algunos tramos tenía una milla de ancho (un kilómetro seiscientos metros) y un pie (treinta centímetros) de profundidad, mientras que en otros puntos medía una milla de profundidad y un pie de ancho. Babe, enganchado a un arado de una cuchilla, y simplemente para nivelar las cosas, lo ensanchó en donde era hondo y lo profundizó donde era ancho.
Casi cualquier rasgo topográfico, importante o no, de América del Norte ha sido, o puede ser, entretejido en las historias de Paul Bunyan. Las semejanzas con otras leyendas en las que los gigantes crean curiosas formas terrestres son obvias, pero hay una diferencia esencial entre Paul Bunyan y los gigantes de las culturas primitivas: las hazañas de Paul. Babe y el resto de los suyos son una creación puramente literaria y nadie, sino los más ingenuos, han creído nunca que existieron. Estas historias entran en la categoría de cuentos increíbles de Papá Noel.
Posiblemente, en el mismo horizonte que las historias de Paul Bunyan, pero quizá verdadero folklore, aunque algo sarcástico, está la historia de Montenegro, la parte menos desarrollada de Yugoslavia. En general, se trata de una región difícil y montañosa, la mayor parte de la cual es karst[14] (estéril). De ahí que no puede sorprender que se diga que cuando Dios terminó de crear el Cielo y la Tierra, reunió todos los fragmentos inservibles en un gran montón, los cuales conformaron Montenegro.
Algunos mitos sobre montañas se han inspirado en la semejanza con algunos objetos familiares. Este es el caso de la cadena de montañas Takitimu (Takitimu Range), en el sur de Nueva Zelanda, que los maoríes consideran el casco al revés de una de las canoas originales de la flota que los trajo de la tierra legendaria de «Hawáiki»[15], convertido en piedra; su borde dentado representa la quilla rota. La cadena de montañas Takitimu está formada principalmente por capas de varias clases de rocas volcánicas que fueron lanzadas al fondo del mar en una geosinclinal (un profundo canal hundido), junto con algunas rocas sedimentarias entre las estratificaciones, del tipo llamado grauvaca, que proviene de estas rocas volcánicas; más adelante, todas las formaciones geológicas se plegaron y alzaron sobre el nivel del mar y, debido a las diferencias en la resistencia de los distintos tipos de rocas, la erosión y el desgaste causado por los elementos naturales originaron la forma actual, que es la que ha inspirado al folklore. En Indonesia también hay un barco quilla arriba: el volcán Tangkuban Prahu, que domina Bandung y cuyo contorno suave tiene la forma de la parte inferior de una de las proas nativas. Su historia se relata en el capítulo correspondiente a las leyendas sobre volcanes.
* * * *
Otro tipo de leyendas sobre formas terrestres conformadas en la antigüedad y en sitios completamente alejados entre sí, ilustran la riqueza y alcance de la imaginación humana. Al pie del Ngatuku Hill, en la carretera de Rotorua-Taupo, en Nueva Zelanda, se halla un bloque de riolita, de forma peculiar, ahuecado en un lado como si hubiera sido hecho artificialmente. Hasta allí rodó desde su afloramiento en la ladera de la colina. Se dice que un hombre llamado Hatupatu se refugió allí cuando era perseguido por la bruja Kura-of- the-Claws (Kura. la de las garras). Cuando pronunció las palabras «Matiti, matata», que en maorí equivale a «Sésamo, ábrete», la roca se abrió para acogerlo y, luego, se cerró. Pero Kura esperó y cuando él reapareció, la caza continuó, terminando cuando Hatupatu saltó con éxito a través de un amplio estanque de lodo hirviente que Kura no vio hasta que fue demasiado tarde. El hueco en la roca de Hatupatu, de un aspecto tan poco natural, es simplemente una erosión que se encuentra muy a menudo sobre la superficie de este tipo de bloques. Las ranuras que se dice son las marcas dejadas por las garras de Kura cuando trataba de coger a Hatupatu que huía (pero él pudo esquivarla detrás de la piedra), son erosiónales, debido al desgaste irregular de los distintos tipos de rocas.
El bien conocido mito maorí sobre el origen de Nueva Zelanda demuestra cómo un cuento popular puede contener, por simple coincidencia, algunos elementos reales. Mientras estaba pescando un día con su anzuelo mágico, el semi-dios Maui (que también figura en muchas historias Hawáianas) enganchó la puerta de la casa de Tonganui, hijo (o en algunas versiones, nieto) del dios del mar. Tirando con fuerza del sedal, Maui arrastró no sólo la casa, sino también las suaves y brillantes tierras que se hallaban bajo ella. Maui encaló su canoa y bajó a la playa para hacer las paces con Tonganui, advirtiéndoles a sus hermanos que permanecieran tranquilos detrás. Pero no bien hubo desaparecido de su vista, le desobedecieron y corrieron de uno a otro lado cortando irregularmente la tierra con sus cuchillos, exigiendo partes de ésta para ellos. Sin embargo, esta tierra era en realidad el lomo de un pez gigantesco que había permanecido durmiendo plácidamente. Al ser atacado se agitó violentamente y el suave lomo se quebró en rugosas montañas y valles y en ásperas rocas y costas. El anzuelo de Maui (Te Mahia a Maui) es el punto de la bahía Hawke que se conoce como la península Mahia (véase Figura 2). No es posible evitar la tentación de creer que la historia de Maui refleja el conocimiento del proceso activo de construcción de las montañas que. en los tiempos geológicos recientes, han elevado a Nueva Zelanda sobre el mar. Para un experto, hay suficiente evidencia del levantamiento reciente, sobre todo la magnífica serie de terrazas elevadas que se despliegan a lo largo de los ríos del sur de la isla que desaguan en el Pacífico. No obstante, los maoríes llegaron a Nueva Zelanda hace sólo unos ochocientos años, lo que no es suficiente como para haber percibido el lento proceso de levantamiento. Además, trajeron a Maui con ellos cuando emigraron de «Hawáiki», ya que muchos pueblos polinésicos poseen leyendas sobre él, incluidas las que suponen que él pescó algunas islas desde las profundidades del mar.
* * * *
Los aborígenes de Australia tienen una gran cantidad de leyendas que se refieren al origen de ríos y lagos, lo que no resulta sorprendente ya que el agua es algo escasa y muy apreciada en la mayor parte de dicho continente. El río Murray, el más importante, nace en los Alpes australianos y recorre unos mil novecientos kilómetros hasta llegar a la bahía Encounter, después de atravesar el lago Alexandrina, cerca de Adelaida. Según la leyenda, un terremoto produjo una angosta grieta en la tierra por la que, cuando llovía, pasaba un pequeño curso de agua. Después, en otro temblor, un enorme pez se abrió camino, desde algún profundo lugar de la tierra, hasta la superficie. Pero, al ser demasiado grande para ese pequeño curso de agua, su cabeza se atascó contra el suelo, de modo que tuvo que abrirse paso hacia el mar, ensanchando el cauce, mientras avanzaba, dando poderosos golpes con la cola. Junto con el pez, surgió de las profundidades el agua, que llenó el valle tras él, formando el Murray. En el lago Alexandrina, el Soberano de los Cielos cogió al gran pez, lo cortó en pequeños trozos y los arrojó al río en el que se transformaron en las diferentes clases de peces que viven hoy en sus aguas.

Figura 13. (a) Esquema de drenaje anormal en el área del lago Narran, Australia. Todo el sistema de drenaje se anastomosa como se entrelazan los canales de un curso individual (b).
El río Murray (que jugó un importante papel en el desarrollo primitivo del sudeste de Australia, en el que, junto con sus tributarios, fueron las arterias principales de transporte y comercio, permitiendo la navegación de los buques a vapor) corre por ásperos desfiladeros en sus tramos superiores, por colinas onduladas después y emerge en un llano —o más bien, una meseta— plano y monótono, cubierto por sedimentos depositados en el mar y en tierra adentro, en la Era Terciaria. Cuando el área se elevó lentamente desde el mar, el curso inferior del río quedó protegido por trincheras[16] en la meseta. Desde el nivel del suelo no se puede saber que allí se halla el valle hasta que uno se aproxima al borde del peñasco. Las paredes del valle son casi verticales y tienen entre treinta y sesenta metros de altura; el fondo del valle es plano y el curso de agua serpentea entre terrazas fluviales bajas. Todo el valle produce la impresión de que la tierra ha sido desencajada, de modo que si se juntaran las paredes la hendedura se cerraría. Sin embargo, no ha ocurrido nada de esto, ya que el curso del agua ha cavado poco a poco la trinchera. Se comprende así por qué los aborígenes imaginaron un monstruo abriéndose paso en el valle del Murray, especialmente cuando se contempla desde las alturas. El lago Alexandrina es una típica laguna[17] costera en la desembocadura del río. El largo bajío de arena que lo separa del mar obstruye el acceso de la navegación hacia éste.
El lago Narran de Australia, cerca del límite de Queensland con Nueva Gales del Sur (New South Wales), se explica de la siguiente forma: cuando las dos jóvenes mujeres de Baiame, el Gran Espíritu, se bañaban en el manantial de Cowragil (Cowragil Spring), los cocodrilos las cogieron y las transportaron por una corriente subterránea que iba hasta el río Narran, haciendo desaparecer el agua a su paso. Baiame los persiguió siguiendo un atajo a través de un recodo del río en el que sus huellas están marcadas por las murrillas, colinas guijarrosas que se extendían a lo largo del río. Al final de éste, los encontró, luchó con ellos y los mató. Al agitarse en su mortal agonía, produjeron un gran agujero que, rápidamente, el agua llenó y, desde entonces, en los tiempos de crecientes, el Narran se ha desbordado en esa depresión.
En esta parte de Australia, el esquema de drenaje es decididamente anormal (Figura 13). Usualmente, los pequeños ríos se unen a los más grandes para configurar formas arbóreas (Figura 14a). Aun en los casos en que existe un poderoso control estructural, permitiendo que progrese la erosión, más rápidamente a lo largo del afloramiento de lechos más débiles o de grietas, el resultado sigue siendo de tipo arbóreo, si bien, en ese caso, la forma es análoga a la del árbol forzado a adquirir una forma que, de crecer libremente, no hubiera tenido (véase Figura 14b). El único caso en que un curso de agua se divide en ramas se presenta cuando se llena hasta el tope con sus propios pesados sedimentos, como ocurre en un delta (véase figura 38) o en llanuras formadas por detritus sobre grava y arena (véase Figura 3), o un abanico fluvial[18], o entre sus propios bancos cuando el agua está baja. Debido a que los canales individuales, especialmente en este último caso, se dividen y se unen de nuevo como hebras trenzadas, este tipo de forma se denomina curso entrelazado (véase Figura 13b).

Figura 14. Formas de drenaje (a) dendrítico y (b) entrelazado. En el último, el curso principal se ha desarrollado a lo largo de una serie de afloramientos paralelos de rocas blandas, mientras que sus tributarios corren perpendicularmente a ellos, bajando por las laderas de las colinas de rocas más duras que se mantienen entre los principales valles. La estructura geológica controla las formas de drenaje del mismo modo en que un horticultor vigila el crecimiento de un árbol con espaldera. Sin dicho control, las formas de drenaje se asemejan a las normales dendríticas de crecimiento de los árboles, como indica la figura en (a). (De una ilustración de Principies of Geomorphology, de W. D. Thornbury, reproducido con el consentimiento de John Wiley and Sons.)
En el área del lago Narran, como en muchas otras partes del interior de Australia, la topografía es excepcionalmente plana. Como consecuencia de ello, todo un sistema de flujos se une, como lo hacen los canales de un río cuando se entrelazan dentro de su lecho. En efecto, los «brazos» del sistema tributario del río Darling en esta área constituyen, esencialmente, un inmenso río entrelazado. En este territorio horizontal, el menor reordenamiento de material, ya sea por pequeños levantamientos tectónicos[19] o por la formación de dunas arenosas, es capaz de producir cambios sustanciales en el curso de un río, o embalsarlo de modo que conforme un lago. El lago Narran tiene un origen de este tipo. Las lluvias son tan escasas que nunca llegan a producir desbordamientos y, por tanto, no tiene salida. Es innecesario agregar que su tamaño y forma varían según la cantidad de agua que recibe y, en este país criador de ovejas, la cantidad utilizada para el ganado. También sirve como refugio de las aves silvestres.
El nombre aborigen murrilla significa colinas o suelos cubiertos de guijarros o de piedras. Las colinas de murríllas de nuestra historia están asociadas con terrenos «fósiles», producidos en un tiempo en que el clima era menos árido, con estaciones alternadas humedad y sequía. Bajo estas condiciones se formó una tapa de silcrete (suelo consolidado por sílice) en las áreas en que debajo se extendía piedra arcillosa cretácica y, por tanto, había estado a la intemperie, originando colinas cubiertas de piedras.
Muchas leyendas fueron originadas por obstáculos naturales. Así, entre ellas, las de Escila (Scilla) y Caribdis de la mitología clásica. Odiseo encontró estos peligrosos gemelos en su largo viaje de retorno a su hogar después de la Guerra de Troya. Caribdis era un temible golfo en el que, tres veces al día, las aguas eran aspiradas con un gran estruendo y, luego, descargadas, lo que provocaba remolinos que sumergían cualquier barco que se acercara demasiado. Sin embargo, los que lograban evitar a Caribdis, se encontraban demasiado cerca del peñasco en que acechaba el monstruo Escila, de seis cabezas y devorador de hombres. Los legendarios Escila y Caribdis eran, en realidad, los estrechos de Messina (Figura 15), el angosto pasaje entre el dedo del pie de la bota de Italia y la extremidad nordeste de Sicilia. La escarpada playa rocosa del lado del continente, al norte de Reggio, que aún se llama Escila, y las peligrosas corrientes en el estrecho del lado siciliano, deben de haber supuesto una gravísima amenaza para las pequeñas embarcaciones de los antiguos. Las desventuras de los que perdieron la vida al intentar navegar ese particular tramo de agua, alimentaron con fundamento la leyenda.
* * * *

Figura 15. La «punta del pie» de la bota de Italia, y parte de Sicilia, indicándose los lugares que se asocian a las leyendas mencionadas en éste y en otros capítulos.
Otro mito clásico con escenario también siciliano, se refiere a un famoso manantial, la fuente de Aretusa, en Ortygia, la isla que constituye la parte más antigua de la histórica ciudad griega de Siracusa. El manantial brota y conforma un estanque, más o menos t circular, sobre un hueco rocoso; los patos nadan sobre su superficie I o reposan para limpiar sus plumas junto a él, mientras los papiros ^mueven sus graciosas hojas sobre las aguas. Se dice que es el único sitio, fuera de Egipto, donde el papiro crece de forma natural. Los habitantes de la antigua Siracusa, para quienes el estanque era sagrado, explicaban su presencia del siguiente modo: mientras Aretusa, una hermosa y joven cazadora, se bañaba un día en el río Alpheus, en el Peloponeso, el dios del río se enamoró de su belleza y trató de abrazarla. Asustada, Aretusa huyó, perseguida apasionadamente por el dios, que adoptó forma humana. Desesperada, ella llamó a la diosa Artemisa, pidiéndole ayuda, e, inmediatamente, la diosa la disolvió, transformándola en un estanque. Alpheus, por tanto, recobró su forma fluvial y trató de unir sus aguas a las de ella. Aretusa se sumergió en la tierra y corrió hacia el mar Jónico. Finalmente, emergió en Ortygia, pero Alpheus fluyó detrás de sí, pasando por un túnel debajo del mar, y sus aguas, a pesar de todo, surgieron y se mezclaron con las de ella. Esto también forma parte del mito que afirma que las flores griegas surgen de vez en cuando de las profundidades del estanque, y del que se dice que los objetos que se arrojan al Alpheus, en Grecia, reaparecen en la fuente de Aretusa, en Sicilia.
Por supuesto, nada en esta historia tiene el menor viso de realidad. El origen del agua de los manantiales se encuentra en la lluvia que penetra por el suelo y se cuela a través de las capas porosas hasta que las condiciones geológicas e hidrológicas le permiten fluir a la superficie en un lugar determinado. No obstante, la idea de una corriente subterránea puede provenir del hecho de que, en su curso superior, el Alpheus desaparece bajo la tierra en un tramo que es una zona de karst de piedra caliza. El mito de Aretusa constituye un ejemplo de un concepto equivocado respecto de las aguas subterráneas. Cuando una excavación encuentra agua, no es que haya penetrado hasta un río, o pozo subterráneo, sino hasta un estrato de roca cuyos poros y grietas se hallan saturadas del agua confinada allí porque las capas inferiores son impermeables. El estrato permeable puede ser un depósito de poca profundidad, de arena o grava no consolidada, o ser roca sólida más profunda. Sólo en las áreas de karst es posible que existan corrientes o lagos subterráneos[20].
* * * *
Uno de los monumentos sobresalientes de Copenhague es la fuente Gefion, que representa a la diosa Gefion cuando con el arado separa del territorio sueco la isla de Sjaelland (Seeland), lo que produjo el hueco que fue ocupado por el lago Vänern. En realidad, hay un parecido superficial, tanto en tamaño como forma, entre la isla más grande de Dinamarca y el lago más grande de Suecia (figura 16), pero esa semejanza era difícil de percibir en los días en que se originó el mito, o sea, mucho antes de que existieran mapas de Escandinavia. La leyenda se encuentra en el estudio del famoso historiador del siglo XIII, Snorri Sturluson, de Islandia, quien, a su vez, cita un verso en el que el poeta Bragi Boddason, que vivió en la primera mitad del siglo IX, lo menciona. En la versión más antigua, el lago en cuestión es el Mälaren. La versión de Snorri narra que el rey Gylfi, de Suecia, le ofreció a una viajera que lo había entretenido toda la tierra que pudiera arar con cuatro bueyes durante un día y una noche. Ignoraba que la mujer era Gefion disfrazada. Ella llevó, desde la morada de los gigantes, cuatro bueyes, sus propios hijos habidos con otro gigante. Los unció al arado y aró un surco tan profundo y ancho que una parte de la tierra de Gylfi se separó. Gefion obligó a los bueyes a que la arrastrasen al mar, donde la colocó, y la llamó «Sea Land», es decir, «Tierra del mar» (Sjaelland, en danés). En el sitio de donde ella había tomado la tierra se formó un lago «Lögr» (Mälaren), cuya cala corresponde al promontorio de Sjaelland. El mito debe de haber sido transferido al lago Vänem posteriormente a que hubiese mapas del área, en los cuales se constató el gran parecido de Sjaelland con el lago Vänem.

Figura 16. Se supone que la semejanza de tamaño y forma entre la isla danesa de Seeland (Sjaelland) y el lago Vänem de Suecia han inspirado el mito según el cual la diosa Gefion aró Seeland, arrebatándolo así del suelo sueco y dejando en su lugar la depresión del lago.
Existe otro tipo de fenómenos naturales continuos que han sido la causa de geomitos. Los fuegos que se producen de forma natural en la tierra, cerca del antiguo puerto licio de Phaselis, debido a las filtraciones de gases, es posible que hayan sido el origen de la quimera, es decir, del monstruo que vomitaba fuego, a la que mató Belerofonte. En realidad, algunos afirman que Prometeo, que le dio el fuego a los hombres, y Hefesto, que, en los mitos más antiguos, es la deidad amable y amante de la paz que usaba el fuego en beneficio de los dioses y los hombres, fueron personificaciones del poder del fuego ofrecido por la misma naturaleza. Los mitos pudieron comenzar en Asia Menor, o en el Cáucaso, siendo llevados más tarde a Grecia. En Lemnos, morada favorita de Hefesto y consagrada a él, hay una colina, llamada Mosychlos, desde la que antes surgían fuegos naturales, pero los hidrocarburos que alimentaban estas llamas se han extinguido hace ya mucho tiempo.
* * * *
Puesto que las grandes formas terrestres se consideran realizadas por gigantes, es lógico que se atribuyan ciertos elementos naturales menores a la actividad de pequeñas criaturas. Con respecto al posible origen de la idea de los gnomos de la mitología escandinava, se ha hecho una interesante sugerencia. Se sabe que los fenicios tuvieron minas de hierro, cobre, oro y estaño en puntos tan alejados como Inglaterra, Noruega y Suecia. También supieron mantener el secreto de la ubicación de sus minas. Aprovechando la credulidad de algunos de los primitivos habitantes de esas áreas, ¿trataron de alentar deliberadamente la creencia de que sus mineros eran una raza supernatural que vivía bajo tierra? Si bien la idea de criaturas pequeñas está implícita en los gnomos de la mitología escandinava, y suponiendo que el concepto wagneriano de ellos sea el de los Nibelungos, ocupados en apilar tesoros de oro en las profundidades de la tierra, no es fácil encontrar muchos ejemplos de este tipo.
Sin embargo, el folklore, bajo muchas otras formas, desde los mitos hasta las supersticiones corrientes, se halla estrechamente asociado con varios tipos de minerales, o con concentraciones de minerales en ventajosos depósitos. Desde los tiempos más remotos, las gemas y las piedras preciosas han sido apreciadas por su hermosura y su rareza, y asimismo, se las ha considerado como amuletos que protegían al que las llevaba contra varios tipos de infortunios, o que también servían para acarrear desgracias a los enemigos de quien las poseía. Se ha dicho que el uso de piedras preciosas como joyas proviene de su primitiva utilización como amuletos o talismanes. Vestigios de esta creencia perduran en la costumbre de usar la piedra preciosa considerada como símbolo del mes en que uno ha nacido. Todas las gemas y piedras preciosas, y también algunas semipreciosas, están rodeadas de abundante folklore y superstición. En algunos casos, existe una relación evidente entre las propiedades supuestamente sobrenaturales de una piedra y alguno de sus atributos individuales, como, por ejemplo, la dureza del diamante. En otros casos, la razón para el atributo que la superstición concede a una piedra es oscura, no habiendo ninguna relación entre el poder que se le supone y las propiedades intrínsecas del mineral. El folklore sobre gemas y minerales es tan extenso que aquí nos limitaremos a los casos en que la leyenda o supersticiones que se asocian a la piedra son inherentes a su naturaleza de mineral.
En nuestros tiempos, el ópalo se asocia casi siempre a la idea de mala suerte, como el número 13 o los gatos negros, pero no siempre fue así. Antes del siglo XIX se atribuían muchas virtudes al ópalo, incluso la de proteger contra las enfermedades. Una razón para la actual superstición puede ser su fragilidad. El ópalo es sílice hidratado en una forma que se comporta bajo los rayos X como si fuese amorfo, es decir, como si sus moléculas no estuvieran ordenadas en ninguna estructura cristalina. El juego de los colores, que caracteriza a la variedad de ópalo que es precioso, se debe a. la dispersión de la luz, pero la causa exacta de tal dispersión no se ha conocido hasta hace muy poco tiempo. El microscopio electrónico ha revelado que, después de todo, existe un orden en la estructura del ópalo. Las partículas esféricas que tienen un tamaño menor que un micrón (un micrón es la milésima parte de un milímetro) constituyen lo que los cristalógrafos denominan orden cúbico centrado en el lado (Figura 17), y esto difracta la luz.
Antes se creía que las grietas microscópicas y ultramicroscópicas del ópalo, ocasionadas por deformaciones producidas durante el proceso de secado del gel original de sílice, refractaban la luz, creando así la interferencia de colores. Estas deformaciones internas pueden ser fuente de infortunios... pero no para el que los usa. A veces, los ópalos se astillan cuando se extraen del terreno, y esto, sin duda, supone «mala suerte» para quienes esperan, al extraerlos, obtener un beneficio. Se hacen añicos con mucha facilidad cuando se cortan y pulen, lo que supone una «mala suerte» para el lapidario al que se le encargó el trabajo. Una vez convertidos en gemas utilizables, los ópalos deben manipularse con cuidado, ya que se astillan con facilidad si se los trata con dureza (pero esto ocurre también con muchas otras piedras), y es factible que absorban humedad o aceites por sus hendiduras. Los mejores ópalos pierden algo de su vida y color después de un siglo más o menos, y los inferiores, en algunos años. Sin embargo, tratándolo con cautela, un buen ópalo proporciona placer a su dueño durante toda su vida y, después de todo, ¿no es esto una clase de buena suerte?

Figura 17. Estructura cúbica de cristal centrada en el lado. Una estructura ultramicroscòpica rudimentaria de este tipo produce el juego de colores del ópalo.
Las piedras «mágicas» son maclas de estaurolita o piedra de la cruz. La estaurolita, mineral de sílice, se desarrolla en ciertas rocas de pizarra cuando se convierte en esquisto a causa de la acción del calor y la presión. Tiene un atractivo color marrón-rojizo y posee un brillo algo vítreo, y con frecuencia constituye formas cristalinas casi perfectas, qué se extraen con facilidad de su roca madre. De vez en cuando, un transparente cristal de estaurolita se corta para moldear una gema, pero la mayor parte de las estaurolitas son opacas y, si no fuera por su característica forma, no resultarían lo bastante atractivas como para aplicarse en joyas. Las maclas constituyen dos o más cristales individuales que crecen de modo que algunos de los planos (que reflejan las capas de los átomos) son paralelos, mientras que otros presentan una dirección contraria. En el caso de la estaurolita (el nombre viene del griego stauros, que significa cruz) las maclas son casi perfectamente cruciformes, interpenetrándose los dos elementos en ángulos perpendiculares o de sesenta grados, según en qué plano del cristal está el plano gemelo (Ilustración 15). El que se produzcan formas perfectas de cruces naturales en una roca se ha relacionado con la crucifixión. En Bretaña se creía que las maclas de las estaurolitas habían caído del cielo, por lo que eran apreciadas como amuletos. Buenos cristales de estaurolita se encuentran en el condado de Patrick, en Virginia. La leyenda dice que hace mucho tiempo, un grupo de hadas bailaba alrededor de un manantial local cuando llegó un mensajero que portaba la noticia de la crucifixión. Las hadas lloraron al saber los sufrimientos que había padecido Jesús, y sus lágrimas se cristalizaron en forma de cruz. (Mucho me temo que, con su mezcla de hadas y elementos cristianos, esta leyenda huela a pseudo-folklore.)
* * * *
Frecuentemente, a lo largo de las costas de Hawái se encuentran grandes piedras de roca de lava que contienen pequeños guijarros o granos de arena incrustados en las cavidades redondeadas. A menudo se hallan tan firmemente aseguradas que resulta difícil imaginar que se introdujesen después de que la lava se endureciera. Los Hawaianos las llaman hanau o «piedras que aún no han nacido» y afirman que son pequeños que nacerán de la piedra mayor (Ilustración 16). La verdadera explicación parece bastante simple. La parte superior del flujo de lava contiene generalmente cavidades (vesículas) que son burbujas de gas que no tuvieron tiempo de escapar antes de que la roca se petrificara. Como las olas hacen rodar y pulverizan y suavizan trozos de estas rocas, las cavidades se agrandan y también se alisan. Las olas tormentosas apilan algunas de las piedras sobre la playa, donde son golpeadas por los granos de arena, los guijarros y fragmentos mayores llevados por el incesante oleaje. En algún momento, un grano de arena, o un guijarro del tamaño apropiado, golpea contra la cavidad, en el ángulo exacto, con tal fuerza que quede firmemente encajado y, voilá... un hanau. La acción de las olas que arrastran arena va produciendo más erosión, lo cual puede aflojar el hanau en su ámbito, tras lo cual, si no son arrastrados nuevamente por el agua, se revolverán agrandando su agujero y formando diminutas cavidades. He visto algunas de éstas de dos centímetros y medio de profundidad y que contenían varios guijarros. Los hanau se encuentran también en los bloques de lava que se emplean para construir diques o rompeolas.
* * * *
Sobre una extensa área del sur de Australia, en el suelo, soportando los rigores de la intemperie, se han encontrado miles de pequeños cuerpos cristalinos, negros y de extrañas formas, que no se parecen a ningún objeto geológico «normal». Estas piedras, llamadas australitas, raramente tienen más de una o dos pulgadas (de dos y medio a cinco centímetros) y, a menudo, bastante menos. Sus formas varían, siendo redondas las más comunes, vistas de frente, y con forma de lente, vistas de costado. A veces tienen como una pestaña. Las hay ovales, mientras que otras presentan la forma de las pesas de gimnasia, de lágrimas o de botes o canoas (Ilustración 17). Los sagaces aborígenes han observado que estas piedras son insólitas y las consideran, con supersticioso temor, objetos mágicos y misteriosos. No es raro que especulen sobre el origen de las australitas. Algunos creen que son ojos de emú, perdidos cuando los pájaros buscaban comida, u «ojos que miran fijamente», pertenecientes a seres ancestrales. Otros opinan que han sido producidos por los relámpagos, ya que, en algunas ocasiones, se los ha encontrado en el suelo junto a las raíces de un árbol que había sido derribado por un rayo. Otros, en cambio, suponen que han caído del cielo. La explicación de los «ojos que miran fijamente», u ojos de emú, basada exclusivamente en la semejanza física de las australitas con estos ojos, tiene tanta base real como el caprichoso nombre de «botones de aborigen» («blackfellows buttons») que les dieron los primitivos colonizadores, en jocosa referencia al hecho de que el atavío habitual de los aborígenes se reduce al mínimo. La explicación del rayo no está mal como conjetura, porque éste puede fundir la roca en el sitio donde cae, pero las resultantes «fulguritas» (denominación que deriva del latín «piedra de rayo») tienen un cuerpo irregular, en forma de tubo, que no se parece en nada a las australitas. La última explicación, es decir, que caen del cielo, resulta que es correcta, pero sólo por casualidad, ya que la caída de las australitas, aunque geológicamente recientes, es anterior a la llegada del hombre a Australia.
Las australitas son un tipo de tectitas (del griego tektos, fundido). Las tectitas se hallan no sólo en Australia, sino en diversas zonas, muy distantes entre sí, de la superficie de la tierra, y se las denomina según el lugar en que se encuentren. Las indochinitas, de Indochina y Tailandia, son geológicamente recientes y es posible que procedan de la misma caída; las tectitas, de la Costa de Marfil, cuentan alrededor de un millón de años; las moldavitas, de Checoslovaquia (cuyo nombre se debe al río Moldava), tienen entre 13,5 y 20 millones de años; y las bediasitas, de Texas (nombre que deben a las areniscas de Bedias, con las que se las asocia), y algunas tectitas halladas en Georgia, y que posiblemente pertenecen a la misma caída, cuentan unos 34 millones de años.
Algunos de los nombres que se les da a las tectitas en otras partes del mundo, aparte de Australia, reflejan las ideas locales respecto de su origen. En la isla de Hainan, en el mar de la China del Sur, se las conoce como «excremento de las estrellas», «deyecciones del demonio» o «piedras de la Luna». Otros tipos de tectitas indo- malasias se llaman «estiércol del trueno», «piedras del Sol», «bolas de la Luna» y «bolas del diablo». En todas partes se les han atribuido poderes mágicos, por lo menos como talismanes de la buena suerte. Los buscadores de oro australianos, como los nativos de la Costa de Marfil, siguen manteniendo la superstición de que su presencia entre los guijarros indica la existencia de un rico depósito de oro.
El origen de las tectitas es, en la actualidad, objeto de grandes discusiones. Decididamente, no son una clase de meteorito, como se creía antes, pero sí parecen Haberse separado de algún cuerpo a causa del impacto de un meteorito o un cometa. El problema estriba en saber si ese cuerpo era la Tierra o la Luna. La ausencia del isótopo de aluminio-26 demuestra que no han estado en el espacio lo suficiente como para venir de más lejos. También se estudia la posibilidad de que las tectitas tengan un origen terrestre que podría residir en la composición química e isotrópica (que se parece mucho a la de las rocas típicas o suelos de la corteza terrestre) en el agrupamiento de las localidades de las tectitas, ya que las moldavitas, por ejemplo, parecen tener una relación con los impactos del cráter Ries, en Alemania, y, las de la Costa de Marfil, con el meteoro del cráter de Bosumtwi, en Ghana. Sin embargo, el análisis aerodinámico de la forma de las tectitas y las diferencias químicas y físicas entre ellas y los cristales terrestres que se sabe con seguridad que se han formado por el impacto de un meteorito, parecen indicar un origen extraterritorial. La gravedad de la Luna es suficientemente baja como para que el material lanzado por el impacto de un gran meteorito pueda escapar fácilmente al espacio, entrar en una órbita de la Tierra y fundirse al penetrar en la atmósfera terrestre. No obstante, la composición química de las muestras de la Luna que trajeron los astronautas de la misión Apolo no ha alentado a los que piensan que las tectitas tienen un origen lunar.
* * * *
A diferencia de las tectitas, que, a pesar del interés que revisten desde el punto de vista científico, no tienen un valor económico, excepto como curiosidad o piezas de museo, los depósitos de minerales reúnen un gran interés práctico. Sus orígenes han preocupado desde la antigüedad. La tribu de Ngadjuri, del sur de Australia, describe, en un relato, cómo se formaron dos depósitos de pigmentos minerales que ellos utilizan para pintarse cuando practican sus ritos. Desde algún lugar del norte llegó una anciana con dos perros salvajes, uno rojo y otro negro. La anciana era caníbal y los perros mataban gente para ella y compartían el festín, de modo que los pobladores abandonaban frecuentemente los terrenos en los que acampaban para así apartarse de su camino. Sin embargo, cuando se supo que se aproximaba a uno de sus campamentos más grandes, la gente decidió, en lugar de huir, matar al salvaje trío. Dos hermanos fueron elegidos para realizar la tarea y, armados de sus bumerangs, se dispusieron a hacerles frente. Uno de los jóvenes se escondió en un árbol y llamó a los perros para atraer su atención. El perro rojo lo divisó y se lanzó sobre el árbol, mientras el otro hermano salía de su escondrijo, detrás de un arbusto, y arrojaba el bumerang con tal habilidad que cortó al perro en dos. De nuevo, el joven que trepó al árbol llamó la atención del perro negro, y éste corrió la misma suerte. Después, los hermanos mataron a la mujer caníbal, y así concluyó aquella terrible amenaza. En el lugar en el que se derramó la sangre del perro rojo se formó un depósito de ocre de este color, y, donde se esparció la del perro negro, uno de ocre negro. (El ocre rojo es una forma impura, en polvo, del mineral de óxido de hierro, hematita; el negro, es una mezcla impura de óxido de manganeso y otros óxidos.)
* * * *
El descubrimiento de oro o plata es, en sí mismo, un acontecimiento fascinante. En nuestra memoria surgen historias que, frecuentemente, constituyen más bien folklore que realidad, acerca de depósitos particulares. Se supone que el descubrimiento de plata en Tonopah, en Nevada, en 1902, se debe a un mono del que se dice que pateó un trozo del metal, llamando así la atención de su amo, el buscador de yacimientos Jim Butler.
Cuando los inicios de una empresa minera se pierden en las brumas del tiempo, las circunstancias que motivaron su descubrimiento adquieren visos de leyenda. Tal es la historia de Banská Stiavnica, una vieja ciudad minera de Eslovaquia, que, según Tácito, producía oro y plata desde el siglo l a.C. (El oro y la plata hace mucho que ya no existen, pero el depósito de Banská Stiavnica aún contiene plomo, cinc y cobre.) De acuerdo con la leyenda, un hombre poseía dos salamandras, una de las cuales tenía la habilidad de oler el oro, y la otra, la plata. Lo único que el hombre tenía que hacer era soltarlas, seguirlas a donde le condujeran y, si había oro o plata en el suelo, le indicaban dónde era preciso cavar. Estas salamandras, por tanto, le señalaron el lugar en el que se encontraba el mineral en Banská Stiavnica. La leyenda está tan firmemente unida a este depósito que el emblema del lugar presenta dos salamandras, y las procesiones festivas hasta allí están dirigidas por un hombre que lleva una figura exageradamente grande de una salamandra. No se sabe si alguna salamandra tuvo algo que ver con este descubrimiento... Cabe considerar que, quizás, alguien vio desaparecer una salamandra por un orificio, o debajo de una roca —lo que es completamente natural en el caso de una criatura que se sobresalta tan fácilmente—, y, puesto que desde siempre se ha atribuido a las salamandras un increíble poder mágico (incluida la habilidad de vivir en las llamas), se habría sentido impulsado a investigar y... ¡Eureka!
* * * *
Retrocediendo un poco más en el tiempo, llegamos hasta el Jasón de la mitología clásica, cuya principal aventura, el apoderarse del Vellocino de Oro, presenta matices geológicos. Jasón, hijo de un rey de Tesalia, fue con sus acompañantes los Argonautas a capturar el Vellocino de Oro que se hallaba en un huerto sagrado en el reino de Cólquide, en Fasis (mar Negro), donde lo custodiaba un dragón que nunca dormía. Ayudado por la hechicera Medea, princesa de Cólquide, Jasón realizó hechos prodigiosos y, finalmente, consiguió apoderarse del Vellocino de Oro y escapar con él, llevando consigo, de regreso a Tesalia, a Medea. Una antigua interpretación de este mito indica que la expedición de los Argonautas era semi-pirata y que el Vellocino de Oro representa el botín que obtuvieron. Una posibilidad más interesante, desde el punto de vista geológico, ha sido expuesta por T. A. Rickard. En su opinión, Jasón es el antecesor espiritual de los Forty-Niners[21] de California, los Sourdoughs[22] del Klondike y todos los buscadores de oro de todos los tiempos. Parece que existía una tribu, llamada Tibareni, en la antigua Cólquide, que practicaba una técnica de búsqueda consistente en lavar mediante una corriente de agua los yacimientos que contenían oro, dejando correr el agua sobre pieles de oveja que retenían las auríferas partículas. Después de sacudir las escamas gruesas y las pepitas, colgaban los vellones en los árboles para que se secaran y, luego, los golpeaban para extraer el polvo de oro más fino. Fue el rumor acerca de estos «vellones de oro» lo que impulsó a Jasón a emprender su expedición a Cólquide. En esta explicación, dice Rickard, también se encuentra implícito el moderno método de flotación[23], según el cual el aceite natural de los vellones coge y retiene las partículas metálicas.
* * * *
El nombre de un pequeño yacimiento minero, hoy desaparecido, en la Paradise Range (cordillera del Paraíso) de Nevada, es Pactolus. Nunca se materializaron las esperanzas de encontrar oro allí. El nombre se debe a alguien que sin duda, recibió una educación clásica. El río Pactolus, en Lidia, Asia Menor, era una fuente de aluvión aurífero en la antigüedad. La explicación geológica de cómo llegó allí el oro es prosaica si la comparamos con el mito que inspiró el nombre del yacimiento de Nevada. Los depósitos de oro se configuran cuando las rocas que contienen venas del metal se desgastan y sus pesadas partículas, debido a la acción de la corriente de agua, se concentran en el lecho de terreno aluvial. Algunas veces, estos depósitos se rastrean corriente arriba, hasta el punto desde el que provienen las rocas, pero, otras veces, el filón ha sido erosionado por completo. Este debe de haber sido el caso del río Pactolus, ya que uno de los mitos más pintorescos que se refieren a la presencia de oro en el río, es el del fabuloso rey Midas, al que se le concedió el deseo de que todo lo que tocara se convertiría en oro. Midas descubrió en seguida que el «toque de oro» era una bendición a medias, por decirlo así, ya que todos los alimentos y bebidas se convertían en oro en cuanto los acercaba a sus labios. Rogó que se le liberara de este poder y se le concedió, pero debía ir a bañarse al nacimiento del río Pactolus. Por tanto, su poder se transmitió al río, cuyas arenas se transformaron en oro.
Hasta aquí hemos considerado el folklore que ha sido o pudo haber sido inspirado por algún hecho geológico. Antes de cerrar este capítulo, consideraremos un ejemplo de «factlore» (folklore real) con una base mineralógica. Mucho antes de conocer la brújula magnética, los vikingos —en Escandinavia apareció después, alrededor del 1200— navegaban con gran precisión en las aguas abiertas del Atlántico Norte, llegando incluso a Norteamérica. ¿Cómo podían mantener el rumbo en los días nublados, que debieron de ser frecuentes en ciertas épocas del año? Según las tradiciones, utilizaban una piedra extraordinaria llamada solarsteinn, o piedra del Sol, con la cual podían saber cuál era la dirección del Sol aunque el cielo estuviera completamente nublado. Aunque resulte evidente que debieron de contar con algún tipo de ayuda para navegar, la idea de que tuvieran una piedra que les guiara fue descartada durante mucho tiempo, considerándola tan sólo folklore.
* * * *
Hace poco, el Dr. Thorkild Ramskou sugirió, no sólo que la piedra del Sol era una realidad, sino que también su principio básico es el mismo que se utiliza en el de la moderna brújula crepuscular (twilight compass). Este instrumento, inventado en 1948 por la Marina de Estados Unidos, se utiliza por los pilotos que vuelan siguiendo la ruta del Polo Norte. (La brújula magnética, por supuesto, se torna inestable al acercarse al polo magnético de la Tierra.) Al amanecer, o al ocaso, cuando el Sol declina en el cielo, sus rayos inciden horizontalmente sobre la parte superior de la atmósfera y se reflejan hacia el suelo. La luz reflejada se polariza siempre, es decir, los rayos luminosos vibran en un mismo plano, y no en todas las direcciones alrededor del paso de propagación. Como todos aquellos que han jugado alguna vez con dos trozos de película Polaroid saben, cuando un haz de luz polarizado se mira a través de otro polarizador, la cantidad de luz que pasa por el segundo varía según su orientación respecto del primero; cuando ambos planos de vibración de la luz coinciden, la luz que pasa por el primer polarizador también atravesará, sin obstáculos, el segundo; cuando los planos son perpendiculares, ninguna luz puede pasar por el segundo (figura 18). Por tanto, si había un claro en la cubierta de nubes que permitiera ver un fragmento de cielo, los vikingos podían determinar dónde se encontraban el este y el oeste si poseían algún tipo de piedra que fuera sensible a la dirección de la luz polarizada reflejada por el cielo (Figura 19). Por supuesto, las sagas exageran cuando afirman que la piedra del Sol funcionaba en base al principio descrito incluso cuando el cielo se encontraba completamente encapotado.

Figura 18. Polarización de la luz. Izquierda: luz no polarizada (a), vibrando en todas direcciones alrededor de la dirección de propagación, pasa a través de una sustancia polarizante (b). Sólo los rayos (c) que vibran en el mismo plano que el polarizador, se transmiten y no son obstaculizados por un segundo polarizador (d) cuyo plano de polarización es paralelo al de (b). Derecha: el rayo polarizado (c) que sale de (b) es totalmente detenido por un segundo polarizador (d) perpendicular al primero. Para posiciones intermedias de (d) se transmitirá más o menos luz, según su posición con respecto a (b). La luz también se polariza cuando es reflejada.
¿Qué mineral pudieron utilizar los escandinavos de hace mil años como piedra del Sol? El primero en que pensamos es el espato islandés, porque se trata del mineral que polariza la luz con más eficiencia debido a su extremadamente alta doble refracción (birrefringencia). Es una variedad de calcita muy clara, usada en el microscopio petrográfico (polarizante) y otros instrumentos ópticos. Pero los cristales deben ser cortados en un ángulo matemático exacto y preparados de un modo muy especial para que puedan reflejar uno de los dos rayos refractados y transmitir sólo el otro, polarizado en un mismo plano. Sin duda, los vikingos no tenían los sofisticados conocimientos necesarios como para descubrir cómo lograr este tipo de polarizador con el espato de Islandia.

Figura 19. El principio en que se basa la piedra del Sol de los Vikingos. (De Ramskou, 1967.)
Ramskou, por tanto, cree que empleaban cristales de cordierita (dicroíta) o andalucita, los cuales es posible encontrar en las playas de grava a lo largo de las costas de Noruega, donde han estado a la intemperie después de desprenderse de las rocas metamórficas en las que se originaron. Ninguno de estos minerales es tan birrefringente como la calcita, mas poseen, y en alto grado, otro efecto, el conocido como pleocroísmo. Debido a su estructura cristalina, absorben mayor cantidad de luz en unas direcciones que en otras. Cuando se los ve contra la luz polarizada, y se los hace rotar, muestran un rotundo cambio de color. Cuanto más grueso es el cristal, más notable es el cambio. (Los minerales incoloros, como es lógico, no pueden ser pleocroicos.) Ramskou cree que los vikingos pudieron observar y utilizar el pleocroísmo de la cordierita o de la andalucita para determinar la dirección de la fuente de la luz polarizada.
Aunque cabe que los vikingos encontrasen cristales de cordierita o andalucita de gran calidad (transparencia), los minerálogos no están de acuerdo con esta explicación porque los cristales suficientemente grandes como para ser efectivos como piedras del Sol, son desconocidos en Escandinavia. Y, si bien es cierto que un trozo de calcita incolora, con un perfecto clivaje, no evidenciará un cambio en la cantidad de luz polarizada transmitida en distintas direcciones (puesto que los dos rayos refractados a través de él se polarizarán perpendicularmente entre sí. y cuanto más se recorte uno de ellos más se alarga el otro, permitiendo así que la misma cantidad total de luz pase a través del cristal en cualquier dirección), hay un modo en el que la calcita puede haber servido como piedra del Sol. Se ha demostrado, en el Mineralogical Museum (Museo Mineralógico) de Copenhague, que si la luz polarizada atraviesa un fragmento de calcita clara por un enrejado fino, se produce un notable cambio en la cantidad de luz transmitida en distintas direcciones. La demostración del citado museo utilizaba como enrejado un trozo de papel con dos ranuras que formaban un ángulo de noventa grados, pero este mismo efecto se obtiene con una calcita en la que una de sus caras sea un cristal grabado naturalmente, y no una cara con un brillante clivaje. Es completamente factible que esta pieza, alguna vez, cayera en manos de un vikingo que, de una forma accidental, descubriese sus singulares propiedades. Trozos adecuados de calcita pueden no ser comunes —la leyenda menciona que eran costosos—, pero serían mucho más fáciles de encontrar que grandes gemas de cristales de gran calidad de cordierita o andalucita. Las sagas narran asimismo cómo un ladrón arrojó una vez una piedra del Sol creyendo que se trataba de un fragmento de cuarzo. Si la piedra del Sol era un mineral coloreado, parece muy improbable que un ladrón la hubiese desestimado aunque la confundiera con cuarzo, ya que las variedades de cuarzo de colores claros son piedras semipreciosas por derecho propio. Sin embargo, un observador inexperto puede fácilmente confundir la calcita incolora con cuarzo incoloro común, de modo que este hecho agrega una credibilidad adicional a la idea de que la piedra del Sol era el espato de Islandia.
Capítulo V
Folklore sobre los terremotos
...algunos dicen que la Tierra se hallaba febril y se estremecía.
MACBETH
El conocimiento popular sobre los terremotos parece ser exclusivamente etiológico. Sólo he encontrado dos ejemplos de leyendas evemerísticas que puedan atribuirse específicamente a los movimientos sísmicos: uno referente al de Nueva Madrid, de 1811, que se relata en este capítulo, mientras que el otro es parte de la tradición de los indios araucanos acerca de inundaciones y se halla en el capítulo sobre el Diluvio. Incluso en aquellas zonas que no son particularmente sísmicas, los habitantes han intentado explicar porqué, de vez en cuando, tiembla el suelo. En su libro Causes of Catastrophe (Causas de catástrofe), L. Don Leet ha recogido más de veinte explicaciones de este tipo, de todo el mundo. La mayoría de las que se transcriben más adelante proceden de esta fuente, a menos que se acrediten específicamente como provenientes de otras. Las ideas más generales suponen que existe una criatura o divinidad que reside sobre o debajo de la tierra, y si no fuera por el hecho de que las ideas geológicas falsas están extraordinariamente bien representadas en lo que se refiere al fenómeno de los terremotos, este capítulo estaría compuesto, en su mayor parte, por variaciones sobre un mismo tema.
Muy a menudo se ha considerado que el ser responsable de los terremotos era al mismo tiempo el que estaba encargado de sostener a la Tierra. Los indios algonquinos representan a la Tierra transportada sobre una tortuga gigante. En las islas Célebes creen que un inmenso cerdo ocasiona los temblores que produce cuando se rasca contra una gigantesca palmera. En las Molucas y en Sumatra, el animal que sostiene la Tierra es una serpiente, y, en Persia, un cangrejo. En lugares tan separados entre sí como Bali, Bulgaria. Borneo. Malaya y Constantinopla, de entre todas las bestias, se eligió al búfalo. Los Lamas de Mongolia creían que la Tierra descansaba sobre la espalda de una inmensa rana, y que los terremotos se producían sobre cualquier parte de su cuerpo que se sacudiera. En la mitología de Brahmán, de la India, las siete serpientes que custodian las siete partes inferiores del cielo se turnan para sostener a la Tierra; los temblores se producen cuando cambian los turnos. En otras mitologías de la India son ocho elefantes los que sostienen la Tierra, que se estremece cuando uno de ellos se fastidia y sacude la cabeza. Según los indios del sur de California, siete gigantes sostenían la Tierra.
Los tlascaltans, de México, creen que el globo terráqueo descansa sobre las espaldas de ciertas criaturas divinas, las cuales ocasionan los terremotos al cambiarla de uno a otro hombro. Hace mucho tiempo, en Letonia, se suponía que un dios llamado Drebkhuls llevaba la Tierra consigo y que ésta vibraba cuando él caminaba. Los habitantes de Nias, una de las islas de Indonesia, creen que la Tierra está sostenida por un demonio, Ba Ouvando, que la sacude cuando se enfada porque no se ofrecen los apropiados sacrificios en su honor. En la religión maniquea se dice que la Tierra se halla sostenida por el gigante Homophore y que los movimientos sísmicos se producen cuando él lucha con otro gigante. En Colombia, el dios Chibchacum fue condenado a transportar la Tierra sobre sus espaldas como castigo por haber inundado, en una travesura, el valle de Bogotá. Antes de que esto ocurriera, el planeta descansaba sobre una sólida base formada por tres vigas.
En la parte del África occidental que se conocía como Senegambia, los aborígenes percibieron que los terremotos siempre parecían provenir del oeste y los explicaban del siguiente modo: después de su creación, la Tierra fue colocada sobre la cabeza de un gigante. Todas las cosas que crecen en el suelo, son sus cabellos, y las criaturas que se mueven sobre ella son los parásitos que se arrastran en esos cabellos. Dicho gigante se sienta y mira hacia el este, pero de vez en cuando vuelve tranquilamente su rostro hacia el oeste, y entonces, al girar la cabeza a su anterior posición, lo hace tan torpemente que vibran las cosas que están en la parte superior de su cabeza. (El continente africano es. en general, sísmicamente estable. Incluso en los agrietados valles del este, y en el mar Rojo, la actividad sísmica es moderada si se la compara a la de otras zonas activas. No obstante, como la mayoría de las masas estables. África se encuentra bordeada por disyunciones que son sísmicamente activas. De ahí que en el África Occidental las sacudidas provengan del oeste.)
Otra imaginativa explicación africana de los terremotos se encuentra en la creencia de la tribu de Wanyamwasi, en la que se dice que un lado del disco de la Tierra descansa sobre una montaña, mientras que el otro lado está sostenido por un gigante, cuya mujer, a su vez, sostiene al cielo. Si el gigante abraza a su mujer, la Tierra tiembla[24].
* * * *
Una cristiana leyenda rumana imagina un apoyo inanimado y precario para la Tierra, es decir, que se asienta sobre tres pilares: Fe, Esperanza y Caridad. Si uno de ellos no se muestra eficaz, el pilar correspondiente se contrae y la Tierra oscila, perdiendo el equilibrio hasta que Dios lo restablece. (Un defecto de esta leyenda es que la Tierra puede carecer de las tres virtudes y, sin embargo, no por ello estar a punto de sufrir algún terremoto...)
La mayoría de este tipo de leyendas no muestran la menor preocupación por explicar qué es lo que sostiene a la Tierra, aunque algunas de ellas la describen como una criatura acuática nadando en una especie de océano universal. La tribu Masawahili, del este de África, ha imaginado un complejo ejercicio circense en el que un gigantesco pez lleva en su espalda una piedra, sobre la que hay una vaca que hace balancear la Tierra en uno de sus cuernos. En este caso, un terremoto se produce cuando la vaca, para aliviar su dolorido cuello, cambia de un cuerno a otro el peso que soporta.
El folklore más elaborado sobre terremotos se da, sin duda, en el altamente sísmico Japón. La superstición más corriente atribuye los movimientos de tierra al serpenteo de un barbo gigante (namazu) que se encuentra en el subsuelo y cuya cabeza se sitúa en la provincia de Hitachi. El dios Kashima controla todo lo posible los movimientos del pez, al que mantiene por medio del kaname-ishi o «piedra-pivote» (Ilustración 18). No se sabe con exactitud cuándo se originó la leyenda de namazu, pero, según C. Ouwehand, es probable que este origen se encontrase en la idea de una serpiente-dragón que rodea a Japón, representando (como también sucede en otras culturas primitivas) el mar primario que circundaba y sostenía la Tierra. Los conceptos de este ser que parece una serpiente (casi insecto, o como una araña en algunas representaciones), el pez o ballena gigantes, y, finalmente, el barbo, son mutuamente intercambiables y conservan la misma idea básica. Más tarde, en las últimas décadas del siglo XVII, la asociación del dios Kashima y la piedra pivote con los terremotos namazu aparecen en representaciones pictóricas que posteriormente se transformarían en las formas corrientes después de una serie de grabados que surgieron a partir del terremoto del Edo[25] en 1855, la «era Ansei de los desastrosos terremotos». El citado seísmo no fue el más serio de esta era, pero, como dice Ouwehand. «parece, sin embargo, que después del inicio de la era Ansei —tan turbulenta desde muchos puntos de vista, incluso el político—, con desastres naturales y hambres en varias partes del Japón, fue el acontecimiento que, sin duda, estimuló con mayor intensidad la imaginación.» La aparición de los grabados namazu fue una reacción ante la catástrofe. Además de representar el acontecimiento y varias versiones del mito namazu, los dibujos y los textos de tales grabados, típicamente folklóricos, satirizan acerca de ciertas condiciones sociales. El cómo se producen los terremotos se explica por la ausencia del dios Kashima que el namazu aprovecha; el porqué se originan se describe como un castigo motivado por los abusos sociales... ¡y también como una consecuencia de las visitas de la escuadra del comodoro Perry en 1853 y 1854! La sátira expresada en los grabados tiene como finalidad «hacer la vida más llevadera para las masas cuya existencia, aun antes de los terremotos, ya estaba lejos de ser envidiable». Los grabados se compraban también como amuletos contra futuros terremotos.
* * * *
En algunas leyendas, las sacudidas de los movimientos sísmicos se atribuyen a seres que, en lugar de sostenerlo, están dentro del globo terráqueo. En una región de la India se cree que existe un gigantesco topo cuyas excavaciones sacuden la tierra que está sobre él. Los Kukis de Assam creen todavía que hay una especie, que vive dentro del planeta, que sacude el suelo para averiguar si aún vive alguien en la superficie. Cuando los Kukis perciben un temblor, gritan «¡Estamos vivos, vivos!» para asegurarles que hay alguien. Los Karens de Burma culpan de los terremotos a las actividades de un dios Shie-Ou que se encuentra prisionero en la tierra por el dios sol Ta-Ywa. Los Tongans los atribuyen a un dios que descansa sobre un volcán que forma la isla de Tofua y que se mueve o cambia de postura mientras duerme. La antigua mitología escandinava también atribuye los terremotos a un demonio en la Tierra: por sus fechorías, Loki, el demonio o semidiós de la maldad y la perversidad, ha sido encarcelado por los dioses en una cueva, encadenado de tal modo que se encuentra echado sobre su espalda y apoyado sobre tres agudas piedras; sobre su cabeza cuelga una serpiente venenosa que constantemente deja caer veneno sobre su rostro. La fiel mujer de Loki, Sigyn, está junto a él recogiendo el veneno en un cazo, pero, de vez en cuando, ella se aparta de Loki para vaciar el cazo y entonces el veneno cae sobre la cara del demonio, momento en que éste experimenta un violento sobresalto que sacude toda la Tierra.
Otro tipo de leyenda achaca los terremotos a las fuertes pisadas de algún gigante o deidad. Por ejemplo, la tribu Basoga, que vive en la costa norte del lago Victoria Nyanza, en África, cree en un dios de los terremotos que se llama Kitaba y que sacude la Tierra si camina demasiado aprisa.
Otras creencias personifican la Tierra. Los Kaffirs, en Mozambique, consideran que la Tierra tiembla cuando tiene un escalofrío, analogía ésta que Aristóteles utilizó en forma figurada, como así también lo hizo Shakespeare, según la cita que hay al comienzo de este capítulo. Desde Perú llegan los pensamientos más joviales, que afirman que, de vez en cuando, la Tierra echa una cana al aire y baila.
En la mitología griega. Poseidón era el dios de las tempestades marinas que sacudían la Tierra. Por lo visto, los antiguos griegos reconocían la diferencia entre un terremoto volcánico completamente local (que atribuían a la lucha de gigantes prisioneros) y los terremotos tectónicos. Aunque a primera vista resulte extraño que no culparan de estos últimos a Atlas, que sostenía la Tierra, su elección del dios del mar no resulta sorprendente si se tiene en cuenta cuántos temblores que asolaron Grecia y las islas cercanas se originaron bajo el mar, y cuán a menudo estaban acompañados por tsunamis[26], intensos o leves. Después, los filósofos griegos reflexionaron seriamente sobre las causas de los terremotos, pero sus explicaciones fueron casi tan erróneas como las leyendas primitivas. Para Aristóteles, los terremotos estaban ocasionados por los vientos que trataban de escapar de su encierro en las cuevas subterráneas. Esta idea persistió, al menos, hasta los tiempos de Shakespeare, porque en Enrique IV, Parte I, Hotspur le explica a Glendower cómo
La naturaleza enferma estalla con frecuencia en extrañas erupciones. A menudo, la tierra de fértiles entrañas se convulsiona y perturba a causa de una especie de cólico debido a la retención de aires inquietos dentro de su vientre. Los aires, esforzándose por salir, sacuden a la vieja dama y derrumban las altas torres reverdecidas de musgo.
En el Antiguo Testamento se consideran los terremotos como signo de la cólera divina, y la Iglesia de la Edad Media continuaba enfatizando la idea del castigo por no haberse mantenido dentro de la obediencia. Por supuesto, desde este punto de vista, ninguna explicación mecánica científica hacía falta, pero se ofreció, en cambio, una pseudo-científica, en 1682, formulada por J. B. Van Helmont. Se trata de un químico y físico belga que fue una curiosa mezcla de místico, alquimista y científico. Fue el primero en comprender la naturaleza de los gases como algo diferente al aire, y contribuyó al conocimiento de la nutrición y digestión. Su explicación de los movimientos sísmicos sugiere que un ángel vengador golpea el aire para obtener un sonido musical cuyas vibraciones se comunican a la Tierra por una serie de sacudidas.
En Estados Unidos, los seísmos han motivado más de un fuego infernal y sermones amenazantes del castigo eterno. Se dice que después del terremoto de Nueva Madrid, el 16 de diciembre de 1811, cuyas sacudidas posteriores continuaron durante años, más de un pecador arrepentido volvió al redil. Es posible que este terremoto haya sido el más intenso que pueda haber experimentado Norteamérica, pero el área, en aquella época, estaba escasamente poblada y, claro está, no había ningún sismógrafo que registrara la pertinente información científica. Una de las pocas leyendas evemerísticas sobre este tema se refiere a las causas que originaron el terremoto de Nueva Madrid, y a algunos de sus resultados topográficos.
Según esta leyenda, existía un guapo jefe chickasaw, llamado Reelfoot (Pie bamboleante), que, desgraciadamente, había nacido con un pie deforme. A causa de dicha deformidad, el padre de la hermosa princesa Choctaw, a quien él amaba, rehusó permitir que él la cortejara para pedir su mano. Sin desalentarse, Reelfoot y sus amigos se llevaron a la princesa y la boda se llevó a cabo, lo que motivó que el Gran Espíritu se encolerizase. Así, en plena fiesta, el Gran Espíritu pisó con fuerza e hizo temblar la tierra. El Padre de las Aguas (el río Mississippi) cambió su curso y se desbordó, por lo que Reelfoot, su novia y todos los que participaban en la boda quedaron sumergidos en las aguas de un nuevo lago.
El lago Reelfoot, en el lado del Mississippi que está sobre Tennessee, se formó en realidad a consecuencia del terremoto de Nueva Madrid (Figura 20). Una extensión pantanosa se hundió varios palmos y, después, se llenó de agua. El Mississippi, después del primer y más intenso temblor, pareció fluir contra la corriente durante un corto trecho, lo que pudo deberse a una temporal obstrucción del curso causada por deslizamiento de tierras o por perturbaciones producidas por el levantamiento de áreas rocosas en las proximidades. La depresión ocupada por el lago Reelfoot pudo haber sido colmada súbitamente por olas que anegaron los márgenes del río a cierta distancia, o, lentamente, por los riachuelos que desembocaban en el pantano original.

Figura 20. Lago Reelfoot. Tennessee, creado en el terremoto de Nueva Madrid de 1811. (Tomado de Fuller. 1912.)
No he podido confirmar si se trata de una auténtica leyenda india o si constituye otro ejemplo de fakelore (pseudo folklore). Sin embargo, existe otra tradición de un desastre que, posiblemente, se basa en parte en un temblor y que es, sin duda, auténtico. Se trata de la destrucción de Sodoma y Gomorra. El Génesis nos cuenta que Sodoma y Gomorra y otras dos de las cinco «Ciudades del Llano» (Adnía y Zeboyim) fueron destruidas, en castigo a su perversidad, por una lluvia de fuego y azufre que cayó del cielo. Las ruinas de estas ciudades nunca se han encontrado. Según J. P. Harland, las evidencias que proporciona la Biblia, así como escritores griegos y latinos posteriores, indican que tales poblaciones debieron de situarse en un área fértil en las proximidades del extremo sur del mar Muerto. Puesto que el nivel de dicho mar se ha elevado en los últimos siglos, el área, el bíblico valle de Siddim, en la actualidad se encuentra sumergida (Figura 21), de modo que islas descritas en el siglo XIX no existen hoy, y la línea costera se ha desplazado progresivamente hacia el sur. Primero se supuso que la causa natural que produjo el desastre que causó la desaparición de Sodoma y Gomorra fue una erupción volcánica, pero las pruebas geológicas descartan tal posibilidad. Se cree que la destrucción de las Ciudades del Llano se produjo alrededor del año 2000 a.C., y no existen rocas volcánicas tan recientes en esa región.
F. G. Clapp ha sugerido una explicación geológica más aceptable: el mar Muerto se asienta sobre un graben, o valle de rift, y la región es altamente sísmica porque los movimientos a lo largo de las fallas limítrofes todavía siguen produciéndose. En otros tiempos, el mar Muerto se llamaba «lago de Asfaltita» debido a las masas de betún natural que de vez en cuando afloraban a la superficie. Aparentemente, estas masas brotan de las filtraciones que se hallan bajo el agua, y son particularmente notables después de los terremotos. Se han registrado volúmenes tan grandes como casas. Los habitantes del lugar recogen y venden este betún flotante y, a juzgar por lo extendida que entre los antiguos estaba su comercialización, los depósitos de betún fueron entonces mayores que ahora. Los numerosos «fosos de cieno» del valle de Siddim eran este tipo de filtraciones desenterradas para obtener el betún. Además de este asfalto natural, en la región abundan rocas bituminosas, algunas de las cuales contienen un porcentaje tan alto de betún que llegan, posiblemente. a arder. También hay algunas filtraciones de petróleo. Los escritores de la antigüedad decían que de las aguas del mar Muerto emanaban olores pestilentes y un «tizne invisible», posiblemente gases de azufre, que manchaba los metales. Tales gases no se detectan en la actualidad, pero recordemos que los gases naturales frecuentemente están asociados al petróleo y son los primeros en escapar de la tierra. Todos estos fenómenos —gas natural, petróleo y betunes— se relacionan, en este caso, con la intrusión de una gran masa de roca salina, o bóveda salina: la colina llamada Jebel Usdum (véase Figura 21).

Figura 21. El mar Muerto, indicando lugares que se mencionan en conexión con la destrucción de Sodoma y Gomorra. Las «Ciudades del Llano» estaban situadas probablemente en el área que hoy se halla cubierta por las aguas de la ensenada del sur. Jebel Usdum es una bóveda de sal de la que, en el transcurso de los siglos, se han excavado por la erosión varios pilares de sal. (Tomado de Clapp, 1936.)
En este ambiente, todo lo que se requiere para producir un voraz incendio es un agente, natural o humano, que encienda el material combustible. Teniendo en cuenta la afirmación bíblica de que era fuego que venía del cielo, surge inmediatamente la idea de un relámpago. El azufre desprende al quemarse un olor penetrante y pudo fácilmente identificarse entre los otros olores producidos por el incendio. Sin embargo, no parece probable que sólo un rayo pudiera ocasionar un fuego tan incontrolable que devorase cuatro ciudades que se hallaban separadas. Uniendo las ideas adelantadas por Clapp y Harland, y otros autores citados por ellos, se compone el siguiente cuadro: un desastroso terremoto sacudió el valle de Siddim, alrededor del año 2000 a.C., liberando gran cantidad de gases naturales y betunes que ardieron a causa de algunos fuegos dispersos. El incendio resultante borró Sodoma, Gomorra, Adnía y Zeboyim. La quinta ciudad, Zoar, se salvó debido a alguna característica de su ubicación. Si algunas de las rocas que tenían componentes altamente betúnicos se utilizaron en la construcción de las paredes de los edificios, significa que hubiese sido como agregar petróleo al fuego. Un rayo pudo o no haber sido el responsable del inicio del incendio, pero si, simplemente, se hubiese visto en el cielo en el momento de la catástrofe, habría creado la impresión de que la catástrofe provenía del cielo.
El macizo de sal también tiene una explicación geológica, si bien, en realidad, correspondería tratarse en el capítulo sobre el folklore acerca de la forma de la Tierra. El Jebel Usdum, monte que se eleva unos 220 metros, más o menos, sobre el nivel del agua en el lado oeste de la bahía, al sur del mar Muerto, está formado por roca de sal cubierta de yeso que tiene marga (la marga es una piedra caliza impura). Su característica más conocida es un pilar de sal que la erosión ha separado del cuerpo principal de sal. No parece probable que este pilar se haya erguido allí durante casi cuatro mil años. No sólo porque la región sufre frecuentes temblores, sino también porque la sal se erosiona con facilidad. Otro pilar de sal, en la orilla sur, fue descrito por Josefo hace alrededor de dos mil años y todavía se encontraba en pie al menos doscientos años más tarde. Es muy posible que existiera un conjunto de pilares de sal en los alrededores hasta la historia geológica reciente, y durante toda la historia humana, separados de Jebel Usdum por las lluvias invernales. Así, ¿no sería natural que un rasgo tan sobresaliente próximo al escenario de una catástrofe memorable fuera incorporado a la tradición, o específicamente asociado a una de las víctimas más importantes, la esposa del rey?

Figura 22. Constitución interna de la Tierra. La mayor parte de lo que conocemos del interior de nuestro planeta se ha deducido por el comportamiento de distintas clases de ondas sísmicas originadas por los terremotos y, más recientemente, por grandes explosiones, ya sean nucleares o químicas, tales como explosiones en canteras, o especiales mediciones sísmicas de las detonaciones.
Hasta aquí los aspectos folklóricos de los terremotos. Pero, ¿qué dicen los geólogos sobre sus causas? Los seísmos se producen cuando algo que genere ondas sísmicas sucede en la Tierra. En la mayoría de los casos se trata de una falla, es decir, el deslizamiento de rocas, unas sobre otras, bajo la carga que se ha producido durante un determinado período. El punto donde se genera un terremoto en la Tierra se llama foco o hipocentro (Figura 22) y puede encontrarse en cualquier parte, desde muy cerca de la superficie hasta unos cientos de kilómetros de profundidad. Los temblores se clasifican, según donde esté el foco, en superficiales o normales, intermedios y profundos. Los superficiales se inician a profundidades de hasta 70 kilómetros (alrededor de 44 millas), los intermedios desde los 70 hasta los 300 kilómetros (44 a 188 millas) y los profundos a más de 300 kilómetros (188 millas). El más profundo registrado hasta ahora se produjo a 700 kilómetros (440 millas) debajo de la corteza terrestre. El lugar que, sobre la superficie, está directamente encima del foco se denomina epicentro.
La magnitud define la cantidad de energía liberada en el foco. Una de las mayores magnitudes documentada hasta hoy es de 8,6 o 8,7 para el temblor de Alaska, en marzo de 1964. La magnitud se determina más exactamente por medio de registros instrumentales, pero también es factible estimarla por la intensidad y la distancia al foco. La intensidad es una medida subjetiva de la tuerza de un terremoto en la superficie. Se estima según una escala que, esencialmente, refleja la extensión de los daños causados a las estructuras construidas por el hombre, así como los distintos efectos producidos sobre las personas que viven en el área. Por tanto, en una zona despoblada es prácticamente imposible estimar la intensidad de un seísmo. Cualquier terremoto sólo tiene determinada magnitud, si bien la intensidad con la que se percibe en un lugar concreto depende de la distancia del foco (la intensidad decrece en proporción inversa al cuadrado de la distancia al foco. Así, el epicentro, que es el punto que se halla más cerca del foco, registra la máxima intensidad), de la naturaleza del suelo (las vibraciones son de una mayor amplitud y, en consecuencia, más destructivas, en un suelo no consolidado —especialmente si es húmedo— que sobre un lecho de roca) y de la estructura geológica de la región (las ondas sísmicas disminuyen menos si se trasladan en el sentido «del grano» de la estructura que si van en sentido contrario). Normalmente, toda la tensión acumulada no se libera al mismo tiempo: el temblor más intenso suele ir precedido por los llamados temblores precedentes y, por lo general, va seguido de una serie de temblores posteriores, de fuerza variable. Los movimientos sísmicos superficiales causan daños en un área limitada alrededor del epicentro; los intermedios y los profundos pueden producir serios efectos sobre amplias regiones.
Los temblores del tipo que se han descrito se llama tectónicos —porque tienen que ver con la deformación de la estructura de la Tierra— para distinguirlos de los que están asociados a la actividad volcánica o a los pocos que están ocasionados por el deslizamiento de tierras o el derrumbe de cavernas subterráneas. Los temblores que se deben a estas dos últimas causas suelen ser muy débiles y completamente locales, de modo que podemos prescindir de ellos. Los que preceden o acompañan a las erupciones pertenecen a un tipo especial. Todos son relativamente superficiales, la mayoría de ellos en gran medida y, por tanto, nunca se perciben fuera de la vecindad del volcán. En muy pocas ocasiones son lo suficientemente intensos como para causar daños. La cuestión de los temblores volcánicos y tectónicos es bastante importante con relación a la erupción minoica del Santorín, y se le prestará más atención en el capítulo VIII.
Un corolario de la explicación de Aristóteles sobre los temblores indica que los días precedentes a que se producen son sofocantes y sin viento, ya que todo el viento ha sido arrastrado bajo la Tierra. Este concepto persiste en la extendida noción del «tiempo de'' temblores» que se encuentra en el folklore moderno, a pesar del hecho comprobado de que los antecedentes demuestran que los terremotos han sucedido en cualquier momento del año, en todos los instantes del día y con todo tipo de tiempo. C. McWilliams, en un resumen sucinto, dice:
«En el sentido popular, la frase (tiempo de temblores) parece referirse a una atmósfera pesada, sofocante, encapotada y bochornosa. Uno se sentiría dispuesto a creer que este tipo de tiempo presagia la proximidad de un terremoto si no fuera por el hecho de que esta descripción detalla unas condiciones atmosféricas que, en lugares como California, todo el mundo detesta. La conclusión, casi incontestable, nos viene a decir que los pobladores, simplemente, han responsabilizado a los odiosos “días sofocantes" de las calamidades que, en verdad, podrían haber imputado a cualquier otro tipo de tiempo.»
Las condiciones meteorológicas pueden relacionarse con los temblores sólo de una forma: la presión barométrica es capaz de ayudar a desatarlos, ya sea independientemente o en conjunción con otras fuerzas, como las mareas del Sol o de la Luna. Dado que la tierra sólida, lo mismo que los océanos, se ve influida por la atracción del Sol y de la Luna, y así como las mareas son más altas en ciertos momentos, dependiendo de las posiciones relativas del Sol y de la Luna, las tensiones que actúan sobre el suelo son más fuertes en ciertas ocasiones. Una ligera tensión adicional debida a estas «mareas» terrestres, o la presión atmosférica, o ambas cosas, pueden, en determinadas circunstancias, ser la última gota que, en una región de temblores, libera las fuerzas hasta un punto de rotura. Sin embargo, el agente que desata un terremoto no debe confundirse con sus causas, lo mismo que no se ha de confundir el gatillo de un arma de fuego con el explosivo que impulsa la bala. De igual forma que si se aprieta el gatillo en un arma vacía no se producirá el disparo, las fuerzas externas que actúan sobre la superficie no provocarán un terremoto si las condiciones internas, dentro de la Tierra, no están «maduras» para ello. Además, la correlación entre las «mareas» terrestres y los terremotos no es muy intensa, y muchos movimientos sísmicos se han producido cuando las fuerzas de las mareas no se encontraban al máximo, e incluso cuando estaban en su mínimo. Por tanto, la creencia de que los temblores tienen su origen en el cielo resulta tan infundada como la del tiempo de temblores al que antes aludimos. En el mejor de los casos, existe la posibilidad, aún no probada, de que las fuerzas planetarias o las condiciones atmosféricas ayuden a precisar cuándo, con exactitud, se producirá un terremoto, pero esto no tiene nada que ver con por qué se produce.
También se ha señalado una correlación entre los temblores y la «fluctuación polar». El eje de la Tierra no es completamente fijo, sino que fluctúa levemente mientras el planeta gira, como lo hace con frecuencia una peonza. La razón de esta fluctuación cabe que se relacione con la fricción de la fuerza de gravedad dentro de la Tierra, o con el movimiento del núcleo líquido exterior. Ahora bien, el hecho de que la fluctuación polar cause los terremotos, o sea causada por ellos, es un problema que actualmente se halla en estudio. De cualquier modo, el porqué fundamental de los temblores reside en lo más profundo de la Tierra.
* * * *
El error más frecuente sobre los efectos de los terremotos está en la creencia, terrible, de que en el suelo pueden abrirse precipicios sin fondo capaces de tragarse a cualquier infortunada persona que se encuentre en el lugar exacto en el que se «abre» la tierra para después cerrarse triturando a la desgraciada víctima. De todos los peligros reales que cabe temer de un seísmo, éste es, probablemente, el último. Es cierto que a veces se producen grietas en el suelo, pero nunca sobre la roca sólida. Son siempre superficiales y no se cierran otra vez, excepto en rarísimas circunstancias. Seguramente, alguien que haya visto cómo un edificio de pisos que no estaba adecuadamente construido se derrumbaba en pocos segundos para convertirse en un montón de escombros, como sucede en los países que no poseen códigos de edificación adecuados en lo que respecta a la resistencia a los temblores, tendrá incluso la impresión de que el edificio ha desaparecido materialmente en el suelo. Pero la verdad es que los informes sensacionalistas acerca de gentes desapareciendo, o atrapadas hasta la cintura dentro de la tierra, o de casas, o incluso referentes a pueblos enteros que han sido tragados y triturados, son anteriores al pasado siglo y siempre se constituyen en rumores que, por lo general, han pasado por tres, cuatro o más intermediarios. Informes comprobados, prácticamente no existen. Sin embargo, en Japón, que es el país que ha tenido más experiencia en terremotos, están convencidos de que estarán más seguros en la casa que en campo abierto, ya que temen que el suelo se abra bajo sus pies.
L. Don Leet sitúa este problema de los temblores en la perspectiva adecuada: «A veces, las sacudidas hacen vibrar masas de materiales, no consolidados, que se hunden o deslizan hacia nuevas posiciones. Las fisuras y grietas resultantes no son más temibles, o notables, que los hundimientos o deslizamientos que hubiera producido una intensa lluvia...» Describe el caso inusual de la grieta, en un arrozal abandonado en Japón, que se abría y se cerraba nuevamente. En dicho campo, la capa superficial de marga seca se hallaba sobre un mantillo húmedo. Durante el terremoto, las ondas remolinearon, lo que produjo que el citado mantillo se moviese de un lado a otro, y motivó que la marga se arqueara y, finalmente, se resquebrajara, cerrándose cuando todo se asentó.
Los sismólogos sólo han aceptado dos informes de accidentes en grietas producidas por los terremotos. Me ha costado cierto tiempo rastrear las fuentes que había detrás de los informes publicados. Uno se refiere a la tan conocida vaca que cayó en una grieta durante el terremoto de 1906 de San Francisco. Los geólogos se encuentran divididos en cuanto a la fiabilidad de este informe. El relato oficial sobre el temblor contiene la siguiente afirmación:
«...en el rancho Shafter una fisura fue, en determinado momento, tan ancha como para admitir una vaca, que cayó de cabeza y quedó, por tanto, enterrada. Inmediatamente, volvió a cerrarse la fisura y sólo fue visible la cola del animal. Después quedó una huella de la grieta, una zanja de 1,80 a 2,40 metros de ancho, y el nivel del suelo en ella era de unos 30 a 60 centímetros por debajo del suelo de alrededor, que no sufrió daños.»
En otro párrafo del mismo informe se dice:
«El señor Payne J. Shafter tiene su casa cerca del pueblo de Olema. La huella de la fisura se halla cerca de la casa y de otros edificios... Durante el terremoto, una vaca cayó en la grieta y la tierra se cerró sobre ella de tal modo que sólo la cola quedó visible. En el momento de mi visita, la cola había desaparecido, comida por un perro, pero numerosos testigos sostuvieron la verdad del hecho. Como la huella de la grieta que se observaba en las proximidades no era lo bastante grande como para que cupiese una vaca, parece que durante la formación de la fisura se produjo una temporal separación de las paredes.»
El autor de esta parte del informe, el eminente geólogo G. K. Gilbert, recibió los testimonios de segunda mano, pero, evidentemente, no tuvo razones para dudar de la veracidad del relato de sus informantes. No obstante, en 1906, la idea de fisuras producidas por los terremotos que se abrían y cerraban otra vez, no se cuestionaba seriamente. En la actualidad, este informe sería rigurosamente comprobado cavando la tierra para hallar los restos de la vaca. Algunos creen que Gilbert así lo hizo, pero que las notas de su libreta sólo contienen la afirmación de que «una vaca fue engullida allí por una grieta, desapareciendo todo su cuerpo excepto la cola... El testimonio en esta cuestión está fuera de duda».
Aun en el caso que se hubieran encontrado los restos de la vaca, esto no demostraría que la vaca hubiese desaparecido en la grieta durante el terremoto. Robert Iacopi, autor del libro Earthquake Country (Tierra de terremotos), recibió una carta del señor H. H. Howard en la que se pone en duda el testimonio de todos los testigos. El señor Howard, primo de los Shatters, en cuyo rancho se supone que se produjo el hecho, vivía, cuando era niño, en la propiedad adyacente. Su carta[27] narra lo siguiente:
«Lo que quiero relatarle es un recuerdo de mi niñez que tiene relación con lo que usted afirma en la página 147; un recuerdo que me abruma cada año cuando, mientras vivía en el Oeste medio (de Estados Unidos), la gente me enviaba la edición anual de los periódicos de San Francisco sobre el terremoto y el incendio, en donde se repetía esa hermosa historia de la tierra tragándose la vaca... Un espléndido y cálido día, puedo recordar esto porque, aunque yo era muy pequeño, estábamos en el año 1912 ó 1913, mi padre y yo nos hallábamos sentados en un banco del jardín, cuando nuestro primo Payne Shafter llegó a caballo. Los dos hombres hablaron brevemente y, luego, sin razón aparente, recuerdo que mi padre preguntó a Payne: “Payne, ¿por qué diablos les dijiste a los reporteros aquella vez que tu vaca había sido tragada por esa grieta en la tierra?" A lo que Payne respondió, y otra vez, reproduzco aproximadamente las palabras: “Mira, Pax, la vaca había muerto y teníamos que enterrarla. Esa noche se produjo el terremoto que abrió una gran resquebrajadura en el suelo. Simplemente, arrastramos la vaca hasta allí y la arrojamos con las patas sobresaliendo. Después llegaron esos reporteros y, cuando se les ocurrió la idea de que la vaca había caído dentro, no quisimos estropear toda la historia. ¿Por qué hacerlo ahora?”
»Yo no tengo ningún conocimiento directo de lo que sucedió realmente, pero sí sé que la conversación que describo es cierta porque la escuché y oí luego a mi padre reír muchas veces por su causa. Admiro su cuidado al transmitir el incidente en su libro y dejar el relato “oficiar como una cita.»
Esta carta, al menos, plantea la pregunta de si Gilbert vio la misma fisura en la que había desaparecido la vaca, viva o muerta, y nos deja con el deseo de que haya visto con sus propios ojos esa cola surgiendo del suelo.
Sólo hay otro caso documentado y éste incluye la muerte de una persona, una mujer que murió en el terremoto del Fukui, el 28 de junio de 1948, en Japón. No existe duda alguna respecto de lo que sucedió, pero incluso en el informe oficial del terremoto Fukui se manifiestan contrarias opiniones acerca de cómo ocurrió. El informe habla por sí mismo (muy parafraseado para obtener una redacción correcta):
«Existe un miedo universal a hundirse en las fisuras que los terremotos abren en la tierra. Pero no existe ningún testimonio de que esto haya ocurrido en este país. Sin embargo, Imamura afirma que no se halla justificado tal miedo, aunque él mismo ha informado sobre un caso de una pequeña fisura que se produjo en el terremoto de 1923, en Kwanto, en el patio del colegio de Hojo, en la prefectura de Chiba, cuando dos líneas de fisuras se abrieron y se cerraron, y de ellas brotó, intermitentemente, agua a borbotones. Pero en el actual Fukui hubo un caso trágico. Una campesina de 37 años estaba trabajando en su arrozal en el 33 Wada-shussaku-machi, en la ciudad de Fukui. cuando se produjo el seísmo. Se la encontró muerta, enterrada hasta el mentón en una fisura de 100 metros de longitud. Se cree que murió aplastada, no ahogada. Se dice que una raja de alrededor de 1,20 metros de ancho se abrió, cerrándose después. Del terremoto sólo quedó una leve huella: unos 2 centímetros de anchura de la dirección de la fisura que se pudo rastrear en aquel sitio...
»Esto (la fisura que se abrió y se cerró) cabe atribuirlo a las ondas de gravedad producidas en el suelo blando. Las grietas estaban, en algunos lugares, ordenadas siguiendo el curso del antiguo río, si bien éste se halla relleno actualmente, lo que debe considerarse como una evidencia del movimiento relativo del blando relleno causado por los violentos movimientos del terremoto. Si éstos se repitieron más de una vez. el relleno blando habrá oscilado de un lado a otro, de modo que las grietas que se produjeran allí pueden haberse abierto y cerrado sucesivamente.»
Lo que se cita arriba corresponde a la descripción general del terremoto recopilada por H. Kawasumi. En una parte posterior del mismo informe, en la que se trata específicamente de las fisuras y grietas que se abrieron durante el temblor, N. Miyabe prefiere otra interpretación para explicar la muerte de la mujer:
«En el vecindario de la ciudad de Fukui se extiende un llano bajo, aluvial y pantanoso. Durante el terremoto, el agua subterránea surgió en tantos lugares que en algunos de ellos se formaron volcanes de lodo. La resistencia del suelo fue [reducida] por el agua, de modo que cerca de Fukui, en donde el agua salía a borbotones, algunos coches se hundieron hasta las ruedas. Se encontró una mujer muerta, casi sumergida en la tierra, cerca de Fukui, después del terremoto. La gente dijo que había sido aplastada cuando se cerró una fisura producida por el terremoto. No obstante, quien esto escribe considera que debió de hundirse en el suelo durante el terremoto cuando la resistencia del terreno disminuyó tanto a causa del agua que fluía a borbotones, tal como antes se ha dicho. Por otra parte, deben considerarse los siguientes hechos: aun en circunstancias normales, los pantanosos campos de arroz cerca de Fukui son tan blandos que los hombres corren el peligro de hundirse en el suelo, a menos que caminen sobre bambú o troncos de madera dispuestos sobre la tierra.»
De las dos explicaciones, la última parece más lógica. Si una grieta se abrió a los pies de la mujer, ¿no habría perdido el equilibrio y habría caído de cabeza en ella, o atravesada en ella, o a lo largo, extendiendo por completo los brazos al caer? Pero al encontrarla se hallaba en posición vertical, lo que sugiere que cuando estaba de pie, posiblemente tratando de salir o correr fuera del arrozal, fue literalmente arrojada sobre la tierra blanda, como si se tratase de arenas movedizas, y, después, aplastada por el peso de la gruesa capa de lodo que presionó su cuerpo alrededor y sobre ella. Algún mecanismo de este tipo debe de constituir también la explicación de viejos relatos sobre personas que quedaron enterradas hasta la cintura en el suelo, suponiendo que haya algo de verdad en dichos relatos.
Durante el terremoto de Nueva Madrid se abrieron grandes grietas, y permanecieron abiertas. Todavía hoy es posible ver algunas. No todas eran simples fisuras, sino que muchas de ellas eran fallas profundas, zanjas o grabens (fosas tectónicas). Las más hondas no tenían más de veinte pies (6 metros). Si bien corrieron muchos rumores erráticos sobre personas que se habían perdido en dichas fisuras, todos los que cayeron en ellas pudieron ser extraídos, aunque, algunas veces, con dificultad. Todos los accidentes de los que de este temblor se tuvo noticia, menos dos, se refirieron a personas ahogadas y se produjeron cuando las barrancas del río se desmoronaron, o cuando los botes o las islas del río se sumergieron. (Una persona murió al caer de una pared, y una mujer se asustó tanto que echó a correr hasta que se desplomó, muriendo de miedo y agotamiento.) Además, el temor de quedar sepultado en la tierra se apoderó de todo el mundo, de modo que, al observar que el «abismo» se abría en una dirección, la gente taló árboles y los dispuso perpendicularmente a esa dirección. Al iniciarse un temblor, la gente corrió precipitadamente a situarse sobre esos troncos de árboles. Muchas personas creían que así salvarían sus vidas. Una de las cosas que desapareció durante los temblores de Nueva Madrid, fue una carga de moldes de hierro fundido que estaban en un sótano. Tales moldes, como la mujer de Fukui, pudieron, al producirse las vibraciones, haber sido sacudidos y hundidos en la tierra no consolidada. En el río Mississippi desaparecieron varias pequeñas islas. Los relatos populares que se refieren a este hecho dan la impresión de que las islas fueron engullidas por la tierra. Es posible que algunas fuesen arrastradas bajo el nivel del agua, pero lo que en muchos casos ocurrió fue que, estando constituidos por tierra blanda, no consolidada y saturada —que es la que resulta más inestable durante un temblor—, los islotes fueron literalmente destrozados y, después, los fragmentos arrastrados por el agua.
La forma más fácil de que actualmente la grieta producida por un terremoto ocasione un accidente estriba en que un coche, cuando transita por una autopista, caiga en ella. Las grietas en el pavimento son los daños más usuales. Muchas de ellas son lo bastante grandes como para hacer perder el control de un coche, o para que éste dé una vuelta de campana. En el caso de que se produzca el hecho, nada habitual, de que una grieta, debido a hundimientos o a materiales no consolidados, se abra bajo nuestros pies, el daño más probable consistirá en algunos golpes o, a lo sumo, en uno o dos huesos rotos. Lo que es importante recordar en todo momento es que, si durante un temblor se abre una grieta en el suelo, casi con toda seguridad permanecerá abierta (Ilustración 19). Las probabilidades de que una grieta nos «trague» son infinitamente pequeñas, tantas, por ejemplo, como las que se tienen de ser golpeado por un avión que se precipita contra el suelo.
Los verdaderos peligros en un terremoto son los siguientes: 1) ser golpeado por objetos que caen, especialmente si se huye hacia el exterior; 2) quemarse con algún fuego que se haya producido 'durante el temblor, peligro que, generalmente, se agrava si se rompen las grandes tuberías de conducción de agua, ya que no es posible recurrir a ésta; 3) quedar enterrado, si se está en una zona de montañas, por un desprendimiento provocado por el temblor, como les ocurrió a las diecinueve personas que se encontraban durmiendo en un campamento en Hebgen Lake, en Montana, la noche del 17 de agosto de 1959, o los diez o veinte mil habitantes de Yungay y Ranrahirca, en Perú, que fueron sepultados por la avalancha de detritos del Huascarán, provocada por el terremoto del 31 de mayo de 1970, y 4) ahogarse en un tsunami, si se está en la costa. Por tanto, si se está fuera, en campo abierto, lejos del mar, lo mejor es... ¡relajarse y disfrutar! Como última referencia tranquilizadora acerca de las grietas producidas por los terremotos, cabe tener en cuenta lo siguiente: en 1954, en el terremoto de Dixie Valley, en Nevada, una choza de madera, firmemente construida, se mantuvo en pie sobre un espacio de suelo que se hundió formando un pequeño graben. Si bien la choza sólo se hundió unos centímetros en la escarpada falla, de doce pies y medio (3,75 metros), que se formó, ni siquiera se rompió un cristal de las ventanas, y un vaso de porcelana ni se movió del estante en que se hallaba.
En contraste con la idea de tierra que se abre, que, sin duda, en gran parte —y en mi opinión, totalmente— es folklore, existen ejemplos de folklore sobre terremotos que es factible se transformen en factlore (hechos reales). En Japón, junto a la creencia de namazu como causa de los terremotos, han existido relatos que han tenido amplia difusión, en los que se narra que, antes de los seísmos más importantes, los barbos se comportan de modo inusual. Se dice, por ejemplo, que justamente antes del temblor de 1855, un pescador se sorprendió de la agitación que mostraban los barbos y, creyendo que presagiaban un movimiento de tierra, corrió a su casa a tiempo de salvar a su familia y bienes. Otra narración cuenta la acentuada agitación que existía entre los barbos el día antes del terrible terremoto de Tokio de 1923. La creencia de que los barbos son capaces de detectar un terremoto antes de que se produzca ha sido tan persistente que los científicos comenzaron a preguntarse si no habría algo de verdad. En consecuencia, hace casi cuarenta años, el profesor Hatai y sus colegas de la Universidad de Tohoku comenzaron a observar sistemáticamente sobre una mesa de laboratorio tanques en los que había barbos. Descubrieron que el pez permanece habitualmente inmóvil y que no reacciona a los estímulos externos como, por ejemplo, un suave golpe sobre la mesa. Sin embargo, de vez en cuando, se crispan ostensiblemente o saltan cuando se golpea varias veces sobre la mesa, y, en el 80% de los casos, esta reacción precede de seis a ocho horas a un terremoto. El hecho de que el barbo «sepa» que está a punto de producirse un seísmo cabe que esté relacionado con las corrientes naturales de la tierra, porque cuando el agua que circula dentro de los tanques no pasa por la tierra, la sensibilidad, virtualmente, desaparece.
Si esa facultad del pez para percibir un inminente terremoto es cierta, no hay nada en ello de sobrenatural. En los últimos años, los sismólogos interesados en la predicción de los terremotos han estudiado, entre otras cosas, los efectos sismoeléctricos y sigmomagnéticos. Las cargas acumuladas en las rocas, que eventualmente se liberan en forma de temblores de tierra, producen leves cambios en el campo magnético de la Tierra o en su conductividad eléctrica, cambios que han podido ser verificados con instrumentos sensibles. No sólo el barbo, sino también otras criaturas que viven en el agua, poseen células nerviosas capaces de percibir seísmos u otros fenómenos naturales, cosa que a los seres humanos no les es posible. (En el caso del barbo se cree que dichas células se encuentran en los palpos, así como a lo largo de los costados del cuerpo.)
En esta misma línea, un norteamericano, B. H. Armstrong, ha investigado las posibilidades de certeza que pueden tener informes que aseguran haberse comprobado una inusual agitación en los animales antes de los terremotos, y comprobar si tal hecho tiene una base física. Existen historias tales como las que se refieren a perros que corrían y aullaban en Talcahuano, Chile, antes del terremoto de 1835 en Concepción, y acerca de cómo los perros, los gatos y las vacas despertaron a la población de Taal, en Filipinas, poco antes de que se produjera un terremoto. A Armstrong le interesan los efectos «sismoacústicos», que es la liberación de ondas sonoras de "alta frecuencia, más alla del nivel de la audición humana, que son el resultado de la deformación progresiva de las rocas. La emisión acústica de las rocas deformadas ya se controla en las minas para advertir de inminentes derrumbes o rockbursts[28]. Aunque los resultados obtenidos en los experimentos de Armstrong no son concluyentes, no es posible excluir la posibilidad de que los terremotos que provocan la rotura de la superficie, o los que implican rotura de un cuerpo líquido (lo que lleva otra vez al comportamiento de los peces), o la acumulación de cargas que ocasiona un terremoto produzcan un cambio en las propiedades de absorción acústica de la roca lo suficientemente importante como para provocar la emisión de ondas sonoras perceptibles para los animales.
Capítulo VI
Folklore sobre los volcanes
Los pueblos primitivos que viven en áreas volcánicas, a menudo dominadas por el siempre imponente, y con frecuencia peligroso, despliegue de fuerzas de la Tierra, cuya naturaleza no comprenden, suelen atribuir las erupciones a las actividades de dioses o demonios perversos, o, en el mejor de los casos, caprichosos. Los aztecas, los mayas y los quechuas («Incas») ofrecían sacrificios humanos a los volcanes, y, hasta hace poco tiempo, lo mismo hacían los pueblos de muchas otras regiones en las que hay volcanes activos. Los javaneses sacrificaban seres humanos al monte Bromo y todavía hoy arrojan una vez al año pollos vivos en el cráter. En el Congo, el cruel dios Nyudadagora exige anualmente como esclavos a diez de los mejores jóvenes de las tribus que habitan cerca de Nyamuragira y Nyiragongo, al norte del lago Kivu (véase Figura 25). Tras cumplir unos ritos salvajes y brutales se arrojaba a los muchachos en la morada de su nuevo amo. En Nicaragua se creía antes que Cosegüina sólo se mantendría en reposo si, cada veinticinco años, se lanzaba un bebé a su cráter. Si en cualquiera de estos casos los sacrificios no lograban impedir o detener una erupción, siempre era posible alegar que las cosas hubieran sido peor de no haberlos ofrecido.
Las leyendas y los mitos sobre los volcanes son de varios tipos. Algunos tratan de explicar la existencia de los volcanes individuales o las formas volcánicas y, en este caso, son claramente etiológicos. Otros pretenden una razón que justifique la actividad volcánica en general, o las erupciones particulares, y éstos poseen también el carácter de etiológicos. Ahora bien, más de una de tales descripciones puede corresponder a una erupción real en la cual la base histórica resulta irreconocible. Todos estos tipos de geomitos son factible que se den en la misma región, como ilustrarán los siguientes ejemplos.
Para los norteamericanos, la deidad volcánica más conocida es la diosa que impregna el quincuagésimo estado, las islas de Hawái, de tal modo que ningún visitante, aun casual, no oye hablar de ella. De ahí que no resulte extraño que se le dedique a Pele una atención exagerada. Incluso hoy día, es tal diosa reverenciada y temida por muchos Hawáianos. En agosto de 1881, cuando la lava de Mauna Loa amenazó la ciudad de Hilo, se llamó a la princesa Ruth Keelikoani, una de las últimas de la línea dinástica de Kamehameha. La princesa, de sesenta y tres años, llegó en seguida a Hilo y se aproximó al borde del flujo de lava que avanzaba, donde entonó un antiguo conjuro, ofreció pañuelos de seda a Pele y, finalmente, vació una botella de coñac en la reptante corriente de fuego (del mismo modo que sus antepasados habían derramado libaciones de awa. bebida alcohólica destilada de las raíces de Piper methysticum. una especie de pimienta). A la mañana siguiente, la lava se detuvo justamente antes de llegar a la ciudad. En épocas tan recientes como 1955, cuando un río de lava amenazaba al pueblo de Kapoho, sus habitantes cantaron al borde de la lengua incandescente y ofrecieron tabaco y comida a Pele. También esa vez se detuvo la lava poco antes del poblado.

Figura 23. Mapa esquemático del archipiélago de las islas de Hawái. Las leyendas que se refieren a la llegada de Pele a las islas demuestran que los Hawáianos eran conscientes de que la actividad volcánica se ha desplazado, a lo largo de la cadena de islas, hacia el sudeste. En la actualidad, sólo Mauna Loa y Kilauea son activos, aunque tanto Hualalai como Haleakala han experimentado una erupción en los tiempos históricos y, por tanto, están clasificados como activos.
Hay innumerables variantes del relato de cómo Pele llegó a las islas, y nadie sabe con precisión cuándo fue, excepto que vino desde algún lugar más al sur, de Tahití según dicen algunos. Aparentemente, y debido a una áspera discusión con su hermana mayor. Namakaokahai, debió de buscar una nueva morada. Pele llevaba consigo un utensilio mágico, llamado Paoa, para cavar, y cuando ella hendía la tierra, se abría un nuevo cráter volcánico. Trató de asentarse primero en la isla de Kauai (Figura 23), y allí cavó una profunda zanja. La tierra que extrajo formó la colina conocida como Puu-ka-Pele («colina de Pele»). (Puu-ka-Pele es el núcleo erosionado de un cono volcánico del que brotó parte de la lava de la serie de Waimea Canyon, las rocas que han formado las principales montañas volcánicas de Kauai.) Namakaokahai persiguió y atacó a Pele y la dejó creyéndola muerta, pero Pele se repuso y se trasladó a Oahu.
En Oahu cavó un foso de fuego en Moanalua, cerca de Honolulú, pero ese cráter se llenó de agua salada y se transformó en Keealipaakai, el Salt Lake (lago Salado); el material excavado formó la colina llamada el White Bird (Pájaro Blanco). (Keealipaaki y Keealiamanu son dos cráteres que se superponen con un tercero llamado Makalapa, constituyendo los Salt Lake Craters [cráteres del lago Salado], el centro más occidental de la actividad piroclástica[29] reciente en Oahu. El White Bird es el punto más alto del contorno superior del Keealiamanu.) No importa cuán profundamente Pele cavara en las montañas, ya que no encontró fuego, pero a lo largo de la costa tuvo más suerte. En Leahi, hoy conocido como Diamond Head (punta de Diamante), grandes cantidades de materiales brotaron de una erupción producida en !a fosa que ella había cavado, hasta que, finalmente, encontró el agua que apagó el fuego.
Diamond Head es un cráter extinguido que se formó hace unos ciento cincuenta mil años en lo que se conoce como una erupción freatomagnética, es decir, una en la que el agua se mezcla con el ardiente magma[30] que asciende. El agua del mar y la subterránea se vierten en la grieta por la que sube el magma, produciendo así violentas explosiones de vapor. El cono, constituido por capas blandas de cenizas volcánicas no consolidadas, lapilli[31], y finos fragmentos desmenuzados del arrecife de piedra caliza, penetra en el magma que se erosiona con suma rapidez por la corriente de agua y las olas marinas. En la actualidad, todo lo que queda de él es el mismo cráter y su contorno inmediato. El nombre de Diamond Head le fue dado por un marino inglés, porque debido a los cristales de calcita de la piedra caliza, ésta brilla sobre sus paredes como si fueran diamantes.
O sea que Pele pasó a la isla siguiente. Molokai. Allí cavó el cráter Kauhako (cuyas erupciones han formado la península de Kalaupapa. en la que se halla la famosa leprosería), pero, nuevamente, encontró agua y se desilusionó. Lo intentó en Maui, en cuya cima trató de crear el gran volcán Haleakala. Cuando Namakaokahai vio el humo que se elevaba de allí, supo que su hermana seguía viva. Lucharon de nuevo, y Pele fue otra vez derrotada. Sus huesos fueron esparcidos a lo largo de la costa, formando los islotes de lava conocidos como Kaiwi o Pele («Los huesos de Pele»), Namakaokahai se retiró alborozada por su victoria, pero, cuando miró hacia atrás sobre el mar, vio el invencible espíritu de Pele flotando entre nubes de humo y llamas sobre Mauna Loa, en la isla de Hawái (Ilustración 20). Comprendió entonces que nunca vencería a la diosa del fuego, de modo que, en lo sucesivo, la dejó en paz. Pele cavó su última zanja de fuego. Halemaumau, en el suelo de la caldera de Kilauea, y condujo a vivir con ella al resto de su numerosa familia. Allí moran aún.
Esta leyenda demuestra claramente que los Hawaianos son conscientes de que la actividad volcánica de las islas es, de una forma progresiva, más reciente desde el norte hacia el sur (véase figura 23). Un «sofisticado salvaje» inteligente no necesita una formal preparación geológica para deducirlo, lo logra observando el grado relativo de erosión de los distintos volcanes, la extensión en que ellos y sus erupciones se hallan cubiertos de vegetación, y la frescura relativa de sus lavas. Sólo hay cuatro volcanes activos, tres en la Gran Isla (Kilauea, Mauna Loa y Hualalai) y Haleakala en Maui. En la actualidad, sólo Mauna Loa y Kilauea se mantienen en plena actividad. Hualalai y Haleakala entraron en erupción en lejanísimos tiempos, Hualalai alrededor de 1800 y Haleakala en algún momento entre 1786 y 1793.
Kilauea ha sido mucho más espectacularmente activo que Mauna Loa, y su folklore refleja su historia geológica con bastante fidelidad. En el cuarto volumen de su Polynesian Researches (Investigaciones polinésicas), publicado en 1833, William Ellis, un misionero británico que entendía el lenguaje Hawáiano y que recopiló por primera vez muchas de las leyendas y tradiciones de esas regiones, describe con vivacidad el ardiente espectáculo de Halemaumau y, luego, prosigue:
«Los nativos se sientan y comentan durante la mayor parte de la noche las proezas de Pele, y observan con un supersticioso temor, que no nos sorprende, el deslumbrante fenómeno. Lo consideran la primera morada de sus deidades volcánicas. Los cráteres cónicos (no son en realidad cráteres, sino montículos formados por puentes de lava), dicen, eran sus casas (Ilustración 21), donde a menudo se entretenían jugando al konane (un juego parecido a las damas). El estrépito de los hornos y el chisporrotear de las llamas eran la música de sus bailes, y las ondas de rojas llamas, el oleaje en el cual se recreaban, retozando deportivamente en las olas de la marejada (Ilustración 22).
»Aprendimos que él (el volcán) ha ardido desde tiempos inmemoriales y que ha anegado alguna parte del territorio durante el reinado de cada rey que ha gobernado Hawái: que en la antigüedad acostumbraba bullir, desbordando sus orillas e inundando el suelo adyacente, y que, durante el reinado de los últimos reyes, se ha mantenido por debajo del nivel que pudiera inundar los alrededores, extendiendo constantemente su superficie y aumentando su profundidad, de vez en cuando, arrojando, con violentas explosiones, inmensas rocas o piedras al rojo vivo.
»No se ha producido, agregan, ninguna gran explosión desde los días de Keoua (véase capítulo II), pero muchos lugares que estaban junto al mar han sido inunda dos, por lo cual suponen que, en estas ocasiones. Pele ha ido por un camino subterráneo desde su casa en el cráter hasta la playa.»
¿Qué descripción más apropiada de una erupción por el flanco[32] podría haberse encontrado para expresar en sentido figurativo que «Pele fue por un camino subterráneo desde su casa en el cráter hasta la playa»?
La fosa de fuego de Pele, de Halemaumau, ha permanecido activa de modo constante desde la primera vez que los europeos visitaron Kilauea, en 1823, hasta 1924. Repetidamente brotó la lava y llenó la fosa, anegando e inundando a veces todo el suelo de la caldera. Una y otra vez la fosa recuperó su forma anterior, descendiendo su suelo hasta el espacio más bajo. Sin embargo, desde 1924, la superficie de lava del lago se ha revestido con una espesa capa de lava solidificada, de un color gris oscuro. Espectáculos como el presenciado por Ellis sólo cabe contemplarlos en erupciones específicas, cuando la superficie gris y dura se raja por fisuras que se producen a lo largo, y de las que brota lava incandescente, o se alzan fulgurantes chorros de fuego que llegan a alcanzar alturas de cientos de metros. Al entrar en contacto con el aire, se enfría, y la superficie brillante del lago de lava pronto se cubre de una película gris, si bien esta corteza recién formada se resquebraja cuando la masa derretida que hay debajo bulle y se agita. Durante un tiempo flotan planchas de corteza sobre el líquido resplandeciente, se ladean y, lentamente, se deslizan bajo la superficie. Es un espectáculo imposible de olvidar, aun cuando sólo se vea en películas, sin el acompañamiento del sonido estruendoso y los humos asfixiantes.
* * * *
Pele es una diosa temperamental que se encoleriza fácilmente, hasta el punto de enviar flujos de lava para destruir el objeto de su desagrado, destruyendo a menudo a gran cantidad de inocentes que sólo eran espectadores. Cuando ella sacude el suelo con ira, como lo hace con frecuencia para provocar una erupción, la tierra tiembla. (Las erupciones volcánicas, como regla general, van precedidas y acompañadas por leves movimientos de tierra.) Según una leyenda, la región de Kahuku, en la costa sudoeste de Hawái, hoy desolada, era verde y floreciente, con muchos árboles y flores, así como cultivos de caña de azúcar y taro que mantenían a varias poblaciones. Pele lo destruyó todo en un acceso de rencor. Se había enamorado de dos jóvenes jefes de esa región que sobresalían en los deportes, incluidas las carreras de holua[33]. Apareció en la forma de una hermosa princesa y se unió a los jefes y sus compañeros, compitiendo en este deporte en el que ella aventajaba con facilidad a todas las demás mujeres.

Figura 24. La «Gran Isla» del archipiélago de Hawái, indicando la situación de los lugares relacionados con varias leyendas sobre volcanes.
Transcurrieron días placenteros, pero los jóvenes comenzaron a sospechar cuál era la identidad de la extranjera, cuyos estados de ánimo cambiaban tan caprichosamente, y entonces trataron de evitarla. A medida que su renuencia a competir con ella aumentaba, también se incrementaba el fastidio de Pele, hasta que el suelo comenzó a calentarse y la hierba murió. Entonces, los jefes se asustaron y trataron de huir, pero Pele golpeó la tierra hasta que ésta tembló y brotaron ríos de lava que inundaron todo Kahuku. Cuando los jefes trataban de huir por el mar, Pele los encerró en un terrible abrazo y, después, les echó a un lado, uno después del otro, y la lava se extendió alrededor de sus cuerpos. Y allí se quedaron, como Na Puu a Pele («Las colinas de Pele»), dos montículos simétricos en la playa, rodeados por un mar de yerma lava.
Como hecho geológico. Na Puu a Pele son las formaciones más grandes de conos litorales a lo largo de la costa de Kahuku. Cuando la lava caliente entra en el mar, especialmente una corriente de aa, cuya superficie fragmentada permite que el agua penetre con facilidad hasta el centro ardiente de la corriente, se producen explosiones de vapor. Los conos litorales se forman cuando los fragmentos de lava triturados por las explosiones se acumulan sobre la superficie de la corriente. En verdad, el área de Kahuku es una de las partes más desoladas de Hawái: está cubierta por un desierto flujo de lava, el último de los cuales se produjo en 1907. Incluso los flujos prehistóricos están relativamente yermos, sin vegetación, debido a su situación con respecto a la gran masa montañosa de Mauna Loa y a causa de los vientos dominantes, que hacen que el área de Kahuku reciba nocas lluvias y que la que cae se escurra profundamente en la lava permeable. La leyenda de Na Puu a Pele no corresponde a los hechos geológicos por dos causas: la región de Kahuku nunca pudo ser verde y floreciente en el recuerdo de los Hawáianos, y las colinas mismas no están constituidas por lava, sino por montones de material fragmentado.
El cabo de Kumukahi debe su nombre a otro hermoso jefe que despertó el afecto de Pele y que sufrió un destino similar. La conoció primero disfrazada de bella y joven princesa, pero cometió el fatal error de ridiculizarla cuando se le apareció en forma de una anciana que solicitaba se le permitiera participar en los deportes con él y sus amigos. Inmediatamente, una fuente de fuego estalló. Kumukahi se dirigió hacia el mar, pero Pele lo alcanzó en la playa y amontonó lava sobre él mientras un flujo de lava se esparcía a su alrededor y formaba el cabo (En realidad, el cabo se ha constituido por repetidos flujos del East Rift [Grieta del Este] de Kilauea. En épocas tan recientes como 1960, se agregaron alrededor de doscientas hectáreas de tierra por el lado norte.)
Otro jefe, llamado Papalauahi, también provocó el desagrado de Pele cuando brilló más que ella en una carrera de holua. Esta vez, la lava apresó a algunos de los otros jefes que corrían con Papalauahi y transformó en pilares de piedra a un grupo de asustados espectadores. Los pilares de lava que figuran en esta leyenda son moldes con forma de árboles (Ilustración 24). Dichos moldes son cilindros huecos que llegan a tener hasta sesenta centímetros de diámetro, con paredes de dos a quince centímetros de espesor, que se alzan de tres a cuatro metros y medio sobre el suelo de lava. Cuando la lava fluye a través de un bosque, se enfría al entrar en contacto con un tronco de árbol y se solidifica formando una corteza alrededor del tronco. Cuando la lava se escurre, la corteza se mantiene erguida. Si el drenaje es rápido, como suele ocurrir en una pendiente pronunciada, los árboles carbonizados se preservan dentro del molde, pero si la lava forma un lago, y se detiene allí cierto tiempo, los árboles se queman totalmente, dejando sólo la huella de la madera carbonizada en la parte interior del molde.
Ya que Pele demostraba tal inclinación por los jóvenes y bellos príncipes, cabe pensar que cualquiera que reuniese tales características podría haber aprendido a ser amable con las extranjeras, jóvenes o ancianas. Pero, aparentemente, no fue así. Otro que se enredó en las iras de Pele, fue Kahawali, un jefe del distrito Puna que era un experto corredor de holua. Dedicaba, con su mejor amigo Ahua, muchas horas a deslizarse por la pendiente de una colina cerca de Kapoho. Un día, una mujer de vulgar aspecto les preguntó si podía probar su trineo. Él se negó con desprecio: ¡Algo que pertenecía a un jefe no podía ser utilizado por las gentes vulgares! Kahawali, echándose sobre su holua, descendió a toda velocidad por el flanco. En ese momento, los ojos de la mujer despidieron chispas mientras ella golpeaba el suelo con fuerza. La ladera se rasgó por un movimiento sísmico, la lava brotó a chorros y se desparramó en dirección de la holua y Pele, en su terrible forma supernatural, deslizó su trineo sobre una ola de fuego. Llamando a su amigo Ahua. Kahawali corrió hacia el mar. En la pequeña colina conocida como Puukea, arrojó su manto: en Kukii se topó con su madre, y, después, llegó hasta su casa. Su mujer le imploró: «Quédate y muramos juntos», pero él continuó corriendo, pasando junto a su hermana. Se encontró posteriormente con su cerdo, Aloipuaa, al que atropelló. Unos minutos más tarde, el cerdo quedó sumergido y se transformó en una gran piedra negra. Al llegar a la playa, Kahawali se adueñó de una canoa que su hermano menor había conseguido para tratar de salvar a su familia, y Kahawali y Ahua remaron velozmente mar adentro. Pele arrojó inmensas rocas contra sus siluetas que se alejaban, pero ninguna dio en el blanco. Se dice que estas rocas se ven aún bajo el agua...
Ellis, que fue el primero en registrar esta leyenda, describió el cráter que le indicaron como el lugar en que se produjeron las carreras de holua, como «un cráter negro y ceñudo, de unos treinta metros de altura, con un profundo boquete en su lado este, desde el cual podía trazarse con claridad el curso de la corriente de lava.» En otras palabras, un ejemplo típico de una brecha abierta en un cono por un flujo de lava. La colina que se conoce como Kaholua o Kahawali («Sitio de deslizamiento de Kahawali») en los mapas modernos topográficos, no corresponde a esta descripción, aunque esté en la posición correcta con respecto a los otros lugares mencionados. El Kaholua o Kahawali de hoy es sólo lo que resta de un antiguo cono de cenizas, la mayor parte del cual se ha extraído para construir caminos que atraviesen los campos de caña de azúcar que lo rodean. Una vegetación tropical corona lo que debió de ser su cima original, mientras que sus flancos, desnudos y acanalados, se destiñeron y adquirieron un color marrón rojizo. Cualquier evidencia de un flujo de lava que haya brotado de él, hace mucho tiempo que ha desaparecido bajo los campos de caña (porque los suelos productivos se desarrollan rápidamente en este lado de la isla, bien provisto de agua), o bajo las corrientes de lava de los años 1955 y 1960, que ahora cubren la mayor parte de la escena de las actividades de Kahawali. La roca de Aloipuaa, en el centro del canal de lava, y otras rocas esparcidas a lo largo de los bancos del canal, que se indicaban antes como personas y casas destruidas por Pele, también se hallan enterradas bajo dichos flujos. Sin embargo. Puukea aún está allí como el «Sitio de deslizamiento de Kahawali». Este cono tiene un pesado manto de vegetación excepto en un lado en el que las cenizas fueron excavadas para construir un camino. Puukea es un cono joven (pero prehistórico) que está en el flanco del cráter más antiguo y mayor, Kapoho, y que debe de ser de la misma época de la erupción que engendró la leyenda de Kahawali, en cuyo caso quizá fue el origen de las rocas (probablemente bombas volcánicas) que se supone que Pele arrojó a los ofensores que huían. Kukii es el sitio de un heiau o lugar sagrado de otro pequeño cono cubierto de hierbas. Puu Kukau, hoy rodeado por la lava del flujo de 1960, que extendió el cabo Kumakahi hacia el mar.
Seguramente, Ellis estaba en lo cierto cuando dedujo que esta leyenda se basaba, probablemente, en algunas «súbitas e inesperadas erupciones de un volcán mientras un jefe y su pueblo jugaban al holua», porque han brotado varias erupciones en los flancos de esta región. Como se dijo al comienzo del presente capítulo, la lava de la erupción de 1955 amenazó, pero no llegó, a la villa de Kapoho, pero la erupción de 1960 la destruyó por completo. En 1960. la destrucción de este pueblo fue ampliamente recogida por los medios de comunicación. Acontecimientos similares, en los tiempos prehistóricos, nos legan las leyendas de Kahawali. Papalauahi y Kumukahi, pertenecientes, todas ellas, a una región situada a lo largo del Kilauea East Rift. Como misionero, Ellis se sintió desalentado por el carácter de los Hawáianos y por lo que de él se revelaba en estos relatos. «La ausencia de afecto hacia sus familiares demostrada por Kahavari (Kahawali), quien, a pesar de que su mujer se lo suplica, la abandona, y así también a sus hijos, madre y hermana, a una destrucción segura, no despierta la reprobación, ni tampoco se censura que se apropie de la canoa de su hermano, que deseaba salvar a su familia, mientras se aplaude, en términos tan poco delicados que es preferible no recordarlos, su destreza para evitar la terrible calamidad de la que él es el único causante.» Esta misma ética, tan distinta a la judeo-cristiana, se evidencia en las tradiciones polinesias sobre inundaciones, como veremos en el séptimo capítulo.
Durante un tiempo. Pele estuvo casada con el semidiós Kamapuaa, que era un kupua, es decir, un ser que podía mostrarse en forma humana o animal. Generalmente, era un atractivo ser humano, pero, en su apariencia brutal, tomaba la forma de un cerdo. En aquel tiempo. Hawái estuvo dividida entre Pele y Kamapuaa, perteneciendo a ella los distritos de Puna. Kau y Kona (véase Figura 24), donde existe más cantidad de rocas de lava (los citados son los distritos donde se han producido las actividades volcánicas más recientes), y a él los distritos de Kohala. Hamakua e Hilo, donde no hay lava fresca. El matrimonio entre estos dos decididos individuos fue tormentoso y de corta duración. Reñían a menudo. En poderosas batallas de los elementos, los movimientos sísmicos y el fuego se enfrentaban con las inundaciones provenientes del mar y de los cielos (sobre los cuales Kamapuaa tenía alguna influencia). Finalmente, Kamapuaa tuvo que marcharse del Pit de Pele perseguido por una corriente de lava. La lava se extendió hasta el mar, rodeó a Kamapuaa y cortó la retirada por tierra. Al mismo tiempo calentó el agua a punto de ebullición para así evitar también su huida por el mar. Pero Kamapuaa se transformó en un pez cubierto de una piel muy dura, por lo que pudo nadar bajo el agua, excesivamente caliente. y salvarse. De ahí que los Hawáianos cuenten con un pez, que se llama humuhumu-nukunuku-a-puaa, de forma angular, piel muy dura y que emite un gruñido (del que deriva su nombre, que significa «cerdo angular que gruñe»). Desde entonces hasta ahora, se ha considerado que la ofrenda más agradable para Pele es un cerdo.
* * * *
Cada nueva erupción Hawáiana origina nuevos relatos sobre Pele. El doctor Gordon Macdonald. vulcanòlogo de la Universidad de Hawái, transcribe una divertida historia. Estas son sus palabras:
«Se cuenta que un hombre de Kohala, lugar que se encuentra en el extremo norte de la isla de Hawái, se hallaba sentado, cerca del borde de un flujo de lava de 1926, observando el movimiento y bebiendo de una botella de (entonces ilegal) ginebra Uno de sus amigos le dijo: “¿No sabes que trae mala suerte beber eso sin darle algo a Pele?" Le preocupó la pregunta, de modo que. después de beber otro trago, le puso el corcho a la botella, la levantó y advirtió con pena que aún quedaba la mitad Después, la tiró al río de lava y exclamó: "¡Esto es para ti, Pele!" La botella desapareció, pero después de unos 30 segundos volvió a la superficie y se posó sobre la hierba, a sus pies. Cogió la botella y observó que todavía quedaba un cuarto de su contenido. Desgraciadamente, ¡no se sabe qué ocurrió con el resto de la ginebra!»
Pele ha dado su nombre a dos características vulcanológicas relacionadas con las lavas basálticas. Las burbujas de gas que estallan en un orificio activo, las pequeñas burbujas que se forman sobre la superficie hirviente de un lago o río de lava, y que cuando se alzan sobre una poderosa corriente térmica ascendente (como en un cañón de chimenea) se enfrían y se convierten en glóbulos vidriosos negro-verdosos o marrón-negruzco, se conocen como Peles tears (Lágrimas de Pele). En la mayoría de los casos, una «lágrima» arrastra un hilo de cristal. Estos hilos se rompen con mucha facilidad y se arrastran entre sí formando masas de Peles hair (Cabello de Pele). Dichos cabellos también surgen de las fuentes de lava, de un modo similar a como se fabrica el material aislante que se conoce como lana de roca o lana mineral, que se forma inyectando un chorro de vapor en roca fundida, que es exactamente lo que la naturaleza hace en una fuente de fuego. Una hebra del cabello de Pele es la más pequeña de las bombas volcánicas. Los términos Cabellos de Pele y Lágrimas de Pele se han adoptado en el vocabulario técnico de vulcanología. La ilustración 25 muestra estos dos tipos de elementos del Kilauea.
* * * *
Nueva Zelanda se vanagloria de tener varios volcanes activos y de ser una de las grandes áreas termales del mundo, el rival más próximo al Yellowstone National Park en características como manantiales cálidos, géiseres, lagos y piscinas de agua hirviente, fumarolas y otras manifestaciones del calor subterráneo relacionado con las fases muertas del vulcanismo. Los maoríes, que vivían allí cuando los ingleses llegaron a explorar y colonizar, son pueblos polinesios como los Hawáianos. Fatalmente, el folklore de los maoríes es rico en leyendas sobre volcanes. Uno de los relatos más conocidos es una variación del tema del eterno triángulo. Los volcanes Taranaki, Ruapehu y Tongariro (luego conocido como Ngauruhoe. véase Figura 2) eran gigantes que antes vivían en la misma región. Taranaki y Ruapehu se enamoraron de Tongariro, pero ella no pudo decidir a cuál de los dos prefería. Finalmente, acordaron luchar por su amor. Taranaki se separó de la tierra y se lanzó sobre Ruapehu, tratando de destruirlo, pero Ruapehu reaccionó calentando, hasta que hirvieron, las aguas del lago de su cráter y pulverizándolas sobre Taranaki y el campo que lo rodeaba. Taranaki, encolerizado y dolorido, arrojó una lluvia de piedras que destrozaron la parte superior del cono de Ruapehu, destruyendo así su atractivo aspecto. Ruapehu se tragó el cono quebrado, lo fundió y lo escupió sobre
Taranaki, que se vio forzado a dirigirse al mar para aliviar sus quemaduras. El recorrido que realizó hasta llegar al mar constituye el valle de Wanganui River. Se replegó sobre la costa hasta su situación actual en la provincia que lleva su nombre, donde se yergue preparando su venganza. Los supersticiosos maoríes no quieren vivir ni ser enterrados en ningún lugar que esté sobre la línea que va de Taranaki a los otros dos picos, porque creen que algún día él volverá.
Taranaki, hoy conocido como monte Egmont, que se eleva majestuosamente desde el nivel del mar hasta una altura de más de dos mil cuatrocientos metros, es un cono simétrico cubierto de nieve que. a menudo, es comparado con el Fujiyama de Japón. Los vientos que circulan frente al Tasman Sea se ven forzados a elevarse sobre el pico y, al enfriarse en las alturas, precipitan su humedad, por lo que la provincia de Taranaki es rica en verdes pastos que alimentan la cabaña de la mayor parte de la industria lechera de Nueva Zelanda. Tan bien cumple la montaña su función de «fabricante» de lluvias, que su hermosa cabeza se oculta, habitualmente, tras las nubes. No existe ningún registro histórico de una erupción del Egmont, pero una de sus capas más frescas de lava ha sido sometida a la prueba de radiocarbono, comprobándose que es de hace unos trescientos años. Por tanto. Taranaki puede estar realmente «meditando». (Hace unos quince años, se escucharon ruidos de explosiones en las vecindades del pico, que no se han explicado, lo que produjo una gran inquietud entre los residentes locales que temían que el volcán pudiera estar despertando. No obstante, una investigación oficial llegó a la conclusión que se trataba sólo del sonido provocado por las explosiones en canteras situadas a cierta distancia y que se reflejaban en el suelo bajo ciertas condiciones atmosféricas.)
El detalle sobre la rotura del cono de Ruapehu sugiere que la leyenda puede tener su fundamento en alguna erupción real de ese volcán —es posible que, aproximadamente, al mismo tiempo que una de Taranaki— que fue presenciada por los maoríes antes de la llegada de los pakeha (hombre blanco). Los cambios de forma en las cumbres de los volcanes son un resultado de las erupciones: la parte superior, o se expulsa o cae dentro del cráter, o en algunos casos, se eleva aún más. La leyenda insinúa que en este caso se debe de haber producido una caída. Ruapehu y Ngauruhoe aún permanecen activos. La región en que se hallan, no lejos del lago Taupo, ha sido separada, como el Tongariro National Park (Parque Nacional de Tongariro). Durante mucho tiempo, una erupción del Ngauruhoe se consideraba una orden para las belicosas tribus del área de Taupo a fin de que luchasen contra otras.
Los maoríes poseen un mito que explica cómo llegó el fuego a los volcanes y a las áreas termales de Nueva Zelanda. Ngatoro era un poderoso tohunga, un hombre de las medicinas, un líder del primer grupo de personas que llegó en canoa desde «Hawáiki». Un día, Ngatoro subió al Tongariro llevando consigo a su esclava favorita. Auruhoe. Advirtió a su pueblo que ayunara hasta su regreso para proporcionarles fuerza contra el frío reinante en aquellas grandes alturas. Al no regresar en la fecha prevista, lo dieron por muerto y rompieron su ayuno. Inmediatamente. Ngatoro y Auruhoe, que estaban en la cima de la montaña, sintieron un intenso frío y ambos hubieran muerto si no fuese porque el tohunga imploró a sus hermanas, que estaban en Hawái, que le enviaran fuego para calentarlo. Las hermanas, poderosas hechiceras, llamaron a los demonios del fuego, los cuales comenzaron inmediatamente a nadar bajo el agua hacia Nueva Zelanda. En la isla White (isla Blanca) (Ilustración 26) emergieron para respirar, y la tierra estalló allí en llamas que aún perduran. (La isla White es un volcán en la bahía de Plenty. La mayor parte de su actividad conocida ha sido del tipo llamado solfatárico, expulsando vapor y exhalaciones sulfurosas por varios orificios. De vez en cuando, se han producido suaves erupciones de carácter explosivo intermitente. La más reciente se prolongó desde noviembre de 1966 a abril de 1969.) Al llegar a tierra firme, los demonios continuaron viajando bajo el suelo hacia Ngatoro. y cada vez que salían a la superficie dejaban un área termal. En la cúspide de Tongariro, irrumpieron. El calor reavivó a Ngatoro, pero Auruhoe había muerto. Ngatoro lanzó su cuerpo al cráter. Desde entonces, la montaña se conoce con el nombre de Ngauruhoe. (El nombre de Tongariro se le da hoy a un volcán más pequeño, aparentemente extinguido, adyacente a Ngauruhoe.)
* * * *
El tema del triángulo amoroso aparece también relacionado con tres volcanes antiguos de Nueva Zelanda. Kakepuku y Kawa son dos colinas basálticas en el llano de Waipa, a unos treinta kilómetros al sur de Hamilton (véase Figura 2). La leyenda dice que Kakepuku se enamoró de Kawa, pero debía vencer a varios rivales para obtenerla. Uno de los más perseverantes era otra colina volcánica llamada Karewa. Este luchó muy bien, pero, finalmente, fue obligado a retroceder hasta el mar, donde se transformó en lo que hoy es la isla Gannet. A veces, una corriente de bruma es arrastrada flotando a tierra firme desde Karewa hasta Kawa.
Kakepuku y Kawa son conos volcánicos desgastados que se encuentran sobre una fisura sobre la cual también están dos grandes masas volcánicas. Pirongia y Kariori. La isla Gannet es pequeña y se halla a unos veinte kilómetros al oeste de la costa y aproximadamente en la misma latitud que Kakepuku y Kawa. No se encuentra en la misma fisura, pero ha sido registrada en los mapas como perteneciente a la misma formación volcánica. Todos están extinguidos desde hace tiempo. (En una leyenda alternativa de la misma región, Kakepuku es femenina y es la mujer de Pirongia.)
* * * *
En 1886, los picos del norte y el centro del Mount Tarawera, en el centro de la región termal de Nueva Zelanda, entraron en inesperada y violenta erupción que enterró a tres pueblos maoríes en una lluvia de cieno, piedras y cenizas ardientes. Murieron más de cien personas. Este desastre se interpretó como un castigo a causa de alguna transgresión y dio origen, al menos, a dos leyendas. Una de ellas culpa de la erupción a la gente del pueblo de Te Ariki, que, por haber comido miel salvaje, lo que estaba prohibido, había quebrantado un tabú de la montaña sagrada. Los que comieron de esa miel, murieron, mientras que otra tribu que habitaba una población cercana y que no había participado en el hecho, fue perdonada. El otro relato es algo más complejo. Tamaohoi era un demonio que se comía a los hombres y que vivía en las laderas de Mount Tarawera. Ngatoro le aprisionó en la montaña, y allí durmió durante siglos. Uno de sus descendientes, un tohunga llamado Tuhoto, lamentando la degradación moral de su pueblo bajo la influencia del hombre blanco, invocó al demonio para que lo castigara. Tamaohoi salió de su prisión y aniquiló a los pecadores. Este es un excelente ejemplo moderno de evemerismo: un tohunga llamado Tuhoto, de cien años de edad, tenía un antepasado llamado Tamaohoi, y fue desenterrado vivo bajo los escombros de su choza cuatro días después de la erupción del Tarawera y, a continuación, vivió otros cuatro días más.
De México nos llega una historia más amable de amantes volcanes, y en la que ningún rival complica el suave curso del verdadero amor, como sucedía con Ruapehu y Tongariro. o con Kawa y Kakepuku. Los aztecas creían que los dos magníficos picos volcánicos que forman el marco sudeste del valle de México. Popocatepetl (la Montaña que fuma) e Ixtaccihuatl (la Dama blanca), eran amantes que no soportaban la posibilidad de no verse. La silueta de Ixtaccihuatl parece, sin duda, el contorno de una mujer reclinada.
* * * *
Los indios Klamath, del noroeste de Estados Unidos, tienen una leyenda sobre volcanes en conflicto. Llao, jefe del Mundo Subterráneo, y Skell, jefe del Mundo en lo Alto, lucharon por sus respectivas posiciones en el monte Mazama, en Oregón, y monte Shasta, en California, dos picos que estaban a unos ciento sesenta kilómetros de distancia. Se arrojaron rocas y llamas uno a otro mientras las tinieblas cubrían la tierra que los rodeaba. La contienda acabó cuando el monte Mazama cayó sobre Llao, precipitándolo a su mundo subterráneo, donde permanece desde entonces. En el lugar en que se produjo el hecho quedó un gran boquete que llenó de agua para formar un lago, el llamado lago del Cráter. Lo interesante de esta leyenda estriba en que, despojada de sus elementos supernaturales, describe con bastante precisión cómo se formó el citado lago. El monte Mazama produjo una erupción de gran violencia y se derrumbó hace más de 6.500 años, dejando una depresión que hoy ocupa el lago (Ilustración 27).
El lago del Cráter (Cráter Lake) constituye un clásico ejemplo de lo que los vulcanólogos denominan una caldera[34], es decir, una gran depresión, más o menos circular, que se forma cuando un volcán se derrumba en el vacío que se crea debajo, después de una erupción (o una separación) de grandes cantidades de material. En la erupción del monte Mazama, la campiña quedó cubierta por varias toneladas de cenizas volcánicas. En el punto álgido de la actividad, el día, a causa de la densa nube constituida por la erupción, debió de parecer la noche. En ese momento, los Klamaths debían de estar viviendo en la región, ya que se encontraron sandalias y otros objetos enterrados en las cenizas. Inmediatamente, surge una pregunta: si la destrucción del monte Mazama se recuerda en una leyenda, ¿no se habrá producido una erupción del monte Shasta aproximadamente en la misma época (en la misma generación, digamos) que haya motivado que los dos volcanes se asociaran en tal leyenda?
El monte Shasta estaba formado principalmente por lavas, pero la última erupción del cono de su cima produjo sólo deyecciones piroclásticas, sobre todo piedra pómez, que sólo aparece en actividades altamente explosivas. Las erupciones siguientes (de cráteres satélites o de fisuras en sus flancos) han sido fundamentalmente flujos de lava, el último de los cuales puede ser de sólo hace unos doscientos años. O sea que, por lo que sabemos, pudo haberse producido una erupción bastante violenta del Shasta alrededor de la época en que se produjo la del lago del Cráter. Sin embargo, desgraciadamente, no se han datado los últimos productos del Shasta.
Los indios Modoc, de la parte sur de Oregón y norte de California, parecen recordar los días de actividad del Shasta. Ellos lo cuentan de este modo: el jefe de los Espíritus del Cielo encontró que hacía mucho frío en el Mundo en lo Alto, por lo que efectuó un agujero en el cielo con una piedra que hizo girar, y por ese orificio arrojó hielo y nieve a fin de formar un montón que casi tocaba al cielo. Bajó a la Tierra después y, tras crear los árboles, los ríos, los animales, los peces y los pájaros, condujo a su familia con él, para vivir en las montañas. Desde el orificio de la parte alta de su vivienda brotaban chispas y humo que el fuego de su hogar despedía. Cuando agregó un gran leño al fuego, las chispas ascendieron a mayor altura, y la tierra tembló. Finalmente, dejó el fuego y volvió a vivir en el cielo.
Aunque no existen registros históricos de la actividad del monte Hood (véase Figura 11), la evidencia geológica indica que debe de haberse producido una erupción hace apenas un siglo. Un relato indio de esta región se refiere a una actividad, y resalta la conciencia de que su fuego pueda no estar extinguido totalmente. Se dice que la montaña era la morada de espíritus malignos que, cuando se enfadaban, arrojaban fuego, humo y corrientes de roca líquida. En aquellos tiempos, los indios eran todos altos como los pinos, y su jefe era el más valiente, el más fuerte y el más alto de todos. Una noche, se le advirtió en un sueño que, si no dominaba a los espíritus malignos, éstos inundarían la tierra con fuego. De modo que subió a la cima de la montaña, en donde encontró un orificio que conducía al hogar de los espíritus. Arrojó rocas por ese agujero, pero los espíritus las calentaron al rojo vivo y, entonces, devolvieron. Durante varios días la batalla se tornó cada vez más violenta, hasta que el jefe hizo una pausa para tomar aliento y observó que, a pesar de sus desesperados esfuerzos, el valle que antes fuera verde y hermoso había quedado ennegrecido y arruinado. El jefe, entristecido, se hundió en la tierra y fue enterrado por una corriente de roca hirviendo. Cuando el suelo se enfrió y la hierba volvió a crecer, regresaron los que se habían refugiado en las cumbres montañosas distantes, pero sus hijos, tras el hambre pasada durante tanto tiempo, ya no eran altos y fuertes como lo fueron sus antepasados. Así, hasta que no aparezca otro jefe capaz de conquistar los demonios del fuego, la gente permanecerá empequeñecida y débil. Se dice que, a veces, el rostro del jefe puede verse, como un contorno impreciso, en la mitad de la montaña, en el lado norte.
* * * *
En una leyenda Nisqually, el monte Rainier se trasladó al lado este de Puget Sound para escapar de! apiñamiento cuando todas las montañas de la península Olympic (véase Figura 11) crecieron demasiado aprisa. En su nueva localización se transformó en un monstruo que succionaba a cualquier criatura que se le aproximaba demasiado. Finalmente, llegó el Changer en forma de zorro, y lo desafió a que se lo tragara. Como se había atado a las montañas cercanas con cuerdas muy fuertes, el monstruo succionó y succionó en vano, hasta que se le reventó una arteria y murió. El monte Rainier no ha producido recientemente flujos de lava como para que evoquen ríos de sangre descendiendo de las montañas, pero, una vez, un flujo de cieno volcánico recorrió unos setenta kilómetros por el valle del río White hasta las tierras bajas que están al oeste de Tacoma, y allí se esparció formando un lóbulo de unos treinta kilómetros de longitud y de cinco a quince de anchura. Los troncos hallados en este fango se han datado como pertenecientes a menos de cinco mil años. De modo que es posible que los «ríos de sangre» sean el recuerdo de este acontecimiento.
* * * *
Ninguna tierra tiene un origen más volcánico que Islandia, y pocos países han presenciado más actividad volcánica en los tiempos históricos. De ahí que resulte sorprendente que los islandeses otorguen tan poco significado supernatural a las frecuentes erupciones. Por supuesto, la Islandia pre-cristiana creía en el panteón nórdico. Los Eddas hablan de un gigante llamado Surtur, guardián de Muspell, un mundo de llamas que está ubicado en algún lugar del sur. Un día, Surtur destruirá el mundo con el fuego, construyendo otro, más feliz, que saldrá del mar. Pero, en general, los islandeses han aceptado sus volcanes como una parte natural de su existencia y temen las noticias de una erupción sólo por la destrucción que podría ocasionar a las granjas y al ganado.
¡Pero no pensaba igual el resto del mundo! En la Edad Media, se creía que Hekla era la entrada principal al infierno. Hekla es el volcán más temible de Islandia, porque, debido a su situación, amenaza a más distritos habitados que ningún otro. Dormido durante siglos, produjo, en 1104, una erupción que es la primera que recuerdan los hombres, y, desde entonces, se han producido otras trece más. La mención más antigua de Hekla, de alrededor de 1180, es del capellán Herbert., del monasterio cisterciense de Clairvaux:
«El renombrado calderón de Sicilia (Etna), que los hombres llaman la Chimenea del Infierno... se dice que es como un pequeño horno comparado con este enorme infierno... ¿Quién puede ser tan recalcitrante y descreído como para no creer en la existencia de un fuego eterno donde las almas sufren, cuando con sus propios ojos puede ver el fuego del que he hablado...?»
Casi cuatrocientos años después. Caspar Peucer escribió:
«Desde el fondo del abismo de Heklafell, o mejor desde el infierno mismo, se elevan los gritos melancólicos y los fuertes lamentos, que pueden oírse desde varios kilómetros a la redonda. Los cuervos y los buitres, negros como el carbón, revolotean por allí... Es la Puerta del Infierno (y), en cualquier parte que se libre una batalla, o haya una matanza sangrienta en el globo, se escucharán en la montaña aullidos, terribles llantos y crujir de dientes.»
S. Thorarinsson, que cita estas palabras en su libro Hekla on Fire (Hekla incendiado), agrega que rastros de esta superstición persistían todavía en el siglo XIX y que, incluso en nuestros días, un sueco que desea mandaros al diablo, os dirá «go to Mount Hekla» (vete al monte Hekla). En los anales medievales de Islandia, sólo hay dos referencias a lo supernatural en relación con Hekla. En el informe de la erupción de 1341, en el Flatey Book, se relata que la gente vio algo que parecían pájaros, y que creyeron que eran almas que volaban en el fuego y proferían fuertes gritos. En los Annals of the Bishops (Anales de los obispos) se dice que, durante la erupción de 1510, el pueblo percibió ciertos indicios de que el rey Hans de Dinamarca había llegado a Hekla después de su muerte. Sobre esto. Thorarinsson hace la siguiente observación:
«Debo señalar que a los que durante la reciente erupción de Hekla tuvieron la oportunidad de estar de pie durante horas cerca del cráter, y vieron fragmentos de formas fantásticas de lava negra que eran arrojados desde las columnas de humo con sonidos espantosos y sibilantes, no les parecerá extraño que nuestros antepasados los consideraran pájaros monstruosos o las almas de los condenados... (Ilustración 28). En cuanto a la segunda parte, el rey Hans no murió, en realidad, hasta dos años después de la erupción de 1510, por lo que el informe debe de significar más bien la transcripción de un deseo que una simple superstición.»
Un antiguo relato de uno de los monjes irlandeses que vagabundeaban por el norte del Atlántico en sus botes de piel, describe lo que, indudablemente, era una erupción islandesa, en los términos siguientes:
«...Llegaron cerca de una isla, que era áspera y rocosa, cubierta de escoria, sin hierbas ni árboles, pero llena de forjas de herrero... Escucharon el ruido de truenos debajo de la tierra... Un poco después llegó uno de los habitantes, hirsuto y espantoso, tiznado de fuego y humo. Cuando vio a los servidores de Cristo cerca de la isla, retrocedió hasta la fragua, gritando con fuerza: "¡Ay de mí! ¡Ay de mí! ¡Ay de mí!" San Brendan se armó de nuevo con el signo de la cruz y les dijo a sus hermanos: "Izad más vela y moved los remos con más energía para que podamos alejamos de esta isla." Al oír esto, el salvaje corrió otra vez a la playa, sosteniendo en sus manos un par de tenazas en las que llevaba una masa de escoria ardiendo, de gran tamaño e intenso calor, que, en seguida, arrojó a los servidores de Cristo... Esto pasó a unos doscientos metros de distancia y, cuando cayó en el mar, exhaló vaho como si se tratara de un montón de carbón ardiendo y arrojó tanto humo como si fuese un horno ígneo... Todos ios habitantes de la isla se apiñaron en la playa, llevando cada uno de ellos una gran cantidad de escoria encendida que arrojaban, uno después de otro, a los siervos de Dios: luego, volvían a sus fraguas, en las que soplaban para avivar las llamas, de modo que toda la isla parecía un globo de fuego, y el mar, alrededor, hervía y producía una espuma como si se hubiera puesto un caldero a un fuego bien alimentado. Durante todo el día, los hermanos escucharon los fuertes lamentos de los habitantes, aun cuando ya hacía mucho que no los veían, pero el hedor perduró durante mucho tiempo.»
En esta descripción se capta vivamente el aspecto, los sonidos y el hedor de una erupción, hasta el silbido de las bombas volcánicas al rojo vivo cuando caen en el mar. Pero, por lo visto, una erupción no entraba entre las experiencias de San Brendan y su tripulación, y de ahí que imaginasen unos habitantes salvajes y sus fraguas para explicar el fenómeno que habían presenciado.
* * * *
Islandia no puede ser superada como región de contrastes. Los folletos turísticos no exageran cuando la describen como la «tierra de fuego y hielo». Con esta expresión no quieren significar que se trate simplemente de volcanes con cimas heladas: cualquier pico que sea lo suficientemente alto puede estar cubierto de nieve durante todo el año, aunque se encuentre en el ecuador. Tampoco se trata de que aquí haya volcanes, allí glaciares. Existen los volcanes activos y sus erupciones se producen bajo las capas de nieve. La blancura de nieve del glaciar conocido como Höfdabrekkujókull, un orificio de salida de la cumbre de hielo del Myrdalsjökull (véase Figura 3), oculta uno de los volcanes activos más destructivos de Islandia, el Katla. Hay una terrible leyenda que cuenta de dónde toma su nombre este volcán, pero, para apreciarla, debe explicarse primero cómo es su medio geológico.
En el caso de los volcanes subglaciales, como Katla, existe, además del peligro habitual de que una buena granja sea enterrada bajo lava o cenizas, la posibilidad potencial, aún más desastrosa, de un jökulhlaup, o explosión de un glaciar. Continuamente se funden grandes cantidades de hielo, debido al calor que producen las solfa- taras y las fumarolas de los campos subglaciales volcánicos y las ocasionales erupciones; esta agua se acumula bajo el hielo hasta que la presión es tan grande que estalla en un repentina torrente de increíbles proporciones. Las explosiones glaciares del Katla (Kötluhloups) duran, generalmente, menos de un día, pero pueden transportar enormes cantidades de deyecciones y hielo que, a lo largo de las centurias, han hecho avanzar la línea de la costa internándose en el mar a gran velocidad. Por ejemplo, antes de 1170, Hjorleifshöfdi (véase Figura 3) era un promontorio que se proyectaba sobre el mar, con una bahía baja que estaba al oeste; en la actualidad está a tres kilómetros de la costa. Los depósitos fluvio-glaciares que forman llanuras de sedimentación producidas por éste y otros casos de explosiones glaciares, y que se extienden con tanta rapidez hacia el mar, se denominan sanders o sandur.
Una de estas explosiones del Katla figura en el relato de cómo este volcán adquirió su nombre: En Thykkvabaejarklaustur había un monasterio benedictino, fundado en 1186. El abad tenía un ama de llaves que se llamaba Katla, a quien todos temían, incluido el mismo abad, porque no sólo mostraba muy mal genio sino que también practicaba la hechicería. Nadie la temía más que Bardi, el joven pastor encargado del rebaño del monasterio. Si se perdía una oveja. Katla maltrataba sin piedad al muchacho. Un otoño, el abad y Katla se marcharon porque debían asistir a una ceremonia en otro distrito. Ella le dijo a Bardi que reuniese todas las ovejas antes de que ellos regresaran, «de lo contrario...». Cuando el momento de su retomo se acercaba, algunas ovejas no estaban todavía allí y Bardi, desesperado, se apropió de los pantalones mágicos de Katla, que poseían la virtud de que quien los usaba podía correr todo el día sin cansarse. Con esta ayuda. Bardi logró pronto reunir el resto del rebaño. Katla no le permitía a nadie usar sus pantalones, por lo que él trató de dejarlos exactamente como los había encontrado. Pero ella notó en seguida que habían sido utilizados y, furiosa, ahogó al muchacho en un tonel de skyr (un producto lácteo, exclusivo de Islandia. que es muy semejante al yogur). Nadie podía imaginarse qué le había pasado al chico, aun cuando, a medida que avanzaba el invierno y descendía el nivel del skyr en la cuba, se oía a Katla murmurar: «Pronto aparecerá Bardi.» Cuando se hizo evidente que su crimen no podría permanecer oculto, Katla se puso sus pantalones mágicos y se dirigió hacia el glaciar, y nunca más se la volvió a ver. Se murmuró que había saltado dentro de una profunda fisura, y todos estuvieron seguros de esto cuando, un poco después, el glaciar explotó con estrépito hacia el distrito en que estaba el monasterio. El hecho se atribuyó a la brujería de Katla. La fisura en que se suponía que había saltado se llamó «Katla's cleft» (grieta de Katla): el área cubierta por las deyecciones de la explosión del glaciar, se llamó «Katla's sandur» (Sandur de Katla); y al volcán que ahora sabemos fue responsable de la inundación —y también para el folklore— se le dio el nombre de la presencia demoníaca que se creía oculta bajo el hielo (Ilustración 29).
* * * *
El volcán Huzi, de Japón, mejor conocido por nosotros como monte Fuji o Fujiyama, es considerado el pico más hermoso del mundo (Ilustración 30). Acaso su nombre se derive de Fuchi (o Huchi), la diosa de fuego de Ainu. Esta montaña sagrada es un cono perfectamente simétrico, de un poco menos de 3.700 metros de altitud, y es la más alta de Japón. Su última erupción fue en 1707. Según una leyenda que me contara el principal vulcanòlogo de Japón, Hisashi Kuno, ya fallecido, la montaña se formó del modo siguiente: «Un gigante decidió un día llenar el océano Pacífico. Trabajó toda una noche, levantando progresivamente grandes cantidades de tierra (¿de algún lugar como Siberia?) y descargándolas en el mar. Cuando amaneció, se disgustó al ver lo insignificantemente que había progresado y abandonó su proyecto: vació el último montón... y esto es Fuji-san.»
Otra versión de su origen es completamente distinta, pero en ésta también se dice que la montaña se formó durante una noche. Hace muchos años, vivía en el llano de Suruga un pobre guardabosques, llamado Visu. Una noche, cuando estaba a punto de dormirse, oyó un terrible retumbar en la tierra y, temiendo un terremoto, cogió a sus hijos más pequeños y salió corriendo de su choza. ¡Qué panorama se ofrecía ante sus ojos! En lo que hasta entonces había sido un llano vacío, se elevaba ahora una soberbia montaña de cuya cumbre brotaban llamas y nubes de humo. La mañana siguiente, bañada por el sol, el pico brillaba como un ópalo. Muy impresionado, Visu lo llamó Fujiyama, la montaña Eterna. Un día en que Visu estaba sentado, disfrutando de la belleza de Fuji (que era todo lo que hacía esos días, provocando la angustia de su mujer y de su familia), pensó que sería agradable que el pico pudiera verse a sí mismo en todo su esplendor. Acababa de imaginar esto cuando un gran lago, con la forma de un laúd japonés, biwa, apareció de pronto al pie de la montaña. Y así es como se produjo el lago Biwa. En realidad, el lago Biwa está a unos doscientos veinte kilómetros del Fuji, y otra leyenda afirma que dicho lago se formó al mismo tiempo que el Fuji surgía de la tierra. Se ha insinuado que esta parte de la leyenda de Visu es una reminiscencia de alguna erupción anterior que fue el origen de numerosos pequeños lagos al pie de la montaña, y no de un solo lago como el Biwa. Los lagos se producen durante las erupciones volcánicas cuando la lava obstruye los cursos de agua.
* * * *
Dos leyendas que se refieren a dos volcanes javaneses tienen el mismo tema, es decir, exigir una tarea imposible para evitar una boda imposible. Tangkuban Prahu (el «Prao volcado») es un volcán activo que domina la llanura de Bandung desde el norte. He aquí su historia: Sangkuriang, el hijo de un rey, era un niño revoltoso. Un día exasperó tanto a su madre que ésta perdió la paciencia y le golpeó en la cabeza, produciéndole una seria herida. El rey, que idolatraba a su hijo, se enfureció tanto que repudió a la reina y la desterró a un lugar alejado del país. El tiempo pasó, y Sangkuriang creció hasta convertirse en un hermoso joven. Cuando llegó a ser mayor de edad, su padre le permitió viajar a todo lo largo y ancho de Java. En la llanura de Bandung encontró a una hermosa mujer de la que inmediatamente se enamoró. Ella correspondió a su amor y aceptó su propuesta de matrimonio. Un día, mientras acariciaba la cabeza de su amado, percibió la herida y, con horror, se dio cuenta de que era su propio hijo. Debía evitarse la boda a cualquier precio, pero no se atrevía a confesarle la verdad. El día de la boda se acercaba, pero ella no conseguía resolver el dilema. Por fin, un día antes de la boda, pidió a Sangkuriang que le probara su cariño construyendo un hermoso prao, en el que se celebraría la boda con una gran fiesta, y así también un lago en el cual la nave pudiera navegar. Sangkuriang oró a los espíritus benéficos, los dewatas, y ellos produjeron un desprendimiento de tierras que bloqueó el río Tarum que desaguaba el valle. Mientras tanto, otros dewatas cortaron un gran árbol y construyeron un inmenso prao, al mismo tiempo que algunos otros preparaban una gran fiesta digna de los dioses. A la mañana siguiente, la reina quedó atónita al comprobar que lo imposible se había cumplido. Desesperada, rogó a Brahma que la ayudara a detener el matrimonio incestuoso. Brahma destruyó el dique que contenía las aguas del nuevo lago, y éstas brotaron con tanta violencia que el prao zozobró y Sangkuriang se ahogó. Atormentada, la reina se lanzó con tal fuerza contra el casco del barco volcado, que lo atravesó y también se ahogó.
Así, el prao que naufragó se eleva hoy en la llanura: el orificio por el cual se sumergió la reina al atravesar el casco, es el Kawah Ratu, el «cráter de la Reina»; las fumarolas de vapor en el cráter y los frecuentes temblores que se perciben en la montaña demuestran que la acongojada madre solloza aún por su hijo. Bukit Tugul, la «montaña del Tronco», al este de Tangkuban Prahu, es el trozo de árbol que se cortó para construir el prao, y el monte Burangrang, al oeste del volcán, es la «Corona de Hojas» que se supone debía de usarse en las fiestas de bodas. Esta leyenda combina elementos exclusivamente etiológicos, inspirados por la semejanza de rasgos topográficos prominentes con los objetos de los cuales toman el nombre, con lo que podría ser una memoria popular de un lago real que alguna vez ocupó la cuenca. Los estudios geológicos han demostrado que el río Tarum fue obstruido, en los tiempos neolíticos, por avalanchas del Tangkuban Prahu, formándose así un lago cuyo nivel original estaba a unos 715 metros sobre el nivel del mar. En las playas del lago desaparecido, que debe de haber tenido unos cincuenta metros de profundidad se han encontrado utensilios de obsidiana de los primitivos habitantes de la región. A medida que el río se erosionó por la pérdida de material que lo bloqueaba, el nivel del lago descendió hasta quedar un llano pantanoso. Su existencia anterior ha sido recordada a lo largo de los siglos por unas gentes para las cuales los tabúes, los fantasmas, los dioses y los espíritus eran más reales que los hechos geológicos.
* * * *
La otra leyenda javanesa se refiere al monte Bromo, al este de Java. Según me la relató otro vulcanòlogo, el profesor Robert Decker, un poderoso gigante pidió, en cierta ocasión, la mano de la hija de un rey. La princesa encontró repulsivo al gigante, y su padre no deseaba forzarla a esta unión, pero, al mismo tiempo, temía la ira del gigante. En lugar de rechazarlo directamente, el rey le prometió la mano de la muchacha, pero con la condición de que derribara en una noche la montaña Tengger, hazaña que él y su hija consideraron imposible. Pero el indeseado pretendiente encontró una gigantesca corteza de coco y atacó la montaña con tal vigor que parecía que tendría éxito en la empresa. Pero la princesa era capaz de enfrentarse a esto: despertó al gallo, que, fastidiado, cantó vigorosamente. Engañado, pensando que el amanecer estaba próximo, el gigante abandonó, arrojó la corteza de coco y se fue para no regresar jamás. La montaña, parcialmente vaciada, es la caldera del Tengger (Ilustración 31), y la corteza del revés es Batok, un cono de cenizas extinguido, empinado y elevado, cerca de Bromo, el cono central activo de la caldera (Ilustración 32). Esta leyenda, por cierto, es puramente etiológica.
* * * *
En Zaire (antiguamente la República Democrática de Congo), al norte del lago Kivu, hay un grupo de volcanes que se conocen como los Virunga. Un héroe o semidiós llamado Ryang'ombe, el Comedor-de-bueyes, se dice que se quedó en el volcán que está más al este, después de su muerte en Muhavura (Figura 25). Solía luchar con su enemigo Nyiragongo, que vivía en Mikeno. En una pelea. Ryang'ombe partió en dos a Mikeno y, desde entonces. Nyiragongo huyó hacia el oeste del volcán que hoy lleva su nombre. Ryang’ombe cortó la cúspide de ese pico y empujó a Nyiragongo. Después, apiló piedras calientes de la cima para mantenerlo dentro.
¿Cómo encaja esta leyenda en la historia geológica? Los volcanes Virunga son todos jóvenes, tanto que cuando se formó la cadena de volcanes, las aguas del lago Kivu, que antiguamente desembocaban sus aguas al norte, a través del lago Edward, en el Nilo, debieron de buscar una nueva salida al sur, por el río Ruzizi y el lago Tanganyika, hacia el Congo. Nyiragongo y Nyamuragira (o Nyamlagira) aún permanecen activos: el último de ellos tuvo una erupción recientemente, en los años 1957-58. Las luchas legendarias entre Ryang'ombe y Nyiragongo recuerdan, sin duda, erupciones reales. Mikeno es un antiguo cono y su doble pico puede ser el resultado o de la erosión o de una explosión: en el último caso, sería difícil saber si Mikeno «hizo volar su cima» en una época en que presenciaron el suceso los antepasados de las tribus actuales. La cúspide truncada de Nyiragongo, que es una caldera, como la de Kilauea, no se debe a un hecho tan violento como el que relata la leyenda. Su semejanza con el volcán Hawaiano se acentúa porque hay un foso encendido, en el suelo de la caldera, en el cual la lava hierve constantemente, como era Halemaumau hasta 1924. ¡No resulta sorprendente que las tribus locales piensen en demonios prisioneros!

Figura 25. El campo volcánico de Virunga, al este de África. Lo mismo que en Hawái, el folklore de las tribus que habitan en el área refleja que el centro de la actividad volcánica ha emigrado, en este caso, desde el este al oeste; actualmente sólo Nyamuragira y Nyiragongo son activos. En la parte inferior, un perfil, tomado de un dibujo de M. Denaeyer, Bruselas.
Otro pico volcánico en el cual también se supone hay un demonio prisionero es el monte Demavend, al sur del mar Caspio, en Irán (véase Figura 27. capítulo VII). El Demavend es el cono más grande de las montañas Elburz y se encuentra en actividad en estado fumarólico, aunque no se han producido erupciones en los tiempos históricos. Los vapores y efluvios sulfurosos que surgen de sus orificios se han atribuido al aliento de un demonio llamado Biourasf, y los ocasionales ruidos sordos son sus gruñidos. Otros aseguran que la montaña es la prisión de los ángeles caídos encerrados por el rey Salomón.
* * * *
La misma idea de gigantes o demonios encadenados que producen las manifestaciones volcánicas se remonta a los tiempos clásicos. Según los antiguos griegos, los primeros hijos del Cielo (Urano) y la Tierra (Gea. de cuyo nombre deriva el prefijo «geo-» de las ciencias de la tierra) fueron tres monstruos con cincuenta cabezas y cien manos, características que representaban las violentas fuerzas de la naturaleza: los terremotos, las erupciones, los huracanes, el trueno y el rayo. Su padre los odiaba y los encerró en la Tierra. Los siguientes hijos fueron los Cíclopes, de un solo ojo, comedores de hombres, más semejantes a los hombres en su aspecto. Después de los Cíclopes llegaron los Titanes, uno de los cuales fue Cronos (Saturno). Cuando la Tierra llamó a los Cíclopes y a los Titanes para que la ayudaran a liberar a sus hermanos mayores, aunque éstos fuesen monstruos. Cronos acudió, dispuso una emboscada e hirió a Urano: de la sangre que se derramó surgió la cuarta raza de monstruos, los Gigantes. Cronos gobernó el Universo durante mucho tiempo, hasta que, en una guerra terrible que casi destruye todo el Universo, fue destronado por su hijo Zeus. Zeus liberó a los primeros monstruos, que lucharon a su lado con sus armas: el rayo, el trueno y los terremotos. Zeus aprendió a controlar el trueno y el rayo, y con ellos pudo vencer a los gigantes Encelado. Briareo y Tifón, y los enterró bajo el monte Etna. (Algunas versiones de este mito dicen que sólo enterró a Tifón, otras afirman que sólo a Encelado. y otras, a su vez. citan a otros volcanes.) Sus esfuerzos por liberarse originan los terremotos volcánicos, y su ardiente aliento provoca las erupciones. Los Cíclopes, que habían ayudado a Zeus, pudieron vagar libremente por Sicilia; ayudaron a Hefesto, el dios del fuego y el metal, a forjar el rayo de Zeus en una herrería situada en el monte Etna o en alguno de los otros volcanes.
A corta distancia de la costa de Sicilia, en Aci Trezza, justo al norte de Aci Castello (véase Figura 15), hay un grupo de rocas que se conocen como las rocas de los Cíclopes (Ilustración 33). En la «Odisea», de Homero, cuando Odiseo y su tripulación son capturados por el Cíclope Polifemo. y encerrados en una cueva, logran escapar dejándole ciego y agarrándose a la barriga de las ovejas. Mientras se alejaban en su nave, el furioso Cíclope arrojó enormes rocas en la dirección de la voz de Odiseo. Se supone que las rocas que están mar adentro, en Aci Trezza, son aquellas que él arrojara y que permanecen en donde cayeron. Se piensa que la asociación de un gigante de un solo ojo con el Etna, proviene del brillo que produce el cielo nocturno sobre el pico, visible desde mar adentro cuando el volcán se halla en actividad. Del mismo modo, la idea de lanzar rocas pudo haberse originado para explicar los bloques y bombas volcánicas de todas dimensiones que el Etna arroja durante una erupción. No obstante, las rocas de los Cíclopes en Aci Trezza no son realmente deyecciones volcánicas, sino residuos de pequeños tarugos de roca basáltica, que son más duros que las rocas que los rodean y que han sido erosionados por las olas; uno de ellos aún conserva un casquete de sedimentos marinos que éstas han insertado. Para el ojo no entrenado parecen extraños al medio.
Se ha sugerido que Talos, el formidable gigante que patrullaba las costas de Creta, podría ser la personificación del volcán Santorín, la isla de las Cíclades que está más al sur, y que «vigilaba» para que no se produjeran incursiones a Creta desde tierra firme. Hefesto forjó a Talos en bronce para que fuera invulnerable, excepto un punto de su tobillo, en el que la vena que llevaba su sangre vivificante estaba cubierta por una delgada membrana. Podía calentarse a sí mismo en el fuego y matar a los extraños envolviéndolos en un abrazo a) rojo vivo. Cuando Jasón y los Argonautas trataron de desembarcar en Creta, de regreso a Colchis con el vellocino de oro. Talos les arrojó rocas y hubiera logrado hundir el Argos si los remeros no hubieran alejado el barco velozmente. Medea hechizó al gigante nublando su vista y, cuando trataba de levantar un trozo particularmente grande de roca, se raspó el tobillo contra un afilado peñasco. Mientras fluía su sangre «como plomo derretido», su fuerza se consumía y cayó al suelo y expiró. En la interpretación volcánica, las rocas arrojadas son bombas volcánicas, el tobillo podría ser un cráter secundario, la sangre que mana de la herida, lava derretida (que en realidad parece metálica, más que roja, a la luz directa del sol), la caída y muerte del gigante podría ser la calma del volcán después de la erupción, y el ardiente abrazo es, evidentemente, el destino de cualquiera que se acerque demasiado a la erupción de un volcán.
* * * *
Una leyenda mediterránea, que ya pertenece a la era cristiana, es un ejemplo de geomito que, en verdad, contribuyó a resolver un problema geográfico. En su Voyage aux lies de Lipari, publicado en 1783. Déodat de Dolomieu registra una tradición local referente a san Calogero, un ermitaño que vivió en Lípari (la mayor de un grupo de islas llamadas las Lípari o islas Eólicas; véase Figura 15), en el siglo VI. A este santo se le atribuye el haber expulsado a los demonios que, en aquel entonces, se creía que eran los responsables de los fuegos subterráneos de Lípari. Los persiguió, primero a Vulcanello y luego a Vulcano porque los habitantes de Lípari pensaban que el primer lugar estaba demasiado próximo. Desde ese momento, los fuegos de Lípari desaparecieron. Esta leyenda le permitió al vulcanòlogo alemán Jòrg Keller precisar la fecha de la última erupción de Lípari, dentro de un margen de unos quince años, lo que es razonablemente exacto desde el punto de vista geológico, basándose para ello en algo que sucedió hace casi mil quinientos años. Una toba de pómez que provenía de esa erupción, y que había sido datada como de los siglos IV y V, cubría las ruinas de Roma. Keller pudo así determinar que la erupción debió de ocurrir después del siglo V, pero, si alguna vez existió una crónica de esa erupción, ésta no sobrevivió a los tiempos oscurantistas. Puesto que sabe con certeza que san Calogero vivió en los años 524-562. Keller deduce, tomando esta leyenda como base, que, probablemente, la erupción se produjo en algún momento entre los años 500 y 550. La misma leyenda, dicho sea de paso, refleja fielmente el hecho de que la actividad volcánica es cada vez más reciente desde Lípari a Vulcanello y, luego, Vulcano.
Antes de terminar con el tema del folklore de los volcanes, se ha de mencionar que debemos a Vulcano (nombre romano para Hefesto) la denominación de la palabra volcán y al volcán particular que lleva este nombre, por el término más oscuro de volcánico, que describe un estilo particular de actividad típica de las erupciones de Vulcano. Una vez más, la mitología ha contribuido, si bien levemente, a los conocimientos cientifico.

Ilustración 1. Brazo este del flujo de lava de 1783 del Laki, que casi barrió Islandia. Vista hacia el este. Los picos cubiertos de nieve que se ven al fondo, a la derecha, son los de Óraefajökull, la montaña más alta de Islandia. Se trata de un impresionante volcán activo, cubierto de glaciares. (Foto de Sigurdur Thorarinsson.)

Ilustración 2. Lavas preglaciares que es posible observar en la garganta que está debajo de Dettifoss, el salto de agua más alto de Islandia. (Foto de la autora, agosto, 1960.)

Ilustración 3. Lava posglacial (hraun), Herdubreidarlindir, Islandia. Esta corriente muestra la superficie viscosa del tipo de lava llamada pahoehoe y una cordillera comprimida, abierta cuando se comprimió el flujo aún en movimiento al enfriarse la corteza. (Foto de Claude M. Roberts, agosto, 1972).

Ilustración 4. El Almannagjá, en Thingvellir, Islandia. El parlamento democrático más antiguo del mundo, el Alting, acostumbraba reunirse al aire libre en esta fisura volcánica natural. El mástil marca Law Rock, donde se situaba el orador. (Foto de la autora, agosto, 1960.)

Ilustración 5. Kapiolani, desafiando a Pele en Kilauea, 1824. De un cuadro de Peter Hurd. (Cortesía de Amfac, Inc., Honolulú, Hawái.)

Ilustración 6. Los blancos acantilados de Dover. (Foto de Donald E. Hattin, abril. 1969).

Ilustración 7. Torghatten, fuera de la costa de Noruega, al norte de Trondheim. (Foto de Knut Auné Kunstforlag A/S, Trondheim. Cortesía del Geological Institute [Instituto Geológico], Universidad Técnica de Noruega, Trondheim.)

Ilustración 8. Ásbyrgi desde el aire. La única depresión con forma de herradura al norte de Islandia es el desfiladero de la foto, una cascada «fósil», cortada cuando el río Jókulsá, en Fjöllum (derecha), fluía al este, hacia su lecho actual. De una foto aérea. (Reproducida con permiso del Departamento de Investigación de Islandia, Reykjavik.)

Ilustración 9. La legendaria Torre del Diablo, Wyoming. (Cortesía del Servicio Nacional de Parques de Estados Unidos.)

Ilustración 10. Parte superior de columnas de basalto Giant’s Causeway, condado de Antrim. Irlanda. (Foto de Donald E. Hattin, enero. 1969.)

Ilustración 11. Scurr nan Gillean, en las Cuillins de Skye, desde el camino de Sligachan. (Foto de R. Thompson, septiembre. 1962).

Ilustración 12. Las Red Hills en la isla de Skye. (Foto de C. J. Vitaliano. septiembre. 1969.)

Ilustración 13. Monte Showa-Shinzan. Hokkaido. Japón, una nueva cima volcánica producida en una erupción en 1943-44 casi del mismo modo en que la leyenda (equivocadamente) explica la formación de las Cuillins de Skye. (Foto de C. J. Vitaliano. septiembre. 1970.)

Ilustración 14. El lago del Cráter (Cráter Lake), Oregón, mostrando la isla del Mago (Wizard Island), un cono volcánico joven dentro de la depresión de la caldera. (Foto de la autora, agosto, 1959.

Ilustración 15. Cristales de estaurolita. Izquierda: Un cristal sencillo. Centro y derecha: «Piedras mágicas», maclas cruciformes (90 y 120°, respectivamente). (Foto por cortesía de L. G. Berry.)

Ilustración 16. Hanau o piedras que aún no han nacido, Ninole Cove, Haws Los Hawaianos creen que los guijarros pequeños alojados en los huecos de las grandes piedras basálticas son bebés que están a punto de nacer de la piedra mayor. (Foto de la autora, agosto, 1970.)

Ilustración 17. Formas típicas de australitas. (Foto por cortesía de Brian Mason, Smithsonian Institution.)

Ilustración 18. Para prevenir los terremotos, el dios Kashima inmoviliza al namazu (barbo) por medio de la «piedra-pivote», mientras el pueblo ora. Los caracteres que se ven, «Kaname-ishi», significan piedra-pivote. (Dibujo de Kenzo Yagi tomado de uno de los antiguos grabados Namazu-e.)

Ilustración 19. Una de las fisuras más grandes que se abrieron durante el temblor de Alaska de marzo de 1964. Esta fisura, de 3 pies (90 cm) de ancho y 7 pies (2,1 metros) de profundidad, está en un glacial no consolidado hasta la huella de la Patton Bay Fault (Falla de la bahía de Patton), en la isla Montague. Debe resaltarse que no es sin fondo, y que tampoco se ha cerrado sobre los árboles que cayeron en ella. (Foto de George Plafker, U.S. Geological Survey.)

Ilustración 20. Pele, la diosa de los volcanes Hawaianos, tal como la imagina D. Howard Hitchcock. El artista explica con estas palabras por qué la representa blanca: «...Es exactamente así como la imagino. Su cutis es claro porque es fuego; sus cabellos son espirales de humo y llamas, y rezuma fuego por sus dedos.» En realidad, las tradiciones Hawaianas afirman que Pele es una mujer alta y rubia que no tiene cejas. (Reproducido por cortesía del U.S. National Park Service.)

Ilustración 21. Halemaumau, el «foso de fuego» de Kilauea, durante una erupción. Los montículos cónicos que los Hawaianos creían que eran las moradas de Pele y su familia, son características transitorias formadas por los surtidores de lava. (Foto de Donald A. Swanson, junio, 1968. Reproducida por cortesía del Hawaiian Volcano Observatory, U.S. Geological Survey.)

Ilustración 22. Lago de lava en Halemaumau, volcán de Kilauea. Hasta 1924, la lava hervía constantemente en Halemaumau, pero, desde entonces, el espectáculo descrito por primera vez por William Ellis sólo puede contemplarse en períodos de erupciones activas. (Foto de Richard S. Fiske, noviembre, 1967. Reproducido por cortesía del Hawaiian Volcano Observatory, U.S. Geological Survey.)

Ilustración 23. Pista de deslizamiento de holua en Puu Hinahina, Kapu'a, S. Kona, Hawái. En la parte inferior: un trineo holua usado para deslizarse por las laderas cubiertas de hierba, o por caminos como el que se muestra en la fotografía. En el folklore Hawaiano, Pele a menudo compite en las carreras de holua y produce erupciones si no le agrada el resultado. (Fotos por cortesía del Bernice P. Bishop Museum, Honolulú.)

Ilustración 24. Formas de árboles en el Lava Tree State Park (Parque estatal de arboles de lava), distrito de Puna, Hawái. Éstos surgieron durante una erupción en 1790 y podrían ser las «personas petrificadas» que figuran en la leyenda de Papalauahi. (Foto de C. J. Vitaliano, agosto, 1970.)

Ilustración 25. «Cabellos de Pele» y «Lágrimas de Pele», conformadas por la lava derretida arrastrada por el viento. (Foto de C. J. Vitaliano.)

Ilustración 26. White Island (isla Blanca), Nueva Zelanda, un volcán en estado de actividad solfatárica. En la leyenda maorí existe un lugar en el que los demonios que llevan fuego al área volcánica de Nueva Zelanda emergen a veces a la superficie en busca de tierra firme. (Foto de D. Callard. Tauranga, Nueva Zelanda, agosto. 1969.)

Ilustración 27. Monte Mazama, Oregon, al comienzo de la fase climáctica de la erupción, hace alrededor de 6.500 años (arriba), e inmediatamente después de la caída de su cumbre (abajo). De una serie de cuadros de Paul Rockwood. (Tomado de «Ancient Volcanoes of Oregon» [Antiguos volcanes de Oregon], de Howel Williams. Reproducido con permiso del Condon Lecture Series of the Oregon State System of Higher Education.)

Ilustración 28. Actividad explosiva en uno de los cráteres de Óldugígar, al pie del monte Hekla, Islandia, durante la erupción lateral de 1970. Una actividad de este tipo es la que ha inspirado, sin duda, la creencia, ampliamente difundida en la Edad Media, de que las grandes cantidades de lava, aún fresca y suave, con forma de pájaros, eran las almas de los condenados que flotaban sobre la entrada del infierno. (Foto de Sigurdur Thorarinsson.)

Ilustración 29. Mirando a través del depósito fluvio-glaciar (sandur) hacia el casco nevado de Myrdalsjökull, debajo del cual acecha uno de los volcanes más temidos de Islandia, el Katla. (Foto de la autora, agosto. 1960.)

Ilustración 30. Fuji-san, la Montaña Eterna de Japón, desde Oshiro-mura. (Foto de Hiroshi Nakano, Tokio, febrero. 1970.)

Ilustración 31. Modelo de la caldera de Tengger, Java, en el Geological Museum de Bandung. El norte está a la derecha. (Foto de R. W. Decker, 1959.)

Ilustración 32. Mirando hacia el este desde el borde de la caldera del Tengger. Bromo (a la izquierda, echando vapor) y el extinguido Batok (derecha). (Foto de R. W. Decker, 1959.)

Ilustración 33. Las rocas de los Cíclopes, en Aci Trezza, Sicilia. Este sorprendente grupo de rocas, a corta distancia de la costa, son en realidad residuos de tarugos incrustados, erosionados por las olas. Los antiguos creían que eran las piedras lanzadas por el ciego Polifemo a Odiseo y su tripulación cuando huían. (Foto por cortesía de Foto Enit Roma.)

Ilustración 34. LasDry Falls(cataratas Secas) enGrand Coulee(Gran Quebrada), formadas en los tremendos diluvios que crearon la topografía de los«channeledscablands»en la meseta de basalto del Washington oriental. (Foto de la autora, agosto, 1959.)

Ilustración 35. Los «Apache Warriors» («Guerreros apaches») en las Superstition Mountains (montañas de la Superstición), Arizona. (Foto de Michael F. Sheridan.)

Ilustración 36. Las Goldfield Mountains (Montañas de los campos de oro) de Arizona, indicando la capa más clara de toba de riolita que, algunos, incluso en nuestros días, creen que es la marca más alta del diluvio bíblico. Contempladas en dirección nordeste desde el Bush Highway (Autopista Bush). (Foto de Michael F. Sheridan.)

Ilustración 37. La pared de la caldera de Santorín vista desde la bahía. Mirando hacia el este. Las paredes verticales de pumita, que antes llegaban hasta el mismo borde del peñasco, han sido empujadas hacia atrás por la cantera, hasta el punto de que resulta difícil de ver desde este punto privilegiado. El talud más claro al pie de la colina es piedra pómez que ha sido excavada y arrojada sobre el borde, para ser cargada en los barcos.

Ilustración 38. El «Fresco del torero» del palacio de Knosos, representando el deporte popular minoico de saltar sobre el toro. (Cortesía del Archeological Museum, Heraklion.)
Hay una serie de tradiciones que son distintas a las demás porque aparecen en toda la Tierra, o, para ser más exactos, en casi toda ella. Tales tradiciones son las que se refieren a grandes inundaciones que destruyeron, ya sea a la Humanidad o. al menos, a una parte muy importante de los habitantes de la Tierra. Estas tradiciones están tan extendidas que muchos las consideran una «memoria racial» de alguna inundación catastrófica que afectó simultáneamente a una porción considerable del mundo. En el otro extremo se encuentran los que creen que todas las tradiciones de inundaciones derivan de un mismo y único diluvio, el diluvio universal de la Biblia cuya memoria se diseminó por el mundo cuando el hombre emigró desde la escena original. ¿Soporta la evidencia geológica alguno de estos puntos de vista diametralmente opuestos y, si no, qué nos dice sobre ello?
Cuando la geología comenzaba a surgir como ciencia, no existía problema. Los primeros geólogos no dudaban que los fósiles que había en las rocas sólidas, actualmente muy por encima del nivel del mar, fueron dejados allí por la inundación de Noé: lo que contrasta con lo que reconocen incluso los pueblos primitivos como restos de criaturas que antes vivieron en el agua. Todavía en la actualidad hay quienes coinciden con el primer punto de vista. Sin embargo, pronto se admitió que las rocas que contenían fósiles marinos habían sido arrojadas muy lentamente y a lo largo de prolongados períodos que comenzaban hace cientos de miles de años. Las formas marinas más antiguas datan del Precámbrico, hace más de 600 millones de años. También resultó evidente que la superficie de la Tierra nunca, en ninguna época, había estado totalmente sumergida. Mientras los sedimentos que más tarde se consolidarían, formando las rocas, como arenisca y esquisto, se depositaban en un determinado lugar, alguna otra región debía estar sobre el nivel del agua para poder erosionarse y proveer de este sedimento. Sólo la piedra caliza se precipita directamente con el agua del mar (o, lo mismo sería, con agua fresca), pero ni la piedra caliza más conocida, como la de los tiempos Cretácicos, estaba en todas partes. La posibilidad de una inmersión total de la superficie de la Tierra, si es que existió alguna vez, debe situarse en una era primitiva de la historia terrestre, a más de 3.5 mil millones de años, y tal vez antes de la vida misma.
Durante un tiempo, los primeros geólogos continuaron pensando que los extensos depósitos de arena y grava que dejaban atrás los glaciares continentales del Pleistoceno eran el resultado del diluvio bíblico. De ahí que denominaran «diluviales» a esos depósitos y que apodasen «diluviano» al tiempo en que se produjeron. Ahora bien, las analogías con los depósitos de los glaciares de las montañas actuales no dejan ninguna duda de que éstos son el resultante de glaciares más gruesos y extensos que ninguno de los hoy conocidos, pero diferentes de los cascos helados que cubren la Antártida y Groenlandia, sólo en grado pero no así en la clase. Hoy se sabe que durante la pequeña parte de tiempo geológico que le atañe a la Humanidad, la distribución de los océanos y los continentes, e incluso de las montañas y los valles, ha sido prácticamente la misma, y que cualquier cambio, relativamente reciente, que se produzca tendrá lugar, en conjunto, de una forma lentísima.
Los cambios más sustanciales en el nivel del mar, que se han verificado durante el tiempo en que el hombre se halla presente en el planeta, han sido los relacionados con la glaciación del Pleistoceno, ya comentados en el capítulo 3. Estos cambios no sólo son demasiado lentos para haber incitado a tradiciones de catástrofe, sino que también son insuficientes para producir las profundas inundaciones imaginadas en la mayoría de los mitos. Recordemos que el nivel más alto alcanzado por el mar durante el último período interglacial fue sólo de alrededor de treinta metros sobre el nivel actual, lo que deja una parte importante del globo sobre el agua. Además, esa cota sólo se alcanzó hace más de cien mil años. Y esto no es todo: como ya se ha visto en el capítulo 3, algunas regiones del mundo se elevaron después de que el peso del hielo fuese eliminado, y se elevaron a un ritmo más rápido que el del nivel del mar: o sea, que el cambio del nivel del mar con respecto al de la Tierra, desde la terminación del Pleistoceno, debería recordarse como-el opuesto a la inundación.
¿Podrían lluvias intensas producir una inundación tan extensa que anegara todos los lugares bajos del planeta? Otra vez la respuesta es un definitivo no. Suponiendo que las intensas lluvias cayeran sobre todas las áreas del mundo al mismo tiempo, habría grandes dificultades mecánicas para tratar de sumergir una parte importante del suelo, y, luego, para que se escurriera. Para empezar, el único punto del que puede venir el agua es desde el mar, porque, aparte de una cantidad insignificante, que podría agregarse desde las profundidades de la Tierra a través de los volcanes —lo que los geólogos llaman «agua juvenil»—, la cantidad total de agua en el planeta es constante. Por tanto, si una gran cantidad de agua pasa a la atmósfera para formar nubes de lluvia, el nivel del mar descenderá en la misma cantidad y, así, más cantidad de suelo estará expuesto. Así, una vez que la humedad cae en forma de lluvia, ¿qué le impedirá fluir hacia el océano tan rápidamente como pueda? Lo mejor que se puede hacer para lograr un diluvio debido a lluvias simultáneas, muy fuertes y en todo el mundo, sería el desbordamiento de muchos grandes ríos al mismo tiempo.
Debido a que es imposible producir un verdadero diluvio universal por medio de ningún proceso geológico normal, se han hecho algunos ingeniosos intentos para invocar, como causa de los mismos, algún agente extraterrestre. Tales teorías citan siempre al folklore como evidencia, y refuerzan sus argumentos con interpretaciones incorrectas o forzadas de rasgos geológicos que pueden ser explicados mucho más fácilmente en términos de la acción normal de los agentes geológicos. Pero la universalidad de las tradiciones sobre inundaciones puede explicarse sin necesidad de un diluvio generalizado de origen cósmico o de ningún otro origen, si se tiene en cuenta que las inundaciones son un fenómeno geológico universal. Se ha visto cómo leyendas sobre volcanes, relatadas por pueblos muy separados en el tiempo y en el espacio, tienen muchos rasgos comunes. Si los volcanes estuvieran en todas partes, las leyendas sobre ellos serían, sin duda, tan comunes que alguien podría buscar una erupción universal como la causa fundamental. Tal como se han dado las cosas, los volcanes activos, y con ellos sus leyendas, se hallan restringidos a algunos cinturones en la faz de la Tierra. Por otra parte, prácticamente no existe región en que no se haya producido alguna vez una inundación que pusiese en peligro las vidas de los pobladores del lugar. Un río de cualquier parte puede desbordarse a causa de las Intensas lluvias, o aumentar súbitamente su caudal por la rotura de un dique natural. Hasta los desiertos tienen inundaciones, porque, cuando cae una lluvia que no es frecuente, en general estriba en intensos aguaceros, y allí no hay vegetación capaz de retardar el escurrimiento. (Los habitantes del desierto han sido atrapados alguna vez en uno de estos temporales, increíblemente temibles, que son las «inundaciones repentinas».)
Hubo un tiempo, no demasiado lejano (en términos geológicos), en el que el clima del mundo era, en general, más húmedo que ahora. Cuando los glaciares cubrieron la parte norte de Eurasia y Norteamérica, las precipitaciones eran más intensas fuera de estas zonas, y también en las regiones de nieve. Por otra parte, los ríos tenían mayor longitud y existían muchos lagos inmensos fuera del frente de hielos. Great Salt Lake (Gran lago Salado), en Utah, es el remanente del Lake Bonneville (lago Bonneville), una antigua masa de agua fresca que antes llenó parte de la Great Basin (Gran Cuenca). Varios lagos en el desierto de Nevada, incluidos Pyramid Lake (lago de la Pirámide) y Walker Lake (lago Walker) y, recientemente, el ya seco Winnemucca Lake (lago Winnemucca), son residuos del antiguo Lake Lahontan (lago Lahontan). Otros rasgos topográficos asociados con diferentes niveles de estos lagos resultan llamativos —al menos, para un experto— cuando se viaja por Utah y Nevada. Así, la elevación de las playas y los sedimentos de los deltas debidos a la erosión producida por las olas sobre la línea costera. Cuando los glaciares se derritieron, se formaron inmensos lagos en el frente de los hielos. Los Grandes Lagos de Norteamérica constituyen hoy una parte de su tamaño primitivo, y existía un gigantesco lago Agassiz, del que el lago Winnipeg es el residuo mayor. Es imposible estimar la cantidad de pequeños lagos que fueron aprisionados temporalmente por lenguas de hielo, pero debió de haber miles de ellos en diferentes momentos y en distintos lugares.
Cuando los diques de hielo que embalsaban estos lagos fallaban, se producían de pronto muchas inundaciones locales que podían arrasar las poblaciones indígenas, arrastrándolas corriente abajo, del mismo modo en que fue arrasada la ciudad italiana de Vajont Dam, en el año 1963[35], pero en mayor escala. La topografía de los «channeled scabland» (mesetas cortadas por cañones), en el estado de Washington, en el que extensas áreas de la altiplanicie de basalto del río Colorado quedaron al descubierto, son un ejemplo de estas inundaciones de grandes proporciones producidas por el agua derretida. El rasgo sobresaliente de esa región es la serie de quebradas interconectadas (valles que son secos la mayor parte del tiempo) y que cortan una altiplanicie, transformándola en un laberinto de montecillos aislados, mesetas y grandes extensiones. Dry Falls (cataratas Secas) Grand Coulee (Gran Quebrada) (Ilustración 34) tiene ciento veinte metros de altura. Los cañones del río Columbia fueron socavados por una o más inundaciones originadas cuando gigantescos lagos periglaciares desaguaron de pronto y, probablemente, una de las fuentes de estas aguas fue el antiguo lago Missoula, que se originó cuando Clark Fork quedó obstruido por una lengua de hielo (Figura 26). Si la mente humana retrocediera varios miles de años, comprobaría que las condiciones existentes hasta hace unos diez mil años, al menos en Norteamérica, eran de continuas inundaciones —como sugiere la leyenda de Klamath, de la creación de Cráter Lake (lago del Cráter), narrada en el capítulo anterior— que se producían cuando los lagos, embalsados por lenguas de hielo que se retiraban, vertían súbitamente sus aguas, lo que constituía un fenómeno habitual, y frecuentemente serio, aun cuando no llegara a alcanzar el grado de gravedad de los que se produjeron en los «channeled scablands».
En todos los tiempos, incluido el presente, ha habido temor de inundaciones en las áreas costeras de todo el mundo —especialmente sobre las costas del Pacífico— que serían particularmente memorables para aquéllos suficientemente afortunados como para sobrevivir al desastre. Nos referimos a los tsunamis, o seísmos de las olas del mar. Aunque no de un modo universal, los tsunamis pueden producir estragos, con frecuencia en sitios muy separados entre sí, con un intervalo de pocas horas de diferencia. Puesto que los tsunamis son importantes, no sólo como posible fuente de leyendas sobre inundaciones, sino también en relación con temas de importancia primordial en los capítulos siguientes, es necesario, ahora, considerar detalladamente estas formidables olas.
* * * *
Los tsunamis se asocian, como regla general, a los terremotos submarinos. Pueden producirse directamente si la falla del terremoto desplaza la superficie del mar, o, indirectamente, por avalanchas submarinas, inundaciones de lodo o hundimientos debidos a un seísmo. De vez en cuando, se originan por una erupción submarina si una explosión bajo el agua desplaza importantes cantidades de ésta. Cuando se produce la caída de una caldera sobre el mar, los desplazamientos del fondo pueden ocasionar tsunamis, como sucedió cuando la erupción del Krakatoa, en 1883. En estos casos, el tsunami puede alcanzar proporciones asombrosas. También en las erupciones del tipo de la del Krakatoa, las inmensas olas se producen cuando, de pronto, después de una explosión importante, caen grandes cantidades de cenizas volcánicas sobre la superficie del mar.
La propagación de un tsunami es extremadamente compleja. La velocidad con que se desplaza depende de la profundidad del agua y llega hasta trescientas y quinientas millas (de 480 a 800 kilómetros) por hora en mar abierto. Debido a que la velocidad depende de la profundidad (cuanto mayor es la profundidad, más veloz es la ola), y debido a que el suelo oceánico es cualquier cosa menos suave y plano, la ola frontal se hace pronto muy irregular; por otra parte, la altura de ésta disminuye rápidamente a medida que se expande, aproximadamente en una proporción igual a la raíz cuadrada de la distancia recorrida. Por tanto, antes de que un tsunami se haya desplazado mucho desde su origen, se transforma, no en una ola tremendamente alta, sino en una ola larguísima, hasta el punto de que llega a alcanzar de cien a cuatrocientas millas (ciento sesenta a seiscientos cuarenta kilómetros) de una cresta a otra, pero no tiene más que unos pocos metros de altura. Los barcos que se hallan en alta mar ni se dan cuenta de su paso, tan gradual es su elevación y su descenso. Pero cuando tales volúmenes de agua se aproximan a una costa empinada, se superponen y son capaces de producir graves daños, aun cuando su punto de origen se encuentre a miles de millas. Los científicos de muchos países trabajan para perfeccionar un sistema de alarma ante los tsunamis, porque, como se dijera en el capítulo 5, éstos son, potencialmente, la consecuencia más seria de un terremoto. La mayor parte de los 2.000 muertos causados por el terremoto de Chile de 1960 se debió al tsunami que produjo el sismo; y, además, 61 personas muñeron por ese mismo tsunami en Hilo y Hawái, y 180 en Japón. Afortunadamente, sólo un pequeño porcentaje de terremotos causan desplazamientos del fondo marino como para originar tsunamis, y las caídas de las calderas al fondo del mar se dan rarísimamente.

Figura 26. «Lake Missoula» (lago Missoula), que desaguó repentinamente cuando la lengua que bloqueaba Clark Fork cedió y creó parte de la topografía de los «channeled scabland». Los diluvios pos glaciales de este tipo pudieron inspirar algunas de las leyendas que sobre inundaciones tienen los indios norteamericanos. (Tomado de Regional Geomorphology of the United States (Geomorfolcgía regional de Estados Unidos), de W. D. Thornbury. Reproducido con permiso de John Wiley and Sons.)
Por lo general, pero no siempre, el primer signo visible de que se acerca un tsunami estriba en una retirada del mar muy por debajo fie la marca de la marea baja. Algunas veces, el agua retoma en pocos minutos, y, en otras, .se retira a varios kilómetros mar adentro regresa incluso media hora más tarde. La mayoría de la gente describe un tsunami como una rompiente gigantesca que corre sobré el mar y aparece espectacularmente sobre la playa antes de romper sobre ésta. En realidad, la mayor parte de las veces, el agua llega como una pared sólida, o, más generalmente, como una marea que sube con extrema rapidez. Todo lo que flota, incluidos barcos de considerable tamaño, puede ser alzado y llevado lejos, tierra adentro. Los objetos sólidos que pesan toneladas son arrastrados como si se tratase de trozos de madera. En el tsunami del terremoto chileno de 1960, en Ofunato, Japón, grandes barcos de pesca fueron levantados por encima de un muelle de ocho pies (dos metros cuarenta) sobre el nivel del agua y depositados a ciento cincuenta pies (cuarenta y cinco metros) hacia dentro, entre las ruinas de las casas. En 1946, un tsunami arrojó un bloque de coral que pesaba varias toneladas sobre un malecón en el puerto de Mahukona, Hawái. Aun cuando el descenso de las aguas no ocasiona grandes devastaciones en un lugar determinado, sí es posible que produzca terribles daños cuando desaguan de nuevo en el mar, socavando los cimientos, arrancando de cuajo los árboles y llevándose cualquier cosa, incluso las personas, hacia el mar. En el pueblo de Tjaringin, en la costa de Java (véase Figura 32, capítulo 8), las olas producidas por la caída de la caldera del Krakatoa fueron responsables, aunque resulte paradójico, de los incendios, porque cuando las aguas arrancaron las casas desde los cimientos, las lámparas se volcaron y derramaron su combustible.
Para determinar la altura a que se elevará un tsunami en una playa, así como la altura inicial de la ola en su origen, es tan importante la configuración de la línea costera y el fondo del mar, como la topografía local. Arrecifes o islas a corta distancia de la costa pueden servir de protección, mientras en una bahía en forma de embudo, o en la desembocadura de un río, el agua se eleva a alturas fantásticas. Cada tsunami es único en sus características y proporciones. En Hawái se observó que un determinado tsunami resulta más intenso en una localidad que en otra, mientras que los efectos del próximo, si llega desde una dirección ligeramente distinta, tiene efectos opuestos en los mismos lugares. También varía la ola más alta de una serie de un tsunami. En el que alcanzó a Hawái después del terremoto de las islas Aleutianas, en marzo de 1957, la tercera cresta fue la más alta, alcanzando nueve o diez pies (dos setenta a tres metros); en el tsunami del terremoto de Chile, en 1960, la primera ola que llegó a Hilo tenía cuatro pies (un metro veinte) sobre el nivel medio del mar, la segunda, nueve pies (dos metros setenta), y la tercera, treinta y cinco pies (diez metros y medio); sin embargo, en Hawái, las alturas máximas oscilaron entre dos y diecisiete pies (sesenta centímetros a cinco metros con diez centímetros). El tsunami del gran terremoto de Alaska, en marzo de 1964, produjo daños a lo largo de la costa de California, especialmente en Crescent City, donde se perdieron varias vidas debido a la ignorancia popular de las características de los tsunamis: muchas personas que habían evacuado el área peligrosa comenzaron a regresar después de que pasaron la primera y la segunda cresta, pero fueron la tercera y la cuarta, ambas de doce pies (tres metros sesenta) de altura, las que barrieron la ciudad. En San Francisco, se calcula que se apiñaban en la playa unas diez mil personas en el momento crítico. Si una ola importante, como la tercera y la cuarta de Crescent City, hubiera azotado esa extensión de costa, todas hubieran perecido.
* * * *
Por tanto, desde el punto de vista exclusivamente geológico, se podría esperar que las tradiciones de inundaciones independientes hubieran surgido, casi en cualquier parte del mundo y en cualquier época, originadas por catastróficas inundaciones que provenían de causas perfectamente naturales y, sin embargo, de todas las posibles causas de anegamiento, sólo los tsunamis han sido capaces de inspirar mitos en zonas muy separadas entre sí, en el mismo momento. Aunque se requieren inundaciones muy distintas para explicar las muchas tradiciones conocidas, no es sorprendente que éstas guarden entre sí notables semejanzas. Porque, bien mirado, sólo de dos maneras puede la gente sobrevivir a una inundación: o estando por encima de ella o huyendo en algún objeto flotante. Por tanto, hay leyendas en las que los supervivientes se van a puntos elevados o trepan a árboles muy altos. Otros relatos dicen que los supervivientes flotan a salvo en una barcaza, una canoa, un arca, o lo que sea. En la mayoría de las tradiciones de este tipo, una embarcación constituye el medio de salvación, cosa que tampoco resulta sorprendente, ya que la profundidad del agua se suele exagerar hasta el punto de que se considera que todo queda sumergido y no hay, por tanto, otra forma de explicar la salvación de alguien que se salve para posibilitar el desarrollo de la Humanidad. Este tipo de exageraciones tienden, también, a reducir el número de sobrevivientes al mínimo de un hombre y una mujer, necesarios para repoblar el mundo (pero, sin embargo, algunas leyendas se las arreglan incluso con menos). Y, finalmente, ¿es que acaso sorprende que algunas leyendas que se originaron independientemente culpen del desastre al mal comportamiento de «alguien»? Se ha de recordar cómo los maoríes (véase capítulo 6) atribuían la erupción del Tarawera al hecho de que las víctimas habían quebrantado un tabú. No obstante, es indudable que muchas tradiciones de inundaciones en partes muy separadas del mundo muestran similitudes en detalles, muy reminiscentes del diluvio de la Biblia, que no pueden explicarse totalmente por la semejanza de las inundaciones y la de las reacciones humanas ante ellas.
La historia del diluvio y de Noé, cualquiera que sea su origen, puede haberse extendido por el mundo sólo de dos modos: por difusión, cuando la gente que pertenece a una cultura en la cual se origina la leyenda emigra a nuevas tierras, o por transmisión, que requiere el contacto entre un narrador y alguien, perteneciente a otra cultura, que le escuche. Las tradiciones sobre inundaciones se encuentran en todo el hemisferio occidental, desde Alaska a Tierra del Fuego. Desde el punto de vista extremo del difusionismo, este hecho evidencia que los indios de Norte y Sudamérica descienden de una de las tribus perdidas de Israel, que llevaron con ellos el relato de Noé cuando migraron, a través de Asia, a Norteamérica, por el estrecho de Bering, y, luego, hacia el sur, en Sudamérica. Pero mientras los antropólogos creen que el hombre llegó a América por el estrecho de Bering, las olas de migración se produjeron mucho antes de que existiera el prototipo de Noé. Por tanto, esto nos lleva a la transmisión y a su corolario, es decir, al sincretismo (fusión de elementos de tradiciones independientes). Si todos los paralelos bíblicos en las tradiciones sobre inundaciones del Nuevo Mundo son el resultado de contactos culturales, o bien ese contacto se produjo mucho antes de que llegara el primer misionero, lo que parece difícil, o tales paralelismos son posteriores a la llegada de los primeros misioneros.
* * * *
Un ejemplo, que resulta muy esclarecedor, de cómo una leyenda se comunica de una cultura a otra, literalmente de la noche a la mañana, ha sido relatado, hace algunos años, por Alice Lee Marriott en un artículo de New Yorker. Un día, cuando se hallaba en Dakota del Sur reuniendo el folklore de las tribus de la región, el anciano que la informaba le pidió que le relatara alguna de las leyendas de su pueblo. Ella le contó la historia de «the Brave Warrior and the Water Monsters» («el bravo guerrero y los monstruos del agua»): Beowulf. No fue necesario introducir muchos cambios: «Todo estaba tan dentro de las pautas del comportamiento legendario que el anciano pudo entender con facilidad, y reflexioné que debía de haber más de este tipo de distribución-universal-del-folklore de lo que imaginaba.» Un poco después, oyó que el hombre relataba la historia a una audiencia constituida por su pueblo, «y debo admitir que lo hizo mejor que yo. Era un relator de historias creativo, nacido para eso, y agregaba aquí y allá pequeños detalles que redondeaban el relato y lo enriquecían. De esta forma se debe de haber transmitido la historia de Beowulf, hace cientos de años, de un oyente a otro, mejorada y embellecida hasta que, finalmente, fue escrita». El artículo culmina graciosamente cuando relata que, unos años más tarde, encontró, en una revista de etnología, un trabajo titulado «Occurrence of a Beowulf-like myth among North American Indians» («Un caso de mito del tipo de Beowulf entre los indios norteamericanos»), publicado por un estudiante graduado que, violando una ley tácita entre los etnólogos, utilizó el mismo informante.
* * * *
Teniendo presente este ejemplo, parece completamente natural que ciertos detalles del relato bíblico del diluvio reaparezcan por todo el mundo. Durante más de diecinueve siglos, los misioneros lo han llevado a cada rincón de la Tierra. La historia de Noé es una de las más pintorescas de la Biblia, y es, también, su sentido particularmente evidente y, por tanto, susceptible de enfatizar. Más aún, debe de haber resultado impresionante precisamente en esos pueblos que tenían una tradición de inundaciones con la cual se podía fusionar. Los misioneros han sido siempre de los primeros en afrontar los lugares salvajes para llevar el Evangelio a los pueblos primitivos, y, en muchos casos, fueron los primeros en transcribir las leyendas de los pueblos entre los que cumplían su misión. En otros casos, sin embargo, estas leyendas fueron recopiladas por etnólogos y otras gentes que llegaron bastante después que los misioneros. Y debido precisamente a que ellos fueron los primeros que dieron forma escrita a lenguajes oscuros, resulta imposible probar si un relato sobre inundaciones es verdaderamente anterior a su influencia o si es, simplemente, el de Noé recreado con locales particularidades, lo mismo que Beowulf en Dakota del Sur. Sólo se conoce un ejemplo incierto de documentos pre-misioneros (que se considerará posteriormente), pero, en cambio, sí se ha comprobado un caso en que Noé fue devuelto del mismo modo en que Beowulf: un misionero, de nombre Moffat, relató en un libro publicado en 1842, que nunca había encontrado una leyenda referida a inundaciones entre los sudafricanos hasta que, un día, un hotentote namaqua le contó una. Sospechando que, podía tener la influencia de algún misionero, interrogó al hombre exhaustivamente, pero éste le aseguró que era una historia de sus antepasados, y que los hotentotes nunca habían encontrado antes un misionero. Sin embargo, más adelante, cuando Moffat comparaba sus notas con las de otro misionero, se enteró que el otro había relatado la leyenda de Noé al mismo hotentote.
El antropólogo inglés sir James Frazer, y otros antes que él, especialmente el geógrafo y antropólogo alemán Richard Andree, recopilaron leyendas sobre inundaciones de todas partes del mundo y las examinaron para tratar de establecer si se debían a origen local o a transmisión. Tratar de citar lo que ellos exponen llenaría un extenso libro y, además, sería repetitivo. De modo que sólo se examinarán algunos ejemplos, típicos del mundo entero, a la luz de su medio geológico. Así, posteriormente, el lector podrá obtener sus propias conclusiones en cuanto al origen de las tradiciones que sobre inundaciones se hallan en tan diversos pueblos.
* * * *
La más antigua historia de inundaciones conocida es la de Noé, cuyo origen puede rastrearse hasta Sumeria. La historia bíblica es demasiado conocida como para repetirla aquí. Lo que no es tan conocido es que la versión del Génesis fue recogida, por algún ignoto editor, de dos narraciones distintas y no por completo consecuentes. Una de ellas proviene de los documentos yahavistas (jehovistas) (J) y la otra de una fuente «sacerdotal» más cercana (S). El enviar las aves para constatar si las aguas habían descendido, y el ofrecimiento de sacrificios por Noé, son peculiares de J; las instrucciones detalladas para construir el arca, el monte Ararat como el lugar de descanso, y el arco iris de promesas, son peculiares de S. En J. la inundación culmina en cuarenta días; en S, en ciento cincuenta. En J. los animales tardan una semana en embarcar: en S, aparentemente, un día. Y en S la inundación se produce, además de las lluvias, por un embate de aguas subterráneas.
La versión babilónica es prácticamente idéntica, excepto que el nombre del personaje principal es Utnapishtim. La historia de Utnapishtim está incorporada en la épica de Gilgamés, recordada en tabletas desenterradas, en Nínive, de la biblioteca de Ashurbanipal (668-633 a.C.). Se han encontrado bastantes fragmentos y textos de versiones más antiguas, en distintos lugares, como para probar que la versión de Ashurbanipal, a su vez, se basa en un relato sumerjo que se remonta hasta alrededor del 3400 a.C., y en la cual el héroe se llama Ziudsuddu o Xisuthrus. Utnapishtim era un buen hombre al que el dios del mar le previno que el mundo, para castigar la debilidad de la Humanidad, sería destruido por una inundación. Según las instrucciones recibidas. Utnapishtim construyó un barco en el que se acogió con su familia, en la cual todos sus miembros eran hábiles artesanos, y los animales. Después de siete días de tempestad, la embarcación varó en «Mount Nisir» (monte Nisir). Utnapishtim envió una paloma que no vio tierra y regresó; luego, una golondrina, que también regresó, y, finalmente, un cuervo que no retomó a la nave. Después de desembarcar. Utnapishtim ofreció un sacrificio a los dioses, que «olieron el dulce sabor» y prometieron que no habría más diluvios y, por último. Utnapishtim se fue a vivir con ellos.
Al principio se pensó que los hebreos podían haber conocido esta historia cuando estuvieron cautivos en Babilonia, bajo el reinado de Nabucodonosor (605-562 a.C.), pero el relato del Génesis en su forma más antigua, en los documentos jehovísticos, se cree que se escribió en el siglo VIH o IX antes de Jesucristo. Otros han sugerido que pudieron recoger el relato de los canaanitas, si bien parece más factible que los Patriarcas llevasen el relato con ellos cuando migraron desde Mesopotamia.

Figura 27. Mapa esquemático de Mesopotamia, cuna de la tradición hebreo-babilónica sobre inundaciones.
Se ha intentado desvirtuar a Mesopotamia (Figura 27) como la fuente de la tradición bíblica, basándose en que las lluvias no son lo suficientemente intensas en la zona como para producir una inundación. No obstante, las lluvias que originan la crecida de un río en su curso inferior pueden caer en cualquier punto de su cuenca colectora, y tanto el Tigris como el Éufrates son, en verdad, ríos muy largos. Además, existen pruebas arqueológicas de que hubo inundaciones allí, no una, sino varias veces. En Ur, a la altura de el Obeid, se halló una capa de cieno producida por una inundación de tres metros de espesor, lo que indica que tuvo lugar durante el cuarto milenio antes de Cristo; en Kish también existen pruebas de otra inundación producida bastante después del 3000 a.C.; en Fara hay una capa de sesenta centímetros de terreno aluvial que prueba que hubo una inundación que se produjo un poco después de la de Ur, pero antes de la de Kish; y en Nínive hay un estrato de seis a siete pies (un metro ochenta a dos diez) de espesor, que debe ser de la misma época de la de Ur, o muy cercana. Estas capas constituyen una prueba de posibles inundaciones locales del Tigris o del Éufrates, o de ambos a la vez.
El geólogo austríaco Eduard Suess planteó, en 1904, que las inundaciones en Mesopotamia podrían haber sido más catastróficas si un tifón hubiera empujado las aguas poco profundas del golfo Pérsico hacia dentro, sobre el delta, aumentando así la crecida de los ríos, ya desbordados. El reciente desastre producido por un tifón en el este de Pakistán acentúa la verosimilitud de esta sugestión. Además. Suess creía que un terremoto pudo haber sido la causa de la irrupción de las aguas subterráneas, como un factor adicional de la inundación. La región es sísmicamente inestable y, en los planos aluvionales de los grandes ríos, el agua, frecuentemente, brota a chorros y forma grandes fuentes cuando el suelo se comprime debido a las sacudidas de un terremoto (estos chorros de aguas subterráneas se observaron en el terremoto de 1811-12, en Nueva Madrid, entre otros). Frazer señala que este detalle, que no se halla ni en la antigua versión jehovística ni en la sumeria, parece constituir un embellecimiento posterior de la historia primitiva. Creo que esto fortalece la posibilidad de que se iniciara al observar cómo las aguas brotaban a borbollones del suelo durante un seísmo, porque, de este modo, no es necesario depender de la coincidencia de un terremoto con una inundación simultánea.
El espesor del cieno de las inundaciones que aparece en las excavaciones de Mesopotamia no prueba ni que las aguas fueron profundas ni que se mantuvieron durante mucho tiempo. El factor decisivo en la sedimentación no es la profundidad del agua, sino su velocidad. Las aguas que fluyen con rapidez no depositan sedimentos; por el contrario, frotan y erosionan levantando todo lo que esté suelto y arrastrándolo o haciéndolo, girar. En el momento en que, por cualquier razón, la corriente se detiene, las partículas caen al fondo: primero las más pesadas y, luego, cuando la velocidad de la corriente disminuye, caen sucesivamente las más finas. Las obstrucciones locales, así edificios o muros, pueden acelerar o, por el contrario, frenar la corriente. Si el flujo tiene que estrecharse para pasar alrededor de diversos objetos, o entre éstos, su velocidad aumenta, y lo mismo sucede con su capacidad de roce y, entonces, socava o elimina la obstrucción. Pero si ésta está situada de tal modo que favorezca el estancamiento de agua, una parte importante de la carga queda en el lugar en reposo, mientras otros puntos no reciben ningún sedimento. Esto puede explicar por qué la capa aluvial dejada por la inundación del cuarto milenio a.C. no se encuentre en todas las zanjas que se cavaron en los primeros estratos de ocupación en Ur.
La inundación del cuarto milenio pudo ser o no la que se conmemora en la tradición de Utnapishtim-Noé, aunque muchos, entre los que me incluyo, creen que sí lo fue. Pero, cualquier crecida que haya sido la responsable, estuvo limitada a la cuenca inferior del Tigris-Éufrates. Sin embargo, especialmente si ambos ríos se desbordaron al mismo tiempo, se debió de inundar una gran extensión de las tierras bajas del delta, lo suficiente como para haber constituido «todo el mundo» para los habitantes de Ur y de otras ciudades de la planicie.
* * * *
Después del diluvio babilónico-hebreo, el más conocido para la mayoría de nosotros es el de Deucalión, de la mitología clásica.
De las varias tradiciones griegas sobre inundaciones, es la única en que se dice que éste fue universal. Deucalión, hijo de Prometeo, era un rey de Tesalia. Cuando la Humanidad se comportó de un modo malvado. Zeus decidió destruir el mundo. Prometeo se lo advirtió a Deucalión, que era un hombre piadoso y bueno, y le aconsejó construir una gran barcaza de madera y llenarla de provisiones. Llovió durante nueve días y nueve noches y las aguas crecieron tanto que sólo la cumbre del monte Parnaso (véase Figura 28) se mantuvo sobre el nivel del agua. Deucalión y su mujer, Pirra, flotaron a salvo en su barcaza, que, finalmente, se varó sobre el Parnaso cuando las aguas retrocedieron. Tan sólo desembarcar dieron gracias por su salvación y le rogaron a Zeus que aliviara su soledad. Zeus les ordenó que lanzaran tras de sí los «huesos de su madre». Interpretando que esto debía significar las rocas, los huesos de la madre Tierra, Deucalión y Pirra arrojaron piedras detrás de ellos y cada una de ellas se transformó en un hombre o en una mujer. Deucalión y Pirra tuvieron un hijo al que llamaron Helen, del que nacieron los antecesores de los griegos (helenos).
Los griegos, incluido Aristóteles, aceptaban el diluvio de Deucalión como hecho histórico. Un pilar de mármol hallado en la isla de Paros anota una lista de los reyes de Grecia y las fechas de sus reinados, según la cual el diluvio de Deucalión tuvo lugar alrededor de 1539 a.C. Sin embargo, las fechas del mármol de Paros son, para los acontecimientos más antiguos, un poco más antiguas que las estimadas en las genealogías existentes, ya que, de acuerdo con éstas, Deucalión vivió alrededor de dos generaciones después, y la inundación se produjo alrededor de 1430 a.C. El historiador egipcio Manetho afirmó que el diluvio de Deucalión se produjo durante el reinado de Tuthmosis III (1490-1439 a.C.). En la mitad del siglo XV a.C., o quizás antes, hubo una erupción, del tipo Krakatoa, en el volcán de Santorín, en el mar Egeo (sobre el que trataremos en los capítulos siguientes). Al terminar dicha erupción, el volcán cayó formándose una caldera, y esta caída pudo generar uno o más tsunamis, posiblemente mucho mayores que ninguno de los que se habían producido antes en el área del Mediterráneo. Las fechas posibles para Deucalión y la erupción son lo suficientemente cercanas, según nuestros conocimientos actuales, como para que la interpretación (planteada por primera vez por A. G. Galanopoulos) de que la leyenda o mito del diluvio de Deucalión sea una consecuencia de esta catástrofe, parezca muy razonable. Bajo este punto de vista, resulta significativo que Andree exprese que, en una versión anterior del mito, se diga que la inundación había venido del mar («Meerjlut»), y esto, ¿qué puede significar si no un tsunami?

Figura 28. Grecia y el mar Egeo, indicando la situación de lugares que se mencionan en varios mitos clásicos. La erupción del Santorín, en el año 1500 a.C., puede haber sido el origen de varios mitos y tradiciones aparentemente no relacionados, y pudo, asimismo, ser la causa de la súbita desaparición de la civilización minoica.
Versiones posteriores de la historia del diluvio de Deucalión incluyen detalles muy semejantes al relato hebreo-babilónico. Con el paso del tiempo, la inundación venida desde el mar se transformó en lluvia durante nueve días y nueve noches, la barcaza se transformó en un arca, se incluyeron animales en la lista de pasajeros y Deucalión envió varias veces consecutivas una paloma para comprobar si las aguas se habían retirado. De este modo, dos tradiciones de dos lugares diferentes, basadas en inundaciones que se produjeron a varios siglos una de otra, se funden en lo que es, esencialmente, el mismo relato. Una de las diferencias entre la tradición griega y la hebrea es que a Deucalión y Pirra les siguieron un número no especificado, pero presumiblemente bastante elevado, de acompañantes, surgidos de «los huesos de la Tierra», para ayudarles a repoblar la Tierra. Ahora bien, evidentemente, si los griegos creían que su inundación se había producido menos de mil años antes, eran necesarias más de una familia de sobrevivientes para llegar a constituir, en el tiempo que había transcurrido desde el desastre, una población igual a la del mundo que ellos conocían.
No hay acuerdo respecto a Deucalión y los personajes asociados a otras tradiciones de inundaciones. Frazer, quien, por supuesto, ignoraba que se hubiera producido un acontecimiento geológico aproximadamente en la misma época, y que podría haber sido el origen de una gran inundación, y que, además, no se impresionó con la sugerencia, bastante acertada, de Andree, de que el diluvio de Deucalión pudo constituir la tradición de algún tsunami generado por un terremoto (aunque Frazer creía firmemente que un tsunami podía ser la causa de la inundación), calificaba la leyenda de Deucalión como mito de observación, ideado para explicar el espectacular valle de Tempe (valle del Templo) (véase Figura 28). Los antiguos griegos suponían que dentro del círculo de las montañas tesalianas hubo un lago de vastas proporciones, y que el desfiladero se había producido cuando, súbitamente, las aguas irrumpieron. (En realidad, el desfiladero es el resultado del proceso normal de erosión, y el lago es un producto de la imaginación.)
J. V. Luce y otros prefieren relacionar el diluvio de Deucalión con el desbordamiento de la cuenca de lago Copáis (véase Figura 28), una tierra baja pantanosa (hoy drenada y cultivada) que se inundaba cada vez que el río Cefiso aumentaba su volumen. Según Luce, esta crecida se debía, posiblemente, a las excesivas lluvias producidas por la erupción del Santorín (lo que es verosímil), y el desagüe de la cuenca bloqueada como resultado de «un terremoto asociado con una erupción del Thera» (lo que, por las razones que se expondrán en el capítulo siguiente, no es posible). Ambos, Frazer y Andree, unen la inundación del lago Copáis con Ogyges, un rey de quien se dice que fundó la ciudad de Tebas, en Beocia. La inundación de Ogyges, la tradición más conocida sobre inundaciones después de la de Deucalión, no se difundió tanto ni fue tan importante como la de Deucalión, y los griegos —para los que ésta también era un hecho histórico— creían que había sido anterior. Por supuesto, existe la posibilidad de que el diluvio de Deucalión se debiese a una inundación desde la costa, producida por un tsunami o por la inundación de una región mal desaguada, como la cuenca del lago Copáis. En el caso de que se diera una conjunción de ambas causas, sería más factible que la inundación resultante inspirara una tradición de diluvio universal.
La tercera gran inundación en las leyendas griegas es la que se asocia al rey Dárdano de Arcadia, quien debió retroceder hasta Samotracia a causa de las inundaciones que se produjeron en su tierra. Frazer atribuye este mito a alguna inundación real en los alrededores del lugar de nacimiento del rey, Feneus, zona que, como la región del lago Copáis, sufría frecuentes crecidas. Existen muchas otras leyendas referidas a inundaciones totalmente locales, algunas de las cuales señalan con claridad un tsunami en su punto de partida. Muchas de ellas, también, pudieron inspirarse de un modo particular en el tsunami de Santorín, pero dichas leyendas se considerarán en un capítulo posterior, ya que en éste nos ocuparemos sólo de las tradiciones de diluvios generalizados.
* * * *
Fuera de Grecia, las leyendas sobre inundaciones son sorprendentemente raras en Europa. Hay una referida a Gales, otra a Lituania, dos en la mitología nórdica, una de Transilvania, que involucra a un pez que puede derivarse de la leyenda india, y otra de Voguls, una tribu que vive a ambos lados de los Urales, que atribuye las inundaciones a las lluvias después de una prolongada sequía. La historia galesa cuenta cómo se inundó toda Gran Bretaña cuando el lago Llion se desbordó; en sus detalles se trata, obviamente, del relato bíblico trasplantado a un medio local. La leyenda lituana resulta más elaborada, y contiene elementos comunes a la Biblia y a Deucalión: cuando Dios miró hacia abajo desde el cielo y contempló guerra e injusticias entre los hombres, envió dos gigantes, el viento y la lluvia, que llevaron durante veinte días y veinte noches la devastación a la tierra pecadora. Cuando miró de nuevo, estaba comiendo nueces y arrojó una de las cáscaras, que cayó precisamente en la cima de una montaña en la que los animales y unas pocas personas se habían refugiado. Todos subieron a la cáscara de nuez y flotaron sobre las aguas, salvándose así. Cuando Dios decidió que aminorara la tormenta y que las aguas retrocedieran, distribuyó a los sobrevivientes enviando una pareja a cada región. La que llegó a Lituania era ya vieja y se sentía sola. De modo que Dios les envió el arco iris para que se consolaran, y les ordenó que saltasen sobre los «huesos de la Tierra». Saltaron nueve veces y cada vez que lo hicieron surgió otra pareja, constituyéndose así los progenitores de las nueve tribus lituanas.
Aparentemente, en la mitología nórdica no hay influencia de la Biblia. Uno de los mitos se sitúa en tiempos anteriores a la aparición del hombre, en el tiempo de los gigantes. Cuando el malvado Ymir fue herido por Odín y sus hermanos Vili y Ve, la sangre se vertió a borbotones y produjo una inundación que ahogó a todos los gigantes cubriéndolos de escarcha, con excepción de Bergelmir y su mujer, que escaparon a Jótunheim y fundaron una nueva raza de gigantes. El otro mito escandinavo que hace referencia a una inundación es el de Ragnarok. «El crepúsculo de los dioses», inmortalizado en la ópera de Wagner. No resulta claro si esta debacle se supone que sucedió en el pasado o si está reservada como el Día del Juicio Final de la Cristiandad. Según lo describe Bulfinch, no ha llegado aún el día en que será destruida toda la creación visible. La Tierra se estremecerá, el mar se saldrá de su cauce, el cielo se despedazará y multitud de hombres perecerá. Luego, el lobo Fenris arrancará las cadenas que lo aprisionan, la serpiente Midgard saldrá del mar, y su padre Loki se liberará de su cautiverio y se unirá a los enemigos de los dioses. Encabezadas por Surtur, los gigantes de fuego de Muspelheim avanzarán. En la batalla que seguirá, los dioses y sus enemigos morirán, excepto Surtur, cuyas llamas consumirán el Universo. Después, un nuevo cielo y un nuevo mundo surgirán del mar. Otras versiones utilizan el tiempo pasado, y afirman que unos pocos hombres sobrevivieron al holocausto escondiéndose en el interior del gran árbol de cenizas Yggdrasil, que es el que sostiene al Universo, y que no fue destruido.
* * * *
Las tradiciones sobre inundaciones de Asia son muy diversas. El mito persa del Bundahish, una de las últimas escrituras de los persas, relata cómo, en los tiempos antiguos, la Tierra estaba repleta de criaturas malignas moldeadas por el perverso príncipe Ahriman. El ángel Tistar (la estrella Sirio) descendió sucesivamente en tres formas distintas —hombre, caballo y toro— y, en cada una de estas formas, hizo que lloviese durante diez días y diez noches. La primera inundación ahogó a todas las criaturas malvadas, pero las semillas del mal perduraron y envenenaron la Tierra. Antes de que Tistar regresara (en la forma de un caballo blanco) para enviar una segunda lluvia de limpieza, tuvo que luchar con el demonio Apaosha, que apareció bajo la forma de un caballo negro. Finalmente, con la ayuda de Ormuz, que atacó al demonio con un rayo. Tistar obtuvo la victoria. Antes de ser reducido. Apaosha profirió un terrible grito que aún se escucha durante las tormentas. La segunda lluvia limpió de veneno la Tierra e hizo que el mar fuese salado. Un gran viento arrastró las aguas hasta el fin del mundo, donde formaron tres grandes mares y veintiuno menores. Este mito no ofrece una visible semejanza con la tradición hebrea y parece ser esencialmente etiológico, ya que explica un cierto número de fenómenos naturales.
La tradición india es completamente distinta. En su versión más antigua relata cómo un hombre llamado Manu encontró un pequeño pez en el agua que le llevaron para sus abluciones matinales. El pez dijo: «Protégeme y yo te salvaré. Una gran inundación destruirá a todas las criaturas.» «Pero, ¿cómo puedo protegerte?», preguntó Manu. «Ponme en una jarra hasta que sea mayor. Cuando sea más grande que la jarra, cava un estanque para mí. Cuando sea demasiado grande para el estanque, déjame en el mar, puesto que entonces seré lo suficientemente grande como para que otros peces no puedan comerme.» Manu así lo hizo. Por indicación del pez construyó una embarcación, y cuando llegó la inundación, embarcó en ella. Él fue el único que se salvó de entre todas las criaturas de la Tierra. La raza humana se reprodujo porque los dioses dieron a Manu una mujer, después que éste ofreciera un sacrificio acordado con los dioses.
La leyenda de Manu es posterior al Veda, y sólo existen en estos libros oscuras referencias que puedan relacionarse con ella. Apareció por primera vez en el Satapatha Brahmana, que se remonta hacia el 600 a.C. Sin embargo, algunos creen que puede ser más antigua que la leyenda babilónica, aunque no hay razón para creer que haya sido el origen de ésta. Se ha sugerido que, según el medio geográfico, es posible que la rotura de una presa de un lago en el Himalaya sea la base real para una tradición de inundaciones en la literatura sánscrita.
En versiones posteriores. Manu no es un hombre común, sino un gran profeta o un rey. Como en el caso del mito de Deucalión, después de un tiempo aparecieron elementos posiblemente semíticos. En el Matsya Purana, que es del año 320. Manu lleva consigo a todas las criaturas vivientes y las semillas de las plantas en su «arca».
Cachemira posee un mito, obviamente etiológico, similar al que se atribuye al valle de Tempe (valle del Templo), en Grecia. El famoso valle de Cachemira, rodeado por altas montañas, se dice que estaba ocupado en la antigüedad por un lago, pero Vishnú creó una abertura en las montañas, cerca de Baramulla, a través de la cual desaguaba el lago, dejando el Happy Valley, que entonces estaba habitado por los descendientes de Ksayapa, tío de Brahma
La tradición budista de China y Japón no alude a una inundación universal. Hay una leyenda china que se refiere a la crecida de un río en particular. Frazer lo atribuye a un intento histórico de tratar de controlar las aguas del Hwang Ho (río Amarillo), llamado el «Dolor de China» debido a las desastrosas inundaciones que a menudo se producen. Durante el reinado de un soberano mítico llamado Yao, hubo un terrible diluvio que duró veintidós años. Yao llamó a Kun para controlar la situación. Kun luchó sin éxito durante más de nueve años, tratando de contener las aguas por medio de diques. Su hijo Yu continuó esta tarea, pero utilizando un sistema distinto, pues trató de diversificar el curso del río, dividiéndolo en nuevos cauces, y, después de trece años, obtuvo éxito. Muchos fragmentos de folklore geográfico recuerdan la labor de Yu. Así, la famosa Lung Men Gorge (Puerta de los Dragones), por ejemplo, se supone que fue cortada por él para desviar el Hwang Ho al mar.
Un relato chino completamente diferente, y bastante imaginativo, narra que una reina o diosa, llamada Nu Kua, luchó con el jefe de una tribu vecina. Mortificado por el hecho de haber sido vencido por una mujer, se golpeó la cabeza contra el Bambú Celestial y se desmayó, produciendo un agujero en la Bóveda del Cielo. Por allí cayó agua en grandes cantidades, pero Nu Kua cogió piedras de cinco colores distintos, las deshizo hasta transformarlas en polvo y mezcló una argamasa con la cual remendó el orificio y detuvo la inundación.
No hay tradiciones de inundaciones en el Asia Central semiárida, lo que no resulta sorprendente. El sudeste de Asia, en cambio, sí tiene mitos sobre inundaciones, muchos de los cuales muestran influencias bíblicas. Uno de los más interesantes es el de los Lolos, unos aborígenes independientes y cultos que viven al sudeste de China. Los Lolos creen que los patriarcas que vivían en la Tierra alcanzaron edades increíbles, más avanzadas que la de Matusalén, y que moran en el cielo. Cuando la Humanidad se tornó malvada, uno de estos patriarcas semi-divinos, Tse-gu-dzih, envió un mensajero a la Tierra pidiendo un poco de sangre y carne de un mortal. Sólo se encontró una persona que estuviera dispuesta a complacerle, un hombre llamado Du-mu. De modo que Tse-gu-dzih cerró las puertas de la lluvia y dejó que las aguas se acumularan hasta el cielo. Du-mu se salvó, en un tronco hueco, junto con sus cuatro hijos y algunas nutrias, patos salvajes y lampreas. De los cuatro hijos (de cuyas esposas no se habla) descienden los pueblos cultos del mundo, mientras que el resto de la humanidad es el producto de figuras de madera realizadas por Du-mu para repoblar la Tierra. Los Lolos observan el Sabbat o día de descanso (que. sin embargo, es cada seis días), durante el cual no trabajan. Esta costumbre, junto con las tradiciones de los patriarcas y la de las inundaciones, se adjudican a las enseñanzas de los misioneros nestorianos. el primero de los cuales se dice que llegó a China en el año 635.
Para los Benua-Jakun, una tribu aborigen del estado malayo de Johore, la superficie terrestre es sólo una piel que cubre el abismo lleno de agua. Una vez, el dios Pirman cortó la piel y todos se ahogaron, con excepción de un hombre y una mujer que él había encerrado en una embarcación de madera. Cuando, después de la inundación, la nave quedó inmóvil, ellos royeron hasta que lograron salir. La mujer concibió en las pantorrillas de sus piernas y, de la derecha, surgió un niño, mientras que de la izquierda lo hacía una niña. Toda la Humanidad desciende de dichos niños.
* * * *
Resulta curioso que no haya leyendas de inundaciones entre los egipcios. E igualmente sorprendente es que no existan en Egipto inundaciones desastrosas. Todos los años, el Nilo se desborda suave y previsiblemente, dejando detrás suyo un depósito de magnífico lodo que proporciona al suelo nueva vida. Cuando las aguas no alcanzan la altura habitual, se suceden días de escasez y, si bien crecidas demasiado grandes llegan a producir ciertos trastornos, las crecidas anuales han sido siempre, en líneas generales, benignas. De no producirse, este hecho constituiría precisamente el desastre capaz de ser conmemorado en una leyenda. También los otros ríos importantes de África experimentan una anual inundación que, puesto que se espera, no constituye ninguna calamidad.
La única leyenda del sur de África que guarda alguna relación con una inundación no es, en absoluto, una leyenda de inundaciones, sino una que trata de explicar el origen de un lago particular, el Dilolo, en el límite entre Zaire y Angola En realidad, esta leyenda pertenece al capítulo 4. «Folklore sobre la forma de la fierra», como algunas otras ya citadas en dicho capítulo. Según este relato, una cacique llamada Moena Monenga solicitó abrigo y comida en un poblado. No solamente no se los proporcionaron, sino que, cuando les reprochó a los pobladores su orgullo, ellos se burlaron y le dijeron: « ¿Qué puedes tú hacer?» En consecuencia, ella se lo demostró: comenzó un lento exorcismo y, al final del mismo, todo el pueblo se hundió en el suelo y el agua empezó a fluir llenando la depresión. Cuando el cacique del pueblo regresó de caza y vio lo que le había sucedido a su familia, se ahogó en el lago, desesperado. Este relato fue recogido por Livingstone y resultó ser el único que encontró en sus años de misionero que guarde alguna relación con una tradición de inundaciones. Él pensaba que el nombre del lago provenía de la palabra ilolo, que en el lenguaje local significa «desesperación».
La falta de tradiciones en Egipto y el resto de África ha sido un obstáculo definitivo para las teorías que sostienen que hubo grandes volúmenes de agua sobre toda la faz del globo a causa de colisiones cósmicas. Un trabajo poco conocido que afirma que hubo un impacto con un meteorito gigantesco alrededor de hace unos 11.500 años, expresa, un poco débilmente, que «Egipto tuvo la suerte de estar situado fuera de los efectos geológicos y de flujos producidos por la colisión y que fueron los causantes del diluvio». No alcanzo a comprender cómo Egipto pudo estar «situado fuera» cuando, precisamente, el impacto-generado-por-el-meteorito es lo que originó la inundación de la que se habla en la leyenda de Deucalión, que, justamente, se cita como evidencia en favor de la misma catástrofe. Se dice que el interior de África está «incluso mejor situado que Egipto, con elevaciones mayores y más cerca del punto de no distorsión de la geosfera»; pero luego, en la oración siguiente, los autores citan una versión, distinta de la leyenda del lago Dilolo, que dice que una gran ola cruzó el país, dejando el lago en una depresión. Una vez más, es difícil seguir el razonamiento que, por un lado, atribuye la falta de folklore sobre inundaciones a la ausencia de inundaciones allí, mientras expone la «evidencia» de un folklore que se refiere a una ola gigantesca que barrió una parte considerable del interior del sur de África. En su bien conocido Worlds in Collision (Mundos en colisión). Immanuel Velikovsky se enfrenta a la falta de tradiciones africanas sobre inundaciones con un ingenio que resulta admirable: invoca una «amnesia colectiva» que, de un modo muy conveniente, eclipsa el desastre fuera de la memoria de sociedades enteras, del mismo modo en que un individuo trata de borrar por completo acontecimientos desgraciados.
* * * *
En el otro extremo del mundo. Australia posee varias tradiciones sobre inundaciones que tienen muy poco en común entre sí, y nada en común con el relato bíblico. Es posible que se trate de relatos independientes acerca de inundaciones locales. Según los aborígenes del lago Tyres, de la región de Victoria, en cierta ocasión, una rana gigante se tragó toda el agua del mundo. Los otros animales trataron de hacerla reír para que, de este modo, devolviera el agua, pero ninguna de sus bufonadas consiguieron arrancarle más que una sonrisa, hasta que la anguila se puso sobre su cola y comenzó a danzar. Entonces, la rana rió tan estrepitosamente que el agua brotó a chorros provocando una terrible inundación, en la que muchos se ahogaron. En otra leyenda de Victoria (¿quizá parte de la misma?) los sobrevivientes de una gran inundación deben sus vidas al pelícano que los cogió en su barca.
Desde el oeste de Australia llega un relato con una moral bastante obvia: hace mucho tiempo vivían dos razas en las orillas opuestas de un río, una blanca y otra negra. Se casaban entre ellos, compartían las festividades y luchaban entre sí de modo amigable. Los blancos eran más poderosos y tenían mejores lanzas y boomerangs y, por tanto, llegaron a sentirse superiores y rompieron sus relaciones con los negros. Durante cierto tiempo, esta situación se mantuvo. Hasta que un día comenzó a llover. Llovió durante meses, y el río se desbordó y forzó a los negros a retirarse tierra adentro. Finalmente, las lluvias cesaron y las aguas retrocedieron. Cuando los negros volvieron a sus antiguos terrenos de caza les sorprendió ver que sus orgullosos vecinos habían desaparecido bajo las aguas de un amplio mar. Según Andree, esta leyenda es antigua, pero el detalle de que la raza blanca era orgullosa fue agregado después de la colonización de Australia por los ingleses.
* * * *
Los Mares del Sur también suministran una abundante tradición sobre inundaciones en diversas formas. Aparte de algunos paralelos bíblicos, que pueden ser atribuidos fácilmente a influencia misionera, muchas de estas tradiciones son asombrosamente compatibles con el ambiente geológico local. Con frecuencia se dice que la inundación llega del mar, como puede esperarse en islas que están sujetas a terremotos que generan tsunamis, u olas que azotan como tifones.
En las Society Islands hay una leyenda ligada a la isla de Raiatea. Un día, un pescador, ya sea por ignorancia o por desobediencia, violó un tabú pescando en aguas sagradas del dios del mar Ruahatu. Su anzuelo se enganchó en los cabellos del dios, que estaba durmiendo, y después de una larga e intensa lucha tiró de un dios que, en verdad, estaba furioso. Para castigar al pescador. Ruahatu decidió que la Tierna se hallaba entonces profanada y debía ser destruida. El pescador se echó a sus pies y le pidió clemencia, implorándole que, al menos, le permitiera escapar. Ruahatu cedió y le ordenó que se dirigiera con su familia al islote de Taomorama, dentro de los arrecifes del lado este de Raiatea. A la mañana siguiente, las aguas del océano comenzaron a subir y la gente de Raiatea se fue hacia las montañas. Por fin, todo quedó sumergido, hasta las cumbres de las montañas, y todos se ahogaron. Cuando las aguas retrocedieron, el pescador y su familia volvieron a la isla principal y fueron los antecesores de los habitantes actuales. Esta leyenda es, según Andree, un intento de explicar los fósiles de corales y conchas encontrados sobre el nivel del mar, y que datan de una posición más alta del mar con relación a la tierra. Las gentes de Raiatea no parecen preocupadas por una inconsistencia llamativa en el relato: el punto más alto del lugar está a 3.388 pies (1.016 metros) sobre el nivel del mar, mientras que Taomorama, el lugar en que se refugiaron, es una pequeña isla coralina de sólo un par de pies (unos sesenta centímetros) sobre el nivel de la marea alta en su punto más alto. Nada puede estar más alejado de la tradición bíblica que el pecador sea salvado mientras los inocentes son destruidos. Se trata, simplemente, de la misma actitud polinesia evidenciada en la leyenda de Kahawali, que tanto llegó a perturbar a William Ellis (véase capítulo 6).
La misma postura se revela en una tradición sobre inundaciones de las islas Fiji. En este caso, la inundación (en forma de lluvia incesante) la envía el gran dios Ndengei para castigar a sus débiles e impenitentes sobrinos por haber matado al pájaro de Turukawa. Cuando las aguas llegaron hasta los picos altos en los que se habían refugiado, las cimas se salvaron por la intervención de dioses menores, a los que ellos apelaron. Algunas versiones dicen que se les aconsejó que construyeran una balsa con los frutos de la pampelmusa, otras que les enviaron dos canoas, y otras, en fin, que se les enseñó cómo hacer una piragua. De cualquier modo, llegaron, flotando, hasta la isla de Mbengga, cuyos habitantes se consideran el equivalente Fuji de los descendientes del Mayflower.
La topografía decididamente inusual de Mangaia, una de las islas Cook, se refleja claramente en las tradiciones sobre inundaciones. Roca volcánica erosionada coronada por un núcleo central plano a 554 pies (166 metros) sobre el nivel del mar en su punto más alto, dicha isla está rodeada por una especie de foso, que no tiene más de 20 a 40 pies (6 a 12 metros) sobre el nivel del mar, en el que se cultiva el taro. El foso, a su vez, está rodeado por una plataforma elevada de rocas de coral erosionadas llamadas Makotea, de 110 hasta 210 pies (de 33 a 63 metros) sobre el nivel del mar. Desde la base del Makatea hasta una altura de unos 45 pies (13.50 metros) se extiende un talud, de unos 100 pies (30 metros) de anchura, que desciende escalonado hasta el mar, terminando en un risco de 15 a 35 pies (de 4.5 a 10.50 metros) de altitud. Al nivel del mar hay un arrecife periférico de 300 yardas (274 metros) de ancho, en donde se encuentran formas coralinas. La forma de Mangaia es única (figura 29).

Figura 29. La isla de Mangaia, en el sur del Pacífico, cuya forma única inspiró una tradición local. El centro de la isla es un antiguo volcán que se redujo hasta el nivel del mar. y, después, alzado de nuevo y erosionado, mientras un arrecife periférico se formaba a su alrededor. El hundimiento gradual permitió que el coral creciera hacia arriba, formando un arrecife coralino separado de la isla por una laguna. La nueva elevación dejó al arrecife de coral alto y seco, formando el «Makatea», una plataforma rodeada por una depresión como un foso, que fue la laguna. (Tomado de Marshall. 1927.)
El mito local relata que la forma de la isla era antes llana y regular, con suaves declives. Un día, los dioses del mar y de la lluvia decidieron desafiarse para ver quién era el más poderoso de los dos. Con la ayuda del dios del viento, el del mar atacó la isla y pudo inundar la costa hasta la altura del Makatea. Después, el dios de la lluvia hizo que lloviese durante cinco días y cinco noches, de modo que el agua arrastró la arcilla roja y las pequeñas piedras hacia el océano y excavó profundos valles de las lomas, hasta que sólo quedó, de la superficie original, la parte central plana del pico. Habiéndose enterado de la amenazante lucha, el primer jefe, llamado Rangi, condujo a su pueblo al pico central: la «Crown of Mangaia» («Corona de Mangaia»), Cuando la situación se hizo más precaria. Rangi suplicó al dios supremo que ordenase a los otros que suspendieran la contienda.
Esta explicación folklórica de la forma de Mangaia indica una valoración precisa, aunque mal aplicada, del papel que representan las aguas al escurrirse y las olas del mar, especialmente las que son llevadas por la tormenta, en la formación del paisaje. La historia geológica de la isla, expuesta brevemente, es la siguiente: la isla fue, en un principio, un volcán formado desde el fondo del mar. Cuando cesó toda su actividad, fue erosionándose a causa de la acción combinada del agua al escurrirse y de las olas del mar, hasta que no quedó nada más que un bajío. Este último fue elevado sobre el nivel del mar y sometido a la acción prolongada de los elementos naturales (descomponiéndose la roca superficial en arcilla roja) y a la erosión de las aguas que se deslizaban y cavaban profundos valles en los taludes. Mientras tanto, un arrecife periférico creció alrededor del límite de la isla. Luego, la isla se hundió tan gradualmente que los corales pudieron desarrollarse hacia arriba hasta formar un arrecife de coral, separado de la tierra firme por una laguna. En etapas posteriores del hundimiento, el arrecife se extendió también hacia fuera. La nueva elevación de la tierra dejó al arrecife alto y seco, formando el Makatea: la extensión hacia el mar del arrecife coralino se transformó en el talud escalonado: y la antigua laguna, detrás del arrecife, se convirtió en el foso plano como una hoja de nenúfar. En la última etapa de desarrollo, creció un nuevo arrecife periférico que avanzó más allá del borde de la terraza. Frazer hace notar que:
«Si el que recopiló la historia no hubiera descrito los aspectos de la isla... quizá nosotros no habríamos podido percibir el origen puramente local del relato, v nos hubiéramos sentido tentados a buscar sus orígenes en alguna lejana fuente, incluso encontrando una confusa reminiscencia con Noé y su arca. Se puede conjeturar que muchas otras histonas de grandes inundaciones podrían ser resueltas, en forma similar, refiriéndolas a mitos locales, si estuviéramos más familiarizados con aquellos rasgos naturales de! lugar que con los relatos que se han inventado para tratar de explicarlos.»
Los indios de América del Norte tienen un abundante folklore que evidencia la forma en que mitologías primitivas asimilan profundamente elementos posteriores. Por ejemplo. Old Coyote Man (Anciano coyote), el héroe de la leyenda del Cuervo, se supone que inventó los caballos; sin embargo, los caballos eran desconocidos para los indios hasta que los conquistadores los introdujeron en el siglo XVI. El parecido general de la mayoría de las leyendas de los indios norteamericanos sobre inundaciones se explica fácilmente en términos de migraciones o contactos entre las tribus, y la frecuente semejanza con el relato bíblico no es difícil atribuirla a los esfuerzos de los misioneros.
Una leyenda chippewa es inusual porque atribuye las inundaciones a la fusión de la nieve. AI comienzo de los tiempos, en el mes de septiembre hubo una gran nevada. Un pequeño ratón hizo un agujero en la bolsa de piel que contenía el calor del sol, y el calor se esparció por la Tierra y fundió las nieves en un instante. El agua derretida se elevó hasta la parte alta de los pinos más altos y continuó ascendiendo hasta que las montañas más altas quedaron sumergidas. Un anciano había previsto la inundación y advirtió a sus amigos, pero ellos sólo respondieron: «Cuando llegue, nos iremos a las montañas.» Todos se ahogaron, pero el anciano había construido una gran canoa en la que flotó sobre las aguas y rescató a todos los animales que encontraba. Después de cierto tiempo, envió al castor, a la nutria, a la rata almizclera y al pato, uno cada vez, para tratar de encontrar tierra. Sólo el último regresó, llevando lodo en su pico. El anciano puso el lodo sobre el agua y sopló sobre él, y éste se expandió formando una isla lo bastante grande como para acogerle a él y a todos los animales.
Aun en el árido Sudoeste hay tradiciones de inundaciones. Según los papagos, el Gran Espíritu creó primero la Tierra y todos los seres vivos, menos el hombre. Luego, hizo al héroe Montezuma, con cuya ayuda creó todas las tribus indígenas. El primer mundo era feliz y apacible, pero fue destruido en una gran inundación. Advertido por su amigo Coyote. Montezuma había construido un barco y, cuando las aguas se elevaron, ellos dos se salvaron. Al retirarse las aguas, el Gran Espíritu, otra vez con la ayuda de Montezuma, creó de nuevo el hombre y los animales.
Un relato sobre inundaciones de Arizona pertenece a la categoría de geomitos «ex post facto», inventados para explicar un detalle del paisaje. En este relato se narra cómo, cuando las aguas subieron, un gran jefe condujo a sus guerreros más y más arriba en las Superstition Mountains (montañas de la Superstición). Cuando fue obvio que incluso los picos más altos quedarían sumergidos, el jefe convirtió a sus guerreros en piedra para que no tuvieran el ignominioso destino de ahogarse, y allí están hasta hoy, guardando las alturas (Ilustración 35). Los Apache Warriors (Guerreros apaches) son, en realidad, columnas de toba[36]
del Mioceno, unidas y desgastadas por los elementos naturales. No sé si ésta es una leyenda auténtica o no. pero las Superstition Mountains, que están a unas veinte millas (32 kilómetros) al este de Fénix, son consideradas sagradas por los apaches. Creen que el orificio que lleva a las profundidades de la Madre Tierra está ubicado en esta cadena de montañas, y que esta entrada se halla custodiada por una serpiente de nueve cabezas que no permite el paso a ningún mortal. Se supone que los vientos que surgen de dicho orificio son los causantes de las grandes tormentas de polvo. La importancia del relato de los Guerreros Apaches no reside en la inundación misma, sino en la creación de una impresionante forma terrestre que necesita ser explicada. Si el relato no es un moderno «fakelore» (pseudo folklore) y si se dice que la inundación es el diluvio, me inclinaría a creer que se fusionaron tradiciones después de que los apaches se enteraron de la inundación de Noé.
Dicho entre paréntesis, me han asegurado que hay norteamericanos actuales que señalan una capa de roca, débilmente coloreada, en la parte alta de las Goldfield Mountains (montañas de los Campos de oro) de Arizona, como la marca más alta de! diluvio de Noé (Ilustración 36). La capa descolorida es una toba de riolita, debajo de la cual hay granito precámbrico gris oscuro y cubierta por un flujo de lava oscura; la toba sobresale tanto que, en los días claros, puede verse desde Fénix, a veinte millas (treinta y dos kilómetros) de allí.
En una leyenda de los indios Makah, del cabo Flattery, de Washington, en cierta ocasión el océano Pacífico se elevó y descendió varias veces en el transcurso de pocos días. Primero, el agua se elevó lo bastante como para separar el cabo de la tierra firme; luego, de pronto descendió, dejando alta y seca la bahía Neah. Cuatro días después alcanzó el nivel más bajo y, entonces, comenzó a crecer lentamente hasta que el cabo y toda la Tierra quedaron sumergidos, con excepción de las cumbres de las montañas. El agua que se elevaba era muy cálida. Los que tenían canoas, cargaron en ellas sus pertenencias, y las aguas los llevaron de aquí para allá, pero, generalmente, hacia el norte, pues la corriente era muy intensa. Numerosas canoas quedaron atrapadas en los árboles, y muchos indios murieron. Cuando, después de más de cuatro días, el mar volvió a su normalidad, un considerable número de las tribus se encontraron que estaban más al norte, donde aún permanecen sus descendientes.
J. G. Swan, que, según Andree, fue el primero en registrar esta leyenda, en 1869, lo atribuye a algún movimiento «volcánico que elevó y hundió un área». Sin embargo, la región inmediata no es volcánica y, en cualquier caso, no se conoce este tipo de levantamientos en relación con el vulcanismo. ¡Cuánto más simple resulta decir que fue el mar el que se elevó y descendió, como afirma la leyenda! Permitiendo algún tipo de exageración, no es posible describir mejor un tsunami originado por algún lejano terremoto.
* * * *
La tradición sobre inundaciones es muy numerosa a lo largo de toda la América Latina. Hay muchas leyendas en las que los sobrevivientes de un diluvio, una familia o una pareja, escapan en una calabaza, en una canoa o en una balsa, o se suben a los árboles o escalan una montaña. En algunos casos son muy fáciles de identificar los matices bíblicos.
Un ejemplo primitivo de leyenda sobre inundaciones de origen local e independiente, es el de los indios araucanos, cuya región comprende la parte de Chile que se conocía como Araucanía (figura 30). Se dice que dos serpientes fueron la causa de que el mar se elevara cuando trataban de probar cuál de ellas poseía más poderosas artes mágicas. La inundación se produjo tras un intenso terremoto relacionado con una erupción volcánica, y la gente se refugió en una montaña que flotó hasta llegar cerca del Sol. Desde entonces, cada vez que los araucanos perciben un terremoto, corren hacia las montañas llevando consigo cuencos para protegerse del calor del Sol. A lo largo de esa parte de la costa del Pacífico hay fallas activas, el movimiento de una de las cuales originó el terremoto de mayo de 1960. Esa sacudida generó un tsunami que resultó desastroso. A través de los tiempos, los tsunamis originados por terremotos deben de haber sido numerosos. También resulta significativo que una de las tres veces en que una erupción volcánica parece haber sido motivada directamente por un terremoto es la de Puyehue, situado en una de las fallas en que se producen seísmos. Comenzó, primero, una erupción que se prolongó durante dos días antes de la primera sacudida, probablemente porque el movimiento de tierra permitió que aguas superficiales se pusieran en contacto con el magma caliente (como ocurrió en otro conocido caso, el de Pematang Bata, de Sumatra, en 1933). ¿Es necesario buscar otro origen para la tradición araucana sobre inundaciones que alguna cadena de circunstancias similar en el pasado? El hecho de que el desastre fuera atribuido sólo al capricho de criaturas sobrenaturales, y no a un castigo por alguna transgresión, explica claramente la consciencia que tenían los indios, que eran quienes lo sufrieron directamente, de las causas del fenómeno.
Bogotá, la capital de Colombia, está en la meseta de Cundinamarca, rodeada por montañas. El drenaje de esta meseta se produce a través del río Punza, que corre por un estrecho desfiladero, en las montañas que limitan la meseta por el oeste, y cae por allí formando las cataratas de Tequendama, de alrededor de 450 pies (135 metros) de altura, antes de encontrarse con el río Magdalena. La tradición respecto a inundaciones de los indios chibchas, como las del valle de Tempe (valle del Templo) y el de Cachemira, significa un intento imaginativo de explicar la geografía local: hace mucho tiempo, las gentes que vivían en la meseta eran temibles salvajes. El dios del Sol, Bochica, se mezcló entre ellos tomando la forma de un anciano, y les enseñó cómo construir cabañas y organizarse en sociedades ordenadas. Su hermosa mujer. Chia, que era malvada, trató de frustrar sus esfuerzos de civilizar a los indios, pero su magia no era tan poderosa como la de él. Lo mejor que pudo hacer, en lo que a maldades se refiere, fue lograr que el Funza creciera fuera de su cauce e inundara toda la meseta, que en aquellos tiempos estaba rodeada por una ininterrumpida cadena de montañas. Sólo unas pocas personas, que llegaron a tiempo a las montañas, pudieron escapar y no se ahogaron. Bochica, enfadado, desterró a Chia al cielo, en el que ella se transformó en la Luna. Luego, rompió las montañas y las aguas de la inundación pudieron escurrirse, dejando sólo el lago Guatavita.

Figura 30. La región de Chile en la que se produjo el terremoto de mayo de 1960. Un tsunami como el originado por la sacudida más fuerte pudo ser el origen de la tradición sobre inundaciones entre los indios araucanos.
En la región de Río de Janeiro, en Brasil, los indios tienen una leyenda en la que dos parejas se salvan subiéndose a altos árboles. Los hermanos gemelos de un gran mago reñían constantemente porque uno era bueno y el otro malo. Un día, el hermano bueno, enfadado por alguna acción del gemelo malo, dio una patada tan fuerte que la Tierra se abrió y apareció una fuente de agua que la lanzaba tan alto que llegaba hasta las nubes. Pronto, todo el mundo quedó sumergido. El hermano bueno y su mujer se subieron a un árbol de pindona, mientras que el hermano malo y su mujer lo hicieron a un árbol de geniper, y allí permanecieron hasta que las aguas se retiraron. De estas dos parejas descienden los tupinambas y los tominus, dos tribus que siempre disputan entre sí. Cualquier inundación local pudo originar esta leyenda.
Como es lógico esperar de pueblos geográficamente contiguos, los aztecas, los mayas y los quichés de México y de Guatemala tienen tradiciones sobre inundaciones que poseen muchos elementos en común. En todas ellas, la inundación es parte del mito de la creación, en el que hay varios intentos de crear al hombre, con insatisfactorios resultados, y su destrucción en una serie de cataclismos. Como se relata en el Popul Vuh, de los quichés, los dioses no estaban satisfechos después de crear los animales, porque éstos ni hablaban ni reverenciaban a sus creadores. Por tanto, trataron de crear al hombre partiendo de la arcilla. Las primeras personas no podían girar la cabeza, y, aunque sí hablaban, no entendían nada. Entonces los dioses enviaron una inundación que destruyó su defectuosa tentativa. En un segundo intento, hicieron al hombre de madera, y a la mujer de caña, pero, aunque tales criaturas eran mejores que las primeras, todavía ofrecían el aspecto de animales, hablaban de un modo ininteligible y no resultaron agradables a los ojos de los dioses. La mayoría de esos hombres y mujeres fueron destruidos por una lluvia de incandescente resina y por un terremoto, pero quedaron algunos supervivientes que huyeron a los bosques y se transformaron en monos. La tercera vez. los dioses utilizaron maíz blanco y amarillo, y los resultados fueron tan excelentes que los dioses se inquietaron y les desposeyeron de algunas de las características sobrehumanas con que les habían dotado, dejando el tipo imperfecto de seres humanos que tenemos en el mundo de hoy, y que son los descendientes de los quichés.
En los relatos aztecas, la primera raza de hombres fue devorada por los jaguares (u ocelotes): la segunda fue llevada por el viento, siendo los hombres transformados en monos: la tercera, regada con fuego (¿una erupción?) y los seres humanos convertidos en pájaros: y la cuarta fue arrastrada por las aguas y los hombres metamorfoseados en peces, con excepción de una pareja que se salvó en un tronco hueco de un ciprés. La versión mexicana más corriente dice que el hombre que pudo escapar se llamaba Coxcox y su mujer Xochiquetzal: en otras versiones son un dios y una diosa. La pequeña embarcación en la que escaparon quedó varada en el pico de Culhuacán. De ellos nacieron muchos hijos, todos mudos. Más tarde, llegó una paloma que les dio las lenguas y los dotó de muchos idiomas distintos. De estos niños descienden todas las naciones del mundo.
La historia de Coxcox es la única leyenda sobre inundaciones con posibles elementos bíblicos introducidos posteriormente en un documento pre-misionero existente en forma de pictografía. ¿O no? Según Andree, ninguno de los escritores dedicados a la mitología mexicana que pudieron haber escuchado el relato en el tiempo de los conquistadores, o poco después, mencionó nunca una leyenda del tipo del diluvio bíblico y, además, duda que la interpretación de las pictografías fuera la correcta. En esto sigue a don José Fernando Ramírez, conservador del Museo Nacional de la ciudad de México, que demostró que las descripciones de las pictografías dadas por Clavijero. Humboldt, Kingsborough y otros, estaban basadas en la misma fuente: un mapa publicado por Gemilli Careri en A Collection of Voyages and Travels (Una colección de viajes y travesías), volumen 4, de Churchill. Gemilli Caren interpretó este dibujo como la histona del diluvio y Humboldt y los demás hicieron lo mismo y aceptaron su interpretación. Pero, según Ramírez, la «paloma» trata, en realidad, de representar al pájaro conocido como el tihuitochan, que llama «Ti-hui», y el dibujo representa, en realidad, la historia de la migración de los aztecas al valle de México. Se cree que los aztecas llegaron a México desde el norte. Sus tradiciones cuentan cómo un pequeño pájaro repetía continuamente «Ti-hui, ti-hui», que, en su lengua, quiere decir « ¡Vamos!», y sus sacerdotes interpretaron esto como una orden divina para buscar un nuevo hogar. Se establecieron siete sub-tribus, seis de las cuales se instalaron con bastante rapidez en varias partes de México, mientras que la séptima vagabundeó un tiempo, buscando un signo con la forma de un águila asentada sobre una roca y con una serpiente en el pico. Hallaron el signo prometido en el lago Texcoco y, de acuerdo con esto, se fundó en sus costas la ciudad que hoy se conoce como México D.F., en el año 1325. Esta, pues, es la tradición que los historiadores creen que se representa en el dibujo en cuestión. Sólo fue Gemilli Careri el que decidió que el pájaro del dibujo era una paloma que distribuía las lenguas. El también admite que la cronología no «era tan exacta como debería ser, pues transcurren pocos años entre la inundación y la fundación de México», ya que el dibujo incluye símbolos que cuentan la cantidad de años que pasaron en distintos lugares durante el deambular de las tribus.
Gemilli Careri recibió de Coxcox la historia durante su estancia en México, en 1667, bastante más de un siglo después de que los primeros misioneros arribaran con Cortés, mucho tiempo, así, para que los detalles bíblicos pudieran superponerse a las tradiciones y mitos aztecas. Otros relatos mexicanos sobre inundaciones son, obviamente, la historia de la Biblia trasplantada a un medio local más familiar. Por ejemplo, en Michoacán, el personaje central se llama Tezpi en vez de Noé, pero después sigue un relato semejante, en general, a la versión bíblica, Tezpi envía primero a un buitre para encontrar tierra; éste halla tantos cuerpos que no vuelve; luego, envía a otros pájaros, hasta que, finalmente, el colibrí retoma con una ramita en el pico.
Citar otros ejemplos de tradiciones sobre inundaciones podría resultar tedioso, si es que no lo ha sido ya. Se han dado muchos ejemplos, espero, para demostrar que, cuando se las contempla desde el contexto geológico, muchas tradiciones se han originado en el lugar. No veo razón para suponer que, al explicar la ubicuidad de las tradiciones sobre inundaciones, estemos limitados a elegir entre dos alternativas extremas. Velikovsky, por ejemplo, afirma:
«Desde mi punto de vista, la respuesta al problema de la similitud de motivos en el folklore de distintos pueblos, es como sigue: muchas ideas reflejan el contenido histórico real. Hay una leyenda, que se encuentra en todas partes del mundo, según la cual un diluvio barrió la Tierra y cubrió colinas, y aun montañas. Tenemos una pobre opinión sobre las habilidades mentales de nuestros antepasados si creemos que una simple inundación extraordinaria del Éufrates impresionó tanto a los nómadas del desierto que pensaron que todo el mundo se había inundado, y que la leyenda así nacida se transmitió de pueblo en pueblo.»
A esto se puede replicar: por supuesto que muchas ideas reflejan un contenido histórico real. Sin embargo, no existe una leyenda sobre el diluvio, sino, más bien, una colección de tradiciones que son tan distintas que no pueden ser explicadas ni por una sola catástrofe, ni por la diseminación de una sola tradición local. Algunas de ellas son muy imaginativas, pero otras significan intentos corrientes de explicar características topográficas locales, o la presencia de conchas fósiles por encima del nivel del mar. Gran número de ellas son relatos —muy exagerados y distorsionados, como es una regla general del folklore— de desastres locales reales, a menudo consistentes con las especiales condiciones geológicas locales. Por ejemplo, no es accidental que en muchas tradiciones de la costa del Pacífico de las Américas y de las islas de este océano, la inundación se atribuya a la elevación del mar. Más del 90% de la energía liberada anualmente por los terremotos en el mundo se produce en el área del Pacífico, y, por tanto, los tsunamis se generan allí con mayores probabilidades. Uno de los desastres más antiguos de inundaciones que se recuerdan ocurrió hace mucho, mucho tiempo, en Mesopotamia, y produjo tal impresión en los habitantes de la ciudad de Ur que el relato pasó de generación en generación y fue llevado por los patriarcas cuando migraron hacia el Mediterráneo. La leyenda que nació de esa inundación de hace tanto tiempo no hubiera ido muy lejos de su lugar de origen si no fuera por el hecho de que se transformó en parte de las Escrituras, y así, posteriormente, fue llevada celosamente a todos los rincones del mundo por los misioneros cristianos, a menudo mezclándose con tradiciones preexistentes naturales de esos lugares. Las tradiciones sobre inundaciones son casi universales, pero, principalmente, porque las inundaciones en plural son las más universales de todas las catástrofes geológicas.
Capítulo VIII
La erupción minoica de Santorín
En el capítulo 2 se ofrecieron ejemplos que ilustraban cómo las erupciones volcánicas afectaron el destino de comunidades enteras, e incluso de naciones, sin descontar, por supuesto, las pequeñas. ¿Qué sucedería si ocurriera una inundación, de violencia sin precedentes, en el centro del mundo civilizado? Hubo un tiempo en que el área del Mediterráneo era el centro de las civilizaciones europea, egipcia y del Oriente Próximo, y en aquel entonces se produjo una erupción cuya violencia no había sido igualada en el recuerdo de los hombres, en ninguna parte del globo: la erupción de Santorín, de la Edad del Bronce, cuyo impacto en la historia y en la leyenda ha llegado a ser el objeto de numerosas especulaciones. En los últimos años se ha planteado que esta erupción podría haber sido la causa, directa o indirectamente, no sólo del diluvio de Deucalión, sino también de la súbita desaparición de la civilización minoica en Creta y el consiguiente desarrollo de la civilización micénica en la Grecia continental; del mito de Atlanta: de las plagas de Egipto y del milagro de la separación de las aguas del mar Rojo; del mito de Faetón e Ícaro, partes del mito de Teseo, y algunos detalles de mitos de Anfitrión, los Argonautas y Talos; y de muchas tradiciones semi históricas del Egeo y del Mediterráneo oriental, particularmente en lo que se refiere a inundaciones locales. Antes de que podamos juzgar la validez de estas afirmaciones generalizadas, es obvio que se debe analizar con más detenimiento el volcán y las circunstancias en que se produjo su erupción en la Edad del Bronce.
El volcán Santorín comprende cinco islas que constituyen la unidad que está más al sur de las islas Cicladas del Egeo (véase figura 28). El punto más alto, el macizo del Profeta Elías, en Thera, representa la isla original, de esquisto y mármol. En algún momento, hacia el final de período Plioceno, nació un volcán, probable mente muy cerca de la costa oeste, y experimentó sucesivas erupciones por varios de los orificios de salida hasta que se formó una gran estructura que cubrió la mayor parte de las antiguas rocas de la isla. Para los habitantes de la Edad del Bronce, la isla se llamaba Stronghyli («Redondo»), A mediados del siglo XV a.C., hubo una tremenda erupción pumítica[37], similar a la del monte Mazama, en Oregón, algunos miles de años antes, y que, como ésta, culminó con la caída de la caldera. Los fragmentos del Stronghyli, cubiertos por una espesa capa de cenizas, permanecieron inhabitados durante un período no precisado, posiblemente un par de siglos por lo menos. Luego, parece que los fenicios fundaron una colonia más grande, que ellos llamaron Kalliste («El más hermoso»[38]). Se dice que su jefe era el legendario Cadmo, quien redescubrió la isla cuando buscaba a su hermana Europa que había sido raptada por Zeus disfrazado de toro. En su historia posterior, el pequeño conjunto de islas cambió de manos muchas veces. Sólo merecen mencionarse aquí dos de sus gobernantes porque explican dos de los nombres habituales. En el siglo IX a.C., las islas fueron conquistadas por los espartanos bajo el mando de Theras, del que deriva el nombre Thera con que se designa a la isla más grande del conjunto y también al grupo que constituye la unidad política; y, luego, por los venecianos que cambiaron su nombre por el de Santorini (del que se usa en general la forma francesa Santorín), que a su vez sería una deformación del nombre medieval italiano de San Irene, el santo patrón de Thera. Hoy, los nombres Santorín y Thera se suelen intercambiar. En este libro, el nombre Thera se reservará exclusivamente para la isla principal, y Santorín para el volcán, que, además, comprende el conjunto de las islas.
Inmediatamente después de la caída de la caldera. Santorín quedó reducido sólo a Thera. Therasia y las diminutas islas Aspronisi (Figura 31). Pero el volcán no estaba dormido y comenzó discretamente a construir una nueva estructura sobre las ruinas de la antigua. El primer antecedente histórico de actividad data del año197 a.C. En aquel entonces, una nueva isla emergió sobre el agua, en medio de la bahía, y se le dio el apropiado nombre de Kameni («Quemado»). Las erupciones fueron, una y otra vez, incrementando el crecimiento de la masa submarina. Hay relatos, no todos verificados, de catorce erupciones entre 1900 y 1950. En 1570 apareció una segunda isla y, en la erupción de 1707-1711, emergió otra entre las dos primeras. En 1866 surgió una nueva cúpula sobre el nivel del mar y, finalmente, en la última y más importante erupción, la de 1925-1926, la lava fluyó uniéndolo todo menos la antigua isla Palea («Antigua») Kameni, formando la actual Nea («Nueva») Kameni.
Los habitantes de Santorín viven en la actualidad en un ambiente precario e impresionante. Los peñascos empinados, en forma de semicírculo, de Thera caen abruptamente desde alturas de 500 hasta 1.200 pies (150 a 360 metros) en el agua, y tan profundamente que los barcos no pueden anclar debajo de la ciudad principal de Phira, pero sí les es posible amarrarse a las boyas sujetas al fondo del mar por cadenas de una excepcional longitud, o bien anclar cerca de Nea Kameni. En cualquier caso, deben trasladar a los pasajeros y la carga a tierra por medio de lanchas. Un empinado camino asciende serpenteando, por el lado del peñasco, desde el atracadero principal a Phira, que está en el borde superior. Ningún vehículo se arriesga por aquel agudo zigzag, de modo que los visitantes ascienden en burros o yeguas. Es difícil decir qué es lo que más asombra: si la vista de Thera de día o de noche. La primera vez que yo la vi era de noche. El barco de vapor había llegado mientras estábamos cenando y, cuando llegamos al desembarcadero, era noche cerrada, de modo que el espectáculo completo estalló ante nuestra vista con toda su fuerza.

Figura 31. El grupo volcánico de Santorín en las Cicladas. Arriba: mapa geológico del conjunto. Abajo: una sección a lo largo de la línea AB. La supuesta profundidad del fondo de la caldera, inmediatamente después de la caída, puede estar algo exagerada.
Un puñado de brillantes luces señalaba el muelle al borde del agua; una luminosa corona indicaba a Phira, formando una hilera de luces a lo largo del borde del peñasco, muy arriba: y una línea de luces en forma dentada marcaba el serpenteante camino.
De día, puede verse el lado del peñasco formado por capas multicolores de cenizas y lava. Se ven todas las gradaciones, desde el rojo ladrillo y el rosa fuerte hasta el rosa pálido, desde el marrón oscuro hasta el color ante claro y desde el negro al blanco, todos contrastando contra el azul índigo oscuro del mar que está abajo y el azul celeste, igualmente asombroso, del cielo mediterráneo, arriba. Las casas blanqueadas de Phira. y de otros pueblos de los alrededores, agregan un matiz deslumbrante. Cerca del muelle, debajo de Phira, hay un cono de un blanco grisáceo, con un talud[39] artificial, formado de piedra pómez, arrojada sobre el peñasco desde una cantera que hay arriba, y que espera ser cargada en los barcos (Ilustración 37). Desde algunos puntos de la bahía, el contorno, antes suave, que estaba directamente encima de este talud, presenta una apariencia de falta de un diente, en los sitios en que los bloques de piedra pómez han sido minados y dejaron paredes verticales. El talud exterior de Thera es suave y desciende gradualmente hasta una costa de arena que no constituye un buen abrigo como puerto. La mayor parte de la gente en Santorín vive en Phira y en algunos pueblos grandes, incluido uno que está en Therasia.
La vida es precaria por más de una razón. Mucho más temibles que la repetición de las erupciones son los terremotos que sacuden el área de vez en cuando. Después de uno muy fuerte que se produjo en 1956. y que causó la muerte a docenas de personas, muchos habitantes se fueron. Los que quedaron se sustentan, y no demasiado bien en la mayoría de los casos, por medio de la pesca, la agricultura y la minería. Las lluvias son tan escasas que el agua para uso doméstico se lleva una vez por semana en un gran contenedor de plástico remolcado por un barco. El suelo de pómez, muy poroso, absorbe y retiene la poca lluvia que cae, de modo que permite el pobre cultivo que existe. Por otra parte, los veranos son calientes y secos. Todo lo que crece, incluso las viñas, debe recogerse contra el suelo, en las depresiones bajas, para protegerse del intenso viento que es muy frecuente. La ceniza de pómez que se recoge allí es del tipo denominado pozzuolana, utilizado para fabricar cemento hidráulico, es decir, cemento que puede permanecer sumergido: la pozzuolana de Santorín, que se usó para la construcción del canal de Suez, es la que se produjo en la erupción de la Edad del Bronce.
Santorín, ejemplo excepcional de caldera formada en el fondo del mar, es una región clásica para los vulcanólogos. La isla de Thera también es importante para los arqueólogos, porque las nuevas excavaciones realizadas prometen arrojar nueva luz sobre cuestiones cruciales referentes a la arqueología minoica. Puesto que la posible conexión entre Santorín y Atlántida está relacionada con la cuestión (que no es insoluble) de su posible vinculación con la desaparición de la civilización minoica, deberemos dejar la Atlántida por ahora hasta que hayamos establecido, primero, qué sucedió o qué pudo haber sucedido y, lo que es igualmente importante, lo que no sucedió, como consecuencia de la erupción de Santorín en la Edad del Bronce: y segundo, cómo lo que sucedió, o pudo suceder, afectó a la Creta minoica.
* * * *
Una caldera aún mejor conocida que la de Santorín es la de Krakatau (Krakatoa), en el estrecho de Sunda, entre Java y Sumatra (Figura 32) formado en la erupción de 1883. Como ya hemos detallado una explicación de esa erupción y sus consecuencias, podemos, porque es del mismo tipo, extraer algunas consecuencias válidas respecto a la erupción de Santorín en los tiempos minoicos. Antes de la erupción de 1883. Krakatoa consistía en tres conos unidos en hilera. En los tiempos prehistóricos fue un solo cono, quizá de más de una milla (un kilómetro y seiscientos metros) de altura, que cayó después de una violenta erupción y formó una caldera completamente cubierta por las aguas, con excepción de algunas pequeñas islas en su borde superior. Los tres nuevos conos se formaron en erupciones siguientes, que habían comenzado a crear una nueva estructura volcánica dentro de la caldera prehistórica, del mismo modo que las islas Kameni lo están haciendo hoy dentro de la actual caldera de Santorín. En 1883 la actividad comenzó, el 20 de mayo, en forma bastante discreta. Las explosiones no eran particularmente alarmantes y pronto cesaron. La actividad se reanudó el 19 de junio, y el 11 de agosto los tres conos presentaban un estado de inusitada actividad explosiva. La primera explosión seria se produjo a la una de la tarde del 26 de agosto. Explosiones cada vez más fuertes continuaron hasta las cinco de la tarde, hora en la que se produjo la primera caída, y continuaron a lo largo de la noche, manteniendo despierta a toda la población hasta en lugares tan alejados como Batavia (hoy Djakarta) y Buitenzorg (hoy Bogor). Hacia las diez de la mañana, cuando se producía la vigésimo séptima erupción, se alcanzó el máximo clímax, durante el cual la nube de cenizas llegó a tener una altura de cincuenta millas (ochenta kilómetros), y entonces se produjo la caída principal. Continuaron las explosiones con menos intensidad durante el resto del día 27 y la mañana del día 28. Después terminó todo.

Figura 32. El estrecho Sunda, mostrando Krakatoa después de la erupción de 1883 (Verlaten. Rakata y las islas Lang son sus remanentes) y la extensión de la inundación causada por un importante tsunami. La altura alcanzada por las olas era generalmente mayor en el extremo más angosto del estrecho, al comienzo de la bahía, y en los lados de la isla frente al volcán. Sobre un pequeño Toppershoedje que estaba justo en la boca del estrecho, la ola alcanzó casi veinte pies (6 metros) más de altura en la parte sudoeste que en la nordeste.
Como consecuencia de la ingente cantidad de cenizas que fueron lanzadas al aire, regiones que se hallaban hasta a 275 millas (440 kilómetros) quedaron sumidas en una oscuridad total; a una distancia de 130 millas (208 kilómetros) el oscurecimiento duró veinticuatro horas, y, a 50 millas (80 kilómetros), cincuenta y siete horas. En los lugares más cercanos a Krakatoa duró tres días y fue tan denso que nadie podía ver su propia mano ante el rostro; la luz de las bombillas apenas penetraba la penumbra. El polvo cayó sobre barcos que estaban a 1.600 millas (2.560 kilómetros) tres días después, y el polvo más fino permaneció suspendido en la parte alta de la atmósfera durante años, produciendo ocasos espectaculares en todo el mundo. El mar, en las proximidades del volcán, quedó prácticamente cubierto por una espesa capa de piedra pómez[40]. Los navíos que tuvieron que abrirse paso a través de la piedra pómez que flotaba informaron que, en algunos sitios, tenía diez pies (tres metros) de espesor. Una barra de hierro que arrojaron sobre ella desde uno de los barcos, no se hundió, y tres troncos se veían incrustados en esa capa de piedra pómez. Grandes cantidades de piedra pómez del tamaño de un puño fueron arrojadas a veinticuatro millas (treinta y ocho kilómetros) de Krakatoa: el lapilli fino, a una distancia dos veces mayor. Las vibraciones aéreas tomaron la forma de ondas sonoras u ondas de choque, según la longitud de onda. El estruendo de la explosión se escuchó en la isla Rodríguez, en el océano Indico, que está a casi tres mil millas (cuatro mil ochocientos kilómetros) de distancia. Las ondas de presión del aire apagaron los quemadores de gas, volcaron las lámparas, rompieron los escaparates a 80 millas (128 kilómetros) y agrietaron las paredes de los edificios hasta a 480 millas (768 kilómetros) de distancia.
Prácticamente todas las muertes del desastre de Krakatoa se debieron al tsunami generado por la caída principal. La ola destruyó 295 pueblos y se ahogaron, por lo menos. 36.000 personas en las costas cercanas de Java y Sumatra. Alcanzó la altura máxima de 36 metros (alrededor de 120 pies) en dos lugares: en Anjer, en la costa de Java, y en el lado que se orienta hacia el sur de la pequeña isla de Dwars en la caverna Weg, en la parte más angosta del estrecho Sunda (véase Figura 32), ambos a más de treinta millas (cuarenta y ocho kilómetros) de su origen; en la isla Seboekoe sólo alcanzó 82.5 pies (24.75 metros) de altura a una distancia igual a la mitad de Krakatoa, pero que estaba protegida por la isla Sebesi; y en el pequeño islote de Toppershoedje, también en la parte angosta del estrecho Sunda, hubo una diferencia sustancial de casi 20 pies (6 metros) en la altura de la ola en el lado que estaba frente a Krakatoa y en el lado protegido.
En relación con la erupción del Krakatoa sólo se produjeron pocos terremotos verdaderamente importantes y éstos sólo en las cercanías intermedias. Los primeros informes de terremotos en puntos más distantes del archipiélago indonésico se supone que se produjeron por los efectos del temblor aéreo de las ondas, más que por verdaderos movimientos subterráneos. Como en el caso de temblores bajos, especialmente terremotos volcánicos, la energía sísmica generada por la explosión del Krakatoa debió de disiparse rápidamente hacia fuera desde su punto inicial. (Por supuesto, si en ese instante se hubiera contado con sismógrafos sensibles, las ondas sísmicas generadas por las explosiones del Krakatoa se hubiesen registrado en todo el mundo, aun cuando no fueran perceptibles[41].) Aunque no hubo terremotos apreciables directamente asociados con la erupción del Krakatoa, parece haberse producido un aumento de la propensión a los seísmos en la región un tiempo después: se percibieron temblores en el área de Bantam el 1 y el 18 de septiembre, el 6 de diciembre de 1883, y en enero y febrero de 1884.
¿Cómo fue, en comparación con la del Krakatoa, la erupción de Santorín en la Edad del Bronce? Debemos conocer la respuesta a fin de valorar sus posibles efectos sobre Creta y otros lugares. Algunas veces se ha afirmado que puesto que la caldera de Santorín es cuatro o cinco veces mayor que la de Krakatoa, sus erupciones debieron haber sido cuatro a cinco veces más poderosas, pero esto es más bien una simplificación. Lo que es importante no es cuánta energía total se produjo, sino cómo se dividió esta energía. Por supuesto, los efectos de unas pocas ingentes explosiones[42] llegarán más lejos que el de numerosas pequeñas, aunque la energía total sea la misma. De igual modo, lo que importa en relación con el posible daño producido por un tsunami sobre playas lejanas no es qué cantidad de la isla ha caído, sino qué cantidad ha caído en un momento cualquiera. También es importante, para la arqueología minoica, la respuesta a estas preguntas: ¿Cuánto duraron las erupciones desde el comienzo hasta el final? ¿Cuándo ocurrió exactamente la caída (o caídas) en relación con el clímax de la erupción? ¿Se produjo algún terremoto en relación con la erupción y, si fue así, a qué distancia se percibió? Estas preguntas no pueden contestarse de un modo inequívoco.
Se han reconocido tres capas de cenizas como producto de la erupción del Santorín en la Edad de Bronce: la inferior tiene 10 pies (3 metros) en algunos sitios; la segunda, de 17 a 33 pies (5.70 a 9.90 metros) de espesor, y la superior, de 33 a 100 pies (9,90 a 30 metros) de espesor. Aparentemente, una de estas capas, la superior, se puede rastrear a grandes distancias en pruebas[43] del fondo del mar (Figura 33). Se ha estimado que cubrió un área de alrededor de 77.000 millas cuadradas (199.430 kilómetros cuadrados) y que las nubes de gases, vapores y polvo deben de haber cubierto un área bastante mayor. Las cenizas del Krakatoa, cuya extensión y efectos atmosféricos son tan conocidos, casi no se detectan en las muestras tomadas en el fondo del mar. Por tanto, al menos una de las erupciones más fuertes de Santorín debe de haber sido sustancialmente más poderosa que la más grande de las explosiones del Krakatoa, ya que pudo lanzar tal cantidad de material a tan considerable altura en la atmósfera como para que fuera llevado tan lejos.
La capa intermedia de cenizas muestra signos de estratificaciones cruzadas, lo que, al principio, se interpretó que se había formado en una larga serie de explosiones entre débiles y moderadas, separadas por períodos de reposo. Sin embargo, las observaciones de las explosiones nucleares han llamado la atención de los vulcanólogos por el fenómeno conocido como «base surge» («marejada base»), nube característica en forma de anillo que gira hacia fuera desde la base de la columna vertical de una explosión. Este tipo de] nubes se ha advertido en las erupciones volcánicas, particularmente; en aquellas en que penetra agua en el conducto volcánico. Transé porta material de todas las medidas a velocidades tremendas, y cerca del centro de erupción puede erosionar canales y depositar material en estratificación cruzada, como el de Thera. Por tanto, la supuesta evidencia de intervalos de erosión durante el depósito de la piedra pómez intermedia pudo, en realidad, haberse producido muy rápidamente —incluso en cuestión de días u horas— y esencialmente en el mismo momento que la capa superior de cenizas, que podría ser material que volvió a caer desde alturas mayores.

Figura 33. Distribución de las cenizas de la erupción de Santorín, en la Edad del Bronce, según las pruebas de las muestras del fondo del mar. (Tomado de Ninkovich y Heezen, 1965.)
La analogía con Krakatoa, válida en términos generales, no puede hacerse extensiva a los detalles específicos. Por ejemplo, porque sabemos que la actividad de Krakatoa comenzó suavemente y alcanzó sus dos días de clímax unos tres meses después de su erupción inicial, no podemos suponer que Santorín hiciese exactamente lo mismo. Cada volcán posee su propio estilo característico, y algunas erupciones conocidas, del mismo tipo muy explosivo, han cumplido su ciclo muy rápidamente, mientras que otras se han prolongado durante bastante tiempo. La erupción de 1835 de Cosegüina, en Nicaragua, comenzó sin advertencia alguna y terminó al cabo de una semana. En otro extremo, en la gran erupción de Tambora, en Indonesia, en 1815, los primeros signos de actividad aparecieron tres años antes de alcanzar el clímax, aunque la erupción catastrófica se produjo en dos días. Las erupciones de Hekla, en Islandia, comienzan con su fase más violenta y, luego, van disminuyendo gradualmente. Lo que los vulcanólogos pueden decir con cierta seguridad respecto de la erupción extrema representada por la capa superior de cenizas de Santorín, es que no debe de estar muy alejada. en el tiempo, de la erupción violenta representada por la capa inferior: seguramente, no más de treinta a cincuenta años, ya que se precisan miles de años para que la presión forme este tipo de erupciones y, una vez que se libera, tiende a agotarse rapidísimamente. Así pues, podemos suponer de una forma razonable que la erupción de la Edad del Bronce comenzó, probablemente, en forma suave y se desarrolló hasta alcanzar su clímax: que, además, el clímax fue muy rápido y, sin duda, muy violento, y que el signo inicial de actividad pudo comenzar meses o. posiblemente, incluso algunos años antes de la catástrofe final.
La distribución de las cenizas volcánicas de la erupción de la Edad del Bronce es de vital importancia para valorar los efectos de la erupción a cierta distancia desde Santorín. En la caída de las cenizas están implicados varios factores: su espesor, sus propiedades físicas y químicas, la época del año y el clima de la región. Los efectos sobre la agricultura se clasifican en inmediatos y a largo plazo los primeros son, sobre todo, destructivos, pero, después de varios años, o generaciones, los últimos son. en algunos casos, beneficiosos. porque si bien la caída de cenizas pudo destruir totalmente las cosechas, «si el depósito no tiene más que unas pocas pulgadas de espesor... la siembra de los siguientes años llega a dar cosechas iguales, o mejores, debido a los efectos benéficos, mecánicos y químicos, de las cenizas sobre las viejas tierras». Cuanto más espesa sea la capa y más seco el clima, más lenta será la recuperación. Los pastos y los follajes bajos son los que primero, naturalmente, quedarán arrasados; para los arbustos altos y para los árboles, el mayor daño estribará en la rotura de algunas ramas.
En Paricutín, un volcán que apareció en los maizales mexicanos en 1943, el maíz creció más alto, y las ramas de café dieron más cantidad de granos en los lugares donde cayeron cenizas, cuando éstas tenían menos de un pie (treinta centímetros) de espesor, porque las cenizas actúan como estiércol para retener la humedad. Por otra parte, unos pocos centímetros de ceniza volcánica fresca arruinaron, en Islandia, tierras que habían sido buenas para la agricultura durante mucho tiempo. Tuvo que abandonarse las granjas durante, al menos, un año, cuando las cenizas tenían unas cuatro pulgadas (diez centímetros) de espesor; hasta cinco años, cuando la capa de cenizas era de seis pulgadas (quince centímetros) de espesor; y durante décadas, cuando las tierras quedaron enterradas bajo una capa de ceniza de ocho a veinte pulgadas (veinte a cincuenta centímetros). Después de la erupción del Hekla de 1947, se tuvo que abandonar los pastos temporalmente cuando la capa de cenizas alcanzó un espesor de sólo media pulgada (un centímetro y medio); las reservas de agua se contaminaron y, en algunas regiones, las ovejas enfermaron y murieron tras comer el forraje que sólo estaba un poco cubierto de un polvo de cenizas, porque éstas contenían grandes cantidades de flúor adheridas a las pequeñas partículas de cenizas y envenenaban el forraje.
De las pruebas de las muestras —antes mencionadas— del fondo del mar se desprende que un promedio de alrededor de cuatro pulgadas (10 centímetros) de cenizas volcánicas cubría, como resultado de la erupción de la Edad del Bronce, la parte este de Creta. Es difícil que llegasen hasta Creta nada más que las materias expelidas más finas que el aire podía transportar. Sin embargo, si una o más explosiones del Santorín fueron mucho más fuertes que la más fuerte del Krakatoa, como muy bien pudo ocurrir —especialmente si la caída de la caldera permitió que el agua del mar entrara en contacto con el magma caliente, justamente en el clímax de la erupción, agregando la violencia del agua lanzada como vapor a la violencia del magma que estallaba formando cenizas de pómez—, entonces es posible que algunas bombas volcánicas llegaran hasta las playas de Creta, a noventa y seis kilómetros de distancia.
* * * *
Las respuestas que se refieren a la caída de la caldera del Santorín son, necesariamente, vagas. La caída del Krakatoa se produjo al mismo tiempo que el paroxismo (o, posiblemente, el mayor paroxismo acompañó a la caída). Por otra parte, la caldera del Askja, en Islandia, se formó gradualmente en un período de alrededor de quince años después de una erupción de 1875, y la caldera de la isla Femandina, una de las islas Galápagos, aumentó lentamente en uno o dos kilómetros cuadrados en doce días, inmediatamente después de una breve, pero violenta, erupción en 1968. Los primeros investigadores del Santorín, viendo las paredes verticales de piedra pómez al borde de la caldera, pensaron que la caída debía de haberse producido bastante después de que se hubiera depositado la última capa de cenizas, es decir, bastante después del fin de la erupción. Entendieron que las cenizas sueltas y recién caídas no podían sostenerse en forma vertical y que, por tanto, debió de pasar bastante tiempo como para que el material se hubiera compactado antes de que el centro de la isla se sumergiera, dejando los peñascos más escarpados. No obstante, en Nueva Zelanda, por ejemplo, se observó que una capa de fragmentos de cenizas de pómez de ángulos afilados —que sólo son cristales volcánicos en pequeños fragmentos— puede adquirir el grado necesario de coherencia después de horas de haber caído. Por tanto, la verticalidad de las paredes de piedra pómez no tiene importancia con relación al tiempo en que se produjo la caída. Los informes geológicos disponibles no dicen si tal caída se produjo rápidamente, generando así uno o más tsunamis, o si se produjo por partes y suavemente, de modo que las olas que se formaron, si es que se formaron, no fueron particularmente destructivas en las playas lejanas. No obstante, lo más probable es que la caída se produjera, o al menos comenzara, en el momento del clímax de la erupción, o muy próximo a él. La idea de que la caída no se originó hasta después de más de doscientos años, y que entonces fue súbita y completa, no es en absoluto verosímil desde el punto de vista geológico. Pero, en cualquier caso, la caída de la erupción de la Edad del Bronce generó un tsunami que no fue originado por las explosiones o por los temblores de esas explosiones.
Se han hecho algunas estimaciones totalmente irreales de la probable altura del tsunami de Santorín, basadas en concepciones equivocadas sobre la forma en que se generan y propagan este tipo de olas. Un punto de vista ha supuesto que la ola se originó por una explosión en la que toda la energía de la erupción había sido liberada al mismo tiempo, lo que elevaba a una altura de varios miles de pies el centro de la explosión, y que se esparció en todas direcciones como una montaña de agua, destrozando todo lo que encontraba a su paso, inundando toda la llanura central de Creta y perdonando sólo a los pastores que se refugiaron en la parte alta de las montañas. Otros han descrito el tsunami como causante de deterioros del mismo nivel en todas las costas del Mediterráneo, hasta una curva de nivel de cien o doscientos pies (treinta o sesenta metros), por ejemplo; pero, como ya se ha visto, el nivel hasta el cual puede subir el agua en un lugar determinado depende más de factores locales que de la altura original de la ola.
Las manchas de piedra pómez encontradas a los comienzos de los valles en las islas de Anafi, de los cuales el más alto está a 825 pies (247,50 metros) sobre el nivel del mar. se han mencionado como prueba de la altura del tsunami de la Edad del Bronce, a pesar del hecho de que es mucho más posible que dicha piedra pómez, incluso a un nivel inferior, pueda ser un remanente de una cubierta llevada por el aire, y no que la piedra pómez llegara hasta esas alturas transportada por una ola de increíbles proporciones, casi cuatro veces más alta que el más alto tsunami registrado nunca, que tenía 210 pies (63 metros), en el extremo sur de Kamchatka en 1737[44]. De todos modos la cuestión es discutible, porque las investigaciones posteriores han demostrado que la piedra pómez de Anafi es de una erupción mucho más antigua, datada por el radiocarbono como de hace dieciséis a dieciocho mil años.
Se han realizado otros cálculos de la altura inicial del tsunami de Santorín, estimándolo en 210 metros, o casi 700 pies, en base a una capa de piedra pómez pos glacial encontrada a unos dieciséis pies (cuatro metros con ochenta centímetros) sobre el nivel actual de Jaffa, muy cerca de Tel Aviv. Estos cálculos no sólo no tienen en cuenta los efectos de la acumulación, sino que además se basan en la fórmula de la raíz cuadrada del inverso de la distancia (véase capítulo 7), que. por razones matemáticas, funciona sólo en una dirección (dada la altura inicial y las condiciones ideales, puede predecir aproximadamente la altura a una cierta distancia desde el origen. pero da valores excesivamente exagerados cuando se utiliza la inversa, para calcular la altura inicial partiendo de la amplitud supuesta en una costa lejana). Por tanto, si la piedra pómez en cuestión fuera la piedra pómez minoica, la estimación carece de sentido. Un análisis de los minerales pesados y livianos que allí hay ha excluido desde entonces a Santorín como una fuente posible.
La propagación real de cualquier tsunami de Santorín, cualquiera que fuese su altura inicial, debe de haber resultado extremadamente compleja. Puesto que hay tres islas que están alrededor del vacío creado por la caída, la ola al principio pudo no haberse propagado libremente en todas direcciones, y un tsunami pudo generarse en el mar abierto. Una vez fuera de la caldera, el frente de olas, especialmente la parte que se traslada hacia el este alrededor de las extremidades norte y sur de Thera, debió de haberse complicado por las interferencias (a veces reforzando y otras veces disminuyendo la amplitud) y por la pérdida de energía al encontrarse con varias islas. Lo único completamente seguro es que cualquier ola u olas originadas por la caída no se irradiaron desde Santorín en círculos nítidamente concéntricos, y que la ola u olas no alcanzaron la misma altura en todas las costas, ni siquiera en puntos equidistantes del origen. Al contrario, puede decirse que si al menos una parte importante de la caldera cayó súbitamente —lo que, desde el punto de vista geológico, es una suposición muy razonable—, las consecuencias sobre la costa norte de Creta y la del este del Peloponeso pudieron haber sido muy serias.
* * * *
En lo que concierne a asociar la posibilidad de terremotos con la erupción de la Edad del Bronce, sólo cabe contestar con un rotundo no. Los temblores generados por una explosión volcánica tienen un foco muy bajo —dentro de una superficie de pocos kilómetros, y casi podría decirse mejor de unos pocos cientos de metros de profundidad—, y como los temblores poco profundos, especialmente los volcánicos, nunca se perciben muy lejos del punto de origen, no es probable que una onda sísmica originada en la erupción del Santorín pudiese haberse percibido en Creta, y, mucho menos, causar daños allí. Tampoco es probable que un terremoto tectónico coincidiese exactamente con la erupción. Aunque las zonas volcánicas del mundo están muy próximas a las zonas de alto grado sísmico (no obstante, la inversa no siempre se produce), la conexión entre terremotos tectónicos y vulcanismo no es una simple cuestión de causa y efecto. Como se mencionara en el capítulo anterior, sólo hay tres casos en que un terremoto importante ha producido, en forma directa, una erupción: Puyehue, en los Andes, en 1960; Pematang Bata, en Sumatra, en 1933, y Fuego (Colima), en México, en 1973. Igualmente raros son los casos en que las erupciones parecen haber provocado terremotos lo bastante fuertes como para considerarlos tectónicos. En 1868, un intenso temblor sacudió el sudoeste de Hawái cuando se abrió una nueva grieta durante una erupción del Kilauea. Unas pocas horas después se produjo un fuerte terremoto tras el comienzo de la erupción de Sakurajima, en Japón, en enero de 1914, que ocasionó daños cerca del volcán y que fue registrada en los sismógrafos de Europa. Sólo unos pocos meses después, se registró un terremoto similar relacionado con una erupción en Iwo Jima, a cincuenta millas (ochenta kilómetros) al sur de Sakurajima. Todos estos casos representan límites entre temblores volcánicos y tectónicos. Cualquiera que sea la relación existente entre las erupciones y los terremotos tectónicos, se encuentra en las profundidades del manto de la Tierra (véase Figura 22). Ambos fenómenos son el resultado de procesos que se producen allí y cuya exacta naturaleza aún no ha sido aclarada. Con una relación tan remota como la señalada, no es sorprendente que los terremotos tectónicos y las erupciones coincidan muy raramente.
No obstante, la historia registrada de Santorín demuestra que sus erupciones más fuertes fueron precedidas, o seguidas, por intensos terremotos cuyo foco se encontraba a una altura intermedia (en el manto de la Tierra) en alguna parte de la región mediterránea. La erupción de 1925-26 comenzó en agosto y terminó en el mes de enero siguiente; el 6 de julio de 1925 se produjo un terremoto de magnitud 6.5, cuyo foco estaba a 120 kilómetros de profundidad debajo el Peloponeso, y otro terremoto el 26 de junio de 1926 con su foco a 100 kilómetros de profundidad debajo de Rodas. El último tuvo una magnitud de alrededor 8.2 y produjo daños y muertes en Creta, especialmente en Candía (Heraklion) y sus cercanías, y destruyó pueblos enteros en la provincia turca de Esmirna. Entra totalmente dentro de los límites de lo posible que un intenso temblor de este tipo pudo haberse producido dentro de unos pocos años, o unos pocos meses, antes o después de la erupción del Santorín de la Edad del Bronce, y que ese temblor se percibiese en toda la región oriental del Mediterráneo, incluida la zona libre de terremotos de Egipto. Y, desde nuestro punto de vista, los resultados de un acontecimiento que ocurrió poco antes o después de la erupción pudieron fácilmente aparecer como simultáneos con ella.
Además de la posible relación (si bien remota) entre los terremotos y la erupción, es posible que se produjeran tsunamis y que Creta se cubriera con una capa de cenizas de un espesor no determinado. Pero también hubo otras consecuencias de la erupción, que seguramente se percibió a distancia del volcán, y que pudo haber sido del tipo de un oscurecimiento de intensidad variable, después de cada explosión fuerte, cuyos efectos psicológicos debieron de ser generales, y cuyos efectos físicos son evidentes en áreas donde hubo una intensa lluvia de cenizas, como la que cayó en la parte oriental de Creta: tremendas olas de temblores o fuertes estampidos después de cada potente explosión que debieron de percibirse en toda el área del Mediterráneo, llegando algunas de ellas a dañar los edificios dentro de un radio considerable; espectaculares descargas eléctricas en las nubes de cenizas, sobre el volcán, que, por supuesto, no fueron visibles desde muy lejos durante el oscurecimiento más intenso; lluvias muy copiosas y tormentas eléctricas provocadas por las partículas de cenizas que había en la atmósfera y que actuaban como núcleos de condensación («siembra de nubes») para condensar el vapor del agua: un notable descenso de las temperaturas en todos los lugares en los que el Sol quedó oculto por la nube de cenizas; y, con seguridad, llameantes y espectaculares atardeceres en todo el mundo, durante muchos meses después de la erupción. Todo esto imprimió su huella en la historia o en la leyenda. o en ambas. Nos ocuparemos primero de las gentes que se hallaban más próximas a la escena: los habitantes de Stronghyli y de Creta.
* * * *
La civilización de la Creta de la Edad del Bronce se vanagloriaba de ser una cultura altamente refinada. Sir Arthur Evans, que sacó a la luz la cultura de Cnosos en sus excavaciones, la llamó minoica, por el rey Minos, el rey del mar del mito de Teseo. Tucídides, en el primer capítulo de su Peloponnesian Wars («Guerras del Peloponeso») afirma: «... Para nosotros, la primera persona conocida por la tradición que contó con una flota fue el rey Minos. Se adueñó de lo que hoy es el mar Helénico y gobernó sobre las Cicladas, a muchas de las cuales envió las primeras colonias, expulsando a los carios y nombrando gobernadores a sus hijos. Así se empeñó en acabar con la piratería en esas aguas, un paso necesario, imprescindible para asegurar la fuente de ingresos en su propio beneficio.» Sin embargo, antes del descubrimiento de Evans, y de acuerdo con las referencias que de Minos hacía Tucídides, se creía que éste más bien fue un personaje mítico y no histórico.

Evans dividió la época Minoica en tres períodos principales: primitiva, media y tardía. Cada una de éstas se subdividía en tres etapas: I. II. III. La mayoría de dichas etapas han sido después subdivididas de nuevo en subetapas tempranas y tardías, A y B, y, a veces, también C. Por tanto, la primera parte del minoico tardío se designa «Minoico tardío I A» o, simplemente. «MT I A». La cronología se da en la tabla 2. (Se debe recordar que los arqueólogos no coinciden totalmente en cuanto a las fechas precisas de las varias etapas y subetapas y su correlación con la cronología egipcia.)
Los minoicos fueron los primeros en contar con gentes marineras. En la culminación de su poder controlaron políticamente toda la región del Egeo, mientras que su influencia económica se extendió por todo el Mediterráneo oriental y llegó, hacia el oeste, hasta Sicilia. Eran pacíficos, dependiendo completamente del mar y de su marina para la defensa: sus palacios y sus ciudades no estaban fortificadas. No poseían barcos de guerra, al menos no como tales en un riguroso sentido, pero sus navíos mercantes llevaban guerreros cuando era necesario. Las comunidades minoicas más importantes se constituyeron alrededor de numerosos y espléndidos palacios, cada uno de los cuales era la sede de un rey-sacerdote. Estos gobernantes locales se unían en una especie de confederación y, de entre ellos, el de Cnosos era el supremo rey-sacerdote. El nivel de vida de que se gozaba en la civilización minoica era, probablemente, más alto del que se tiene hoy en algunos países europeos. Incluso las casas más pequeñas constaban de dos o tres plantas, con amplias ventanas, patios y, a menudo, varias cocinas. En algunos palacios había refinamientos tales como retretes, salidas de agua, drenaje y un sistema de desagües. Los artesanos, altamente cualificados, fabricaban en los palacios las mercancías de lujo que después se comercializaban en lugares tan lejanos como Egipto y Siria. El arte de la cerámica estaba muy desarrollado y la alfarería reflejaba una vida amable. Los frescos y la pintura de los vasos, lo mismo que la talla de las piedras (especialmente recogidas del mar) alcanzaron una perfección que no se alcanzaría de nuevo al menos en casi mil años. Otros artesanos esculpieron en piedra y marfil, o trabajaron exquisitamente el oro, la plata y el bronce. La moda minoica en el vestir, como la de la alfarería y otros diseños, cambió a lo largo del tiempo, como sucede, en general, con todas las modas, pero lo que se presenta como el vestido «típico» de una dama minoica es la falda, con pliegues, que cae desde una cintura ajustada, complementada con una chaqueta que cubre los brazos hasta el codo, pero que deja completamente desnudo el pecho. Los peinados eran muy elaborados. Los hombres de las clases altas se vestían principalmente con una falda corta, con una pieza para cubrir los genitales, sus pechos desnudos se adornaban con valiosos collares, y sus cabezas lucían extravagantes peinados.
La religión parece haberse centrado alrededor de una diosa- madre y otras personificaciones de las fuerzas naturales, que se veneraban en santuarios naturales, tales como cuevas y grutas. Sus templos no eran sofisticados, y no erigían esculturas ni de los dioses ni de los héroes. Se adoraban árboles, postes o columnas como las moradas visibles de los dioses. En los palacios y, probablemente, también en las casas, se usaban pequeñas habitaciones para el culto real o privado. En sus ceremonias religiosas, la música y la danza jugaban un papel importante, y quizás en la vida cotidiana también. Un deporte popular era el salto del toro (Ilustración 38), en el que se enviaba a jóvenes de ambos sexos a la arena para realizar peligrosas proezas acrobáticas con un toro, tales como cogerlo de las astas y lanzarse sobre el lomo del animal, saltar apoyándose en la mano o dar brincos mortales sobre él, etc. El boxeo era también muy habitual, lo mismo que el lanzamiento de la jabalina y, desde los tiempos clásicos, los cretenses fueron reconocidos por su habilidad con el arco.
El palacio de Cnosos, como algunos de los otros, fue dañado por los terremotos en varias ocasiones en su larga historia, y otras tantas fue reconstruido. La destrucción del final del Minoico medio III fue particularmente generalizada y marca la terminación de la era de los «Primeros palacios». A fines del Minoico tardío I se produjo un cambio mucho más drástico. De pronto, el desastre parece haber golpeado en todas partes al mismo tiempo. Con una excepción, todos los palacios y todas las casas y, en algunos casos, ciudades enteras, quedaron reducidos a ruinas. Ninguna de las grandes casas se volvió a construir, y algunas de las ciudades no se repoblaron de nuevo. Kato Zakros. Palaikastro. Modos. Pseira. Gurnia. Nirou Khani. Malia y Amniso, en la costa, quedaron destruidas, y lo mismo ocurrió con Tiliso. Sklavokambos. Hagia Triada, y otras que estaban en el interior, a alturas de hasta seiscientos o setecientos pies (ciento ochenta a doscientos diez metros) sobre el nivel del mar (Figura 34). En muchos casos, la destrucción parece haberse producido, o al menos completado, por el fuego. Los habitantes regresaron a Tiliso, a Gurnia, a Palaikastro y a algunos de los otros asentamientos, y construyeron nuevamente sus hogares junto a las ruinas de las grandes casas. Otros lugares, como, por ejemplo. Pseira y Modos, quedaron abandonados para siempre. En la misma época. Cidonia, una ciudad relativamente sin importancia, en la parte occidental de Creta (aproximadamente en el lugar que hoy ocupa la moderna Khania), comenzó a asumir mayor importancia, y en la parte occidental de la isla comenzaron a formarse nuevos núcleos urbanos. De todos los palacios, sólo Cnosos permaneció erguido y continuó siendo habitado, pero, aun allí, el estilo de vida cambió notablemente: las grandes habitaciones se dividieron en pequeños apartamentos: los diseños de la alfarería se hicieron menos elegantes, más ostentosos: y, lo que es más importante, el idioma que se hablaba entonces en Cnosos ya no era el minoico.

Figura 34. Creta, indicando los lugares destruidos al final del Minoico tardío I B. (Tomado de Hood. 1970. y Luce. 1969.)
Uno de los avances más significativos de los años cincuenta fue el de descifrar la escritura llamada Linear B. Se han hallado dos sistemas de escritura en Creta. La antigua. Linear A, representaba, aparentemente, el lenguaje que se hablaba en toda la isla. Parece haber sido utilizado principalmente para propósitos prácticos de la vida cotidiana, como, por ejemplo, inventarios, más bien que como instrumento literario, y su desarrollo se rastrea ya desde las primeras pictografías del comienzo hasta la forma silábica. La escritura Linear B aparece en Cnosos después del Minoico tardío I. Se conoce en Creta sólo desde Cnosos, pero, posteriormente, aparece también tierra adentro. Aun antes de que ninguna de las dos fuera descifrada, se reconoció que la forma Linear B tenía la misma escritura silábica que la Linear A, pero se usaba para un lenguaje diferente —del mismo modo en que el alfabeto latino puede usarse para el francés, el alemán, el inglés y otras lenguas. El descifre del Linear B. en 1953, resultó desagradable para algunos, placentero para otros y, para la mayoría, sorprendente, incluido el que lo descifró, Michael Ventris, cuando resultó ser una forma arcaica del griego. Esto prueba que Creta había sido tomada por gente de Micenas que estaba en el continente. Aquellos que habían mantenido que los micénicos eran apenas algo más que bárbaros, y no muy poderosos en aquellos tiempos, estaban desconcertados: ¿cómo pudo semejante nación conquistar a los infinitamente superiores minoicos? Los que habían insistido en que los micénicos estaban bastante desarrollados y eran poderosos, estaban encantados: al haber dominado a Creta, los micénicos demostraban su superioridad. Lo mismo que la Linear A. la Linear B se usó sólo para inventarios y transacciones comerciales. Se ha indicado que cuando los micénicos se apoderaron del territorio, instruyeron a los escribas del palacio para adaptar su escritura al griego, pero que «los resultados no fueron los apetecidos y que, por tanto, la forma silábica de la Linear B continuó siendo un medio inadecuado para la lengua egea. Entonces, la nueva escritura se difundió desde Cnosos hacia el continente, sin duda todavía en manos de los minoicos, los escribientes de Cnosos, y sólo para ser utilizada en los palacios».
La escritura Linear A no ha sido descifrada aún, al menos no hasta el grado satisfactorio de la Linear B. Decididamente, no es griega. ¿Es una lengua indoeuropea, y, si es así, cuál?, se preguntan Luvian y Hittite. ¿O es semítica, como también se ha sugerido? Cuando la Linear A revele su secreto ayudará a arrojar alguna luz sobre el origen minoico, pero, sin embargo, lo que aquí nos concierne es su fin, no su origen. Porque desde el principio de nuestra frecuentación con los minoicos, su colapso repentino y total, la caída súbita y vertical desde el pináculo del poder hasta ser sólo una dependencia menor de Micenas, ha desconcertado a todos aquellos estudiosos de la historia antigua. Ninguna de las explicaciones habituales para el declive y caída de grandes naciones parece aplicable en este caso. El declive fue demasiado brusco como para ser achacada a una decadencia cada vez mayor. El desplazamiento por una horda invasora puede ser excluido porque ninguna otra cultura extranjera suplantó a la minoica, ya que ésta, simplemente, se deterioró. El cambio es tan inexplicable que se ha llegado a sugerir que quizá los minoicos se cansaron de su papel de líderes del mundo egeo y entregaron la hegemonía a los micénicos en una «pasiva renuncia al poder».
Después de experimentar en carne propia el terremoto de 1926. Evans llegó a la conclusión de que las grandes rupturas de la continuidad de la civilización minoica de Cnosos debieron de deberse a «estas fuerzas catastróficas de la naturaleza que aquí están siempre latentes». El evidente cambio de estilo de vida en Cnosos después del Minoico tardío 1 B lo atribuyó al hecho de que fue ocupado por la gente común como resultado de sublevaciones de elementos oprimidos de la población que aprovecharon el caos que siguió al terremoto. También cree que el sentimiento de inseguridad, a causa de la repetición de los destructivos terremotos, que se reproducían a intervalos de una o dos generaciones a lo largo de toda Creta, pudo inducir a que la gente emigrara, alentó las conquistas allende los mares e impulsó a la colonización de tierras continentales, porque, al mismo tiempo en que los micénicos se establecían en Creta (o lo que de ella había quedado) como gobernantes, parece haberse producido una emigración masiva hacia el continente, lo que, por tanto, produjo el despoblamiento de la isla. La agresión desde Cnosos (que. hasta donde Evans sabía en esos días previos al descifre de la escritura, estaba aún ocupado por minoicos) podría explicar la destrucción de cualquier palacio que hubiera sido respetado por los terremotos.
El arqueólogo griego Spyridon Marinatos no quedó satisfecho con esta explicación. Sólo un desastre de una magnitud más grande que ningún terremoto podría explicar esa destrucción total, y, sobre todo, el no intentar reconstruir. En base a sus excavaciones en Amniso, donde encontró suave piedra pómez, procedente del mar, en las ruinas del palacio, volvió sus ojos hacia Santorín en busca de una explicación. En un trabajo titulado «The Volcanic Destruction of Minoan Crete» («La destrucción volcánica de la Creta minoica»), publicado en 1939, planteó que los efectos del tsunami de Santorín, junto con un terremoto (que aún necesita explicar la destrucción de los sitios interiores), son los que dieron el golpe mortal a la supremacía minoica. Los destrozos producidos sobre la costa por el tsunami debieron de haber sido suficientes como para arruinar la economía de un pueblo que dependía del mar; su flota mercante y sus instalaciones portuarias habrían quedado destruidas junto con los edificios de todos los tamaños y de distintos grados de esplendor, y miles de personas debieron de morir ahogadas.
Al principio, la idea fue recibida con gran escepticismo. No cabía duda que la ruina total de las ciudades costeras, con grandes pérdidas humanas, debió de debilitar a una nación que dependía del comercio marítimo para su prosperidad y de los barcos para su defensa. Pero, como ya hemos visto, los daños causados por un tsunami y un terremoto no pudieron ser tan severos como supone Marinatos. Aun un tsunami del tipo de Krakatoa, o incluso uno mayor, no podría haber ocasionado una devastación igual en todos los puntos de la costa de Creta, ni tampoco afectar a los barcos que en ese momento estuvieran en el mar o en puertos extranjeros, en los que no habrían sufrido serias consecuencias. Ningún terremoto volcánico pudo ser tan fuerte como para destruir ciudades enteras o edificios individuales en Creta (aunque las ondas de temblores de las explosiones más violentas puedan causar, por ejemplo, el mismo tipo de daños que un terremoto menor aquí o allí). No se puede descartar la posibilidad de que se produjera un serio terremoto tectónico, después de meses o algunos años del clímax de las erupciones. Sin embargo, un terremoto tectónico tan severo que derribó palacios y mansiones, y hasta las viviendas más humildes a lo largo de toda la Creta oriental, no hubiera exceptuado a Cnosos y, aunque a los terremotos suele seguirles el fuego, un incendio de tales proporciones no es habitual. Y, además, ¿por qué los minoicos no reconstruyeron después del terremoto (si es que lo fue), antes de dejar masivamente la mayor parte habitable de Creta?
Dos oceanógrafos norteamericanos, Dragoslav Ninkovich y Bruce Heezen, dieron, aparentemente, a la última pregunta una respuesta en forma específica, y una razón adicional para explicar la rapidez de la decadencia de la civilización minoica, cuando demostraron, en el estudio de los centros de alta mar que se mencionaran antes, que una parte sustancial de Creta había sido cubierta por las cenizas de la erupción del Santorín. La isla de Creta es una tierra seca, y la mayoría de las lluvias que caen se concentran en los meses de otoño e invierno. El esquema de distribución de las cenizas minoicas en los núcleos profundos de alta mar (véase Figura 33) indica que éstas cayeron durante el verano, cuando los vientos domínanos proceden, en su mayor parte, del noroeste. En 1947, los islandeses pudieron salvar, de las cenizas del Hekla, la mayor parte de sus granjas con el auxilio de tractores y bulldozers, y con la considerable ayuda del viento y de la lluvia, ya que ese año las lluvias duplicaron la cantidad habitual. Las lluvias lavan rápidamente las hierbas contaminadas por las cenizas que contienen flúor. Pero, en el caso de Creta, incluso el doble de la escasa cantidad de lluvias normales del verano no hubiera sido de gran ayuda para las cosechas sofocadas bajo una capa de cenizas. Tampoco, naturalmente, los minoicos habrían contado con las ventajas de las maquinarias modernas de los islandeses para limpiar sus tierras, ya que sólo contaban con la labor manual de una población desalentada. Aun en el caso de que las cenizas no hubieran contenido ninguna sustancia perniciosa, como el flúor o el dióxido de azufre, sus efectos habrían sido graves en cualquier parte en que se acumularan en espesores sustanciales, y esta acumulación habría sido mayor en los puntos que estaban a un nivel más bajo, o sea, los que más factiblemente se hallaban cultivados.
Cuando se consideraron las consecuencias de los daños causados por una lluvia de cenizas, la teoría de Marinatos se asentó en una base más sólida y obtuvo una más amplia aceptación. Sin embargo, los problemas continuaron. ¿Era lo suficientemente gruesa la capa formada por la lluvia de cenizas como para ser necesario el abandono de la tierra durante años, o sólo temporalmente? La estimación provisional de diez centímetros (cuatro pulgadas) habría dañado los campos de cultivo y las hierbas en las áreas bajas, pero no habría sido suficiente como para acabar con los olivos y las viñas, y seguramente se habrían limpiado después de una o dos estaciones de torrenciales lluvias invernales. Más importante todavía: ¿cuándo ocurrió la erupción, exactamente? Para ser la causa inmediata de la decadencia de la Creta minoica. la erupción —o al menos, sus manifestaciones más violentas, cuyas cenizas cayeron sobre Creta, y el tsunami originado por la caída de la caldera— debió de ocurrir en el tiempo de la devastación de la isla, al final del Minoico tardío 1 B. ¿Cómo se puede determinar exactamente cuándo sucedió, en relación con las etapas de la cultura minoica?
En este caso, la datación por radiocarbono no es suficientemente precisa como para responder a esta pregunta. Las mejores dataciones disponibles con el método del carbono 14, que se obtuvieron de un árbol enterrado bajo piedra pómez, en Thera, y que estaba en proceso de crecimiento en el momento de la catástrofe, dan la fecha de 1456 a.C. (± 43 años). Perfecto: significa una excelente concordancia con la fecha arqueológica de 1450 a.C. para el final del Minoico tardío I B (véase tabla 2). Los «± 43 años» significan que pudo ser antes, o sea, en 1493 a.C., que también coincide con las fechas arqueológicas con el final del Minoico tardío I A, o más tarde, en 1407 a.C., época en la cual los micénicos se habían establecido ya en Cnosos. Más aún: si la fecha se calcula en base a la «preferencia» de la mitad de vida del carbono 14 (véase Apéndice B), resulta ser 1559 a.C. (± 44 años), y si corregimos los efectos de las fluctuaciones del carbono 14 en la atmósfera (véase Apéndice B), ambas fechas aún aparecen anteriores —1673 y 1771 a.C. respectivamente. No obstante, las fechas dadas por el carbono 14 de los objetos arqueológicos también aparecen anteriores cuando se aplica la corrección, o sea, que los valores relativos no serán afectados. Aunque para los arqueólogos resulte un duro golpe saber que las etapas minoicas pueden ser un par de cientos de años más antiguas de lo que pensaban en base a su correlación con la cronología egipcia, la validez última de la teoría de Marinatos depende, desde un punto de vista geológico, de si hay una conexión causal entre la erupción y la desaparición de la Creta minoica o no, cualesquiera que resulten ser las fechas. Por tanto, para evitar una confusión adicional se utilizarán las fechas arqueológicas.
Para tratar de fijar con precisión el tiempo de la erupción, con más exactitud de la que permite el método del carbono 14, es necesario retornar a la evidencia arqueológica, y, entonces, surge un conflicto. Bajo una ancha capa de cenizas, en el mismo Santorín, están enterradas las ruinas de una floreciente colonia minoica. Las excavaciones sistemáticas en Therasia, en 1866-67, en Balos, en Thera, en 1870, y en dos ciudades cercanas a Akrotiri, en Thera, en 1870 y 1899 respectivamente, descubren una comunidad próspera, con viviendas sólidas y de buen gusto en las que el lujo no era en modo alguno desconocido. Sólo se encontró un esqueleto de un hombre anciano. Aparentemente, el anciano murió a causa de las deyecciones que cayeron en un terremoto. No se realizaron nuevas excavaciones hasta 1967, cuando Marinatos comenzó a abrir una nueva zanja en Akrotiri. Hasta ahora, este lugar ha permitido el hallazgo de un grupo de impresionantes mansiones, con escaleras interiores de piedra, frescos soberbios y una espléndida cerámica, la mayor parte de manufactura local. Las paredes de varios de los edificios parecen haberse derrumbado antes de que la piedra pómez las enterrara, presumiblemente, durante un terremoto. No se han encontrado más cuerpos, y esto, junto con la ausencia de joyas u otros objetos de valor, indica que el poblado fue abandonado antes de que cayera la piedra pómez.
El problema estriba en que, hasta ahora, no se ha encontrado en parte alguna de Santorín ninguna cerámica posterior a la del primer Minoico tardío I B. que está representado por un solo hallazgo en 1972. Esto sugiere que Thera fue abandonada no mucho después del Minoico tardío 1 A. mientras que la destrucción generalizada de Creta ocurrió al final del Minoico tardío I B. El período comprendido en el Minoico tardío I B es el de las realizaciones artísticas más importantes en la cerámica cretense, y culmina con el «estilo marino», denominado así porque en sus diseños se utilizaron elementos marinos, tales como el pulpo, el nautilo, el delfín y la estrella de mar. Estos vasos, excepcionalmente finos, no son numerosos y, obviamente, fueron hechos por un pequeño grupo de artistas en un período relativamente corto, mientras que otros talleres continuaron fabricando el típico estilo del Minoico tardío 1 A. Hasta ahora, la fecha más temprana que los arqueólogos están dispuestos (con bastantes reticencias) a aceptar como el final del Minoico tardío I B. es 1470 a.C. (en realidad, prefieren la de 1450 a.C.). y lo más tarde que aceptan para el período del Minoico tardío I A. es 1500 a.C., porque se necesita por lo menos una generación para poder explicar la cantidad de cerámica de estilo marino que se conoce.
Las primeras interpretaciones de las capas de cenizas en Santorín (dos fases violentas separadas por un largo intervalo de actividad apacible intermitente) se adecuaban perfectamente a esta teoría: la primera fase causó el abandono y la sepultura de la colonia minoica de Santorín, mientras que la segunda y más violenta fase ocasionó la destrucción general de Creta una generación, o más, después. Pero si, como a la luz de los conocimientos geológicos actualizados es más probable, sólo hubo una fase, violenta y breve, es fundamental saber si se produjo al comienzo del Minoico tardío I B. como la falta de cerámicas perfectas del estilo marino en las ruinas de Santorín parece sugerir, o si fue más o menos simultánea con la destrucción general de Creta al final del Minoico tardío I B. En el primer caso, la erupción pudo no haber sido la causa inmediata de la caída de la Creta minoica; en el segundo, es difícil explicar la casi total ausencia del estilo marino en Santorín.
La idea de que el estilo marino estaba bien desarrollado en el momento de la erupción, pero que pasó por alto a Thera casi completamente, cabe descartarla como poco probable porque se han encontrado piezas en poblados más pequeños y menos sofisticados, como Keos, por ejemplo, y tan lejos de Creta como Rodas. También se ha sugerido que los habitantes de Thera se atemorizaron y huyeron ante la posibilidad de un terremoto y estuvieron fuera durante treinta años, pero esto es igualmente irreal. Por una parte, esto sería totalmente inusitado. Aun en los casos en que comunidades enteras han estado amenazadas, la gente del Mediterráneo siempre ha regresado y ha reconstruido sus casas en pocos años, si es que no lo han hecho inmediatamente, y, a juzgar por la historia de Cnosos y de otros palacios hasta el momento de su destrucción, los minoicos no eran distintos, en este sentido, del resto de los pueblos que viven hoy en el área. Más aún, el terremoto, según la extensión de los daños que produjo en Akrotiri, pudo no haber sido demasiado severo. Y aunque parece existir alguna prueba arqueológica de una reocupación temporal después del terremoto, presuntamente por los que buscaban objetos de valor que habían abandonado al huir, también existe la prueba geológica de que el temblor se produjo inmediatamente antes del primer paroxismo, o junto con él, porque se han registrado grietas del terremoto llenas con piedra pómez fresca. Si tales grietas hubieran estado abiertas desde mucho tiempo antes de que cayera en ellas la piedra pómez, contendrían también otros desechos lavados u oscurecidos antes de la erupción. Y a pesar de que los terremotos volcánicos lo bastante fuertes como para causar daños son decididamente raros, si se produjo uno en esta erupción inusualmente violenta, es más probable que fuese la sacudida que acompañó a la primera erupción paroxismal.
Aun después del descubrimiento de que las cenizas del Santorín estaban en las profundidades de los centros marinos, alrededor de la Creta oriental (lo que para los geólogos es prueba suficiente de que esa parte de la isla debió estar cubierta también), algunos arqueólogos continúan siendo escépticos. ¿Por qué ellos no encuentran restos de cenizas en sus excavaciones? Por la simple razón de que están buscando una capa visible de material volcánico, olvidando que las habitaciones son el lugar en que es más probable que las cenizas hayan sido limpiadas rápidamente sacándolas fuera para ser arrastradas por los agentes de la erosión. Si es que algunas partículas han sobrevivido hasta hoy, deben de ser muy pocas y hallarse alojadas en las resquebrajaduras de las paredes o de los suelos, de tamaño microscópico, mezcladas con el polvo y la tierra locales, y, por tanto, sería imposible distinguirlas sin una buena preparación. Al aire libre, el terreno rocoso y escarpado de Creta no es favorable para la preservación de remanentes inalterados de la capa original de cenizas, y el único lago de Creta en cuyos sedimentos podría haberse preservado una capa reconocible, el lago Kournas, está fuera del área de la probable distribución de las cenizas minoicas. Sólo la colección sistemática de muestras para ser examinadas después bajo el microscopio petrográfico puede revelar la presencia de fragmentos muy pequeños de cristales volcánicos que es todo lo que razonablemente cabe esperar que se encuentre hoy de las cenizas minoicas.
En 1971, mi marido y yo realizamos este tipo de investigación y descubrimos partículas de las cenizas minoicas en los suelos cretenses, desde la extremidad oriental de la isla hasta Heraklion, en el oeste (que fue el punto más occidental al que llegamos), y también en muestras recogidas de las grietas de los edificios ocupados en el Minoico tardío I. La presencia de este tipo de partículas en los suelos confirma la evidencia de los núcleos de las aguas profundas, pero, por supuesto, no nos dice nada específico, respecto del momento en que cayeron las cenizas sobre Creta, con relación a las etapas del Minoico tardío. Del mismo modo, su presencia en los edificios destruidos en el Minoico tardío I B —como en Arkhanes, Malia, Gurnia, Zakros y Pyrgos— sólo nos dice que se derrumbaron antes de la destrucción. Pero si esos edificios estaban ocupados durante el tiempo del Minoico tardío 1, pudieron haberse destruido en una fecha tan temprana como el Minoico tardío 1 A. del mismo modo en que cabe sucediese inmediatamente antes de (o simultáneamente con) la destrucción. Sólo la presencia o ausencia de partículas de cenizas en los niveles del Minoico tardío I A. que fueron destruidos y sepultados bajo escombros antes del Minoico tardío I B y que, por esto, quedaron efectivamente aislados de la «contaminación» posterior, puede arrojar una luz definitiva sobre el momento de la erupción. Y nuestras muestras de los niveles del Minoico tardío I A. todas recogidas en Kato Zakros y, al menos una de ellas (recién extraída), aislada completamente, antes del Minoico tardío I B. no sólo contienen partículas de las cenizas minoicas, sino que también éstas se hallan en mayor cantidad que en todas las otras muestras de los otros niveles, incluido el Minoico tardío I B. del mismo sitio.[45]
* * * *
Si la identificación arqueológica de los niveles de los cuales recogimos estas muestras es correcto, y si las partículas de cenizas minoicas que aparecen en otras muestras recién extraídas aíslan el Minoico tardío I A de otros lugares, se llega, sin lugar a dudas, a la conclusión de que la erupción comenzó y terminó alrededor de 1500 a.C., destruyendo totalmente la colonia minoica de Santorín, pero no acabando con la civilización minoica en Creta ni en las otras islas. ¿Significa esto que debemos rechazar totalmente la teoría de la destrucción volcánica de la Creta minoica y empezar todo de nuevo para averiguar la razón de su desconcertante y rápida decadencia? Como causa inmediata, sí. Pero, ¿qué sucede con los efectos a largo alcance de un hecho de tal magnitud, con las causas fundamentales o. al menos, contribuyentes a la decadencia?
Lo que sigue es una secuencia hipotética de los hechos del modo en que pueden haberse producido. Puesto que no cabe probarse ni descartarse, es posible que pueda ser clasificado como ciencia ficción, pero, como toda la ciencia ficción, se basa en posibilidades científicas verosímiles, y, en vista de que la mayor parte de los que se han ocupado de esta cuestión han sobrevalorado el efecto probable de la erupción, posiblemente esté más cerca de la verdad que muchas otras explicaciones que se han ofrecido hasta ahora.
Los pobladores del viejo Stronghvli comenzaron a percibir una serie de terremotos suaves. Al principio no se alarmaron demasiado, ya que los terremotos habían sido parte de la existencia normal allí desde los tiempos más remotos. No obstante, las sacudidas aumentaron en frecuencia e intensidad, sobrepasando el nivel normal usual de los movimientos, y todos se preguntaron qué podían significar. Ninguna otra isla, ni la principal, habían notado ninguna actividad sísmica anormal. Una o dos familias, que eran relativamente recién llegadas a la colonia, tomaron sus pertenencias y regresaron a sus antiguos hogares. La gran mayoría ofreció plegarias y sacrificios a sus dioses y, como siempre, se dedicaron a sus tareas habituales. ¿Por qué irse? ¿Qué parte del reino minoico estaba exenta de terremotos? Ciertamente. Stronghyli se mostraba un poco más inestable que otros lugares, pero ahí estaban los recientes temblores que habían sacudido parte de Creta y produjeron algunos daños en Cnosos y en Amniso.
Antes de que pasara demasiado tiempo, se hizo evidente que su isla era, en verdad, distinta a sus vecinas. En la parte alta de los flancos del majestuoso pico que coronaba Stronghyli, los pastores de cabras dijeron que había puntos en los que el suelo se había recalentado y que aparecían vapores y gases de olor desagradable. ¿Era posible que el volcán no estuviera extinguido, como siempre habían creído[46]? A medida que aumentaba la emisión de vapor y la frecuencia e intensidad de los temblores, lo mismo ocurría con las aprensiones de las gentes. Una familia detrás de otra cogió sus objetos de valor y se fueron en el primer barco disponible. Entre estos objetos de valor estaban sus mejores piezas de cerámica, decoradas en el nuevo estilo que acababa de ser importado desde Creta.
Una noche, de pronto, comenzaron a arder llamas misteriosas sobre uno de los lugares de los que brotaban vapores calientes desde el suelo, de una grieta incrustada sobre un antiguo sedimento amarillo[47]. Esto se consideró como un signo de los dioses, y, al día siguiente, comenzó un éxodo general. Y no demasiado rápido. Antes de que todos los que deseaban abandonar la isla tuvieran tiempo de hacerlo, la cumbre de la montaña estalló en un amortiguado gruñido. Rápidamente, un penacho de vapores y de cenizas se elevó en el aire. y, mientras ascendía tomó la forma que algunos compararon con un gigantesco pino de piedra, y otros con un aún más gigantesco hongo. Siguieron más explosiones a intervalos de unos pocos minutos. Contra las nubes cargadas de cenizas eruptivas podían verse trozos de rocas (que parecían manchas negras vistas desde los pueblos anidados en la parte baja de las laderas) que eran lanzados hacia arriba en el aire para caer luego en el cráter, o rodar cuesta abajo. Cuando oscureció, la escena fue aún más estremecedora: la nube eruptiva quedó tenuemente iluminada en su base, reflejando los fuegos que había dentro de la montaña, y las materias expelidas, que parecían oscuras durante el día, describían ardientes parábolas contra el tenebroso cielo y la montaña. Los fragmentos más pequeños se ennegrecían antes de llegar al suelo, pero los más grandes aterrizaban todavía ardiendo y trazaban un camino ígneo al rodar por la ladera. Cerca de la cumbre, la vegetación quedó sin sus hojas, y las bombas, de un rojo intenso, a menudo provocaban fuegos en los matorrales.
Entonces cundió el pánico. ¡No quedaba tiempo más que para coger los bienes más valiosos y fáciles de llevar! Las joyas, por supuesto. y las calderas de metal, y sólo las cerámicas más apreciadas. Se utilizó todo barco, pequeño o grande, y, mientras los refugiados alcanzaban otros puertos, se pedían más embarcaciones para completar la evacuación. El pánico llevó al borde del histerismo a las últimas personas en dejar la isla, porque, en aquel momento, las explosiones eran más fuertes y más frecuentes, y bombas de piedra pómez, de considerable tamaño, caían sobre los fugitivos, que tenían que protegerse las cabezas cuando abandonaban el refugio de sus casas y la lluvia de cenizas era tan intensa que oscureció el Sol[48]. Akrotiri y las otras comunidades de Stronghyli se transformaron en ciudades fantasmas, pero, como en las ciudades fantasmas del oeste norteamericano, hubo un puñado de antiguos residentes que, obstinadamente, rehusaron irse. Lo peor ya ha pasado, o casi, exclamaban, y, durante cierto tiempo, pareció que tenían razón: la violencia de las explosiones comenzó a disminuir sensiblemente y los intervalos entre ellas se hicieron más y más prolongados. Tras un par de semanas de una relativa calma, según informaban los barcos que pasaban por allí, algunas personas regresaron para constatar la situación. Descubrieron que, si bien la actividad estaba entonces limitada al cráter y parecía no plantear amenaza alguna, ni siquiera la menor molestia, a quienes se mantuvieran a una prudente distancia, «algo» seguía sucediendo dentro de la montaña. Cargando con todo lo que podían acarrear de sus posesiones abandonadas, embarcaron hacia sus nuevos refugios e informaron que aún era prematuro regresar. Aun durante esta calma pasajera, aparecieron en escena bandas de saqueadores atraídos a la isla como buitres, puesto que había muchas cosas que podían cogerse en las ciudades y pueblos desiertos. Muy pronto, todo lo que tenía algún valor, excepto los frescos de las paredes, había desaparecido: sólo quedaron los cacharros de todos los días, especialmente aquellos que eran demasiado grandes para ser fácilmente transportados. Los pocos que habían quedado en la isla no pudieron impedir el pillaje y creyeron que lo más conveniente era esconderse cuando los merodeadores se acercaban.
* * * *
Muy pronto, el volcán se «aclaró la garganta» nuevamente y las explosiones se reanudaron. Esta vez, la actividad se aceleró rápidamente hasta llegar al clímax. En una rápida serie de explosiones de una fuerza sin par, cuyos rugidos se escucharon desde Creta y el continente, el Santorín vomitó incontables toneladas de cenizas y pumita, la mayor parte de las cuales cayeron dentro del volcán y en el cercano mar. La primera de estas fuertes explosiones fue acompañada por un temblor lo bastante intenso como para derribar las paredes de varios edificios (matando a un anciano mientras trataba de escapar) y abrió resquebrajaduras en el suelo que, en seguida, se llenaron de pumita. Todos los pueblos de Stronghyli quedaron sepultados, algunos totalmente, otros parcialmente. Por las ventanas y las puertas abiertas de los edificios se introdujeron fragmentos de piedra pómez y polvo de cenizas. Los tejados, debilitados por los temblores sísmicos, cedieron ante la carga creciente y, a menudo, arrastraron con ellos al caer las paredes y los pisos superiores. Los pocos habitantes que aún permanecían en la isla corrieron hacia las playas, pero pocos llegaron hasta ellas: la mayor parte quedaron allí, asfixiados, en la oscuridad: los otros se dieron cuenta de que el mar no ofrecía ninguna seguridad porque estaba tan repleto de pumita que no podían botar sus lanchas. Así perecieron los últimos habitantes de Stronghyli.
En Creta, los efectos de la primera explosión fuerte resultaron desconcertantes y fastidiosos, pero no particularmente perjudiciales. El tronante rugido de las explosiones distantes era sobrecogedor y, más aún, las ondas de temblores agrietaron los muros e hicieron caer algunos edificios de ladrillos que no estaban en buenas condiciones. Lo más sorprendente fue observar una inmensa nube sombría que se elevaba rápidamente en el horizonte y oscurecía el Sol, llegando, en determinado momento, a ocultarlo totalmente durante algunas horas. Desde esta nube comenzaron a llover finas partículas de cenizas que penetraban en los ojos, el cabello, la comida y las ropas, acumulándose en todos los rincones de las viviendas y cubriendo de polvo las cosechas en los campos y los olivos y las viñas. Para aplacar a los dioses, que evidentemente estaban muy molestos por algo, los cretenses se congregaron en los santuarios e hicieron sacrificios y ofrendas apropiadas a la ocasión. Una de las ofrendas consistía en enterrar pequeños cuencos conteniendo trozos de pumita debajo de los umbrales de la habitación que se destinaba a fines religiosos[49]. Unos pocos días antes, desde el comienzo de la fase más violenta de las erupciones, aparecieron, esparcidos sobre la costa, trozos de pumita cuyo origen era bien conocido.
El gran clímax de la erupción, en comparación, hizo parecer insignificante lo que había ocurrido antes. El despliegue fue aterrador en sitios tan alejados que no podían saber dónde estaba el origen del fenómeno que presenciaban. En Creta y en las islas cercanas a Stronghyli, donde eran conscientes que la erupción iba en aumento, el impacto no era menos estremecedor, físicamente incontrolable y, además, peligroso. Primero hubo una serie de rugidos que destrozaban los oídos, más fuertes que las ensordecedoras explosiones que habían estado escuchando hasta entonces (la más fuerte se oyó en un punto tan lejano como Escandinavia. y muy bien en Asia y África). Las ondas de temblores dañaron las viviendas de construcción deficiente —incluso edificios hechos de piedra— que estaban a varios cientos de kilómetros, y derrumbó las plantas altas de los edificios sólidos en toda Creta y en otras islas del Egeo. Inmediatamente después de las ondas de temblores, descendió una oscuridad que, en Creta, pronto se hizo tan densa que era casi palpable. Una extensa región quedó blanqueada por las cenizas. La Creta oriental se cubrió de una fina ceniza que formó una capa lo bastante espesa como para ahogar las cosechas que no habían crecido suficientemente y también los pastos, y derribar las ramas de los árboles y viñedos. Las ramas se rompieron bajo el peso al no poder desprenderse de él antes de que se acumulara, y asimismo las viñas, por las mismas razones. El polvo volcánico roció, leve pero perceptiblemente, hasta el Bajo Egipto.
Cuando el aire se aclaró, se pudo ver que la forma del Stronghyli había cambiado. La parte superior del alto cono parecía decapitada a corte de espada. Desde las fisuras de los flancos brotaban vapores, pero sin mucha fuerza. Toda la isla estaba amortajada bajo un manto de cenizas blanco-grisáceo: era un desierto y lo seguiría siendo durante generaciones. El mar, alrededor, estaba saturado de pumita que flotaba formando una capa tan gruesa que se hubiera podido caminar sobre ella, si es que hubiese habido alguien para intentarlo. Durante cierto tiempo, la navegación fue imposible en el vecindario, hasta que, finalmente, los bancos de piedra pómez comenzaron a romperse, desapareciendo en parte de la escena y formando flotantes islas fantasmagóricas de múltiples tamaños.
De vez en cuando, al imponerse la curiosidad al azoramiento, algunos marinos micénicos se detenían para explorar el siniestro paisaje. Algunos de ellos, que subieron hasta el cono truncado, observaron que la cumbre, aparentemente plana, era, en realidad, el borde de una inmensa depresión en forma de olla. De su parte inferior, de varios orificios alineados a lo largo de las fisuras, se elevaba vapor. Excepto algunas pequeñas avalanchas de roca y cenizas que se deslizaban por los lados de la olla, nada interrumpía la quietud total, con exclusión de sus propias voces, que ellos apagaban instintivamente. De pronto, asustados, se apresuraron a volver con sus compañeros, que, como ellos, estaban subyugados. Aquellos hombres no encontraron el menor rastro de la bulliciosa ciudad portuaria que habían conocido en sus anteriores viajes. Atemorizados, regresaron al mar. y, en el camino de retorno, balbucearon algo sobre los designios de los dioses —porque ¿qué otra cosa podía explicar la completa aniquilación, sino el desagrado de los dioses?— y recordaban cómo los habitantes de Stronghyli habían sido los más orgullosos y altaneros de los minoicos, lo cual quería decir mucho. Y mientras se alejaban más y más de la maldita isla, sus espíritus se fueron elevando e incluso comenzaron a regocijarse del destino de una parte de la nación rival.
Mientras tanto. Creta se mostraba consternada: las tierras más productivas, los mejores valles y llanos estaban asfixiados bajo varios centímetros de polvo volcánico, y los intentos para salvar, al menos, parte de la cosecha del año, se frustraban por las fuertes lluvias que no correspondían a la estación, y que, mientras se escurrían por las laderas de las montañas, acumulaban más sedimentos en los llanos. Algunas veces, en las laderas escarpadas, las saturadas cenizas se desplomaban en corrientes de lodo legamoso que sepultaba profundamente todo lo que crecía bajo ellas. Los bosquecillos de olivos, las huertas y los viñedos de los flancos de los montes no sufrieron mucho, especialmente si sus ramas se habían desprendido del peso de las cenizas antes de que éstas se acumularan. Ese otoño y ese invierno debieron los cretenses ajustarse considerablemente los cinturones, porque no sólo eran escasas las reservas de grano y vegetales, sino que también el ganado creció magro al no contar con el forraje necesario. Pero, en realidad, nadie murió de hambre, aun cuando los pobres se vieron obligados a utilizar en su dieta importantes cantidades de algarrobas[50].
Con la llegada de la primavera renació el optimismo. Las nuevas cosechas, plantadas donde la capa de cenizas había sido arrastrada por las lluvias, o donde el terreno fue limpiado laboriosamente durante el invierno, prometía ser tan buena, o mejor, que la del año precedente. Entre las cenizas cada vez más escasas, especialmente en las laderas de las colinas, comenzaron a aparecer nuevos pastos, y el ganado, las ovejas y las cabras, empezaron a perder su huesudo aspecto. Los días de viento eran molestos porque, entonces, las finas partículas de polvo volcánico se introducían en los ojos, pero, más pronto o más tarde, el polvo encontró su camino hacia el mar y, en tal caso, el viento se consideró un aliado.
Pero mientras en Creta la vida reemprendía su ritmo normal, bajo la superficie acechaba un fuerte sentimiento de desasosiego. Las gentes de Stronghyli habían sido típicos y prósperos minoicos. Si los dioses estaban tan quejosos de ellos como para empujarles al exilio y arrasar sus ciudades y sus pueblos, ¿no reservarían algo semejante para Creta? La inquietud aumentó cuando los que, durante los meses siguientes, visitaron Stronghyli dijeron que las cosas aún no estaban del todo resueltas: la depresión en la cumbre del pico se hundía, lenta, pero perceptiblemente. Las gentes observaron los ritos de su religión con mayor rigor que nunca, y los sacerdotes llegaron a inventar nuevos rituales relacionados con la pumita, que continuaba llegando hasta las playas mucho después de que terminara la erupción. Nunca los minoicos habían obedecido antes tan concienzudamente la censura de sus reyes-sacerdotes y de sus sacerdotisas: la delincuencia descendió al más bajo nivel; los orgullosos caminaban con más humildad, y los artesanos de los talleres de los palacios se esforzaron en crear objetos más bellos, especialmente los vasos que se utilizaban en las ceremonias religiosas. Aunque había sido permanentemente desastrosa para aquellos que habían vivido en Stronghyli, y temporalmente penosa para los que habían recibido la lluvia de cenizas volcánicas, se podía llegar a decir que la erupción se había aposentado en la edad de oro de los minoicos. Si alguno se sentía dispuesto a descarriarse, siempre estaba allí la isla de Stronghyli, desintegrándose lentamente en su depresión de la cima, que constituía una constante advertencia. Con el tiempo, la depresión central se hizo más baja que el mar que la rodeaba y, un día, después de que un trozo particularmente grande se fue al fondo, en el borde de la caldera se abrió una brecha y el mar penetró, formando una bahía en el lugar en que había estado el pico más alto. En una hora, una ola —del mismo tipo de las que a menudo siguen después de un terremoto— produjo importantes daños, aunque no irreparables, en varios puntos a lo largo de la costa norte de Creta. Estas olas se hicieron anormalmente frecuentes durante los años siguientes, y los minoicos se percataron de que cada una seguía a la caída de otro trozo del antiguo Stronghyli.
Y si los signos perturbadores visibles no eran bastante para mantener viva la inquietud que subyacía bajo la creciente prosperidad de los minoicos, allí estaban los micénicos, celosos desde siempre de la dominación que los minoicos ejercían sobre el Egeo (lo que. entre otras cosas, incluía el pago de un tributo anual a Cnosos), que no perdían oportunidad de burlarse de los mercaderes minoicos por el destino que habían tenido los orgullosos habitantes de Stronghyli, y sugiriendo que alguna suerte innombrable le esperaba también a Creta. Así pasaron los años. Muchos de los que recordaban los días de ruido, oscuridad y terror, y el invierno de privaciones que le había seguido, ya no existían. Los que entonces sólo eran niños, ahora ya tenían sus propios hijos. Y, entonces, los dioses golpearon otra vez: en el fondo del Egeo, profunda y convulsivamente, la tierra se estremeció. Este temblor se percibió, con intensidad variable, en toda Creta, pero, como sucede siempre, aun en los temblores más fuertes, los daños se concentraron en un área que, en este caso, fue la parte más oriental de Creta. Zakros fue la que más sufrió. En medio de un banquete celebrado en palacio, un fuerte temblor arrojó, con el tiempo justo, a nobles y esclavos al aire libre. Presos de pánico contemplaron cómo las paredes se derrumbaban y cómo las lámparas que se habían volcado transformaban, al arrastrarse entre las ruinas, en voraz incendio todo el escenario. El fuego era tan cálido que los bloques de piedra caliza quedaron calcinados, convirtiéndose en cal blanca, y fragmentos de ladrillos de barro se fundieron parcialmente.
¡Era demasiado! Desalentados por completo a causa de esta nueva prueba de que los dioses habían elegido sus dominios como objeto de su ira, los minoicos comenzaron a emigrar hacia otras tierras. Algunos utilizaron las conexiones que habían establecido en el curso de sus negocios y se fueron a tierras distantes, como Egipto y Asia Menor, pero la mayoría de ellos se dirigieron a Micenas, donde siempre, particularmente, se requerían hábiles artesanos. Estos refugiados cretenses infundieron nueva sangre y nuevas ideas que proporcionaron ímpetu al recién iniciado surgimiento de Micenas, la antecesora de nuestra propia civilización occidental, como un gran poder del Egeo.
Los que permanecieron en Creta se vieron hostilizados por un creciente número de atrevidas bandas de malhechores que se aprovecharon de la confusión reinante y del despoblamiento para atacar los puntos de la costa en que se hallaban las mejores casas. A menudo, los saqueadores terminaban incendiando las ruinas. En el exterior se supo que la situación se deterioraba rápidamente y, por último, unas tropas enviadas desde Micenas desembarcaron en Amniso y marcharon hacia Cnosos, donde sólo encontraron una débil resistencia por parte de los restos de la guardia del rey-sacerdote. Casi con alivio, los monarcas minoicos se rindieron y fueron conducidos a Micenas, donde vivieron el resto de sus días en una lujosa semi cautividad. Los gobernantes locales, que aún ocupaban palacios que habían sobrevivido al terremoto y a los salteadores, eran jóvenes y estaban preocupados por luchar para restablecer el orden. Pelearon contra los invasores, valiente pero infructuosamente, y fueron muertos o esclavizados, y sus palacios quemados hasta convertirlos en cenizas. La gente común se acomodó a los nuevos gobernantes, ya que en su existencia cotidiana no se produjeron cambios notables. Los ceramistas minoicos que no se fueron trataron de complacer el gusto de sus señores (o. posiblemente, así se lo ordenaron), y desarrollaron el florido «estilo de Palacio», que se reservó sólo a Cnosos; en el resto de los lugares, los ceramistas continuaron produciendo los estilos que habían sido populares desde el Minoico tardío I A. Cuando, unos años más tarde, Cnosos fue, al fin, destruida. Creta no era nada más que otra dependencia de Micenas, y ni siquiera una de las importantes. Los minoicos, un día dirigentes de su mundo, habían desaparecido de las primeras páginas de la Historia, y nunca más resurgió Creta de la oscuridad de las últimas páginas.
Capítulo IX
¿Se ha encontrado la perdida Atlántida?
Las excavaciones en Cnosos acababan de dejar a la luz la tanto tiempo sepultada civilización minoica cuando ya se hacían conjeturas sobre la posible conexión entre Creta y la Atlántida, aunque tales suposiciones fueron pronto olvidadas. La renovación actual del interés es, esencialmente, un corolario de la hipótesis de destrucción volcánica de la Creta minoica. Pero, antes de analizar los argumentos a favor de la Atlántida egea, es necesario conocer el origen del relato sobre la Atlántida y sus rasgos esenciales, así como comprender las razones para negar la posibilidad de que el enclave de la Atlántida se encuentre en la zona.
Contrariamente a lo que se piensa en general, la Atlántida no es en absoluto un invento del folklore, es decir, no es parte de la tradición oral de ninguna cultura de parte alguna de la Tierra. Su mención emana de una, y sólo una fuente escrita[51]: los Diálogos de Platón y, más específicamente, los de Timeo y de Critias. El Timeo pretende registrar una conversación entre Sócrates. Timeo (un científico). Cutías (un historiador) y Hermócrates (un general), durante la cual discuten la naturaleza del Universo. Critias narra la historia de Atlántida, que se supone le contó Solón, el gran legislador de Atenas, que vivió unos doscientos años antes de Platón, a su abuelo. En su juventud. Solón visitó Sais, en el delta del Nilo, que entonces era la capital del Bajo Egipto (véase Figura 38, capítulo 10). Allí conversó con sacerdotes cultos y, en el curso de la conversación, descubrió que sabía muy poco de la historia antigua de su propio país. Para alentar a los sacerdotes a que relataran historias de la antigüedad. Solón comenzó a contarles el hecho más antiguo del que los atenienses tenían noticia, el Diluvio de Deucalión, lo que hizo que el más anciano de los sacerdotes exclamara: «Oh. Solón. Solón, vosotros los griegos sois como niños... Vuestras almas son jóvenes, no abarcan ni conclusiones derivadas de las tradiciones remotas, ni ninguna antigua disciplina de su existencia en otros períodos anteriores.» ¿Es que Solón no sabía que el Diluvio de Deucalión era la última de una serie de catástrofes, y que los atenienses descendían de una noble raza que vivió mucho tiempo antes de todo esto? De las numerosas y poderosas hazañas de estos antiguos atenienses, cuya ciudad había sido fundada nueve mil años antes de la conversación de Solón con los sacerdotes, lo más sobresaliente fue la derrota del poder guerrero del océano Atlántico.
Este poder guerrero provenía de una isla más grande que Libia y Asia juntas. La isla «proveía un paso fácil a otras islas vecinas, como también era fácil pasar desde ellas al continente que bordea el océano Atlántico». (Para comprender mejor esta geografía se recomienda al lector observar la figura 35. Para los griegos del tiempo de Solón, el mundo estaba compuesto por «Europa» y «Asia» —comprendiendo, esta última. Asia Menor y el norte de África— separadas por el Mediterráneo, y todo esto rodeado por la «corriente del Océano», que, a su vez, estaba cercado por un continente. En los tiempos de Platón se sabía ya que el Océano era mucho más grande que una corriente y se le llamó Atlántico, pero, hasta donde llegan mis conocimientos, no fue explorado por los griegos.) Cuando los reyes de Atlántida intentaron conquistar y esclavizar toda el área mediterránea, los antiguos atenienses encabezaron la lucha contra ellos y «consiguieron la más amplia libertad para todos nosotros que vivimos dentro de los pilares de Hércules». Con posterioridad, se produjeron grandes terremotos y diluvios y, en el transcurso de un día y una noche, la raza de los antiguos atenienses fue «sumergida debajo de la tierra», mientras que Atlántida desapareció bajo el mar, dejando sólo bajíos no navegables para señalar su emplazamiento.

Figura 35. El mundo, tal como lo conocían los antiguos griegos.
En el Critias, en un diálogo con los mismos cuatro participantes. Critias ofrece detalles completos sobre la historia, la geografía, la religión y la cultura de la Atlántida y, luego, continúa explicando cómo los habitantes de esas tierras habían degenerado gradualmente, hasta que Zeus pensó que su debilidad no debía permanecer sin castigo, por lo que llamó a todos los dioses y dijo... En este momento el diálogo termina bruscamente Algunos creen quo Platón murió antes de terminarlo, mientras que otros consideran que lo comenzó antes, pero después lo dejó de lado, ocupado en otras cuestiones, y nunca volvió a acercarse a él.
¿Describió Platón un lugar que pensaba real, o lo imaginó para probar un punto de vista filosófico? Si creía que era real, ¿qué parte de su relato es fiable? Los trabajos sobre la Atlántida son de tres tipos principales: los que tratan de probar que la descripción de Platón es literalmente cierta; los que conceden alguna distorsión en el tiempo o en el lugar, o en ambos; y los que rechazan de plano el aceptar que sea algo más que una ficción. Si ignoramos a los que basan sus argumentos en relaciones ocultas y fantasías similares y no se dejan confundir por los simples hechos, se verá que todos los que integran la primera teoría, y muchos de los de la segunda, han dicho sinceramente que creen que la evidencia científica es válida. Sin embargo, demasiado a menudo se han extraído conclusiones incorrectas a partir de hechos científicos establecidos, o se han basado las argumentaciones en teorías científicas anticuadas. El verdadero análisis científico, en cambio, ha apoyado invariablemente a aquellos que afirmaban que la Atlántida era una ficción y que, en el mejor de los casos, admitirían que pudiese estar basada, en parte, en hechos reales conocidos por Platón.
* * * *
El concepto popular de la Atlántida se planteó en un libro de Ignatius T. T. Donnelly, un autodidacta de múltiples inquietudes: Atlantis: The Antediluvian World («Atlántida: El mundo antediluviano»), que se publicó por primera vez en 1882 y fue el primero de varios libros de éxito. (Otro que ha tenido el mismo permanente impacto, aunque en un campo muy distinto, es The Great Cryptogram [El gran criptograma], en el que trataba de probar que la obra de Shakespeare estaba literalmente salpicada de claves criptográficas que indicaban que el verdadero autor era sir Francis Bacon. Lo mismo que en el caso de la Atlántida, la idea original no era suya, pero su libro constituyó el trampolín para que los partidarios de este punto de vista lo transformaran en un culto permanente.) El concepto que Donnelly tenía sobre la Atlántida era el de un continente, en el océano Atlántico, habitado por una raza superior que existió hasta hace alrededor de 11.500 años, y que se desplomó en un gran cataclismo. Los supervivientes se abrieron camino hacia otras regiones, llevándose con ellos su importante cultura. Donnelly comienza por formular trece propuestas que trata de probar. Sus «pruebas» se basaban principalmente en la comparación de las civilizaciones del Viejo y Nuevo Mundo, en la distribución en el globo de las tradiciones sobre diluvios, y en supuestas referencias a la Atlántida en las mitologías del Viejo Mundo. Sólo tres de dichas propuestas mantienen una relación directa con nuestra perspectiva orientada hacia la geología:
1. Que antiguamente existía en el océano Atlántico, frente a la desembocadura del Mediterráneo, una gran isla formada por los restos del continente atlántico y que en el mundo antiguo se conocía como Atlántida.
2. Que la descripción que Platón hace de esa isla, que hasta ahora se había considerado una fábula, era historia real.
12. Que la Atlántida desapareció después de una terrible convulsión natural que sumergió a toda la isla en el océano y, con ella, a casi todos sus habitantes.
En relación con las propuestas 1 y 12, Donnelly invoca argumentos geológicos para demostrar: a) que existían grandes masas de tierra en el lugar en que Platón sitúa a Atlántida, y b) que era posible que un continente fuera destruido de la noche a la mañana. El primer argumento es razonable a la luz de los conocimientos geológicos de entonces. La sonda de profundidad ha revelado la existencia de una cordillera en el centro del Atlántico Norte, a la que se le ha dado el nombre de Dolphin Ridge (cordillera del Delfín) y que es la parte que está más al norte de la cresta dorsal del Atlántico medio. Se ha observado que la flora y la fauna en ambos lados del Atlántico Sur son similares, lo que indica que, en algún momento, existió algún tipo de conexión entre ellos. Pero las deducciones que hace Donnelly con respecto del segundo punto, tomando como base las pruebas geológicas de que disponía, son muy dudosas. Esencialmente, sus argumentos se reducen a los siguientes: a lo largo de los tiempos geológicos, los continentes han surgido y se han sumergido; se sabe de islas que desaparecieron súbitamente (se da como ejemplo a Santorín; Krakatoa, por supuesto, no había entrado aún en erupción ni había caído su caldera, cosa que ocurrió en 1882). En consecuencia, no hay nada extraño en la afirmación de Platón de que el continente Atlántida desapareciese con tanta rapidez como él sostiene.
Donnelly no tiene en cuenta el hecho de que mientras es cierto que los continentes surgen y desaparecen, lo hacen muy lentamente. Si una gran isla o un continente desaparecieran, el proceso precisaría muchos milenios: no puede suceder tan súbitamente como para dejar el recuerdo de un gran desastre, que es lo que cree Donnelly (como muchos otros, aún hoy) que sucedió con la tradición del diluvio. Las inundaciones, sin duda, pueden anegar extensas áreas con bastante rapidez, pero la más generalizada que pueda imaginarse, finalmente se escurrirá y dejará las tierras por encima de las aguas. Las únicas fuerzas geológicas capaces de producir un hundimiento súbito y permanente de la tierra son los terremotos y las erupciones de las calderas, pero, en tal caso, sólo afectan, como máximo, a unos pocos kilómetros cuadrados.
* * * *
El ya fallecido Lewis Spence, un científico dedicado a los mitos, intentó conciliar el relato de Platón con los hechos geológicos como él los entendía, cambiando la época de la Atlántida. Hizo notar la incongruencia existente entre la cultura descrita como seguramente perteneciente a la Edad del Bronce y su destrucción hace alrededor de 11.500 años; porque la Edad del Bronce no comenzó hasta aproximadamente hace 5.000 años. En 1925 indicó que la destrucción de la Atlántida constituyó sólo el último hecho en la disolución de un inmenso continente que antes había ocupado todo el Atlántico Norte, o su mayor parte. Ese continente, afirmó, comenzó a desintegrarse en la época del Micénico tardío, «debido a sucesivos acontecimientos volcánicos y, también, a otras causas». Dos grandes restos, las Antillas y la Atlántida, persistieron, hasta hace 25.000 años, unidos por una cadena de islas. Las Indias Occidentales representan los restos de las Antillas; la Atlántida continuó desintegrándose hasta que el desastre final alcanzó los últimos restos hacia el año 10.000 a.C. La lenta desaparición de la Atlántida produjo sucesivas olas de migraciones durante mucho tiempo, y una de éstas coincide con la fecha que da Platón para la destrucción de ese continente. La raza superior era el Cromañón, cuya avanzada cultura de la Edad de Piedra es similar a la de los antiguos habitantes de América Central.
En la época de Spence, los geólogos habían llegado aproximadamente a un acuerdo respecto a una antigua posible conexión entre el Viejo y el Nuevo Mundo. Las similitudes entre los fósiles pre-Mesozoicos de la flora y la fauna a ambos lados del Atlántico Sur son demasiado sorprendentes como para que sean una coincidencia. Algunos sostienen que esta conexión fue un angosto puente de tierra, de existencia más o menos temporal, como, por ejemplo, el istmo de Panamá, mientras que otros consideran todavía que la cordillera del Delfín fue una gran masa de tierra que se hundió. En 1912 apareció una «evidencia» que fue lanzada como prueba de que, en algún momento, la cordillera del Delfín estuvo sobre el nivel del mar. Un eminente geólogo francés pronunció una conferencia en la que afirmó que fragmentos de roca rescatados en 1898 por el arpeo de un barco que buscaba un cable telegráfico que se había roto eran de cristal basáltico (taquilita), similar al que se formó en la erupción del Pelée en 1902. Se ha hecho notar que mientras la lava del monte Pelée se había solidificado al aire libre, era cristalina en su textura, pero que cuando se solidificó fuera de otra lava se formó el típico basalto de grano fino. El geólogo francés consideraba esto como una prueba de que la roca cristalina del fondo del océano se había formado bajo la presión atmosférica, y que, por tanto, una superficie que ahora estaba a dos millas (más de tres kilómetros) de profundidad, debió de estar antes sobre el nivel del mar.
Pero, por desgracia para esta argumentación, no es la presión, sino la velocidad de enfriamiento, lo que rige la cristalización del magma, un hecho que ya era conocido en el momento en que se dio la conferencia. Si el magma se enfría muy rápidamente, los cristales no tienen tiempo de crecer y, por tanto, la roca resultante no será vítrea. Nada cambia si el enfriamiento se produce por el contacto con el aire o con agua fría que esté en las profundidades del mar. Si se enfría más lentamente, como la lava del Pelée que no estuvo expuesta al aire, se formarán finos cristales, y si se enfría lentísimamente en las profundidades de la tierra, producirá rocas de grano grueso, como el gabro, en el que los cristales individuales son visibles a simple vista. En las islas Hawái se han observado cubiertas vidriosas sobre los basaltos recogidos a una profundidad de 17.000 pies (5.100 metros) o más, de modo que no hay razones para que la taquilita tomada de la cordillera del Delfín no se formara precisamente en el lugar en que fue recogida.
Algunos geólogos aún pretenden que plantas y animales pudieron cruzar puentes de tierra, aunque la cantidad de éstos es cada vez menor. La existencia de puentes de tierra que permitan el paso de seres humanos es fácilmente demostrable sólo en el caso de que las regiones estén casi contiguas, como sucede en el estrecho de Bering, o en la parte occidental de las islas Canarias[52] y África. Sin embargo, puentes de tierra sobre el Atlántico son sólo una conjetura y nunca se ha producido un acuerdo general respecto de dónde pudieron haber existido. De cualquier modo, aun en el caso en que existieran, la conexión se cortó hacia el final del período Mesozoico, hace 70 millones de años, porque, desde ese momento, las floras y las faunas a ambos lados del Atlántico se desarrollaron de forma independiente. Por tanto, los puentes de tierra, si es que existieron alguna vez, no sirven en absoluto de ayuda para demostrar la existencia de tierra en medio del Atlántico en tiempos tan recientes como hace 11.500 años.
Cuanto más se sabe sobre el fondo del océano Atlántico —y nuestro conocimiento se ha incrementado a pasos agigantados en las últimas décadas— se hace más difícil, yo diría que imposible, encontrar ningún lugar en el que pudiese existir una conexión por tierra. Se sabe que la corteza terrestre que está debajo de los océanos es esencialmente diferente de la que se encuentra bajo los continentes; es más delgada y falta el estrato «granítico» que tienen los continentes[53]. No hay ninguna corteza del tipo continental sumergida debajo de ningún océano, y tampoco existen estrechas franjas de este tipo de corteza que unan los márgenes opuestos de ningún océano.
Más aún, los conceptos geológicos actuales eliminan la necesidad de que existiera tierra de ningún tipo en ningún momento. Actualmente, la teoría del deslizamiento continental, que hasta hace una década no se tomaba en serio entre los geólogos de Estados Unidos, es respetada y gana partidarios día a día. Según esta teoría (formulada independiente y casi simultáneamente por Frank B. Taylor. geólogo norteamericano, y Alfred Wegener. meteorólogo alemán. alrededor de 1910-1911), los continentes estuvieron unidos y constituían uno o quizá dos supercontinentes que, posteriormente, se rompieron, formándose así dos bloques que se van separando entre sí lentamente durante los últimos 70 millones de años. El deslizamiento continental, además, explica fácilmente el que las líneas costeras en los lados opuestos del Atlántico encajen perfectamente cuando, en un mapa, se las recorta y junta entre sí, lo que también explica por qué el sistema de rocas de África se corresponde con el de América del Sur, como asimismo sucede con la edad de los fósiles; y explica por qué pueden eliminarse algunas diferencias en las direcciones paleo magnéticas[54] de las rocas anteriores al Terciario, desplazando los continentes hasta unirlos de nuevo.
Al principio, el deslizamiento continental no se aceptó con entusiasmo porque el mecanismo que se propuso no era razonable. Describía bloques rígidos de un material liviano llamado «sial» (esencialmente granítico en su composición, con altas proporciones de silicato de aluminio) que flotaban como icebergs en una «sima» más densa y algo plástica (que era básicamente basáltica, con altas proporciones de silicatos de hierro y magnesio). Actualmente, aun cuando el mecanismo no se entiende totalmente, se dan dos tipos de evidencias independientes que hacen que resulte difícil creer que los continentes no se han movido uno con relación al otro. El último refinamiento de la teoría constituye el concepto de «placas tectónicas» que ha revolucionado el pensamiento geológico. Según tal planteamiento, la litosfera (la corteza terrestre y parte del manto; véase Figura 36) se divide en varias planchas (las opiniones sobre su espesor exacto difieren, pudiendo llegar a 200 kilómetros), creando en la cresta del centro del océano fosas que se deslizaron sobre una capa débil de la parte superior del manto, el que, a juzgar por el hecho de que las ondas sísmicas se retardan en él, está en un estado más plástico que el material que se encuentra por encima y por debajo de él: posiblemente, porque está parcialmente fundida. Esta débil capa se llama astenosfero[55].

Figura 36. El desplazamiento continental según una nueva tectónica global. Nuevo material del manto de la Tierra se levanta a lo largo de la cresta media oceánica, produciendo las placas (compuestas de la corteza y la parte superior del manto) que se separan. En este caso, una placa se desplaza hacia el oeste, arrastrando un continente (que podría ser Sudamérica), choca con una placa oceánica que se mueve hacia el este (placa del océano Pacífico), y, esta última, se hunde bajo el continente. Las reacciones físicas y químicas entre el material de la corteza que se hunde y el manto originan el vulcanismo y los terremotos. (Tomado de Takeuchi y de otros, 1967.)
Cuando chocan las placas se producen fenómenos desde el punto de vista geológico. Si dos placas que transportan continentes se encuentran, se origina un pliegue montañoso. El Himalaya, por ejemplo, se formó cuando la India se desplazó hacia el norte contra Asia. Cuando una placa oceánica choca contra un continente, como ocurrió cuando el nordeste del Pacífico chocó contra Asia y el sudeste del mismo océano lo hizo contra Sudamérica, se sumerge bajo la placa continental más liviana y su camino de descenso queda marcado por un plano inclinado de los hipocentros de los terremotos llamado (en honor al sismógrafo norteamericano Hugo Benioff) zona de Benioff, por un foso oceánico, mar adentro, y montañas encogidas, al borde del continente. Cuando el material que se hunde desciende a una profundidad considerable, se funde y, lentamente, se recicla, formando así una cresta en una acción de tipo de correa transportadora que, se supone, es arrastrada por las corrientes. La asociación del vulcanismo activo con el descenso de las placas no es casual, sino que se debe a que los materiales más livianos pierden el gas al hundirse. No todas las placas chocan de frente, sino que algunas giran un poco mientras se trasladan. El nordeste del Pacífico golpeó de refilón sobre la costa oeste de Estados Unidos y se sumergió bajo las islas Aleutianas, separando a la Baja California de México y produciendo la conocida falla de San Andrés y sus ramificaciones, a la que están ligados la mayor parte de los terremotos de la zona.
Las dos pruebas que sirven de base a la idea de que el fondo del océano se está expandiendo realmente son las “anomalías magnéticas" y la datación por el potasio-argón de las rocas del fondo del océano. Aunque la dirección del campo magnético de la Tierra —es decir, la localización geográfica de los polos magnéticos, que no coinciden totalmente con los polos geográficos— no ha cambiado sensiblemente desde los tiempos del comienzo del Terciario, su polaridad se ha invertido —o sea, que los polos magnéticos del norte y del sur se han hecho intercambiables— varias veces, de un modo brusco, a través de los tiempos geológicos. La última inversión conocida sucedió entre 13.500 y 17.500 años atrás. No se sabe ni cuándo ni por qué se produjo, aunque debe relacionarse de algún modo con el núcleo fluido exterior de la Tierra que creó el campo magnético principal cuando ésta giraba sobre su eje como una dinamo gigantesca. Cualquiera que haya sido la razón, las capas que se formaron a raíz de erupciones en las distintas épocas geológicas muestran alteraciones de la polarización normal e invertida[56], polarización que puede estar en relación recíproca en todo el globo.
Se ha pronosticado que si el fondo de los océanos se está expandiendo desde las crestas medio-oceánicas, como afirma el concepto de las placas tectónicas, la dirección paleomagnética alternativa de las rocas que se han formado en épocas sucesivas de polaridad magnética alternativa debería mostrar anomalías en el esquema del campo magnético, tales como franjas paralelas a la cresta dorsal del centro del océano a ambos lados, cosa que se ha confirmado por las investigaciones magnéticas realizadas allí (para las que se utilizan magnetómetros aéreos o remolcados por barcos). La velocidad de esta expansión se ha estimado en. al menos, un centímetro por año, aunque algunos la elevan hasta ocho centímetros y, además, la velocidad no ha sido constante. Las pruebas de las anomalías magnéticas son confirmadas por los resultados de la datación de carbono-14 realizadas en las rocas del fondo del océano a distintas distancias de la Cresta Dorsal del Atlántico Medio. Las edades que se obtuvieron coinciden con las pronosticadas en las pruebas de polaridad, indicando un aumento uniforme desde el centro a ambos lados de la cresta.
* * * *
No se necesitan, pues, más argumentos para probar que nunca existió una masa de tierra, o isla, en el océano Atlántico, al menos no desde el tiempo que el hombre está sobre el planeta. Pero aún hay otra comprobación, surgida desde el campo relativamente reciente de la paleoclimatología, que aporta otro grano de arena para confirmar que no existe una Atlántida sumergida en el océano Atlántico. Por medio de técnicas biogeoquímicas fundamentadas en las proporciones en que se halla el estable (es decir, no radiactivo) isótopo de oxígeno en las conchas de los organismos marinos, es posible determinar la temperatura del agua en la que viven dichos organismos y en la que secretan sus conchas. La mayoría de los átomos de oxígeno tienen un peso atómico de 16, pero algunos pocos —en el oxígeno de la atmósfera alrededor de dos sobre mil— tienen un peso de 18. Por estudios realizados sobre especies vivas se sabe que cuanto más fría está el agua, mayor es la proporción de oxígeno «pesado» (O18) que interviene en la composición del carbonato de la concha. Por tanto, midiendo las proporciones relativas de los dos isótopos de oxígeno en los fósiles de conchas, es posible calcular la temperatura de las aguas marinas de la antigüedad, lo que, a su vez, indica cómo era el clima en aquel entonces. (Este condensado esquema del método está muy simplificado, pero sirve para ofrecer una idea general del principio en que se basa.) De cualquier modo, las investigaciones paleoclimáticas indican que hace 11.500 años, el océano Atlántico, en una latitud media, era frío —precisamente en el punto en que se supone que estaba la Atlántida—, como podía esperarse, ya que esta época se sitúa hacia el final de las glaciaciones del Pleistoceno. Sin embargo, el clima que describe Platón en la Atlántida era suave y bastante parecido al del área del Mediterráneo en los últimos miles de años.
* * * *
Tras eliminar, desde el punto de vista geológico, la posibilidad física de que existiera en alguna parte una antigua masa de tierra sobre el Atlántico, toda argumentación sobre la Atlántida basada en similitudes culturales y lingüísticas cae por su propio peso. Si estas similitudes no son simplemente casuales o imaginarias, deben de tener alguna otra explicación. (No obstante, estas preguntas van más allá de los fines de este horizonte geológico.) O bien la Atlántida existió en otra parte, o nunca existió, excepto en la imaginación de Platón.
* * * *
Seleccionando con sensatez aquellas partes del relato de Platón que resultan apropiadas, y desechando las que aparecen como distorsiones o exageraciones, cabe suponer el enclave histórico de la Atlántida en cualquier parte del globo y, en verdad, es difícil encontrar ninguna zona de éste que no haya sido propuesta en uno u otro momento: el Ártico; varios lugares de Europa y del Mediterráneo; África del Norte y del Sur; América del Norte, del Sur y Central; Sri Lanka e, incluso, el Pacífico Sur. En muchos casos, la elección del punto revela una buena dosis de chauvinismo, y el que hace la propuesta trata de probar que su propio país constituyó el enclave real de la Atlántida. o que su nación desciende de los atlantes y, por tanto, sus miembros son superiores a los demás. Spence, por ejemplo, afirma:
«Si se le permite a un patriota escocés jactarse, diré que creo firmemente en la superioridad mental y espiritual de los escoceses, lo que se debe, en gran parte, al predominio de sangre Cromañón que, seguramente, corre por las venas de sus gentes... Los ingleses también, sin duda, extraen su cordura, su poder físico y la marcada superioridad en las cosas mentales de la misma fuente y, si la mayor parte de su sangre es ibérica, ¿no deriva esto, también, de la Atlántida? A la mezcla de sangre Cromañón e ibérica se debe el genio de Shakespeare y de Burns, de Massinger y de Ben Jonson, Milton, Scott y, para referirnos a nuestra época, H. G. Wells y Galsworthy son casi Cromañón puros...»
Los vascos también reclaman el ser descendientes de los habitantes de la Atlántida y creen que su lengua, que no se relaciona con ninguna otra actual, es lo que queda de la lengua original de la Atlántida. El gran erudito sueco del siglo XIX Olaf Rudbeck creía, como muchos de sus contemporáneos, que su nombre se recordaría principalmente por un inmenso tratado inacabado en el que «probaba» que la Atlántida era la península escandinava, y Suecia el lugar de origen de la civilización. Sin embargo, se le recuerda, en realidad, como el descubridor del sistema linfático del cuerpo humano.
Cualquier tratado sobre todas las sugerencias de lugares alternativos para la Atlántida llenaría por sí solo un libro de considerables proporciones. El lector que se interese por más detalles puede consultar el completo trabajo de L. Sprague DeCamp que se titula Lost Continente (Continentes perdidos), publicado por primera vez en 1954 y reimpreso, tras ser revisado, en 1970. Sus disquisiciones geológicas son meditadas y sus argumentaciones son fundamentalmente sensatas[57].
El mismo proceso de aceptación y rechazo que permite considerar las numerosas localizaciones alternativas de la Atlántida puede ser invocado con respecto al enclave de los egeos. Entonces, ¿por qué debe tomarse con más seriedad que otros? Porque, por primera vez, los dos elementos esenciales y absolutos del relato de la Atlántida —una civilización superior y una catástrofe natural— están presentes en ambas.
La primera persona que pensó que era posible que los minoicos fueran el prototipo de los habitantes de Atlántida fue el erudito K T. Frost, quien, primero en una carta anónima enviada al Times de Londres el 19 de enero de 1909, y luego en una exposición más detallada en que reconocía la autoría de la carta, enfatizaba que la leyenda tenía sentido si se la consideraba como histórica desde el punto de vista egipcio. A los egipcios, la desaparición de los minoicos, cuando parecían ser más fuertes y más seguros, les debió de parecer como si éstos se hubieran hundido en el mar. Pero los escépticos, que exigían una sumersión literal de la Atlántida, no tardaron en señalar que Creta está aún, en gran parte, sobre el nivel del mar. En 1928, un ruso, L. S. Berg, trató de localizar la Atlántida en el Egeo, cerca de Creta. El Egeo se formó en tiempos geológicos recientes (Cuaternario) por la subsidencia de un bloque de tierra («Aegeis») que en otros tiempos unía la península balcánica con Turquía. Pero hoy sólo quedan los puntos más altos sobre el nivel del mar que constituyen las islas del Egeo. Berg creía que el recuerdo de estas antiguas tierras podría haber sido transmitido a los minoicos, quienes, a su vez, las pudieron mencionar a los egipcios durante sus transacciones comerciales, y que estos últimos pudieron haber deducido del relato la tradición de una catástrofe. Esta teoría no es muy recomendable porque requiere que se recuerde el fin de los egeos después de diez o cien mil años, puesto que, en realidad, este fin se produjo gradual e inadvertidamente.
Cuando Marínatos propuso, en 1939, su teoría de la destrucción volcánica de la Creta minoica, se apresuró a reconocer sus implicaciones para con la Atlántida. En 1950 publicó un trabajo en el que demostraba que, posiblemente, el mito de la Atlántida había surgido de la fusión de varios episodios distintos que tuvieron lugar durante un espacio de tiempo de alrededor de novecientos años, pero que se centraban en «la destrucción de Thera acompañada por un fenómeno natural que se percibió en puntos tan lejanos como Egipto» originando «el mito de una isla, poderosa y rica más allá de lo imaginable, que terminó hundiéndose». Dado que este trabajo se publicó originariamente en griego (la versión inglesa no fue publicada hasta 1969, por el First International Scientific Congress on the Volcano of Thera (Primer Congreso Internacional sobre volcanes de Thera]), no recibió el general reconocimiento. El interés actual debe atribuirse a A. G. Galanopoulos, quien, en una serie de trabajos que comenzaron en 1960, se esfuerza en demostrar que las erupciones de la Edad del Bronce de Santorín no sólo explican la Atlántida, sino también varios otros mitos y tradiciones semihistóricas, incluido el diluvio de Deucalión.
Las teorías de Marínatos y de Galanopoulos representan dos caminos distintos que conducen desde la Creta minoica hasta la Atlántida. La ruta de Galanopoulos se basa en la creencia de que la confusa información histórica que existe sobre las erupciones de Santorín y sobre los minoicos fue llevada a Grecia desde Egipto por medio de Solón, que la tradujo, y que fue transmitida a Platón, quien la registró unos doscientos años después Para recorrer este itinerario es necesario encontrar una explicación lógica a las diferencias entre la descripción de Platón y lo que se sabe respecto de los minoicos y las erupciones de la Edad del Bronce.
Se comenzará por seguir la ruta de Galanopoulos, aunque no necesariamente paso a paso. ¿Se puede ir desde Creta y Santorín hasta la Atlántida sin hallar algún obstáculo insuperable? La única forma de averiguarlo es considerar separadamente cada hito importante en la descripción de Platón (suponiendo, por el momento, que se basa en un documento real) y juzgar si encaja en la Creta minoica y/o Santorín y, de no ser así, si existe alguna explicación verosímil para conciliar las discrepancias.
* * * *
1. Según Timeo, la antigua Atenas se fundó nueve mil años antes de los tiempos de Solón, y guerreó con la Atlántida en algún momento posterior no determinado; según Critias, la guerra fue nueve mil años antes de los tiempos de Solón. (Si Platón estaba en realidad informando, esta inconsistencia revela un cierto descuido por su parte.)
Uno de los argumentos fundamentales de Galanopoulos estriba en que todas las cifras por encima de 100 (en los textos griegos) se han exagerado diez veces como resultado de un error de traducción introducido cuando el sacerdote egipcio le comunicó el relato a Solón: al traducir la palabra o símbolo egipcio de 100 se registró como 1.000. Como se verá más adelante cuando se analicen otras medidas, esta idea tiene bastante sentido, ya que reduce todas las cifras —ya se refieran a tiempo, lugar o número de personas y barcos— a valores que son compatibles con lo que se sabe de la Creta minoica. Sólo alguien que haya tenido la oportunidad de comparar las traducciones con los originales puede apreciar la bella simplicidad y la lógica del argumento de un error de traducción. Como constante consumidora, a veces editora, y, en la actualidad, traductora profesional de textos técnicos, os puedo asegurar que un error como el que pretende Galanopoulos es trivial para la mayoría de la gente en comparación con algunos otros escritos que he visto, tanto publicados como inéditos.
Se sabe que Solón visitó Egipto cuando era joven. Por tanto, no es seguro el momento exacto de su visita. Se cree, sí, que acaeció en algún momento entre 593 y 583 a.C., pero también pudo haber sido después del 570 a.C. De cualquier forma, si se reemplaza 900 por 9.000 años, tanto la fundación de Atenas como la guerra con la Atlántida se sitúan dentro de los límites de error admitido de los datos obtenidos por el carbono-14 para las erupciones minoicas, y un conjunto de datos (después de 1470 a.C.) se aproxima a la datación arqueológica para el fin de la Creta minoica.
* * * *
2. «Este poder vino desde el océano Atlántico... y había una isla que estaba frente al estrecho... llamada las Columnas de Hércules: la isla era más grande que Libia y Asia juntos...»
Galanopoulos piensa que Platón trasladó la Atlántida al océano Pacífico, comprendiendo que una isla de dimensiones tan exageradas no podía estar en el Mediterráneo. Entonces, presentó argumentos para probar que las «Columnas de Hércules» se referían al principio, no al estrecho de Gibraltar, sino a los cabos Malea y Taenarum (Matapán) (véase Figura 28). No veo la necesidad de falsear la geografía de las «Las Columnas de Hércules». Ya fuera el mismo Platón o algún antiguo egipcio el que ubicó la Atlántida en el océano Atlántico, esto significa que habría estado más allá del estrecho de Gibraltar, y Platón, naturalmente, utilizaba el nombre por el cual él conocía el estrecho.
* * * *
3. «La isla... era el camino hacia otras islas y, desde allí, se podía pasar a todo el continente opuesto...»
No cabe duda de que Creta era un paso entre África del Norte. Asia Menor, las islas orientales del Mediterráneo y Europa. Como indica J. V. Luce, «desde el punto de vista egipcio, ésta es una descripción bastante exacta de Creta como puerta de entrada hacia las Cicladas y la parte continental de Grecia».
* * * *
4. La Atlántida era un «reino grande y espléndido» que gobernaba también sobre otras islas y parte del continente y había dominado a parte de Libia dentro de las Columnas de Hércules «llegando hasta Egipto y, desde Europa, hasta Tirrenia».
Políticamente, los minoicos controlaron Creta, muchas de las islas egeas y parte de la Grecia continental, mientras que, desde el punto de vista económico, su influencia se extendió, por lo menos, hasta Libia, Egipto y Sicilia.
* * * *
5. Después de que los atenienses derrotaron a los agresivos atlantes, «...se produjeron violentos terremotos e inundaciones, y en sólo un día y una noche... todos los guerreros se hundieron juntos en la tierra, y también la isla de Atlántida desapareció en las profundidades del mar».
Como ya se indicara, a causa de las erupciones minoicas se produjeron intensas lluvias, incluso a grandes distancias del volcán, y debido al efecto siembra de nubes de las cenizas en la parte alta de la atmósfera y un tsunami que se originó en la caída de Stronghyli (como se ha estado denominando a !a erupción previa de Santorín), pudieron calificarse como diluvio cuando y donde se hicieron sentir. La terminación de las explosiones principales pudo haberse interpretado como terremotos, como en el caso del Krakatoa, o cabe que un seísmo tectónico se produjese, dentro de un período razonable, después de la erupción. El clímax de la erupción, incluyendo la caída de la caldera, pudo producirse en un día y una noche. La noticia de la súbita desaparición de gran parte de una pequeña isla debe de haber circulado durante un cierto tiempo por todo el Mediterráneo, probablemente sin alteraciones. Al escucharla. ¿no es posible que los egipcios ataran cabos y la unieran a la desaparición más o menos brusca de los comerciantes minoicos? Pero, oyeran o no algo sobre la isla desaparecida, va qué agente podían atribuir los hogareños egipcios la errónea interpretación de la desaparición de toda Creta más que a un terremoto? Aún ahora, como ya se ha visto, la gente cree toda clase de cosas imposibles sobre los terremotos.
* * * *
6. «...El mar en esa parte es imposible de pasar o penetrar porque en el camino hay un bajío pantanoso que se debe al hundimiento de la isla» (Timeo): «Y después de haber sido hundida por un terremoto (Atlántida) se transformó, para los viajeros de aquí que intentaban cruzar el océano que está más allá, en una infranqueable barrera de lodo» (Critias).
No hay bajíos en el Mediterráneo que puedan ser la base de esta teoría, pero tampoco hacen falta. Como ya señalara Galanopoulos, cuando se produjo la erupción minoica, el mar alrededor de Santorín debió de estar cubierto por una capa espesa de pumita. Probablemente fue más espesa que la que se formó alrededor del Krakatoa en 1883, y en ese caso llegó a tener más de diez pies (tres metros) de espesor. Para los pequeños barcos de la Edad del Bronce, el mar cubierto de piedra pómez resultaría verdaderamente imposible de navegar hasta que la pumita que flotaba se dispersase gradualmente gracias al viento y a las olas o cuando, saturada de agua, se hundiera hasta el fondo. Si la caída de la caldera se produjo cuando la pumita todavía formaba esta capa, es decir, como la culminación de una erupción, es más fácil comprender la conexión entre la isla que se hundía y el bajío enfangado de la descripción.
* * * *
7. La Atlántida estaba dividida en diez partes, gobernadas por los descendientes de cinco pares de gemelos masculinos que habían nacido de Poseidón y de una mortal, Cleito. El mayor se llamaba Atlas y era «rey sobre los demás». Sus descendientes «poseyeron tal cantidad de riquezas como nunca habían poseído antes los reyes y los potentados... y tenían todo lo que necesitaban, tanto en la ciudad como en el campo, porque, debido a la magnitud de su imperio, muchas cosas se recibían desde el extranjero...»
Esto es compatible con lo que se sabe de la riqueza de los minoicos, comerciantes-marinos gobernados por una confederación de sacerdotes sometidos a la supremacía de Cnosos.
* * * *
8. En la descripción de Platón, los detalles geográficos de la Atlántida no están del todo claros, y esto se demuestra por el hecho de que distintos traductores discrepan en cuanto a la versión precisa de varios pasajes. La parte del país en que vivía Cleito era donde luego se levantó la Metrópolis de Atlántida, que se describe como «el llano más bello y más fértil»; en el centro de éste había una colina baja, a cincuenta estadios[58], aparentemente, desde el borde del llano. Pero, la misma ubicación de este valle es algo ambigua: dos traductores coinciden en que estaba hacia el mar; un tercero dice al borde del mar y extendiéndose hasta el centro de la isla.
Alrededor de la colina, Poseidón había creado zonas alternativas, perfectamente circulares, de mar y tierra. Todos los traductores están de acuerdo en que la isla central, en la que se construyeron el palacio real y otros edificios, tenía cinco estadios de diámetro; la zona interior de mar, un estadio: las zonas de mar y tierra que seguían, dos estadios cada una; y la zona exterior de mar y tierra, tres estadios cada una. Los posteriores reyes de Atlántida construyeron puentes sobre las zonas de mar y dragaron un canal desde el mar hasta el puerto interior. El canal tenía trescientos pies (noventa metros) de ancho, cien pies (treinta metros) de profundidad (tres plethra y un plethrum, en griego) y cincuenta estadios de longitud. Si dibujamos un plano siguiendo estas especificaciones, se obtendrá un esquema como el de la figura 37.
La descripción del campo circundante es menos clara. La traducción de Jowett dice que toda la campiña era elevada y escarpada del lado del mar, pero rodeando inmediatamente a la ciudad había un valle oblongo y llano, rodeado de montañas que descendían hasta el mar. Según la traducción de Taylor, cada sitio cercano al mar era elevado y abrupto, pero alrededor de la ciudad había un llano circular «bordeado y encerrado por las montañas» que se extendían hasta el mar. Y, finalmente, la versión de Loeb cuenta que toda la región «se elevaba perpendicularmente desde el mar hasta una gran altura, pero que la ciudad estaba en un suave valle.... circundado por montañas, que se dilataba hasta el mar». Todos coinciden en que el llano tenía tres mil estadios de longitud y dos mil de anchura. ¿«Esta parte de la isla miraba al sur y estaba protegida del norte» (Jowett): o es que «toda la isla estaba orientada hacia el sur, pero sus extremos lo estaban hacia el norte» (Taylor); o tal vez «esta región, a lo largo de toda la isla, miraba hacia el sur y estaba protegida de los vientos del norte» (Loeb)?

Figura 37. La Metrópolis de Atlántida, dibujada según las descripciones de Platón.
¡No cabe duda de que, como afirma Galanopoulos, Platón describía dos lugares distintos! El sugiere que la Metrópolis de Atlántida estaba en la isla de Stronghyli, y la Ciudad Real y el valle de sus alrededores en la parte continental de Creta, siendo la primera el centro comercial y la segunda el asiento del gobierno. En este contexto, los pasajes que describen Metrópolis podrían aplicarse a la época anterior a la caída de Santorín. Las dimensiones resultan acertadas: ninguna de las cifras es un número mayor que cien (en las unidades griegas), y, por tanto, no han estado sujetas a un posible error de traducción. Si por alguna razón Santorín era todavía una caldera antes de la erupción minoica, como lo era Krakatoa en 1883, y si esa caldera estuvo llena parcialmente en la siguiente erupción, lo mismo que se está llenando la caldera en la actualidad, sólo que un poco más, es posible, entonces, que el Stronghyli tuviera una depresión central con una pequeña colina en su centro. Pero, para que esto encaje literalmente con la descripción de la Metrópolis, el fondo de la supuesta caldera pre-minoica tuvo que ser lo suficientemente baja como para que el mar fluyera por el canal artificialmente excavado (lo que supondría una tremenda empresa de ingeniería aun en los depósitos piroclásticos), y esto no es coherente con la actual interpretación de la configuración del volcán antes de la caída. Hasta donde se sabe, se elevó desde el mar hasta formar un pico de altura desconocida. En cualquier caso, aun cuando existiera alguna vez, buscar, como se ha sugerido, los restos de la Metrópolis de Atlántida en la actual bahía de Santorín se trata de algo excesivamente optimista. Cualquier resto de obras humanas que pueda estar en el fondo del mar después de la caída, hace mucho tiempo que habrá quedado enterrado bajo los productos de la erupción que forman el actual Kamenis (véase Figura 31).
Por otra parte, la semejanza entre el valle alrededor de la Ciudad Real y el llano de Mesara, en Creta, es innegable. El valle de Mesara es ovalado y llano, se encuentra al lado sur de Creta, está protegido del norte y sus dimensiones se ajustan si se dividen por diez. Sin embargo, no es Cnosos la que está en el valle de Mesara, sino Festos. y si Creta era la isla principal de la Atlántida, sin duda, sería Cnosos la Ciudad Real. Luce desecha la idea de que la descripción de Platón de la Metrópolis de Atlántida se refiera a Stronghyli y sitúa la Metrópolis en Cnosos, que está en el montículo de Cefala, en un valle fértil y rico.
* * * *
9. Se dice que Poseidón dotó a la isla central de Metrópolis con agua corriente fría y caliente por medio de dos manantiales.
El manantial cálido se ha esgrimido en favor de Santorín como el enclave de Metrópolis, ya que la actividad térmica se suele asociar con los volcanes. Como regla general, esto es cierto, pero la asociación se produce cuando ha habido actividad volcánica en el pasado geológico reciente, como es el caso del Yellowstone National Park (Parque nacional de Yellowstone): muy raramente (si es que alguna vez) se hallan inmediatos o alrededor de volcanes que aún están en actividad. Las áreas termales de Islandia, por ejemplo, están ligadas a la juventud geológica, pero en ellas actualmente las erupciones volcánicas se han extinguido, mientras que no hay manantiales cálidos en Hekla y otros volcanes vivos. En lo que a Creta se refiere, no es ni nunca ha sido volcánica. Hasta donde se sabe, no existen allí manantiales cálidos, ni siquiera del tipo que se debe a flujos surgentes que proceden del interior de la tierra (como los de Carlsbad) y no a antiguos volcanes extinguidos.
* * * *
10. Poseidón hizo «que surgieran del suelo, y en abundancia, todo tipo de alimentos». Había gran cantidad de madera para el trabajo de los carpinteros, y todo lo necesario para mantener a los animales salvajes y domésticos. Toda clase de productos fragantes —raíces, hierbas, maderas o esencias destiladas de las frutas y las flores, también frutos cultivados y castaños—, «todo esto, agradable y maravilloso, lo tenía en infinita abundancia esta isla sagrada».
Esta descripción de una tierra de esplendoroso verdor no se parece en nada a la moderna y yerma Creta, y no hay fundamentos para suponer que el clima fuera sustancialmente diferente hace tres mil quinientos años. Seguramente, el Santorín de antes de la caída podría haber sido más húmedo si sus picos eran lo bastante altos como para lograr que las nubes dejaran caer la lluvia en sus flancos: y los árboles deben de haber sido más abundantes en Creta porque sus bosques proporcionaron cipreses para los navíos venecianos hasta los tiempos medievales. Creta llama la atención, aún hoy, por las plantas y las hierbas aromáticas: el tomillo salvaje crece en todas partes propagando en el aire su fragancia cuando se pisa al pasar; los líquenes comunes de Creta se han hallado en las tumbas egipcias y pudieron importarse hasta allí para ser empleados en perfumes, y los aceites aromáticos de Creta se usaban en Egipto para embalsamar. En la Creta actual, también se cultivan frutas. Las viñas crecen en todas partes y se utilizan para fabricar vino, para servir las uvas en la mesa o preparar pasas de uva; las naranjas se cultivan, pero en suelos irrigados; las higueras y los olivos también se hallan por doquier. Pero, por otra parte, las grandes extensiones de Creta seguramente fueron siempre improductivas, aun cuando la cantidad de tierra cultivada en los tiempos minoicos fuera la misma que en la actualidad. En 1948l el 8% del suelo era de labranza; el 10% lo constituían viñas, olivos y huertos; el 5%, barbecho; el 7%, forraje; el 2%, bosques, y un 48% era madara, es decir, tierra desnuda utilizada para pastoreo (especialmente ovejas y cabras); el restante 20% constituía la zona improductiva y montañosa. Al menos la mitad de la madera debió de constituir bosques vírgenes en los tiempos minoicos, pero los despeñaderos y los torrentes debieron de existir y ser como los actuales. Además, ahora, la mayor parte de los cultivos son posibles sólo gracias a los amplios terraplenes y, en realidad, no hay modo de saber si los minoicos utilizaron de forma semejante las escarpadas laderas de las colinas.
11. En la Atlántida «había toda clase de animales, tanto los que viven en lagos y pantanos y ríos como los que habitan en las montañas y en los llanos», y, entre los animales salvajes, se encontraba el «más grande y voraz de todos»; el elefante.
Los lagos y los pantanos casi no existen en Creta y sólo hay dos cursos de agua permanentes. Y si bien no resulta difícil imaginar que algunos elefantes pudieran importarse a Creta como curiosidad, la lógica rechaza la idea de que los rebaños erraran por allí. Un fresco egipcio muestra un mensajero cretense portando un colmillo de elefante. Sin embargo, se ha dicho que quizá los egipcios supusieron que el marfil venía de Creta, mientras que. en realidad, los minoicos pudieron cazar elefantes en el norte de África, o adquirirlos en sus relaciones comerciales con Siria, que se sabe que tenía elefantes en tiempos de Tuthmosis III de Egipto, que reinó hasta 1439 a.C.
12. Los atlantes «extraían de la tierra todo lo que allí se encontraba». incluso oricalco, «en aquellos días más preciado que nada, excepto el oro».
Los recursos minerales de Creta y de otras islas del Egeo son limitados Los minoicos debieron importar una gran parte de los metales que necesitaban. El oricalco, o «montaña de bronce», se supone que era una aleación de cobre y cinc —en otras palabras, latón— que se fabricaba empíricamente agregando «cadmio» (óxido de cinc) en polvo sobre el cobre fundido. Los antiguos desconocían el cinc como metal. No se sabe si los minoicos conocieron el oricalco, ni si se trata del oricalco mencionado en la descripción de la Atlántida, porque de este último se dice que «brillaba con una luz roja», o «resplandecía con ardiente esplendor», o «centelleaba como fuego», depende de qué traducción se lea: todo lo cual indica un tinte rojizo que el oricalco conocido no tiene , ya que es más blanquecino que el latón común.
13. El palacio real construido en el enclave de la colina de Cleito era suntuoso, ya que cada rey luchaba por sobrepasar a su predecesor en la ornamentación, «hasta que lograron que el edificio fuera una maravilla por su tamaño y por su belleza».
¿Cnosos a la perfección?
* * * *
14. Cada área del centro de la Metrópolis de Atlántida estaba rodeada por un muro de piedra que se extraía de las profundidades de esas áreas. Una clase de piedra era «blanca, otra negra y una tercera roja». El muro alrededor de la isla central o acrópolis estaba cubierto con oricalco: el de la zona siguiente, con estaño; y el que bordeaba la zona exterior, con latón. A cincuenta estadios desde el puerto exterior «se llegaba a un muro que empezaba en el mar y seguía alrededor» de Metrópolis, «al final del cual se hallaba la desembocadura de un canal que llevaba hasta el mar».
Las piedras blancas, rojas y negras se encuentran en Santorín, pero también en cualquier sitio del Egeo. De cualquier modo, seguramente los minoicos no rodeaban sus asentamientos con murallas, ni las revestían con metales ni con cualquier otro material.
15. La acrópolis que había sido la colina de Cleito se vio favorecida no sólo por la instalación del palacio real, sino también por espléndidos templos, uno de Cleito y Poseidón y otro sólo de éste, en el que había diversas estatuas de oro, una inmensa del mismo dios, de pie en un carro romano, y otras imágenes «dedicadas por particulares», mientras que en la parte exterior, bordeando el templo, había estatuas de oro «a las que se les había dado los nombres de los diez reyes» y de sus mujeres.
Decididamente, los minoicos no construían templos ni erigían estatuas heroicas, ni tampoco, hasta donde se conoce, adoraban a un dios del mar. Su religión parece haberse centrado en una madre- diosa, de la cual sólo modelaban o tallaban pequeñas figuras de 30 a 60 centímetros de altura.
16. En torno a los manantiales de agua fría y caliente de que los había provisto Poseidón, los atlantes construyeron edificios y plantaron árboles. «También hicieron cisternas, algunas a cubierto y otras al aire libre, para usarlas en el invierno como baños calientes. Había baños para los reyes y baños para uso de la gente común... y había baños para las mujeres...»
Estos detalles se ajustan a la vida minoica de palacio. Los palacios estaban equipados con baños, no sólo para uso de sus habitantes sino también para los baños rituales de los visitantes, antes de que éstos llegaran a presencia del rey. En Cnosos al menos, la reina tenía su propio y elegante baño.
17. En el valle en derredor de la Ciudad Real había un foso que la bordeaba, de cien pies (treinta metros) de profundidad, trescientos pies (noventa metros) de anchura y treinta mil pies (nueve mil metros) de longitud, que se llenaba con los cursos de agua que descendían de las montañas, canalizados hasta el mar. Una red de canales que se comunicaban, alimentados por el canal principal, cruzaba el valle en varias direcciones y por ellos se enviaba la madera talada de las montañas, y también se transportaba a la ciudad los productos del valle. Dos veces al año «juntaban los frutos de la tierra, disfrutando de las ventajas de las lluvias en invierno y de las aguas que proveía la tierra en el verano, cuando se conectaban los cursos de agua a los canales».
Reduciendo en diez veces las dimensiones de este sistema de canales coincide con el valle de Mesara en Creta, pero, aunque la concentración de las lluvias en invierno está de acuerdo con el clima mediterráneo, el total de precipitaciones caídas que implica esta descripción es mucho más elevado que el que tiene Creta. Tampoco existen rastros de un sistema de irrigación en el valle de Mesara ni en ningún otro lugar, al menos hasta ahora.
* * * *
18. Para fines militares, la Ciudad Real estaba dividida en sesenta mil lotes de diez estadios cuadrados, cada uno con un conductor que debía participar con hombres y materiales en caso de guerra: un carro romano por cada seis lotes, además de caballos y jinetes, soldados armados con armas pesadas y livianas (estos últimos incluían arqueros, hondero, lanzador de piedras y tiradores de jabalina) y marinos para complementar mil doscientos barcos. Los otros nueve gobiernos elevaban sus contribuciones de modo algo distinto que no se especifica.
Reduciendo estas grandes cantidades por el factor diez, la cantidad de barcos y carros desciende a proporciones más creíbles. Sin duda, el sacerdote-rey de la Creta minoica debió de compartir la responsabilidad para asegurar la defensa de la nación, posiblemente en líneas generales, tal como se describe.
* * * *
19. Los reyes de la Atlántida se encontraban cada pocos años para discutir sus intereses comunes y para administrar justicia, y en esa ocasión aseguraban su lealtad en una ceremonia que se describe con algún detalle. Se soltaba a los toros en el templo y se los cazaba sólo con garrotes y lazos: el que se atrapaba era conducido al pilar sagrado en que estaban inscritos los preceptos de Poseidón y, luego, lo sacrificaban del modo habitual.
Si los minoicos asociaban al toro con el dios del mar, como hacían los griegos —y, hasta donde se sabe, no lo hacían—, o no. es obvio que lo creían sagrado, como demuestra el hecho de que el toro es uno de los motivos más frecuentes en su cultura. La caza de los toros con redes se describe en los vasos de oro minoicos hallados en Vapheio, en Esparta. La representación de los toros atados y listos para el sacrificio en el altar también se conoce. El salto del toro, aunque era un espectáculo para el público, debió asimismo de poseer un significado religioso, por lo menos en sus comienzos. La idea del pilar sagrado ofrece otro elemento de semejanza con los minoicos, y hace más posible que los atlantes fuesen los minoicos.
Suponiendo que cuando los comerciantes minoicos dejaron bruscamente de ir a Egipto, algunos sacerdotes egipcios recopilaran la información de que disponían respecto de la geografía, el gobierno. las costumbres de los minoicos y las circunstancias de su desaparición como gran poder, se puede esperar que su relato contenga alguna información que sea razonablemente precisa, mucha que estaba deformada en distintos grados y, posiblemente, algunos hechos que no pertenecían en absoluto a Creta o a los minoicos. Revisando la argumentación presentada en los apartados 1 a 19 que se detallan más arriba, se ve que 3. 4. 7. 13. 16, y especialmente el 19, se ajustan a la descripción general de la Creta minoica, y que 1, 2, 5, 6, 8, 9, 17 y 18 pueden encajar, con correcciones, a veces muy fácilmente, y otras sólo con argumentos tortuosos. Sin embargo. 11, 12, 14 y 15 resultan completamente opuestas a lo que se sabe. Y debajo de todo esto hay una pregunta insistente: si Solón estaba tan impresionado con el relato sobre la Atlántida que intentaba escribir un poema épico sobre ella, ¿por qué no se lo dijo a nadie, ni siquiera a su amigo más íntimo? ¿Temía que otro escritor le robara la idea? Sin embargo, esto continúa sin explicar por qué Critias. a su vez, guardó el relato para sí desde la edad de diez años, en que lo escuchó por primera vez, hasta que fue el hombre maduro que se supone compartía los Diálogos, porque él también proclamó que le había impresionado profundamente.
* * * *
El terreno que se atraviesa en el camino alternativo desde la Atlántida hasta la Creta minoica se resalta por la premisa de que la descripción de Platón es esencialmente de su propia invención, pero que probablemente no la hizo a partir de nada. Según el sistema tradicional de los escritores, la tejió con trozos de mito y de tradiciones que conocía, y adornó el conjunto con detalles basados en su propia experiencia e imaginación. Si seguimos este camino no necesitamos preocuparnos por explicar las discrepancias entre Atlántida y Creta, aunque resulta interesante especular sobre las posibles fuentes de algunos detalles. Nuestra tarea principal, a estas alturas, estriba en explicar las semejanzas más importantes. ¿Cómo pudo Platón saber tanto sobre los minoicos, que, en su tiempo, eran los olvidados súbditos de un rey mítico?
El mito de Teseo incorpora uno de los dos ingredientes esenciales de la Atlántida y, además, algunos detalles de la vida minoica. La dominación minoica del Egeo se manifiesta en el hecho de que el mítico rey de Creta exigía tributos a Atenas. Los jóvenes y las doncellas que bailaban peligrosamente delante de los toros (frecuentemente, sin duda, con un final trágico) se transforman, en el mito, en ese tributo que se sacrifica a un toro-monstruo. El laberinto del Minotauro es, obviamente, el palacio de Cnosos. La victoria de Teseo sobre el Minotauro refleja el hecho de que los griegos lograron el dominio sobre Creta. Finalmente, el que los minoicos eran un poder marino se afirma directamente en Tucidides. De este modo. Tucídides y el mito, ambos bien conocidos por Platón, suministran la descripción de una nación marina, más fuerte que todos sus vecinos, en cuya cultura el toro desempeña un papel importante, y que fue sojuzgada por los antiguos griegos. O sea, si Platón eligió el supuesto mítico pueblo de Creta como el prototipo de los minoicos, ¿no era lo más lógico que diera a su país imaginario las características geográficas que le hiciesen semejante a Creta, aunque decidiera cambiar su situación y sus dimensiones? Las semejanzas geográficas permiten avanzar por este camino.
Al asignar una religión a sus ficticios marinos atlantes, era también natural que Platón los hiciera adorar al dios del mar sobre todos los otros, y que modelara su culto sobre el de los griegos —incluido el toro como símbolo sagrado (que ya era sobresaliente en el mito de Teseo) y la erección de templos y de estatuas heroicas— llegando a rastrear sus ancestros hasta el mismo Poseidón. En cuanto a los detalles del ritual atlante del toro, parece demasiada coincidencia que, sólo con la imaginación. Platón se haya aproximado tanto a la realidad. ¿Es posible que hubiese visto representaciones de la ceremonia minoica en obras de arte como las copas de Vapheio, objetos perdidos para nosotros, pero que él conocía como antigüedades de la antigua Creta, o incluso de origen desconocido?
Pero, ¿qué sucede con otro de los ingredientes esenciales del relato sobre la Atlántida, su catastrófica desaparición? Ninguno de los mitos y tradiciones referidos a la Creta minoica que podía conseguir Platón, hasta donde se sabe, contiene ni pizca de semejante idea. ¿Pudo sobrevivir algún eco del suceso de Santorín, al menos oralmente, hasta su tiempo, aunque no fuera necesariamente vinculado a Creta?
La erupción de la Edad del Bronce y la caída de la isla de Stronghyli debió resultar impresionante en aquella época, y es sorprendente que la memoria de dicho acontecimiento se hubiera desvanecido en los tiempos de Platón. En definitiva, los indios de Klamath han preservado la tradición de una erupción similar que sucedió hace más de 6.500 años (véase capítulo 6). No obstante, hay varias razones por las cuales el recuerdo de un acontecimiento egeo pudo quedar empañado más rápidamente. Los pobladores del área del Mediterráneo estaban organizados en sociedades mucho más complejas que las de los indios, y su forma de vida cambiaba rápidamente y, muchas veces, hasta con brusquedad. En el intervalo entre la erupción de Santorín y el tiempo en que Platón escribió los Diálogos se produjeron repetidas guerras y otros cataclismos. Frecuentemente, la atención se centraba en los «peligros presentes y reales», y olas de emigración llevaron a nuevos pueblos al antiguo ámbito. En cambio, los indios Klamath siguieron con los mismos esquemas de existencia de la Edad de Piedra en el mismo lugar durante varios miles de años, prácticamente sin cambios hasta la llegada del hombre blanco.
Probablemente, si los que estaban próximos a la escena hubieran sabido escribir, hubiesen redactado alguna crónica de la erupción de la Edad del Bronce, y quizá tal crónica hubiera resultado enigmática, como la de Old Mataram (Antiguo Mataram). Pero, en aquel entonces, los griegos no tenían escritura, y la escritura minoica Linear A sólo servía, aparentemente, para propósitos limitados a usos domésticos o comerciales. Sobre todo, los antiguos habitantes de Stronghyli no estaban oprimidos. Es posible que si no hubieran tenido tiempo de huir, el hecho se hubiese estimado digno de consideración, desde el punto de vista de sus contemporáneos, especialmente por aquellos que hubieran perdido amigos o familiares en el desastre. Así, con el tiempo, habría surgido un mito en el que se interpretara un justo castigo divino.
El recuerdo de la erupción pudo oscurecerse para la época de Platón, pero no había muerto por completo. Al menos, algunos ecos de ella han permanecido hasta nuestros tiempos, si bien bajo la forma de mitos y tradiciones semihistóricas que, obviamente, no guardan relación entre sí, ni tampoco con la erupción. Así hemos de suponerlo, ya que las consecuencias de la erupción se debieron de experimentar de un modo distinto a diferentes distancias de la fuente de perturbación, y los que estaban en lugares apartados entre sí no tenían forma de comparar sus impresiones y, por tanto, de entender o deducir que el fenómeno que estaban presenciando tenía un origen común. Y de todos los efectos producidos, el del tsunami, como el del Krakatoa, se debió de extender por todas partes, ya que era el más desastroso y, por tanto, más fácil de recordar que otros. Existe el diluvio de Deucalión, que, como ya se vio, cabe que sea un recuerdo del tsunami de Santorín: y es evidente que Platón tenía a Deucalión en la mente cuando escribió el Timeo, porque les hace mencionar a los sacerdotes egipcios su diluvio, considerándolo como una de entre otras muchas catástrofes.
En Grecia existen muchas tradiciones acerca de inundaciones, y algunas de ellas pudieron surgir a causa de la erupción minoica: Platón pudo tomar de cualquiera de ellas la idea del hundimiento, Apolodoro relata que, una vez. Atenea y Poseidón lucharon por la posesión de Ática (una narración que Luce cree que podría reflejar las tensiones entre los minoicos y los micénicos). Atenea creó el olivo, y Poseidón un manantial. Cuando se decidió que la invención más útil era la de Atenea. Poseidón, enfadado, inundó toda Ática, Pausanias dice que Poseidón perdió una contienda similar, con Hera, por la posesión de Argos y que, por esta razón, inundó el llano de Argive. Poseidón también luchó con Atenea sobre Trecén, el lugar de nacimiento de Teseo, con consecuencias similares: la ola era «el toro del mar» que arrolló a Hipólito, hijo de Teseo, como se describe en una novela de Mary Renault. Los tres lugares están situados en la parte este del Peloponeso, en donde el tsunami de Santorín debió de percibirse intensamente. Sin embargo, no debe culparse a la erupción de Santorín de la muerte del hijo de Teseo, ni de que los micénicos arrebataran el poder a Creta, lo que se manifiesta en la muerte del Minotauro a manos de Teseo, cuando éste era joven. Por tanto, o bien la tradición es inconsistente (hecho que se produce con suma frecuencia), o el «toro del mar» fue un terremoto común originado por un tsunami en una época posterior.
Luce cita algunas otras tradiciones que, incuestionablemente, hacen referencia a tsunamis, pero no necesariamente al de Santorín. En una región tan sísmica como ésta se deben de haber producido muchos terremotos causados por un tsunami que se habrían percibido con más fuerza que el de Santorín, aunque éste haya sido el peor. Cuando Belerofonte, el joven que poseía a Pegaso, el caballo alado, rechazó las insinuaciones de la mujer del rey Proteo, de Argos, ella lo acusó de pretender llamar su atención. Proteo no podía matar a alguien que era su huésped, de modo que envió a Belerofonte a Licia con una carta para el rey Yóbates pidiéndole que matara al portador de la misiva. Pero el rey ya había aceptado a Belerofonte como huésped antes de leer la carta y, por tanto, estaba obligado por el código de hospitalidad. Envió a Belerofonte a matar la Quimera que lanzaba fuego por la boca y que, supuestamente, era invencible (véase capítulo 4), esperando que el joven muriera en su intento. Después de matar al monstruo, hiriéndolo desde el lomo de Pegaso, que lo mantenía a una altura segura. Belerofonte oró a Poseidón para que castigara a Yóbates, y todo el valle de Lidia se inundó con una gran ola.
Estrabón cuenta que, durante el reino de Tántalo, un gran terremoto devastó Lidia y Jonia hasta llegar a Troya: los pantanos se transformaron en lagos y una ola marina inundó toda la región alrededor de Troya. El extraño detalle de la inundación de los pantanos puede ser, como sugiere Luce, el recuerdo remoto de las lluvias torrenciales que siguieron a la erupción, pero también es posible que la inundación de los pantanos se debiera a un terremoto que impidió el drenaje, como ocurrió con el Reelfoot Lake (lago Reelfoot) (véase capítulo 5), y que también pudo ocasionar un tsunami.
En una tradición de Rodas se mencionan específicamente unas intensas lluvias junto con una gran «inundación que vino del mar» -—lo que es una correcta descripción de un tsunami— que arrasó la ciudad de Cyrbe. Después de la destrucción, la región se dividió entre Lindos, Yaliso y Camiro, cada uno de los cuales fundó una ciudad con su nombre. Según el testimonio de Luce, hay pruebas arqueológicas en Triandra, en Rodas, de que, después de que ese asentamiento minoico quedó destruido, se implantó cerca una colonia micénica, probablemente en Yaliso. Los colonizadores minoicos reconstruyeron Triandra y coexistieron con los micénicos durante cierto tiempo, pero, finalmente, fueron dominados por estos últimos, coincidiendo, aproximadamente, con la destrucción final de Cnosos.
Hay otra leyenda griega sobre inundaciones que se origina en Samotracia y que relata un diluvio que sobrevino cuando las barreras que separaban el mar Negro del Mediterráneo se rompieron de pronto y el Bósforo y los Dardanelos fueron separados por el flujo de las aguas. En realidad, el pasaje desde el mar Negro al Mediterráneo quedó cortado a fines del Pleistoceno, lo que se debió a la normal erosión. Frazer denomina a esto «mito de observación», adjudicándolo al acierto de algún antiguo filósofo que «imaginó el origen del estrecho, sin poder explicárselo debido a la extremada lentitud del proceso por el cual la naturaleza lo ha excavado». No obstante, el historiador Diodoro Sículo narra que en sus tiempos (era contemporáneo de Julio César) los habitantes de Samotracia aún ofrecían sacrificios en los altares colocados en todo el país para marcar la línea hasta la que había llegado la gran inundación desde el mar, lo que indica que existió una verdadera inundación que dio base a la leyenda. Es posible que fuera el tsunami producido por el Santorín, como dice Luce, pero, sin embargo, pudo también ser algún otro.
Luce piensa que hay una referencia específica a la erupción de Santorín en el peán de Píndaro para Delos, compuesto por haberlo solicitado las gentes de Keos. Píndaro (522-428 a. C.) pone las palabras en boca de Euxantius, quien ensalza la seguridad de una pequeña isla al abrigo de las intrigas y rivalidades de un gran reino. Euxantius, hijo de Minos, rehusó, para poder permanecer en Keos, la séptima parte de Creta. Como un presagio ante la posibilidad de abandonar Keos, hace referencia a un antiguo desastre: «Temblé al oír el ruido de la batalla entre Zeus y Poseidón. En una ocasión, con un rayo y un tridente hundieron un trozo de tierra y toda una fuerza de combate al fondo del Tártaro, quedando sólo mi madre y la bien protegida casa.» El ruido de la batalla puede muy bien referirse a una erupción. Las explosiones de Krakatoa en 1883 fueron confundidas con el fuego de cañones en varios lugares alejados y, en la época en que el arco y la flecha eran las armas más poderosas de los hombres, tales ruidos sólo podían atribuirse a un conflicto de los dioses. La parte de tierra que se hundió en el Tártaro puede ser, según afirma Luce, la de Santorín que se sumergió, y la «fuerza de combate» el desastre de la marina minoica como resultado de la catástrofe.
Marinatos, en cambio, cree que la caída de un ejército al Tártaro se refiere a la devastación de la costa de Creta, y de otras partes, por el tsunami de Santorín. Personalmente, opino que se refiere más bien al daño producido en el mismo Keos. La destrucción, aparentemente injustificable, que revelan las excavaciones en el asentamiento minoico de Hagia Eirene en esa isla se ha atribuido al tsunami de Santorín: si la tierra y las gentes que cayeron al Tártaro fueron las partes más bajas de Keos y sus habitantes, y si la casa «bien protegida» (o con «poderosos muros») fue lo único que quedó sobre el nivel de la destrucción, entonces la yuxtaposición de estas ideas parece tener más sentido. Al mismo tiempo, resulta tentador pensar que la fuerza de combate a que se refiere fuese un cuerpo militar, y que Píndaro aludiera al mismo hecho que da base a la afirmación que hace Platón, en el Timeo, sobre «todos tus guerreros en un cuerpo» que se hundió en la tierra al mismo tiempo que se sumergió la Atlántida.
Además, hay un elemento adicional en el mito de Talos (véase capítulo 6) que podría ser un eco de la erupción minoica. Se dice que Talos tenía un hijo llamado Leucos («Blanco»), que expulsó al verdadero rey de Creta y mató a su hija Kleisthera («Llave de Thera»), con quien se había comprometido, y destruyó diez ciudades cretenses. Luce piensa que Leucos representa las blancas cenizas minoicas que «cubrieron las ciudades y los campos de Creta después de la “muerte” de Talos».
En la crónica de los Argonautas hay un episodio que es factible que implique el recuerdo de la erupción minoica. Cuando se alejaban de Creta por el mar, después de derrotar a Talos, los Argonautas se vieron envueltos por un «negro caos que venía del cielo, o algún otro tipo de oscuridad que surgía de las cavidades más profundas de la Tierra», y se desorientaron por completo. Jasón oró a Apolo, y el dios del Sol les guió, con el brillo de su arco dorado, a la isla de Anafi (a unos 20 kilómetros al este de Santorín). Supongo que algún barco griego se aventuró, acercándose demasiado, a Santorín durante alguna calma pasajera en la erupción minoica y que quedó atrapado en una densa nube de cenizas después de una inesperada y violenta explosión[59]; no durante uno de los paroxismos, porque, a esa altura, el mar que rodeaba a Santorín habría estado completamente lleno de pumita, lo que en absoluto habría permitido la navegación, sino otro menor, pero capaz de producir un total oscurecimiento que sólo fuese temporal y local. Este barco atracó en Anafi sólo por casualidad si estaban desorientados, y, habiendo salido con vida para poder contar la aventura, la tripulación agregó un detalle que podía incluirse en la historia de Jasón y de los Argonautas por los que, más tarde, relataron el suceso.
Un incidente final en la saga de los Argonautas indica que alguien sabía que la geografía de Santorín había sufrido un drástico cambio poco después del episodio del oscurecimiento. En una primera etapa del viaje de regreso a sus hogares, el Argo cruzó el lago Tritonis (que se cree que es el Chott Djerid. en Túnez), en donde el dios local. Tritón, se había presentado a Euphemus, uno de los pilotos del Argo, con un terrón de tierra. Cuando dejaban Anafi, en el último tramo de su viaje. Euphemus tiró el terrón sobre la borda y éste se transformó en la isla de Caliste, que hoy se conoce con el nombre de Thera.
En la Teogonía de Hesíodo hay un gráfico pasaje que describe la batalla entre Zeus y Tifón, que se mencionara en el capítulo 6; «Y el calor que emanaba de ellos tiñó de púrpura el mar, y se produjeron truenos y rayos y vientos de tormenta enfurecidos, y llameantes descargas de rayos. Y toda la Tierra y el firmamento y el mar comenzaron a bullir. Y largas olas se expandieron formando círculos ardientes que llegaron hasta las partes altas y estalló un inacabable terremoto.» Luce comenta que «este pasaje puede interpretarse como la descripción clásica de una erupción volcánica completada con tormentas eléctricas, terremotos y marejadas. Pero se debe admitir que no hay nada que haga suponer que se trate de Thera.» No estoy de acuerdo, hay algo que la liga a la erupción minoica más que a ninguna otra, y esto es «la marejada». Normalmente, los tsunamis no se asocian con las erupciones, sino con las erupciones submarinas, y sólo unas pocas de ellas. La única erupción de la antigüedad que pudo generar un tsunami, si la caída de la caldera fue súbita, es precisamente ¡la erupción de la Edad del Bronce de Santorín!
* * * *
En resumen, la mitología y las tradiciones griegas que se refieren a los minoicos y a las erupciones de la Edad del Bronce pueden haber provisto los dos ingredientes básicos de la historia de la Atlántida, pero, como ideas independientes, requerían la fusión que realizó Platón, convirtiéndolas en la historia que relató. Porque aunque sabemos que los minoicos debieron de sufrir más que ningún otro pueblo las consecuencias de la erupción, no hay tradiciones que, específicamente, unan a los minoicos con la catástrofe, o. por lo menos, ninguna que haya sobrevivido hasta hoy.
Si las dos ideas básicas de la Atlántida, el poder de una nación y su hundimiento catastrófico, derivan de la yuxtaposición hecha por Platón, debemos considerar Egipto como la fuente, pero no a partir de un documento específico que Solón hubiese llevado a Grecia. Si se ha escrito alguna información sobre los minoicos y su virtual desaparición, tienen que haber sido los egipcios quienes lo hicieron. Por otra parte, es pedir demasiado que sus crónicas sean correctas, de modo que más bien cabe esperar que exista alguna distorsión. No es posible eliminar la posibilidad de que, directa o indirectamente, pero de algún modo a través de Egipto. Platón conociera la historia del catastrófico final del gran poder. Debido a la barrera del idioma y otras bases de confusión, pudo no haber reconocido a Creta, pero sí elegir a los míticos minoicos como prototipos de los atlantes, ya sea por la supuesta crónica o rumor que existía sobre la gente de Creta o porque (lo que no es sorprendente) le recordaba a la Creta que conocía, por el mito de Teseo y por su propia observación.
Tomando todo esto en consideración, si se cree en la realidad del documento egipcio «citado» por Platón en el Timeo y en Critias (que es dudoso), siguiendo así la ruta de Galanopoulos, o si creemos que Platón imaginó a la Atlántida a través de los mitos y de las tradiciones, algunas de las cuales venían desde Egipto, pero que él alteró arbitrariamente, y agregó detalles de su propia experiencia o su imaginación (lo que es muy posible), si, en definitiva, seguimos de este modo la senda de Marinatos, es factible llegar a la conclusión de que la Atlántida deriva de la Creta minoica. Este argumento no es más probable que ninguno de los otros considerados, pero es más verosímil que muchos de los existentes y, al menos, es menos refutable que otros. Ningún razonamiento que no sea prueba tangible y documentada zanjará la cuestión, y no es muy posible que esta prueba se descubra, aunque el argumento sea perfectamente válido. Aun en el caso en que la civilización minoica no hubiese recibido el golpe de gracia de Santorín, el argumento de una Atlántida minoica no queda eliminado, ya que los minoicos fueron un hecho, y la erupción y caída de Santorín acaeció y pudo haber sido Platón el que unió ambas realidades. De cualquier modo, es de esperar que la Atlántida continúe siendo tema de discusión durante muchos años más. No he encontrado ninguna forma mejor de resumir mi pensamiento que citar una afirmación de Bruce Heezen, uno de los autores del trabajo sobre las cenizas de Santorín, que sienta la teoría de la destrucción volcánica de la Creta minoica sobre una firme base científica: «En lo que se refiere a la Atlántida, es muy divertido, y podemos tener razón.»
Capítulo X
Santorín, Egipto y el Mediterráneo Oriental
Si bien Creta y otras islas del Egeo recibieron el mayor impacto de los distintos fenómenos producidos por la erupción de Santorín en la Edad del Bronce, algunos de sus efectos pudieron causar consternación o caos en lugares más distantes del mundo mediterráneo. Egipto, aproximadamente a quinientas millas (ochocientos kilómetros) de Santorín, y precisamente en el paso de los vientos dominantes del noroeste (véase Figura 33), no pudo dejar de experimentar una serie de espectaculares manifestaciones. Comparándolo con Krakatoa, cabe suponer, sin temor a equivocarse, que al menos el Bajo Egipto se oscureció durante cierto tiempo debido a la nube de cenizas que acompañó a los paroxismos mayores, y que todo Egipto debió de escuchar el ruido o experimentar el golpe de las olas que seguían a tales explosiones. Más aún: cualquier tsunami debió de llegar hasta las costas del país. Además, los egipcios eran cultos, de modo que sería sorprendente que ningún escrito hiciera mención de un fenómeno tan inusual que podía ser interpretado como un efecto, directo o no, de la erupción minoica. Y aun sería más sorprendente si los egipcios que registraron el fenómeno se dieran cuenta de la conexión de éste con un hecho tan alejado, aunque más tarde oyeran hablar de él.
Sin embargo, no hay textos que se refieran a esta época particular de la historia egipcia, que se produjo durante la dinastía XVI11 (véase tabla 2). Se ha dicho que muy poco de la literatura de ese tiempo se ha preservado, debido a que Akhenatón (Amenofis IV), el rey que trató infructuosamente de imponer una religión monoteísta en Egipto, ordenó destruir la totalidad de las antiguas escrituras en un esfuerzo por borrar toda mención de los nombres de antiguos dioses. Sin embargo, algunas inscripciones y papiros posteriores se refieren a hechos que debieron de suceder en la dinastía XVIII.
En el papiro del Hermitage, en Leningrado, hay pasajes como el siguiente:
«El Sol queda velado y no brilla a la vista del hombre. Nadie puede vivir cuando el Sol queda velado por las nubes.
»Nadie sabe que es el mediodía... su sombra no se percibe. No hay brillo cuando él (el Sol) está oculto... está en el cielo como la Luna.
»El río está seco, incluso el río de Egipto.
»El viento del sur soplará contra el viento del norte.
»La Tierra está cayendo en la desdicha.
»Esta tierra debe de estar perturbada.
»Te enseñaré una tierra que está cabeza abajo: en ella sucede lo que nunca ha ocurrido antes.»
Y en el papiro de Ipuwer, del museo de Leiden, se dice:
«La plaga se extiende por toda la Tierra.
»La sangre se halla en todas partes. El río está rojo. Los hombres se acobardan tras probarlo... y tienen sed después del agua (de beber).
»¡Todo está en ruinas! Puertas, columnas y muros se consumen por el fuego. Las ciudades están destruidas. ¡Oh, que cese el ruido de la Tierra y no haya más tumultos!
»Los árboles están destruidos. No se encuentran frutas ni hierbas... hambre... los granos han muerto por doquier.
»Todos los animales, sus corazones lloran... el ganado se lamenta. Mirad, el ganado se ha extraviado y no hay nadie que lo reúna.
»La tierra está sin luz.»
Y, finalmente, una inscripción en un altar de El Arish, que se ha indicado como perteneciente a la época de Ptolomeo, o a los tiempos helenísticos, relata hechos que sucedieron durante el reinado de un rey Thom (o Thoum):
«La tierra está muy afligida. La maldad ha caído sobre esta Tierra...
»Hubo un gran trastorno en la morada...
»Nadie dejó el palacio durante nueve días, y en esos nueve días de trastornos hubo una tempestad que ni los hombres ni los dioses veían la cara de su vecino.»
Sin duda, parece haber sucedido algo que no tenía precedentes, incluyéndose fenómenos que hacían una referencia directa a una nube de cenizas que produjo un oscurecimiento, y que se escuchó el sonido y el choque de las olas del paroxismo más importante de la erupción de la Edad del Bronce. También se sugiere algo de un terremoto.
Tan pronto como se descifraron estos escritos egipcios fragmentarios, se resaltó la similitud que existía con la descripción bíblica de las plagas de Egipto. Hay que admitir que algunos de los paralelos son muy próximos cuando se comparan pequeños extractos fuera del contexto, pero son demasiado similares para descartarlos como mera coincidencia. Recientemente. J. G. Bennett señaló que ambos, el relato bíblico y el escrito egipcio, tienen muchos rasgos comunes con el informe sobre la erupción de Tambora, de 1815, así como la mejor documentada de Krakatoa en 1883. En su relato del desastre de Tambora en su History of Jaua (Historia de Java), sir Stamford Raffles menciona el oscurecimiento del Sol, una lluvia de piedras y granizo, plagas de insectos, un remolino de viento, la destrucción de las cosechas (por las cenizas caídas) y de los animales (por falta de forrajes), y las epidemias, atribuyéndolo todo, de un modo u otro, a los efectos de la erupción. Bennett cree que las plagas de Egipto que prepararon el camino del Éxodo fueron, en realidad, efectos de la erupción de Santorín cuando ésta se percibió a cientos de kilómetros de distancia.
Los eruditos sobre la Biblia no están de acuerdo acerca de la probable fecha en que se produjo el Éxodo, pero una de las posibilidades lo sitúa en 1446-1447 a.C. (la otra, alrededor del 1200 a.C.). Esta fecha se basa en una frase del Libro de los Reyes 6:1, que dice que Salomón comenzó a construir el templo de Jerusalén en el cuarto año de su reinado, 480 años después del Éxodo. El reinado de Salomón se ha fijado, con aceptable grado de certeza, entre 970-930 a.C. Supongamos por un momento que 1447 a.C. es la fecha correcta, y examinemos las plagas de Egipto a la luz de su posible conexión con la erupción minoica.
1. «...Y todas las aguas que estaban en el río se volvieron de sangre. Y los peces que estaban en el río murieron, y el río apestaba y los egipcios no podían beber del agua del río; y había sangre en toda la tierra de Egipto» (Éxodo 7:20-21).
Galanopoulos, elaborando el pensamiento de Bennett, ha indicado que lluvias cargadas con cenizas rojizas pudieron caer sobre Egipto. Es verdad que las cenizas minoicas más profundas de Santorín son de un color rosa pálido y que algunas cenizas finas de esa fase de la erupción pudieron llegar hasta Egipto. Sin embargo, la mayor parte del material que llegó tan lejos habría sido la pumita superficial, que es más blanca. Tanto el relato bíblico como el egipcio acentúan el aspecto sangriento de las aguas, pero incluso cantidades mayores de cenizas rosadas es muy difícil que sugieran sangre, ni siquiera en forma figurada. Y si durante una tormenta cayó material rojizo o rosado en tan grandes cantidades como para que las aguas del río se tiñeran sensiblemente, ¿no hubiera sido la lluvia misma más colorida y más idónea para inspirar un relato de una lluvia de sangre?
Hay un modo más fácil de que las aguas tomen un color rojo sangre. A lo largo de la historia se han registrado muchos casos en que las aguas se han enrojecido. Las algas, de agua salada o dulce, producen pigmentos rojos, y lo mismo ocurre con algunos protozoarios. En su texto sobre Modera Microbiólogo (Microbiología moderna). W. Umbreit afirma: «Ninguna (de las algas) provoca enfermedades, pero algunas, al crecer, secretan sustancias venenosas. A veces se desarrollan con tal vigor que originan mareas venenosas que pueden ser verdes, rojas, amarillas o marrones. De hecho, este tipo de crecimiento de las algas pudo muy bien ser una de las plagas de Egipto...»
No sólo cabe que se diese una proliferación de las algas o de otros organismos que secreten pigmentos que tiñeran de color «sangre» las aguas del río y las lagunas, sino que existe una remota posibilidad de que dicha proliferación se relacione con la erupción de Santorín. En 1850. C. G. Ehrenberg registró más de cincuenta casos de lluvias y nieves «sangrientas» desde 730 a.C. hasta 1850. e hizo una lista de varias algas que en algunos casos específicos, las producen. Muchos de estos sucesos coincidieron con lluvias meteóricas y otros fenómenos anormales. Sería muy interesante investigar la posibilidad de descubrir si el régimen meteorológico normal de todo el Mediterráneo oriental fue alterado por la erupción de Santorín. y si esto provocó condiciones favorables para que se desarrollara algún tipo de organismo que secretara pigmentos, en el caso de Egipto. Pero esto es tarea para un «biomitólogo».
2. «...Y salieron las ranas y cubrieron el suelo de Egipto» (Éxodo 8:6).
Gaianopoulos piensa que las perturbaciones meteorológicas ocasionadas por la erupción levantaron remolinos de viento que, al pasar sobre los lagos y los ríos, arrastraron a las ranas a otra zona. Hay casos en que, literalmente, han «llovido» ranas y otros pequeños animales. Pero, una vez más, creo que hay una explicación más simple para aclarar la presencia de tales batracios.
En Nuevo México vi directamente, durante un verano, cómo una humedad anormal en el desierto es capaz de lanzar, desde el suelo, miles de ranas. Un día, después de un aguacero que se había producido a varios kilómetros de distancia, en la montaña, un arroyo, normalmente seco, se desbordó en cuestión de minutos inundando el suelo. El agua permaneció allí bastante tiempo antes de absorberse, ¡y de pronto había ranas por todas partes! Sin duda estaban en el suelo, en un estado de vida latente, esperando la humedad para emerger y alimentarse. No eran tantas como las ranas bíblicas, pero sin duda constituyeron una plaga, con su coro incesante, día y noche. En pocos días, las aguas se secaron y las ranas desaparecieron tan súbitamente como habían aparecido.
¿Cómo resultado indirecto y remoto de la erupción de Santorín se produjeron lluvias especialmente fuertes que fueron la causa de la plaga de ranas de Egipto?
3. «...Y el polvo de la tierra... se transformó en piojos en los hombres y en las bestias; todo el polvo del suelo se transformó en piojos en todos los lugares de Egipto» (Éxodo 8:17).
4. «...Y llegó un gran enjambre de moscas hasta la casa del faraón y a las casas de sus sirvientes y en toda la tierra de Egipto: el suelo se echó a perder por el enjambre de moscas» (Éxodo 8:24).
Si las condiciones anormales de humedad pueden producir ranas, también pueden favorecer la reproducción de los piojos y las moscas, que explicarían las plagas tres y cuatro.
5. «...Y todo el ganado de Egipto murió, pero no el ganado de los hijos de Israel» (Éxodo 9:6).
6. «...Y cogieron las cenizas del horno y se pusieron de pie delante del faraón; y Moisés las espolvoreó hacia el cielo; y se transformaron en hervor sobre los hombres y los animales, que se llenaron de llagas» (Éxodo 9:10).
Decididamente, la «peste de las bestias» recuerda a las ovejas envenenadas de Islandia en 1947 y 1970 a causa de las erupciones del Hekla. Durante las primeras dos horas de las erupciones relativamente menores, que comenzaron el 5 de mayo de 1970, las violentas explosiones lanzaron lluvias de cenizas sobre alrededor de veinte mil kilómetros cuadrados a la redonda hacia el norte y nordeste del volcán. Las malditas partículas, que cayeron cerca del volcán, contenían cien partes por millón de flúor: las partículas más finas, que cayeron sobre algunos de los terrenos de pastos más importantes del país, contenían dos mil partes por millón. Las ovejas que comían la hierba con polvo que contenía las cenizas venenosas murieron al cabo de unos pocos días si la dosis ingerida era lo suficientemente alta; en caso contrario morían por hambre cuando los nocivos efectos impedían que pudieran comer hierba. Afortunadamente. la mayor parte de los granjeros siguieron las indicaciones oficiales y pudieron conservar sus vacas, y tantas ovejas como fue posible, cobijándolas bajo techo hasta que las lluvias eliminaron el nocivo polvo de las hierbas. Sin embargo, se perdieron por lo menos 6.000 corderos y 1.500 ovejas.
Las tóxicas cenizas de esta erupción relativamente menor llegaron a más de mil doscientos kilómetros de su origen, si bien no se conoce el límite exacto que alcanzaron, puesto que cayeron en el mar. En la mayor parte de los puntos en que se depositaron tenían sólo un poco más de un milímetro de espesor, como término medio. No resulta, por tanto, descabellado suponer que las cenizas minoicas, que provenían de un magma algo más rico en sílice, contenían flúor o alguna sustancia capaz de envenenar al ganado. De cualquier modo, por supuesto, pudo haber presencia de flúor, o de algo parecido, en las cenizas que cayeron en Creta, aunque allí las concentraciones acaso no fueron tan altas como para sumarse al daño de la lluvia de cenizas per se. Sólo las cenizas más finas llegaron hasta Egipto, y en el caso de Hekla eran las cenizas más finas las que contenían la mayor concentración de flúor.
Por supuesto, es difícil que ésta o cualquier otra desgracia afectara el ganado egipcio y, al mismo tiempo, no al de los israelitas, de modo que cabe presumir que este detalle se debe a una exageración chauvinista por parte del que narraba la tradición: a no ser que, por alguna razón, los israelitas hubieran puesto a resguardo su ganado y lo alimentaran directamente durante el período crítico.
Incluso no resulta descabellado estimar que gente que no estaba acostumbrada a bañarse, y los animales otro tanto, comenzaran a «hervir y llenarse de ampollas» si el polvo de cenizas contenía sustancias irritantes. Las implicaciones de la lluvia de cenizas que caen del cielo son también un poco sugestivas, aun cuando se advierta que antes fueron lanzadas hacia el cielo por Moisés.
7. «Y Moisés prolongó su camino hacia el cielo: y el Señor envió trueno y granizo, y el fuego se extendió sobre los campos... De modo que hubo granizo, y el fuego se mezcló con el granizo, muy horrible, y como ése nunca hubo otro igual en la tierra de Egipto desde que era una nación. Y el granizo castigó todas las tierras de Egipto, todo lo que estaba en los campos, tanto hombres como bestias: y el granizo castigó a todas las hierbas del campo y a todos los árboles» (Éxodo 10:23-26).
Muy frecuentemente, el granizo se asocia a una lluvia de cenizas porque las partículas de ceniza actúan como un núcleo alrededor del cual se condensa el hielo. Más aún, toda la clase de fenómenos eléctricos es factible que se asocien con una lluvia de cenizas, incluso en lugares muy alejados de la erupción. Por ejemplo, cuando se produjo la erupción del Hekla en 1766, el aire estaba tan cargado de electricidad en Skagafjördur, situado a trescientos veinte kilómetros del volcán, que la veleta de hierro del tejado de una iglesia parecía que lanzaba lenguas de fuego, y en Holar, que está en el mismo territorio, las pértigas y los bastones brillaban con una luz fosforescente. También se observaron precipitaciones radiactivas fosforescentes en la atmósfera a cincuenta millas (ochenta kilómetros) de la erupción del Krakatoa.
8. «Y el Señor envió un viento del este sobre la tierra durante todo el día, y toda aquella noche; y cuando llegó la mañana, el viento del este trajo la langosta... y no quedó nada verde... en toda la tierra de Egipto» (Éxodo 10:13, 15).
Es difícil, de alguna forma, relacionar la plaga de langostas con la erupción minoica. a no ser que el viento del este que las trajo fuera parte de los efectos meteorológicos. De otro modo, las langostas serían sólo una coincidencia que añadiría el insulto al agravio. Por supuesto, las desastrosas plagas de langostas no son raras en esta parte del mundo.
9. «Y hubo una espesa oscuridad en toda la tierra de Egipto durante tres días: nadie veía a los demás, ni tampoco nadie se movió en tres días del sitio en que estaba...» (Éxodo 10:22).
¿Qué mejor descripción podría hacerse de la densa oscuridad que se produjo como consecuencia de la erupción de Santorín, semejante a la del Krakatoa? Las discrepancias entre la versión egipcia y la bíblica, en cuanto a la duración del oscurecimiento, puede atribuirse fácilmente al hecho de que ambas crónicas se recopilaron cientos de años después del suceso.
10. Y sucedió que a medianoche el Señor aniquiló a todos los primogénitos de Egipto... y a todos los primogénitos del ganado» (Éxodo 12:29).
La enfermedad y muerte de las gentes y de los animales pudo deberse a los efectos indirectos de la erupción, porque los piojos y las moscas criados en las condiciones excepcionalmente húmedas fueron capaces de provocar enfermedades. Aunque en las erupciones históricas de Santorín los gases tóxicos produjesen náuseas en las personas, o incluso violentos trastornos, a distancias de hasta sesenta millas (noventa y seis kilómetros) en la dirección de los vientos, no es probable que dichas emanaciones llegaran hasta Egipto, y menos aún tan concentradas como para matar a todos los jóvenes o a los débiles. En cualquier caso, la selectividad que supone el afectar únicamente a los primogénitos sólo puede considerarse figurativamente.
* * * *
En resumen, la plaga de la oscuridad es la que más fuertemente puede estar ligada a la erupción de Santorín. En realidad, es difícil explicarla, excepto como consecuencia de los efectos de una nube de cenizas. Todos los otros posibles vínculos son exclusivamente especulativos. Componen una tambaleante pirámide invertida de condicionantes: si la erupción influyó sobre el clima de una amplia región (como puede haber sucedido, al menos en el sentido de provocar más lluvias que las habituales) y si, como consecuencia, hubo tormentas eléctricas y granizo, y suficientes lluvias para que todo tuviera un grado de humedad mucho mayor al de una tierra normalmente muy seca, en ese caso se pudieron crear las condiciones apropiadas para que algunas de las plagas se produjeran. No es posible probar la presencia de flúor en las cenizas, ni tampoco el que no lo hubiera y, por tanto, continúa siendo una mera posibilidad. Pero, sea lo que fuere lo que sucedió con respecto a la historia de Egipto, la erupción minoica debe haber sido la causa de una serie de manifestaciones muy alarmantes, desagradables en extremo e incluso totalmente inusuales, que parecieron de origen sobrenatural. Si tales manifestaciones tuvieron lugar cuando Moisés agitaba a las gentes en favor de la liberación del cautiverio de los israelitas, pudieron constituir la razón por la cual el faraón se decidió, finalmente, a permitir que se marcharan.
La idea de que el Éxodo y la erupción minoica estuvieron relacionados está en parte sostenida por el hecho de que muchos de los primeros padres de la Iglesia, como Agustín. Eusebio e Isidoro, arzobispo de Sevilla, trataron de emparentar a Deucalión y a Ogyges de las tradiciones griegas sobre inundaciones, con las figuras bíblicas. Isidoro consideró a Ogyges contemporáneo de Jacob, y a Deucalión de Moisés. Julio Africano, por su parte, consideró a Ogyges como contemporáneo de Moisés. Todos ellos aceptaban la tradición firmemente establecida de que la inundación de Ogyges era la más antigua. Velikovsky, cuya teoría de la colisión cósmica requiere dos catástrofes en que la primera fue más fuerte que la segunda, relaciona a Deucalión con el Éxodo y traslada la inundación de Ogyges hasta los tiempos de Josué.
* * * *
La parte más impresionante de la historia del Éxodo es el milagro de la división de las aguas del mar Rojo. En este caso, otra vez, la similitud entre la Biblia y la inscripción de El Arish no deja ninguna duda de que algo muy anormal sucedió, y que sus consecuencias fueron desastrosas para los faraones egipcios. La inscripción cuenta que durante el tiempo de la oscuridad y de las tempestades, el rey Thom (o Thoum) condujo a sus fuerzas a luchar contra los «compañeros de Apopi» (el dios egipcio de la Oscuridad), y que se perdió en un remolino en un lugar denominado Pi-Kharoti. Este es, sin la menor duda, el mismo que Pi-ha-Hiroth (o -Khiroth), donde los israelitas acamparon justo antes de cruzar las aguas. Desgraciadamente. no se sabe dónde estaba Pi-ha-Hiroth. Ni tampoco la Biblia aclara qué faraón gobernaba Egipto en el momento del Éxodo. Su nombre se menciona como «Rameses», del que muchos estudiosos piensan se refiere a Ramsés 111, que reinó alrededor del 1200 a.C. Sin embargo, si el Éxodo comenzó 480 años antes de que Salomón iniciara la construcción de su templo, el faraón no pudo ser Ramsés III ni ningún otro Ramsés, porque, según la actual cronología aceptada, fue Tuthmosis III el que reinaba entonces. El argumento de que era Tuthmosis III coincide con lo que afirman las fuentes egipcias: el historiador egipcio Manetho se refiere a un rey llamado «Tutimacus» o «Timaios», en cuyo tiempo cayó sobre Egipto la desaprobación divina. (¿Podría ser «Thom» o «Thoum» otra versión del nombre de Tuthmosis? La versión de Manetho ha sobrevivido sólo como cita de otros escritores posteriores.)
Se ha dicho que Tuthmosis III era un gobernante demasiado fuerte como para permitir que los israelitas dejaran Egipto e invadieran Canaán, una región que controlaba Egipto en ese momento, mientras que, bajo el reinado más débil de Ramsés III, Egipto había comenzado a desintegrarse. Este argumento ha sido refutado por Bennett, que señala que el Libro del Éxodo define sin lugar a dudas al faraón como un gobernante poderoso que sólo podía vacilar frente a un terror bajo el cual se sintiera indefenso.
En todo caso. Galanopoulos ha indicado que cabe explicar no sólo las plagas de Egipto, sino también el milagro del cruce del mar Rojo en términos de la erupción de Santorín, es decir, por el tsunami producido por la caída de la caldera que sería responsable de la inundación de Deucalión. De ser así. Pi-ha-Hiroth debió de estar en la costa del Mediterráneo. Los estudiosos de la Biblia hace mucho que sostienen que la masa de agua que cruzaron los israelitas no era el mar Rojo que hoy conocemos como tal, sino una masa de agua salina. El nombre hebreo en el manuscrito original es «Jam Suf», que significa «Reed Sea» («mar del Cañaveral»), y las cañas no crecen en agua salada. En las costas de la península de Sinaí. a lo largo de la cual ha existido desde lejanos tiempos una ruta principal desde Egipto hasta los países del Mediterráneo oriental, hay una laguna que en la actualidad se llama Sebkha el Bardawil, que, en los tiempos de Herodoto, se conocía con el nombre de Sirbonis Lake (lago Sirbonis) (Figura 38). Este es el lugar que han elegido algunos estudiosos como aquel por el que se cruzó y con el que coincide Galanopoulos. A corta distancia de la costa, las vallas y lenguas de tierra, cortadas por estrechos canales, separan las aguas de la laguna del mar abierto. Durante la retracción de las aguas que se produce antes de un tsunami, la laguna pudo vaciarse total o parcialmente, volviendo después las aguas pasando sobre las vallas. De este modo, los israelitas pudieron cruzar por un tramo del fondo de la laguna cuando las aguas se retiraron, mientras que los que los perseguían fueron atrapados por el mismo tsunami.
Sin duda un gran tsunami, uno particularmente grande originado por la caldera, pudo producir los efectos descritos para Sebkha el Bardawil y otras lagunas a lo largo de la costa. El problema principal que plantea esta hipótesis radica en el tiempo. En realidad, resulta una coincidencia de proporciones astronómicas que los israelitas estuvieran en el punto preciso en el momento exacto, lo que, al parecer, sólo la intervención divina podía determinar y, entonces, se ha tratado de sustituir otro milagro con una explicación científica. Sin embargo, pensándolo mejor, la coincidencia es algo menos asombrosa. Si se supone que la erupción minoica fue la causa básica de. al menos, algunas de las plagas que allanaron el camino para el Éxodo, y si la caída de una parte importante de la caldera se produjo poco después del clímax de la erupción, entonces los israelitas pudieron estar en la costa en el momento oportuno, suponiendo, claro está, que la ruta que tomaron fuera ésa. Es más. Sebkha el Bardawil no es el único lugar para el cual es válida la teoría. El mecanismo propuesto pudo funcionar lo mismo en la laguna de Manzala (véase Figura 38), otro de los lugares que los estudiosos consideran posible.

Figura 38. Mapa del delta del Nilo y áreas adyacentes. Se indican los brazos del Nilo y la Sebkha el Bardawil tal como son hoy. Es probable que fueran algo distintos en el tiempo del Éxodo. La línea de puntos indica los lugares que se han propuesto como el verdadero punto en que las aguas del mar Rojo se separaron para que pasaran los israelitas.
Pero aun cuando sea factible situar a los israelitas en el punto y en el momento precisos, es difícil imaginar cómo se logró el paso en el tiempo de que se disponía entre el instante en que se retiraban las aguas y cuando retornaron. Generalmente, estos intervalos duran, como máximo, media hora. En el caso excepcional del tsunami de Santorín, dicho tiempo pudo prolongarse un poco más, pero todo el que se gane está compensado por el hecho de que las aguas de una laguna sólo tienen estrechos canales para su desagüe y, por tanto, no descienden tan rápidamente como en la costa abierta, aun cuando se dé el caso de que las aguas sean relativamente bajas. Sin embargo, cuando retorna la ola, no se verá obstaculizada por este inconveniente, ya que se vuelca sobre las fajas de arena que separan a la laguna del mar. O sea, que el intervalo entre la máxima exposición del fondo seco y la máxima inundación es menor que en la costa abierta. Aun cuando los Hijos de Israel fueran, en ese momento, sólo alrededor de seiscientos, como ha sugerido Ben Gurion, sería un problema conseguir cruzar lo que, posiblemente, era una extensión pantanosa en el limitado tiempo de que disponían y teniendo en cuenta que eran muchos hombres, mujeres y niños que llevaban sus ganados y sus posesiones indispensables para poder sobrevivir en el desierto. Sin embargo, no es imposible, especialmente si debían cruzar sólo un pequeño rincón de la laguna. El lugar marcado con una X en la figura 38, por ejemplo, pudo haber sido uno de los primeros sitios expuestos cuando las aguas se retiraron, mientras que el canal que une la laguna con el mar (el lugar sugerido por Galanopoulos y Bacon) sería el último sitio en secarse.
Por la configuración actual de Sebkha el Bardawil (si se acepta como el lugar, por el momento) es imposible determinar dónde pudieron acampar los israelitas, ni tampoco dónde, exactamente, cruzaron, porque los bancos de arena y las lenguas de tierra que enmarcan las lagunas son rasgos topográficos variables que se modifican constantemente debido a la acción de las olas y de las corrientes. Un mapa de Sebkha el Bardawil, publicado en 1875, muestra una forma diferente, con dos canales que lo comunican con el mar. El informe de Estrabón dice que sólo había un resquicio. ¿Quién es capaz de decir cómo era alrededor del 1447 a.C.? No obstante, las posibles diferencias de matiz no invalidan, de ningún modo, la premisa básica de este mecanismo del cruce, y si alguna vez se prueba que Pi-ha-Hiroth estaba en la costa, la teoría de Galanopoulos se verá sólidamente fortalecida. Hasta entonces, no pueden descartarse otros puntos propuestos.
La descripción que hace del sitio la Biblia carece de información hasta un grado increíble sobre dónde estaba éste. Se había instruido a los israelitas para que «giraran y acamparan delante de Pi-Hahiroth, entre Migdol y el mar, sobre Baalzephon: delante del cual acamparéis junto al mar» (Éxodo 14:2). Respecto del cruce mismo, dice: «...Y el Señor hizo que el mar se retirara por un fuerte viento toda la noche, y transformó el mar en tierra seca y se separaron las aguas» (Éxodo 14:21). Se cree que las inscripciones egipcias que se refieren a esta época también mencionan tempestades. Los vientos fuertes pueden hacer retroceder las aguas relativamente bajas en el nacimiento del golfo de Akaba o el de Suez, o en algunos de los lagos ahora unidos por el canal de Suez (véase Figura 38). Esto podría haber proporcionado a los israelitas hasta siete horas para efectuar el paso, en vez de bordear la masa de agua junto a la que acamparon; luego, una súbita disminución del viento, o un cambio en su dirección, permitió que las aguas volvieran rápidamente, ahogando a los egipcios. El nacimiento del golfo de Suez o el de Akaba son demasiado salados para ser el «Reed Sea»; los Bitter Lakes (lagos Amargos) constituyen una mejor elección. Por la forma de la línea costera (véase Figura 38) no es difícil imaginar que un fuerte viento del este separase las aguas del Great Bitter Lake (Gran lago Amargo) hacia su lado norte, dejando al descubierto el cerro bajo que lo separa del Little Bitter Lake (Pequeño lago Amargo) (en el que hay mucha menos agua, y en el cual, cualquiera que fuere la acumulación que se produjera, ésta habría sido contra la costa occidental. y no contra la colina que separa la cuenca). El lugar del Bitter Lake, propuesto hace algún tiempo por sir William Dawson, es, para mí, más adecuado a la idea de que las aguas se separaron como afirma la Biblia.
* * * *
En la Biblia hay, además del Éxodo, por lo menos otros tres pasajes en que se alude específicamente a «Caphtor», que es el nombre con que los hebreos conocían a Creta. Uno menciona el hecho de que los filisteos emigraron de Creta, y los otros describen gráficamente una catástrofe que aplastó la «tierra de los filisteos» en términos que, sin lugar a equivocarse, indican dos de las principales consecuencias de la erupción minoica: la oscuridad y el tsunami. Amos 9:5-7 (escrito en el siglo IX a.C.) dice:
«Y el Señor, nuestro Dios de los Ejércitos, si toca la Tierra, ésta se fundirá, y todos los que allí viven se lamentarán y se elevará como una inundación: y morirán, como en la inundación de Egipto. Es Él, el que llamó a las aguas del mar y las dejó caer sobre la faz de la Tierra... ¿No he sacado Yo a Israel de la tierra de Egipto, y los filisteos de Caphtor, y los sirios de Kir?»
Esto ha sido interpretado como indicativo de que el Éxodo y la emigración de los filisteos fueron contemporáneos, pero también podría referirse a hechos que tuvieron lugar en momentos distintos.
(Nadie parece saber demasiado sobre los «sirios de Kir».) Zephaniah 1:15. 17 y 2:5 (siglo VII a.C.) nos dice:
«Ese día es un día de furia, un día de problemas y de desastres, un día de oscuridad y tristeza, un día de nubes y espesas tinieblas... Y deseo llevar dolor a los hombres, que caminen como ciegos... Infortunio sobre los habitantes de las costas., la tierra de los filisteos. Te destruiré incluso a ti, y no habrá habitantes.»
Jeremías 47:2. 4, escrito en el siglo VI a.C., se refiere en forma más específica a un tsunami:
«Mirad, las aguas se elevan desde el norte, y habrá una gran inundación, y cubrirá la Tierra. Porque llegará el día en que todos los filisteos serán desposeídos... porque el Señor despojará a los filisteos, los restos del país de Caphtor,»
Este pasaje parece implicar que el desastre afectó a «los restos del país de Caphtor» después de que se establecieran en Filistea (lo que sucedió alrededor del 1200 a.C.), y considerándolo aislado puede referirse a algún tsunami posterior al producido por la caída de Santorín. No obstante, las ciudades de Filistea se fundaron tierra adentro, no en las costas, en lugares que podían estar a salvo del mar. Además, las «aguas que se elevaron desde el norte» es una descripción más precisa de la aproximación de un tsunami a Creta, no a Filistea, cuyas costas se extienden, en general, de norte a sur. La «tierra de los filisteos», en el pasaje de Zephaniah, por supuesto, puede significar Caphtor, desde donde venían ellos, y describe muy bien las condiciones que debieron de predominar en Creta durante la erupción y en el momento de un tsunami. Cualquier discrepancia menor se resuelve fácilmente si se recuerda que los pasajes citados fueron escritos mucho después de que sucedieran los hechos (aunque en forma de profecía), que si son tradiciones relacionadas con la erupción minoica, la dispersión de los minoicos a otras tierras y el establecimiento de Filistea. Todas estas cosas debieron de parecer contemporáneas a los cronistas posteriores, aun cuando, en realidad, se desenvolvieron en un período que abarcó más de dos siglos.
No se sabe con seguridad si los filisteos llegaron directamente desde Creta el 1200 a.C. Los recientes hallazgos arqueológicos indican que es posible que deambularan durante quizá toda una generación antes de encontrar un lugar donde establecerse. Eran una de entre varias tribus (no relacionadas, necesariamente, pero todas desalojadas) de las «Gentes del Mar» (o, más exactamente, «gente de más allá del mar»), que emigraron a la región del Mediterráneo oriental, aproximadamente en la misma época. Las nuevas excavaciones realizadas sobre las ciudades filisteas, tanto tiempo abandonadas, han obligado a revisar antiguas opiniones sobre ellos. No eran semíticos, como se había pensado antes. Cualquiera que haya sido su lengua, no era hebrea, pero qué era no se sabe aún. Una de las hipótesis que se adelantaron es que podría ser luwita[60], lo que resultó acertado, y que la Linear A minoica podría tener el mismo origen. También se aclaró que los filisteos no eran los palurdos incultos que describen la Biblia o los egipcios. Las excavaciones de Ashdod demuestran que llegaron a conocer refinamientos tales como las bañeras. Pero no cabe afirmar que las relaciones con los israelitas fueran cordiales, hasta el punto de que, antes de establecerse en Filistea, trataron de arrebatar violentamente el territorio que pertenecía a los egipcios. Por tanto, no es posible esperar que ninguno de estos dos pueblos los considerara con simpatía.
Existe una cierta confusión respecto del nombre Caphtor. Según la Encyclopaedia Britannica (Enciclopedia Británica), «se la debe identificar con la egipcia Ka(p)tar, que, en tiempos posteriores a Tolomeo, pareciera significar Fenicia, aunque el antiguo Keftiu denota a Creta». Alguien ha sugerido que los minoicos podrían ser los antecesores —espirituales, si no físicos— de los fenicios, pero éstos eran un pueblo semítico cuya historia se remonta al menos a 1600 a.C. Después de la caída de la Creta minoica es más que posible que algunos emigrados minoicos se asimilaran en el crisol de razas de Fenicia. Quizá fueron ellos los que infundieron a los fenicios lo que la Britannica llama su «extraño amor, no-semítico, al mar». De cualquier modo, fueron los fenicios los que, comenzando alrededor del 1200 a.C., emergieron como una nación marina, del mismo tipo que lo fueron los minoicos antes del 1450 a.C. Por otra parte, los filisteos, que se sabe llegaron desde Creta, aunque por qué y cómo no está completamente claro, evitaron la costa y establecieron sus ciudades en las más seguras zonas del interior. ¿Es que representan una migración posterior (durante los tiempos turbulentos de alrededor del 1200 a.C.) de un resto de minoicos que —aun cuando su cultura había sido sofocada, primero por las costumbres de sus dominadores micénicos y, luego, por aquellos con los que se encontraron cuando deambulaban antes de llegar a Filistea— todavía retenían en la memoria un terrible desastre que había llegado desde el mar? La respuesta a esta pregunta debe buscarse en la arqueología, no en la geología.
Hasta ahora, se han considerado las posibles relaciones entre la erupción de la Edad del Bronce hasta el diluvio de Deucalión, pasando por otras tradiciones griegas locales de inundaciones, llegando hasta la desaparición de la civilización minoica y el Éxodo. Hay aún otros mitos y tradiciones semihistóricas que también deben rastrearse hasta este momento. ¿Y por qué no? Seguramente, fue el más estupendo despliegue de las fuerzas de la naturaleza que nunca asombró al mundo mediterráneo.
Uno de esos mitos es el de Faetón. Faetón era el hijo de una ninfa. Clímene. Ridiculizado por sus compañeros de juego por no tener padre, su madre le aseguró que su padre no era otro que Helios (Apolo), el dios del Sol. Entonces Faetón se propuso encontrar a su padre y lograr que éste lo reconociera. Después de un largo viaje hacia el este llegó hasta el palacio del Sol, en el que fue recibido y tratado regiamente. Cuando su padre le prometió el regalo que quisiera. Faetón, decididamente, le pidió tener el privilegio de conducir el carro del Sol a través del cielo durante un día. Desalentado, porque sabía que las fuerzas del joven no eran suficientes para realizar esa tarea. Helios trató de disuadirlo, prometiéndole cualquier cosa en lugar de eso. Pero todo fue en vano: el testarudo joven insistió, y el dios tuvo que mantener su promesa. Como era de esperar. Faetón no pudo controlar los fieros corceles y éstos se lanzaron salvajemente a su recorrido. A cualquier lugar al que el carro se acercaba demasiado en la Tierra, manantiales y ríos se secaban —hasta el Nilo se apartó y escondió su cabeza— y todo se chamuscó. Cuando el carro se alejaba demasiado, la Tierra se cubría de hielo y nieve. La Tierra llamó a Zeus en su ayuda y Zeus golpeó con un rayo a Faetón, y éste cayó a la Tierra sobre el banco del Érídanus (Po), y fue enterrado allí por sus llorosas hermanas, que se transformaron en árboles que sudaban ámbar.
Con la posible excepción del fimbulvetr (véase capítulo 4). Faetón es, hasta donde yo sé, el único mito que se menciona en relación con cambios muy lentos en el medio del hombre. En el Timeo, en la discusión que precede el relato de la Atlántida, Platón hace que el sacerdote egipcio le diga a Solón que el mito de Faetón «realmente significa un descenso de los cuerpos que se mueven alrededor de la Tierra y en el cielo, y una gran conflagración de las cosas que están sobre la Tierra durante largos intervalos de tiempo...». Tomando esto como base, se ha dicho que cabe atribuir el mito a los cambios de clima que produjeron los varios avances y retrocesos de los glaciares continentales en el periodo del Pleistoceno, y al aumento generalizado de las temperaturas desde la última glaciación. Pero, como señala muy razonablemente Galanopoulos, el término medio del cambio de las temperaturas del océano Atlántico, desde el final del Pleistoceno, ha aumentado un grado centígrado cada mil años, lo que es suficiente para fundir las capas de hielo a lo largo de las centurias, pero demasiado lento como para que tal cambio fuera notado por el hombre. Si el mito tiene alguna base real, un hecho catastrófico significa una fuente mucho más adecuada.
Galanopoulos ha sugerido que los «arcos luminosos» o rayos que se ven durante una erupción, junto con el descenso de la temperatura asociado con la presencia de cenizas en la atmósfera, pueden atribuirse a Faetón. Los arcos luminosos, un fenómeno volcánico único que se origina en el cráter y que se expande en todas direcciones con la velocidad del sonido, se deben a ondas de sonido cuyos frentes de compresión y dilatación esféricos refractan la luz a distintas distancias, haciéndose así visibles. (El mismo fenómeno se observa desde detrás de un cañón.) También son comunes exhibiciones luminosas espectaculares cerca de los volcanes en erupción, particularmente los volcanes submarinos.
Si bien coincido con que Faetón puede ser el resultado de la erupción de Santorín, creo que hay una conexión más directa. Es bien sabido que después de la erupción del Krakatoa de 1883, el polvo volcánico permaneció suspendido en la alta atmósfera durante mucho tiempo, provocando durante bastante tiempo después sorprendentes ocasos flameantes en varias partes del mundo. Tan inusitado y brillante era el espectáculo el 30 de octubre de 1883, que las brigadas de los bomberos fueron llamadas en dos ciudades norteamericanas (Poughkeepsie. Nueva York, y New Haven. Connecticut) porque se temía que el fuego venía del oeste. Este tipo de puestas de Sol (que son especialmente notables cuando el tiempo es seco) se vislumbran desde mucho más lejos que ningún otro de los efectos de una erupción, y es posible que sea uno de éstos el que haya originado el mito de Faetón[61]. Piénsese en algunos individuos o grupos preocupados por las cosechas estropeadas por la sequía (o asfixiadas por las cenizas, si se tratara de Creta) contemplando, algún tiempo después de la erupción, este extraordinario ocaso. ¿No pensarían que el mundo entero estaba en llamas? Más aún, ocasos de este tipo se han observado próximos a un oscurecimiento o un apagón, con sus consiguientes descensos en las temperaturas. Para las gentes de aquellos días una desaparición del Sol debió de parecer una lógica explicación de estas manifestaciones anormales. La explicación de un carro enloquecido para esclarecer la causa de las luces y los arcos de fuego que se habían visto en el momento de la erupción (visto con mayor claridad cerca del volcán) no es fundamental, porque la idea de un carro siguiendo un recorrido prescrito a través del cielo pudo haber sido anterior a Faetón, y utilizarse como explicación del curso normal del Sol. Es el apartarse de la normalidad, no la existencia del carro del Sol per se, lo que requería una explicación desde el punto de vista de una alteración de la rutina habitual del dios Sol.
* * * *
Una leyenda muy similar a la de Faetón se ha hallado entre los indios kwakiutl, de la Columbia Británica. El hijo del Sol ascendió una vez hasta el cielo, en donde su padre, encontrando la oportunidad de descansar un rato, confió al joven la nariz brillante y las joyas de las orejas que iluminaban al mundo y le pidió que, en su lugar, las llevara por el cielo durante un día. Advirtió al muchacho, por miedo a que provocase un fuego, que no se acercara demasiado a la Tierra. Todo fue bien hasta el mediodía, pero, entonces, el joven se impacientó y comenzó a correr, tomando un atajo. Todo habría ardido si no fuera porque el Sol despertó a tiempo para ver lo que sucedía. Se apresuró a alcanzar a su hijo, arrebató las joyas de su puño y lo lanzó al mar. E. S. Hartland empleaba esta narración para ilustrar la «integridad de la naturaleza humana». Como en el caso de las tradiciones sobre inundaciones, la semejanza entre esta leyenda y la de Faetón podría reflejar una respuesta parecida a la misma clase de estímulos. Los ocasos llameantes son comunes en áreas limitadas después de los incendios de bosques o de pequeñas erupciones, y en todo el mundo después de las grandes erupciones. Incluso resulta posible que la leyenda de los kwakiutl se inspirase también en el brillo ocasionado por la erupción minoica. Pero siempre existe la posibilidad de que Faetón fuese llevado a la Columbia Británica del mismo modo en que Beowulf llegó a Dakota del Sur (véase capítulo 7), sufriendo modificaciones adecuadas para ajustarse a alguna tradición existente sobre las joyas del Sol. Por ejemplo, ¿quién es capaz de asegurar que ningún buscador de oro no intercambió historias con los indios en algún momento antes de 1895, que es cuando la leyenda se registró por primera vez? Los nombres de muchos de los yacimientos en todo el Oeste son un claro testimonio de que la fiebre del oro atrajo una buena cantidad de gente que había recibido una educación clásica. No obstante. Galanopoulos y Bacon se refieren a un mito del tipo de! de Faetón en Guatemala. Por tanto, algún fenómeno que llegó a tener un alcance mundial puede hallarse en la base de los tres, y en verdad que nada se difunde más que el polvo atmosférico que aparece después de una erupción semejante a la del Krakatoa.
* * * *
Hay aún otro mito clásico que tiene un detalle que podría constituir una memoria de la erupción minoica. Cuando Zeus atrajo a la fiel Alcmena y la llevó al lecho valiéndose de una treta, pues asumió la forma de su marido. Anfitrión (unión de la cual nacería Hércules), hizo que la noche durara tres días enteros para así escapar de los ojos de águila de su esposa Hera (y quizá para prolongar el placer). Marinatos cree que esto es una referencia al extenso y sin duda prolongado oscurecimiento que acompañó al clímax de la erupción.
El sumario de Luce de las posibles memorias de la erupción de Santorín en la literatura griega incluye varias menciones de islas flotantes. Se dice que. en particular, la isla de Delos originalmente flotaba por el Egeo, y sólo quedó inmóvil cuando Apolo nació allí. Las islas flotantes pueden ser el recuerdo de los bancos de pumita que, sin duda alguna, infectaron el mar después de la erupción, como los que se vieron en varias partes del océano Índico después del suceso de Krakatoa.
Se ha expresado la posibilidad de que el mito de Ícaro constituya otra repercusión de la erupción minoica. Ícaro era el hijo de Dédalo, aquel «hábil artífice» que construyó el laberinto de Cnosos para el rey Minos. Dédalo perdió el favor del rey y fue encerrado como prisionero en una torre, pero él logró fabricar con cera y plumas alas para sí y para su hijo Ícaro, y ambos escaparon por el aire. Sin embargo. Ícaro ignoró la advertencia de su padre de no volar demasiado cerca del Sol y, por tanto, la cera que sostenía las alas se derritió, de modo que Ícaro cayó al mar cerca de una isla que desde entonces lleva su nombre. Una roca que hay cerca de la costa sur de dicha isla se supone que es Ícaro convertido en piedra. Lo que se da como explicación es que una bomba volcánica de Santorín pudo inspirar el mito, pero, de ser así, no habría caído cerca de Icaria, pues aun cuando la erupción minoica fuese mucho más intensa que la del Krakatoa, ningún fragmento considerable pudo llegar hasta allí, ya que Icaria está precisamente en el límite de distribución de cenizas llevadas por el viento y encontradas en el fondo de los mares (véase Figura 33). La roca de Ícaro coincide con las de la costa, de las que es posiblemente un resto de una erosión. Probablemente, el mito se originó cuando alguien observó la caída de un meteoro en el mar. Y es posible también que sea una invención del ingenio. El nombre Ikaria es, en realidad, el equivalente fenicio del antiguo nombre Ichthyassa, que significa «isla del Pez». No obstante, la gente que vive allí hoy todavía cree que su roca es el Ícaro caído, y aún están más convencidos desde que el gobierno griego eligió el lugar para erigir una estatua en conmemoración del nacimiento de la aviación.
Antes de abandonar el Mediterráneo oriental y sus tradiciones con relación a Santorín, debemos mencionar otro ejemplo que podría constituir la evidencia de un tsunami en esa parte del mundo. Las excavaciones realizadas en Ugarit, la antigua ciudad que está cerca de la moderna Latakia, han demostrado que su puerto y la mitad de la ciudad quedaron destruidos alrededor del 1400 a.C. Un poema fenicio, encontrado en la biblioteca de Ugarit, habla de tempestad y tsunami, y se supone que hace referencia a aquel suceso. Ugarit sobrevivió al golpe, cualquiera que haya sido su causa, y continuó hasta el 1350 a.C., en que fue finalmente destruida por un terremoto. La fecha de esa ola destructiva está demasiado cercana a la erupción minoica, teniendo en cuenta la incertidumbre que rodea todas las fechas relacionadas con todo esto, y es muy posible que haya sido un tsunami producido por Santorín antes que un tsunami originado por algún terremoto.
Los ejemplos citados en las páginas precedentes han demostrado, espero, que la geología, el folklore y la historia están interrelacionados de muchas formas.
Los procesos geológicos, y sus consecuencias, han dejado su impresión sobre el folklore en la forma de leyendas evemerísticas, incluyendo el recuerdo, más o menos distorsionado, de hechos reales, generalmente catastróficos, y mitos etiológicos que reflejaban el innato deseo del hombre de comprender y explicar el medio físico. Esto último, en la mayoría de los casos, debe atribuirse a los poderes de observación de gentes hace mucho tiempo desaparecidas, pero, ciertamente, pocas veces se acercan a la verdadera razón del fenómeno que tratan de dilucidar, y, cuando esto sucede, suele ser sólo por coincidencia.
Sin embargo, antes de sentirnos con aires de superioridad ante los antiguos filósofos, o ante la sabiduría de los hombres tribales, es importante recordar dos cosas: primero, hay todavía entre nosotros muchas personas inteligentes, pero mal informadas, que, respecto de los fenómenos geológicos, creen posibles muchas cosas imposibles, y algunas de estas falsas ideas están tan difundidas que en sí mismas constituyen una forma de folklore; y, segundo, de vez en cuando alguna idea desprestigiada como perteneciente al folklore ha resultado ser, en definitiva, un hecho real.
Si bien los procesos geológicos y sus resultados tienen, sin duda, más influencia sobre el folklore que viceversa, la relación no es, en absoluto, unilateral. La nomenclatura geológica debe al folklore una serie de términos, especialmente sobre vulcanología. y en algunas ocasiones las leyendas locales han ayudado a resolver detalles de la geología local.
Atlántida, sin duda, el mito más controvertido de todos los tiempos, pertenece a una categoría propia. Puesto que no está incluida en la tradición oral de ninguna nación o cultura, no es, en absoluto, folklore. Con más exactitud puede clasificarse como la parcela de fakelore o pseudo-folklore más descomunal que se haya inventado nunca, pero, por el hecho de que existen abundantes razones para creer que Platón, sabiéndolo o no. incorporó en su creación literaria algunas referencias de la erupción de la Edad del Bronce de Santorín, esto proporcionó a la Atlántida una base real, al menos indirectamente. Considerándolo así, emerge como un híbrido fascinante que se monta a horcajadas entre la invención y la leyenda.
El argumento para suponer que la Atlántida estaba en el Egeo no depende de la validez de la teoría de la destrucción volcánica de la Creta minoica. Si el súbito eclipse del poder minoico no se produjo simultáneamente con la destrucción de la colonia de Santorín, se encuentra tan próximo en el tiempo que no es imposible que la erupción haya contribuido a la decadencia final de la Creta minoica. En la reconstrucción al estilo ciencia-ficción que hice de los hechos posibles (en el capítulo 8) he restado importancia al papel desempeñado por un tsunami originado por la caída de la caldera de Santorín. Esto se debe al hecho de que creo que si la caída se produjo en el clímax de la erupción, y con la suficiente rapidez como para originar un tsunami comparable, al menos, al del Krakatoa, entonces habría habido signos más notables del decaimiento económico durante el Minoico tardío I B. Esto no significa que un tsunami de proporciones menores, pero suficientemente grande como para que pudiera ser recordado en la historia del diluvio de Deucalión, no se haya producido antes o después. No obstante, posponer una caída en gran-escala durante toda una generación, o más, después del clímax de la erupción, no parece razonable desde el punto de vista geológico (si bien no puede descartarse por completo como totalmente imposible): una caída gradual, que ocasionara un tsunami menor o ninguno, parece mucho más lógico.
Con toda seguridad, la erupción del Krakatoa no destruyó las Indias Orientales Holandesas, como los oponentes a la teoría de la destrucción volcánica de la Creta minoica están siempre dispuestos a puntualizar. Pero sus cenizas volaron lejos en el mar. y las pocas que cayeron en el suelo no significaron un daño importante para la agricultura en ese clima tropical; un alto índice de natalidad reemplazó rápidamente a los habitantes que fueron arrastrados por el tsunami; y no hubo ningún terremoto. Sin embargo, dos erupciones de magnitud menor que la de Krakatoa tuvieron serias consecuencias en naciones enteras: Islandia estuvo a punto de ser abandonada como consecuencia de la erupción de Lakagígar de 1783, y el estado del Antiguo Mataram, en Java, parece haber descendido mucho a causa de una precipitación de cenizas. En verdad, para la asombrosamente rápida decadencia de los minoicos desde la cima del poder, no se ha dado una explicación mejor que la de un golpe de gracia de la naturaleza, golpe que, posiblemente, no se produjo de pronto, sino en la forma de uno, dos, o incluso tres, fuertes golpes: la caída de cenizas (que es un hecho); los posibles tsunamis (no necesariamente catastróficos, pero sí destructivos); y un gran terremoto, uno fuerte seguido de otro en el espacio de, digamos, veinte años. Todo ello pudo facilitar el camino para la invasión de Creta por los micénicos.
En todos los intentos de encontrar un hecho geológico en los fundamentos de un mito o de una leyenda debe recordarse que las sugerencias propuestas son meras posibilidades. En algunos casos hay la probabilidad de que el intento haya sido metafórico desde el comienzo. En otros, algunas de las explicaciones pueden ser excluyentes entre sí. Por ejemplo, si el diluvio de Deucalión y el Éxodo llegan a datarse con precisión y se prueba que se produjeron a cien o más años de distancia, no pueden, obviamente, ser ambos consecuencia de la erupción de Santorín de la Edad del Bronce. Cuando sus fechas, y la fecha exacta de la erupción, sean finalmente establecidas, el argumento de la relación evemerística de una o de las dos tradiciones con la erupción será sustancialmente fortalecido o descartado. Hasta entonces, en estos casos, y probablemente para siempre en la mayoría de los demás, seguiremos nadando en un mar de especulaciones. Pero, en conclusión, ¿no es éste un delicioso deporte?
El caso Beringer
Puesto que los hechos del caso Beringer son totalmente distintos de la historia generalmente aceptada por los mismos geólogos, éste constituye un ejemplo de una ciase especial de folklore geológico, el «geomito profesional». La mayor parte de los estudiantes de geología elemental, o de paleontología, han oído el cuento tragicómico del pobre profesor Beringer, un ávido coleccionista y descriptor de fósiles en los tiempos en que la idea de la creación especial era incuestionable y la naturaleza y propósitos de estas formas, obviamente de aspecto orgánico, que se habían recobrado de la roca sólida eran objeto de vivas especulaciones. Se ha contado y vuelto a contar cómo los estudiantes de Beringer decidieron gastarle una broma y construyeron formas extravagantes que «colocaron» para que él las encontrara. Sólo después de haber publicado un tomo describiéndolas e ilustrándolas supo la verdad —se dice que no se dejó abatir por la decepción hasta que encontró su propio nombre— y, desde entonces, se arruinó financieramente tratando de localizar y comprar todas las copias, muriendo poco después con el corazón destrozado.
La verdadera historia no es tan triste. El doctor Johann Bartholomew Adam Beringer (1667-1740) no era un profesor, sino un físico y sabio de Würzburg, interesado en los «oryctics» («cosas excavadas de la Tierra»). En realidad, debe su puesto en la historia de la geología a un engaño perpetrado a sus expensas. Según M. E. Jahn y D. J. Woolf, que tradujeron y anotaron sus trabajos, la motivación fue más siniestra que una simple picardía estudiantil. Dos colegas conspiraron para desacreditar a Beringer, aparentemente porque estaban resentidos por su indudable arrogancia y quizá, también, porque envidiaban su igualmente indudable habilidad. Sea como fuere, en mayo de 1725 los tres jóvenes contratados como excavadores por Beringer (uno de los cuales estaba en el complot) encontraron el primer hallazgo inusual, una talla con algo parecido al Sol y sus rayos, y otras de gusanos. Pronto le siguieron cangrejos, escuerzos, moscas y otros insectos, lagartos, más gusanos, serpientes de agua, plantas completas con flores e incluso cartas hebreas. Cuando Beringer tenía láminas grabadas y preparaba una conferencia sobre las curiosas piedras, los conspiradores decidieron que la broma había ido demasiado lejos e hicieron correr el rumor de que los hallazgos eran falsos. Beringer no lo creyó. Compraron algunos de los «fósiles» al meritorio doctor y le confesaron su manufactura, pero él se afirmó obstinadamente en la creencia de que trataban de minimizar su gran descubrimiento porque estaban celosos, y continuó adelante con la publicación de su tratado. Cuando, finalmente, se vio forzado a admitir que había sido burlado —posiblemente porque encontrara su propio nombre petrificado, como dice la leyenda— se sintió más furioso que con el corazón destrozado y entabló una querella legal. La verdad salió a la luz al interrogar a sus excavadores y fueron sus conspiradores los que debieron afrontar la ruina y el descrédito, no él. No murió hasta catorce años después, durante los cuales publicó al menos dos libros más, de mérito considerable. Sin embargo, su nombre hoy sólo se recuerda por sus «piedras falsas».
El fraude de Piltdown
Con el fraude de Piltdown se trató de engañar a los científicos en general, y se logró hacerlo, al menos con algunos, durante cuarenta años. En 1912 se encontraron la base de un cráneo humano y una mandíbula del tipo de la de un mono, junto con utensilios primitivos y restos de mamíferos del Pleistoceno, en un depósito funerario de Piltdown. Inglaterra. Se le dio al hallazgo el nombre de Eoanthropus dawsoni (Hombre del Amanecer de Dawson) en honor de su descubridor Charles Dawson, un abogado que también era un competente geólogo y arqueólogo aficionado. Desde el principio, los científicos se dividieron en dos grupos sobre el Dawn Man (Hombre del Amanecer). Los «monistas» estaban convencidos de que el cráneo y la mandíbula representaban, en realidad, un remoto antepasado del hombre, en el cual se combinaban las características simias y humanas, es decir, un verdadero «eslabón perdido». Los «dualistas» afirmaban que representaba a dos criaturas, un hombre del Pleistoceno tardío y un mono del Plioceno, que habían llegado hasta el depósito arrastrados por las aguas desde un depósito más antiguo junto con los restos del mamífero del Plioceno. El hallazgo de unos restos de un segundo individuo, unas dos millas (tres kilómetros) más lejos, convenció hasta a los más escépticos de que el Eoanthropus era, en verdad, un antiguo homínido. Parte de ese segundo hallazgo, un diente, fue sacado a la luz por un intachable testigo como el filósofo-antropólogo Teilhard de Chardin, que había ofrecido su ayuda en la excitante búsqueda de más evidencias. La coincidencia total de este diente, hasta el más mínimo detalle, con la forma que se había pronosticado en base a la supuesta unión del cráneo y la mandíbula era, en sí misma, demasiado perfecta para ser verdad, y debió de resultar sospechosa. Pero, ¿por qué podía nadie sospechar que el Dawn Man fuera sólo un inusualmente planeado y extremadamente elaborado fraude?
A medida que se hicieron nuevos descubrimientos de fósiles humanos en otras partes del mundo, el Hombre de Piltdown comenzó a parecer cada vez más y más anómalo desde el punto de vista geográfico, geológico y, particularmente, antropológico. Finalmente, en 1949, la prueba del flúor, desarrollada por J. S. Weiner, se aplicó a los huesos de Piltdown. Esta prueba se basa en el hecho de que el flúor que hay en las aguas del suelo se acumula gradualmente en los huesos y dientes enterrados. Por tanto, los huesos más antiguos contienen más cantidad de flúor que los recientes. La mandíbula y el cráneo del Hombre de Piltdown resultaron pertenecer a distintas épocas, y ambos restos con muy bajo contenido en flúor: no más antiguos de cincuenta mil años. Esto presentaba tales problemas, tanto a los «monistas» como a los «dualistas», que, finalmente, hubo de aceptarse la idea de un fraude como única respuesta posible. Trabajosas investigaciones revelaron finalmente que, en realidad, el cráneo era el de un fósil humano, pero no muy antiguo, y la mandíbula pertenecía a un mono moderno. Los huesos y el diente habían sido hábilmente manchados por una mano experta y gastados para que parecieran tan antiguos como pertenecientes al Plioceno, y colocados entre restos apropiados de mamíferos y pedernales. Las evidencias circunstanciales señalaron a Charles Dawson como el único responsable del engaño, pero como había muerto mucho antes de que se reconociera el fraude, los detalles del suceso nunca se conocerán. Algunos que resueltamente rehusaron aceptar el Hombre de Piltdown, también murieron antes de que su posición pudiera reivindicarse, pero muchos otros vivieron para poder decir: « ¡Os lo había dicho!»
Métodos de datación radiactiva
Dado que varias veces nos hemos referido a la datación por radiocarbono, será útil una breve explicación de los métodos de datación radiactivos en general y del método del carbono-14 en particular. Todos se basan en el hecho de que los elementos radiactivos decaen (es decir, sueltan espontáneamente partículas nucleares. produciendo nuevos elementos) en una proporción medible y constante llamada la vida media, que es el tiempo necesario para que la mitad del núcleo de una muestra del elemento se desintegre. La relación entre la cantidad de elementos radiactivos presentes en un momento dado y la cantidad en el producto desintegrado da la cantidad de tiempo que ha necesitado el proceso de descomposición, o, en otras palabras, cuál es la edad de la muestra. La mayor parte de los elementos radiactivos que se hallan en las rocas y que se utilizan para fines cronológicos tienen vidas medias muy prolongadas: el uranio y el torio (que guían el cambio), el rubidio-87 (que se desintegra con el estroncio-87) y el potasio-40 (que termina como argón-40) son los más utilizados. En la mayor parte de los contextos geológicos es necesaria una larga vida media, especialmente cuando se trata de rocas que tienen millones o miles de millones de años. Sin embargo, los elementos de larga vida no sirven cuando es necesario datar materiales relativamente recientes, en cuyo caso se utiliza el método de radiocarbono, de W. F. Libby (abreviación para carbono radiactivo).
Ciertos átomos de carbono, que constituyen una proporción muy pequeña, tienen un peso de 14, en lugar del habitual 12, y están formados por reacciones del nitrógeno con rayos cósmicos en la capa superior de la atmósfera. El carbono-14 es inestable (radiactivo) y se desintegra espontáneamente con el nitrógeno-14. Los átomos «pesados» de carbono se combinan con el nitrógeno en la capa superior de la atmósfera, formando dióxido de carbono «pesado» que, eventualmente, puede ser absorbido por las cosas vivas junto con el dióxido de carbono «normal». La distribución del carbono-14 es constante en todo el mundo en un momento dado, y todos los seres vivos contienen pequeñas cantidades de él, que vuelve a cargarse constantemente en el proceso de la vida al desintegrarse. Cuando el organismo muere, cesa el proceso de recargarse y, entonces, es posible medir la desintegración del radiocarbono. Si se compara la cantidad de carbono-14 que resta en las materias orgánicas antiguas —tales como turba, conchas, madera enterrada o carbón de los fondos prehistóricos— con el caudal universal, es posible calcular el tiempo transcurrido desde la muerte del individuo.
La mayor dificultad con la datación por el método del carbono-14 es encontrar material que se haya preservado de la contaminación. El escurrido de las aguas, la alteración química o el lavado de antiguos materiales (en depósitos de lagos, p. ej.) pueden cambiar la proporción del carbono radiactivo que se halla en la muestra y, por tanto, dar una edad que no es la verdadera. Recientemente se ha descubierto que la proporción de carbono-14 producido por los rayos cósmicos no ha sido constante, como antes se creía, sino que varía ligeramente a lo largo de los siglos, porque ha variado la intensidad del campo magnético de la Tierra, con pequeñas fluctuaciones, más o menos cíclicas, que se superponen a una dirección, generalmente lineal, más grande y que es parte de un ciclo mucho mayor. Cuando el campo geomagnético es débil, la Tierra está menos protegida de los rayos cósmicos que producen el carbono-14 en la parte superior de la atmósfera. Comparado con los errores que produce la contaminación, los que se dan por las variaciones de los rayos cósmicos son pequeños, pero se magnifican cuanto más antigua sea la muestra. Se han confeccionado tablas que indican la corrección exacta para este efecto y que abarcan los últimos siete mil años. Dichas tablas se han obtenido calibrando las fechas dadas por el radiocarbono con la de los anillos de los árboles, que se establecen con exactitud por dendrocronología.
Hasta hace poco, la datación por radiocarbono se calculaba utilizando un valor de vida media del carbono-14 de 5.568 años. Desde entonces se ha determinado con más precisión la vida media, fijándola en 5.730 años. Actualmente, las fechas se calculan tomando como base este valor «preferido». Sin embargo, también se darán fechas con el antiguo valor de la vida media. Las fechas del radiocarbono se dan como «años B.P.» (B.P.= antes del presente), y si es necesario situarlas en el calendario cristiano, se toma como año de referencia el de 1950. Por tanto, una fecha de «3.500 ± 100 años B.P.» corresponderá al 1600 a.C., más o menos cien años. Para los fines geológicos, la precisión del método del radiocarbono es suficiente. Para, por ejemplo, datar un depósito pos glacial de hace 10.000 años, con una aproximación de ± 50 o ± 100 años, es lo bastante precisa para todos los propósitos prácticos. Pero para los arqueólogos, que necesitan subdivisiones mucho mayores del tiempo —una o dos generaciones— dentro del último milenio, la datación del radiocarbono es sencilla, pero no exacta en su estado actual de desarrollo. Sin embargo, los resultados de las investigaciones recientes ofrecen muchas razones para esperar una determinación más precisa, permitiendo una datación más ajustada en términos del calendario cristiano, lo que se logrará en un futuro próximo.
El mamut helado
Para aquellos cuyas teorías exigen algún tipo de catástrofe global para explicar el que prevalezca la tradición sobre diluvios, son especialmente apreciables los mamuts, así como otros animales cuyos restos congelados se han encontrado en el permanente suelo helado ártico. La cantidad de animales bien conservados se ha calculado en unos diez mil, sólo mamuts, o alrededor de un millón, toda clase de animales. La opinión general sugiere que todo el rebaño de animales que se alimentaban tranquilamente durante un agradable día fue aniquilado por una catástrofe, y que sus cadáveres pasaron de pronto a latitudes polares sólo en cuestión de horas, debido a un cambio del eje de rotación de la Tierra o a un desprendimiento de la corteza exterior.
El hecho es que se han encontrado muy pocos mamuts completos en buen estado de conservación. Sólo cuatro, para ser exactos. Lo más frecuente ha sido encontrar fragmentos de pelos y de piel, o incluso carne, junto a esqueletos desmembrados, pero sobre todo se han hallado huesos y colmillos. (Los colmillos, que son más inalterables químicamente, han durado más que cualquier otra cosa. Sólo en Siberia se han recogido, durante las últimas centurias, unos cincuenta mil colmillos de mamut para el comercio del marfil, y gran parte del marfil que se utiliza hoy tiene este origen.) En su conjunto, estos restos representan a animales que vivieron y murieron en un período de miles de años.
El más famoso, y el más documentado, de todos los mamuts es el Berezovka, del que se encontró todo el cuerpo y que fue hallado en 1900 en el este de Siberia, cuando se cavaba en el banco de un río parcialmente expuesto sobre el barro helado. El verano siguiente se envió una expedición especial para estudiarlo, encontrándose con que la parte de la espalda expuesta había sido devorada por animales salvajes. La presencia de sangre congelada en el pecho, restos de comida que no había llegado a tragar, y huesos rotos, indicaba claramente que el animal había muerto al quedar atrapado bajo sus patas. Probablemente comía a lo largo de un risco junto al río, en un día de otoño, cuando el banco se hundió bajo su peso, cayendo en la parte plana y húmeda del fondo, donde pronto se heló. Si esto sucedió al final de un período interglacial, el cuerpo pudo permanecer helado hasta que quedó expuesto a causa de la erosión. Otra teoría que se ha formulado para explicar su preservación total indica que pudo caer en una grieta de una tundra cubierta de hielo sobre un suelo permanentemente helado, en el que se preservó, como ocurre con los cuerpos de los desdichados montañeros que caen en fisuras de los glaciares alpinos. Sin embargo, tales montañeros pueden ser descubiertos algunos años después en el frente de hielo, mientras que el mamut helado tuvo que esperar a que la erosión o los cazadores de marfil descubrieran sus restos.
Algo que generalmente olvidan explicar los catastrofistas cuando utilizan a los mamuts helados como evidencia de un estupendo cataclismo es: ¿Por qué no se han hallado también restos humanos? Cualquier desastre que pudo borrar miles de mamuts de un solo golpe fue, sin duda, igualmente duro para los hombres que habitaban en las cavernas y que los cazaban. En cuanto al argumento de un cambio fulminante del clima en toda la zona, que se hizo más fría, hay que preguntarse por qué los mamuts, que antes de su desaparición vivían en una zona de clima suave, estaban dotados, sin embargo, de sus pesados abrigos de lana. Y, además, ¿por qué hay también los restos de otros animales que pertenecen a especies que se crían precisamente en climas fríos, como los mastodontes, los antes, los ciervos, los osos, los bueyes almizcleros, los yaks, los bisontes y los lobos, por citar sólo algunos de ellos?
En realidad, la evidencia paleomagnética indica que los polos magnéticos de la Tierra no estuvieron siempre en la misma posición, sino que se han desplazado como si toda la Tierra hubiera echado a rodar sobre su propio eje, o como si la corteza exterior del planeta se hubiese desplazado relativamente hacia el interior (esto además de la traslación de los continentes, unos respecto de otros, sobre la superficie, como se explicara en el capítulo 9). Pero, como la mayoría de los procesos geológicos, el errar de los polos se ha producido muy lentamente a lo largo del tiempo a una velocidad imperceptible para los seres vivos. Asimismo, el hallazgo de restos de muchos individuos mezclados en un mismo depósito no significa necesariamente que todos murieran de pronto, sobre todo si estos restos se encuentran en distintos estados de descomposición. Tales concentraciones pudieron acumularse durante largos períodos en lugares pantanosos, o bien deberse al hecho de que se acumularan depósitos transportados por los cursos de agua. Simplemente, los mamuts no se suman a una catástrofe universal.
Los mismos mamuts congelados han originado teorías equivocadas tan difundidas entre los geólogos que constituyen por sí mismas un segundo ejemplo de folklore profesional (el primero lo constituye el caso Beringer). Un relato que ha tenido amplia divulgación afirma que uno de los mamuts del Pleistoceno que se hallaron en Siberia, estaba en un estado de preservación tan excelente que su carne se sirvió en un banquete que se celebró con motivo de una reunión de geólogos en San Petersburgo. Cuando yo lo escuché por primera vez, en mis días de estudiante, el banquete se ofreció en un Congreso Internacional de Geología. Pero el caso es que no pudo tratarse del mamut Berezovka, puesto que éste no fue descubierto hasta 1900, y el VII Congreso Internacional de Geología tuvo lugar en San Petersburgo en 1897. Por tanto, tenía que ser otro mamut y otro encuentro, y ambas posibilidades son igualmente imposibles. Ni siquiera el mamut Berezovka, que es el que mejor se ha conservado, pudo haber constituido un apetitoso bocado para nadie tras ser llevado a San Petersburgo, como un examen de los documentos demostrará.
O. F. Herz. el guía de la expedición que se envió a excavar el mamut Berezovka en 1901, relata más de una vez en su informe el terrible hedor de la carne cruda: «Sobre la pierna posterior izquierda encontré también trozos de carne en descomposición, en donde se veía fácilmente el manojo de músculos. El hedor que se desprendía de esta extremidad era insoportable, de modo que fue necesario detener constantemente el trabajo. Un lavado a fondo no pudo eliminar el olor de nuestras manos...» Y más adelante: «A pesar de que el mamut estaba congelado, el hedor que emitía era muy desagradable.» Y un poco después: «El hedor no es tan insoportable como los primeros días, debido, posiblemente, a que nos hemos acostumbrado a él.»
Sin embargo, cuando ahondaron en los restos encontraron parte de la carne en muy buen estado de conservación, y es posible que el pasaje siguiente sea el que ha dado pie a la ficción de que era adecuado para el consumo humano: «La carne de debajo del hombro... que es fibrosa y marmórea, con grasa, es de un color rojo oscuro y parece fresca, como si fuese carne de buey congelada. Parecía tan apetitosa que, durante un tiempo, nos preguntamos si debíamos probarla, pero nadie se aventuró a llevársela a la boca y se prefirió la carne de caballo. Los perros, en cambio, se comieron toda la carne que se les dio.»
Resulta asombroso que la carne fuera adecuada para los perros, pero el hecho es que nadie tuvo el valor de intentar probarla cuando estaba fresca. ¿Cómo hubiera estado después de un viaje hasta San Petersburgo, aunque fuera en un clima frío? La expedición tardó cuatro meses en llegar hasta el lugar del hallazgo y, presumiblemente, el mismo tiempo para regresar. No obstante, el folklore del banquete de la carne de mamut ha llegado hasta los libros de texto de geología, y sólo de vez en cuando precedido por un cauteloso «se dice que...».
Notas:
Puesto que el pensamiento geológico ha cambiado muy significativamente a partir de 1925. en que se publicó por primera vez la teoría de Lewis Spence, resulta un ejemplo interesante de la renuencia con que teorías apreciadas se abandonan después para descubrir, en una reedición póstuma de los trabajos de Spence, en 1968, que su teoría sobre el enclave en que estaba la Atlántida es, simplemente, replanteada, para lo cual el lector debe dirigirse a la edición original a fin de hallar los argumentos geológicos que se esgrimieron para afirmarla. Tales argumentos, que se extendieron durante cincuenta años, se llaman las ideas de la «geología moderna».